Детекторы сигналов
ЛЕКЦИЯ 7
2.6. Детекторы сигналов
2.6.1 Амплитудные детекторы
А) Основные характеристики амплитудных детекторов

Аналитическое выражение амплитудно-модулированного колебания, в простейшем случае модуляции одним тоном, имеет вид: . Вид этого колебания во временной и частотной области изображен соответственно на рис.1а и рис.1в. На выходе детектора образуется постоянная составляющая , пропорциональная среднему значению входного сигнала, и переменная составляющая на частоте огибающей , имеющая амплитуду . Последняя и является полезным продуктом детектирования.
Рис.1 Коэффициент называется глубиной модуляции, где амплитуда огибающей на входе детектора.
К основным характеристикам амплитудного детектора относятся:
1) Коэффициент передачи детектора для немодулированного сигнала. (6.1)
2) Коэффициент передачи для модулированного сигнала . (6.2)

3) Детекторная характеристика зависимость выпрямленного тока (напряжения) от амплитуды входного немодулированного высокочастотного напряжения. Вид кривой (рис.2) зависит от величины сопротивления нагрузки (Rн). При больших значениях Rн это практически прямая линия.
4) Входное сопротивление (в общем случае комплексная величина)
, (6.3)
где амплитуда первой гармоники входного тока детектора.
5) Коэффициент фильтрации , (6.4)
где амплитуда напряжения на частоте входного
сигнала, просочившегося на выход детектора.
6) Коэффициент гармоник, количественно Рис.2
Рис.2 описывающий уровень нелинейных искажений продетектированного сигнала
. (6.5)
7) АЧХ детектора зависимость коэффициента передачи детектора от частоты огибающей входного сигнала. Форма этой зависимости определяется, в основном, амплитудно-частотной характеристикой фильтра низкой частоты, служащего нагрузкой амплитудного детектора.
Б) Принцип работы диодного амплитудного детектора

Из теоретических основ радиотехники известно, что диодный детектор может работать в двух режимах. Режим слабого сигнала, когда ВАХ диода аппроксимируется квадратичной параболой вида , характеризуется сильными нелинейными искажениями и, по этой причине, в радиоприемниках не применяется. Его удобно, например, использовать в измерителях мощности, так как выходной сигнал пропорционален квадрату напряжения, т.е. мощности. В режиме сильного (большого) сигнала, как известно, допустима аппроксимация ВАХ кусочно-ломанной линией (рис.3а). Дело в том, что при амплитуде сигнала на входе детектора не менее 0,5…1В, огибающая этого сигнала проецируется на практически линейный участок характеристики и последняя может быть аппроксимирована линейной функцией
Рис.3 , (6.6)
где крутизна диода.

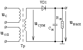
Принципиальная схема простейшего диодного детектора изображена на рис.4. Детектор обычно является нагрузкой последнего каскада УПЧ. Поскольку входное сопротивление диодного детектора существенно меньше эквивалентного сопротивления контура УПЧ (LкCк), для согласования используется трансформатор Тр1. Рассмотрим процессы, происходящие в схеме, при подаче на вход немодулированного высокочастотного колебания
Рис.4 . (6.7)
Под воздействием входного напряжения ток через диод может протекать только во время положительных полуволн напряжения, приложенного к диоду. В первый момент времени конденсатор разряжен и к диоду прикладывается все входное напряжение. Ток протекает в течение всей положительной полуволны, т.е. угол отсечки равен (рис.3б). Через малое сопротивление открытого диода конденсатор достаточно быстро заряжается. Во время отрицательной полуволны разряд происходит значительно медленнее через сопротивление . Уменьшением напряжения на конденсаторе, по этой причине, можно пренебречь. В следующую положительную полуволну конденсатор опять дозаряжается и т.д. Напряжение на нем нарастает во времени по экспоненциальному закону. Поскольку сопротивлением небольшого числа витков катушки можно пренебречь, то очевидно, что все напряжение с конденсатора прикладывается к диоду , смещая его рабочую точку в область отрицательных значений (рис.3б). К моменту времени переходной процесс заканчивается и к диоду (до момента ) прикладывается алгебраическая сумма выпрямленного выходного напряжения и немодулированного входного
. (6.8)
Очевидно, что в установившемся режиме все переменные составляющие тока, протекающего через диод (рис.3в), закорачиваются через малое сопротивление конденсатора и выпрямленное напряжение создается на резисторе только постоянной составляющей этого тока
. (6.9)
На рис.3г показан увеличенный фрагмент напряжения, приложенного к диоду в установившемся режиме. Из рисунка видно, что в соответствии с определением косинусоидальной функции, выходное напряжение записывается в виде
. (6.10)
Подставляя правую часть этой формулы в числитель (6.1), получаем:
. (6.11)
Из формулы видно, что угол отсечки в установившемся режиме не зависит от амплитуды входного напряжения. Ниже будет показано, что и при наличии амплитудной модуляции угол отсечки высокочастотного напряжения так же меняться не будет. Определим коэффициент передачи детектора для модулированного сигнала. С учетом только что сказанного, и для меняющегося выходного напряжения детектора будет справедливо равенство (6.10). А значит можно записать
.
При наличии модуляции одним тоном амплитуда высокочастотного напряжения меняется в соответствии с формулой . Подставив её правую часть в предыдущее выражение, получим:
.
Первое слагаемое здесь представляет собой постоянную составляющую, а второе полезный сигнал. Его амплитуда (выражение в квадратных скобках) ранее была обозначена через .
Тогда коэффициент передачи детектора по огибающей будет равен
. (6.12)
2.6.2 Фазовые детекторы
А) Общие сведения
Фазой гармонического колебания называется аргумент синусоидальной (косинусоидальной) функции, описывающей это колебание. В общем случае полная фаза содержит несколько составляющих. Аналитическое выражение фазомодулированного колебания имеет вид
, (1)
где начальная фаза колебания;
линейно нарастающая во времени составляющая;
функция, отображающая процесс фазовой модуляции.

График изменения во времени полной фазы изображен на рис.1. Для простоты рассматривается модуляция фазы простейшим гармоническим колебанием. Из рисунка видно, что для однозначного определения текущего значения информационной составляющей необходимо в каждый момент времени из полной фазы вычитать сумму двух других составляющих, т.е. обеспечивать на приемной стороне реализацию вычитания
. (2)
Для решения этой задачи на приемной стороне необходимо иметь источник опорного напряжения, работающий на частоте , с точностью до фазы совпадающей с частотой несущей .
Устройство, величина напряжения на выходе которого
Рис.1 пропорциональна отклонению текущей фазы сигнала от опорного значения, а полярность которого зависит от стороны отклонения фазы, называется фазовым детектором. В зависимости от способа взаимодействия напряжения сигнала с опорным напряжением различают три варианта построения фазовых детекторов (ФД):

Б) ФД на основе перемножителя сигналов (рис.2).
Пусть напряжение сигнала описывается выражением (1), а опорное напряжение изменяется в соответствии с формулой . Для простоты полагаем коэффициент передачи перемножителя равным единице.
Рис.2 Тогда напряжение в точке (1) запишется в виде
(3)
Второе слагаемое легко отфильтровывается в ФНЧ и, обозначив коэффициент передачи ФНЧ через «Кф», получим на выходе
. (4)
Выходное напряжение зависит от по закону косинуса, а требуется линейная зависимость. Для её получения фазу опорного напряжения сдвигают по отношению к фазе принимаемого сигнала на угол . В этом случае (4) принимает вид
.
Обычно отклонения фазы в процессе модуляции не превышают 10…15°, при этом синус таких малых углов примерно равен самим углам (в радианном измерении) и последнее выражение можно переписать в виде
. (5)
Заметим, что в выражение для коэффициента передачи фазового детектора (см. формулу (4)) входит как амплитуда опорного напряжения, так и амплитуда сигнала. Очевидно, что для обеспечения, необходимо, во-первых, стабилизировать амплитуду опорного напряжения и, во-вторых, устанавливать перед ФД ограничитель амплитуды сигнала, устраняющий паразитные флюктуации этой амплитуды, возникающие при распространении сигнала и его обработке в предшествующих каскадах.
В) Векторомерные ФД

В основу работы положено векторное суммирование (с учетом фаз) опорного и сигнального напряжения с последующим его амплитудным детектированием в АД. Структурная схема изображена на рис.3. Рис.4 поясняет процесс преобразования в сумматоре фазовой модуляции в амплитудную. Действительно, при изменении во времени , примерно пропорционально этой величине будет меняться и длина суммарного вектора . Из рисунка видно, что суммарный вектор будет модулирован и по фазе, но амплитудный детектор не чувствителен к фазе высокочастотного заполнения, поэтому искажения выходного сигнала по этой причине будут отсутствовать.
Рис.3 Рис.4
В) Коммутационные ФД

Принцип действия таких детекторов рассмотрим на примере структурной схемы, изображенной на рис.5. С помощью трансформатора Тр, имеющего средний вывод от вторичной обмотки, соединенный с корпусом, на контактах «1» и «2» ключа Кл. создаются два противофазных напряжения сигнала. Контакт «3» ключа с частотой опорного напряжения (например, с помощью вибропреобразователя) переключается между контактами «1» и «2», поочередно подключая их ко входу ФНЧ. На рис. 6 приведены эпюры напряжений, в различных точках схемы, поясняющие работу детектора. Фазовый сдвиг между опорным напряжением и напряжением сигнала на рис.6а
Рис.5 равен нулю. В этом случае одновременно со сменой полярности входного напряжения происходит переключение контакта «3» из положения «1» в положение «2». В результате входной ток ФНЧ все время имеет одно и тоже направление (втекает в фильтр). ФНЧ выделяет постоянную составляющую положительных синусоидальных импульсов и её величина на выходе ФНЧ в этом случае максимальна, и напряжение имеет положительную полярность.
При запаздывании входного сигнала по отношению к опорному на 90° (рис.6б) входной ток ФНЧ в течение половины периода опорного напряжения (вторая и четвертая четверть) имеет положительное значение, и в течение половины же (первая и третья четверть) отрицательное. Постоянная составляющая такого тока, а значит и выходного напряжения ФНЧ, равна нулю.

При сдвиге в 180° (рис.6в) картина аналогична первому варианту, стой лишь разницей, что полярность выходного напряжения меняется на противоположную. Таким образом, рассмотренное устройство обеспечивает получение выходного напряжения, величина которого зависит от величины фазового сдвига между сигнальным и опорным напряжением, а полярность этого напряжения определяется стороной фазового сдвига. Следует отметить,
Рис.6
что зависимость напряжения от сдвига фаз в рассмотренном варианте может считаться пропорциональной только в небольших окрестностях исходного фазового сдвига в 90°.
Г) Принцип работы векторомерного ФД

Принципиальная схема такого детектора приведена на рис.7. Трансформатор Тр выполняет функции сумматора входного и опорного сигналов. На диоде VD1 и элементах RнCн реализован амплитудный детектор. Его выходное напряжение, как было показано в предыдущей главе, определяется выражением . Длина суммарного вектора (рис.4) определяется по теореме
косинусов:
Рис.7
, тогда выходное напряжение можно записать в виде:
. (6)
Выражение (6) описывает детекторную характеристику ФД. Максимальное её значение имеет место при и описывается формулой
. (7)
Минимальное значение функция принимает при и оно равно
. (8)
При выходное напряжение будет иметь значение, примерно равное среднеарифметическому от описываемых формулами (7) и (8). Действительно, после подстановки в (6), получим
. (9)
График детекторной характеристики, построенный по формуле (6) для изображен на рис.8а. Его анализ показывает, что приемлемый для использования линейный участок характеристики находится в окрестностях . Другими словами и для этого типа детектора необходимо обеспечивать исходный фазовый сдвиг между опорным напряжением и сигналом равный 90°. Недостатками такого ФД являются небольшая протяженность линейного участка, малая крутизна детекторной характеристики в рабочей точке и наличие постоянного напряжения на выходе при отсутствии фазовой модуляции (в приведенном примере эта величина равна 0,6В при размахе детекторной характеристики всего в 12мВ). Как и в случае детектора на основе перемножителя, здесь требуется применение ограничителя амплитуды входного сигнала и стабилизация амплитуды напряжения гетеродина, поскольку от них зависит выходное напряжение детектора (6) и крутизна его характеристики (10).

Рис.8
Выражение для крутизны детекторной характеристики в рабочей точке получим, продифференцировав выражение (6) по и подставив в результат .
С учетом того, что формула (10) упрощается
. (11)
Знак «-» в формуле учитывает отрицательный наклон детекторной характеристики.
2.6.3. Частотные детекторы
А) Общие сведения
Выражение частотно-модулированного колебания для случая модуляции одним тоном имеет вид:
, (1)
где частота модуляции; девиация частоты (максимальное отклонение частоты несущей в течении периода модулирующего колебания).
Частотным детектором называют устройство, напряжение на выходе которого пропорционально отклонению частоты входного сигнала от некоторого среднего значения, а полярность выходного напряжения определяется стороной отклонения частоты.
Все детекторы ЧМ колебаний по принципу действия можно разделить на четыре группы.
1) ЧД с амплитудным преобразованием частотной модуляции. Структура такого устройства имеет вид, изображенный на рис.1. Отклонение частоты входного сигнала с помощью частотно-избирательной цепи (ЧИЦ) преобразуется в отклонение его амплитуды и затем уже АМ колебание подается на амплитудный детектор (АД).

Рис.1

2) ЧД с фазовым преобразованием частотной модуляции (рис.2). Здесь отклонение частоты входного сигнала преобразуется в отклонение фазы с помощью ЧИЦ и уже фазомодулированное колебание подается на фазовый детектор. В качестве опорного напряжения может выступать сам входной сигнал.
Рис.2
- ЧД с преобразованием в импульсную модуляцию (рис.3).

Входное гармоническое напряжение, частота которого меняется по закону модуляции, поступает на амплитудный ограничитель (или триггер Шмита). С выхода снимаются импульсы с крутыми фронтами, частота следования которых по-прежнему равна .
Рис.3
С помощью дифференцирующей цепи получаются короткие импульсы, временное положение которых совпадает с передним (положительные) и задним (отрицательные) фронтами прямоугольных. Формирующая цепь (ждущий мультивибратор, например) в ответ на каждое входное запускающее воздействие положительной полярности вырабатывает прямоугольный импульс нормированной амплитуды и длительности. Очевидно, что частота следования этих импульсов так же равна . Постоянная составляющая такой последовательности будет определяться только частотой следования. ФНЧ и предназначен для её выделения. В результате .
4) Цифровые частотные детекторы
Б) Принцип работы частотного детектора
В детекторах этого типа используется зависимость амплитуды напряжения на контуре от сдвига частоты сигнала по отношению к резонансной частоте. Таким образом, рассматриваемые ЧД относятся к первому виду по классификации, приведенной в предыдущем параграфе.


А) ЧД на базе одиночного контура. Принципиальная схема изображена на рис.4, графики, поясняющие принцип работы на рис.5. На транзисторе VT1 реализован резонансный усилитель (базовые цепи смещения не показаны), нагрузочный контур которого LкCк
Рис.4 Рис.5
расстроен относительно средней частоты обрабатываемого сигнала на величину (рис.5а). Текущая обобщенная расстройка будет меняться во времени пропорционально мгновенному значению отклонения частоты входного сигнала , так как они связаны между собой известной зависимостью
. (2)
Поскольку рабочая точка ЧД находиться на скате АЧХ усилителя, по закону частотной модуляции начнет меняться во времени и амплитуда напряжения на контуре (рис.5б). Через катушку связи Lсв это напряжение поступает на вход амплитудного детектора VD1CнRн. Очевидно, его выходное напряжение будет меняться во времени по закону частотной модуляции входного сигнала. Его аналитическое выражение будет иметь вид
, (3)
коэффициент передачи трансформатора Тр; коэффициент передачи амплитудного детектора. Понижающий трансформатор в схеме необходим для согласования невысокого входного сопротивления детектора (единицы кОм) с высоким резонансным сопротивлением контура (сотни кОм). Обычно .
Важной характеристикой ЧД является его крутизна в рабочей точке. Определим её, взяв производную от выражения (3) по и подставив в результат :
. (4)
Можно считать оправданным выбор такого значения , при котором крутизна приобретает максимальное значение. Для отыскания такого значения необходимо вычислить производную от выражения (4) по и приравнять её нулю:
Сомножитель перед квадратными скобками не может быть равен нулю, поэтому
Очевидно
. (5)
Подставив это значение исходной расстройки в (4), получим:
.
После вычислений, получим
. (6)
Недостатками рассмотренного варианта ЧД являются невысокая крутизна и небольшая протяженность линейного участка дискриминационной характеристики. Кроме того, анализ выражений (4) и (6) показывает, что параметры ЧД зависят от амплитуды напряжения на контуре , а значит и амплитуды входного сигнала, что недопустимо. По этой причине частотному детектору обязательно должен предшествовать ограничитель амплитуды, чтобы выходное напряжение зависело только от текущего отклонения частоты.
Детекторы сигналов