СИСТЕМА ВОЗДУШНЫХ СИГНАЛОВ
ГЛАВА 12.СИСТЕМА ВОЗДУШНЫХ СИГНАЛОВ
СОДЕРЖАНИЕ
1 Назначение систем воздушных сигналов.............................................2
2 Система воздушных сигналов типа СВС-72……………………........3
2.1 Назначение системы СВС-72……………………………………….3
2.2 Принцип построения СВС11-72-3………………………………….4
2.3 Принципиальная схема и устройство СВС-11-72-3……………….5
2.4 Основные технические характеристики СВС11-72-3………........11
3 Назначение системы сигналов с указателем высоты ВБЭ-СВЭ…..13
3.1 Основные технические данные…..…..............................................15
3.2 Внешний вид …………………….............................………..……..17
3.3 Структурная схема система ………................................…..……...19
3.4Средства контроля …………..………...................………....……..21
3.5 Принцип работы...………………..………….……...........................22
Заключение………………………………………...………..…..….…...24
Контрольные вопросы…………………………….………....…………25
1. НАЗНАЧЕНИЕ СИСТЕМ ВОЗДУШНЫХ СИГНАЛОВ
Одним из важнейших параметров полета летательного аппарата (ЛА) является его скорость. В основу принципа действия современных бортовых средств измерения параметров движения летательного аппарата (ЛА) в воздушной среде положен аэрометрический метод. С развитием авиационной техники возросли требования к точности измерения аэрометрических параметров.
Скорость полета ЛА измеряют относительно воздуха и относительно земли. При этом различают истинную воздушную скорость V скорость полета относительно воздуха, путевую скорость W-скорость относительно Земли, и приборную (индикаторную) скорость Vпр - скорость полета в предположении, что скоростной напор постоянный на всех высотах. Безразмерной характеристикойскорости полета является число М полета, равное отношению истинной воздушной скоростиV к скорости звука a, т.е. М=V/а. Путевая скорость W равна геометрической сумме горизонтальных составляющих истинной воздушной скорости и скорости ветра , т.е.
= + (1)
Скорость полета является векторной величиной, для определения которой необходимо знать модуль и направление. Направление вектора истинной воздушной скорости в системе координат, связанной с осями ЛА, определяется углами атаки и скольжения . Следовательно, для полного определения вектора воздушной скорости необходимо измерять модуль вектора и угла атаки и скольжения. В целях удобства пилотирования отдельно измеряют вертикальную скорость Vh, являющуюся вертикальной составляющей скорости полета ЛА, причем Vh=dh/dt. Приборы, предназначенные для измерения указанных выше скоростей, называются соответственно указателями истинной воздушной скорости, индикаторной скорости, числа М, а приборы, измеряющие вертикальную скорость, называются вариометрами.
С развитием авиационной техники возросли требования к точности измерения аэрометрических параметров. Информация о величинах аэрометрических параметров используется на современных ЛА не только для визуального отображения на приборной доске летчика. Она поступает и в различные системы ЛА в виде электрических сигналов. Для этого используются различные устройства (датчики воздушной скорости, датчики высоты и др. ). Число таких устройств на ряде ЛА значительно. Кроме того, велико число каналов связи с потребителями. Чтобы уменьшить массу комплекса, необходимо добиваться минимальных габаритов отдельных приборов, что обычно противоречит требованиям повышения точности. Все это привело к широкому внедрению единых систем вычисления основных аэрометрических параметров полета и выдачи сигналов о них потребителям. Такие аэрометрические системы называют системами воздушных сигналов ( СВС ). Они являются важной составной частью современных пилотажно-навигационных и информационных комплексов высотно-скоростных параметров. Новое поколение СВС представляют цифровые системы воздушных сигналов. Применение в них специализированных цифровых вычислителей и прецизионных первичных измерительных преобразователей воздушных давлений позволило существенно повысить точность измерения аэрометрических параметров полета и расширить функциональные возможности СВС. Важные достоинства цифровых вычислителей стабильность характеристик, исключающая необходимость эксплуатационных регулировок, и удобство согласования их выходных сигналов со входами БЦВМ. Цифровые СВС отвечают современному направлению развития бортовых измерительных систем, связанному с широким внедрением в них цифровой вычислительной техники. От точности и надежности СВС зависят эффективность применения ЛА и безопасность полетов. Таким образом, системы воздушных сигналов занимают важное место в составе бортового оборудования современных ЛА.
2. СИСТЕМА ВОЗДУШНЫХ СИГНАЛОВ ТИПА СВС-72
Система воздушных сигналов выпускается четырех модификаций: СВС1-72-1, СВС1-72-2, СВС11-72-3, СВС11-72-4, предназначенных для вычисления основных аэрометрических параметров полета самолета и выдачи данных о них потребителям.
Указанные модификации отличаются диапазоном решаемых параметров, количеством указателей и электрических выходов по каждому параметру. Рассмотрим данную систему с точки зрения измерения скорости и числа М.
2.1 Назначение системы.
Унифицированная система воздушных сигналов СВС-72 предназначена для вычисления и выдачи потребителям:
- aбсолютной барометрической высоты Ha;
- относительной барометрической высоты H;
-истинной воздушной скорости V;
- приборной скорости Vпр;
- числа Маха М;
- статистического давления p;
- температуры наружного воздуха T.
Указанные параметры выдаются потребителям (в бортовую ЦВМ, контрольно-записывающую аппаратуру, самолетный ответчик и др.) в виде: напряжения с синусно-косинусного трансформатора СКВТ (H,V,M); относительного сопротивления r (Ha, H , V , M, Vпр, p,T ).
Под относительным сопротивлением понимается отношение сопротивления токосъемного участка потенциометра, с которого снимается сигнал, к его полному сопротивлению.
Параметры H,V,M,T кроме того индицируются.
В состав системы СВС11-72-3 входят:
- блок воздушных параметров БВП-7;
- комбинированный указатель числа М и скорости УМС-2,5;
- указатель высоты УВ-30-3;
- приемник температуры заторможенного воздуха П-69-2М
( в комплект не входит ).
Системы СВС-72 могут совместно работать с указателями температуры типа УТ-1М и указателями-повторителями высоты и скорости УВ-П и УС-П. Указатели УВ-П и УС-П поставляются только в комплекте СВС1-72-1. При этом для их работы используется по одному потенциометрическому выходу V и H.
При наличии в комплекте СВС-72 указателя температуры на самолете устанавливаются два приемника П-69-2М или одинП-69-4
( СВС1-72-1 ).
2.2 Принцип построения СВС11-72-3
Вычисление параметров полета во всех СВС выполняется по единым градуировочным формулам аэрометрических приборов.
Число М определяется, как функция отношения динамического pд и статического p давлений ( pд- полное давление заторможенного потока воздуха ):
(2)
где f(M)=
Для вычисления истинной воздушной скорости используется соотношение
V=aM=f (M), (3)
Где а- скорость звука на высоте полета;
а==c
k- показатель адиабаты (k=1,4 );
с=20,046796 м/сК .
Приборная скорость Vпр есть условная величина , получаемая пересчетом динамического давления рд в величину скорости при стандартной плотности воздуха рс и температуре . Формулы пересчета имеют вид
, (4)
где f(Vпр)= (5)
a==340.224 м/с- стандартная скорость звука .
Приведенные градуировочные формулы решаются в СВС11-72-3 электромеханическими счетно-решающими устройствами, которые состоят из индукционных систем ( решение Vпр ) и самобалансирующихся электрических мостов ( решение числа М ).
Решение выходных параметров производится на типовых мостовых схемах:
-потенциометрической мостовой схеме деления- числа М;
-реостатной мостовой схеме умножения- V.
В мостовых схемах применены потенциометры прецизионные многооборотные линейные и функциональные типа ППМЛ или ППМФ-М. Исключение составляет потенциометр, с которого снимается сигнал, пропорциональный числу М (СВС1-72-1) , однооборотный со средней точкой (ПТП).
2.3 Принципиальная схема устройствСВС-11-72
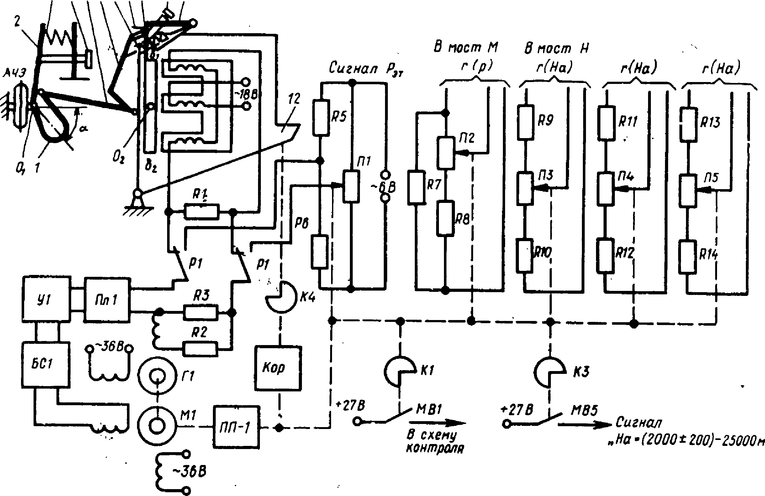
На рисунке 1 представлена принципиальная электрокинематическая
схема датчика статического давления. Рассмотрим ее работу. При изменении высоты полета статическое давление p воспринимается чувствительным элементом- блоком анероидных коробок АЧЭ. В результате изменения p происходит механическое перемещение верхнего центра блока. Оно через биметаллическую скобу 1 и тяги 5 преобразуется во вращательное движение якоря Ш-образного индукционного датчика ИД1 ( ось вращения ) и приводит к нарушению равенства зазоров и между якорем и сердечником магнитопровода. Вследствие этого возникает неравенство магнитных сопротивлений правой и левой части магнитопровода. Так как вторичные обмотки ИД, расположенные на крайних стержнях, включены встречно, на выходе индукционного датчика появляется напряжение, равное разности ЭДС, наводимых во вторичных обмотках. Обмотка возбуждения расположена на среднем стержне. Сигнал ИД через согласующую плату Пл1 подается на вход усилителя У1 в сумме с сигналом тахогенератора Г1, снимаемого с резистора R3 выхода У1 через блок согласования БС1, и поступает на управляющую обмотку двигателя М1 ( ДГ-0.5ТА ), который через понижающую передачу ПП1, корректор, червячную пару и кулачок К4 поворачивает качалку с укрепленным на ней статором ИД до восстановления равенства зазоров и . Одновременно с приведением системы в равновесное состояние перемещаются щетки выходных потенциометров. Выходной сигнал r(p) выдается с функционального потенциометра П2, входящего в мостовую схему решения числа М. В равновесном состоянии следящей системы (= ) функциональными потенциометрами П3-П5 выдаются сигналы r(На). Потенциометр П3 входит в схему моста решения H, потенциометры П4 и П5 выдают сигналы r(На) потребителям.
3 4 5 6 7 8 9 10 11
Рис.1. Принципиальная элетрокинематическая схема датчика статического давления
Применение кулачка К 4 обусловлено тем, что используемые многооборотные функциональные потенциометры типа ППМФ-М не позволяют реализовывать функцию На=f(p) вследствие значительной крутизны ее характеристики. Резисторы R7-R14 являются масштабными. Лекальный корректор используется при заводской юстировке датчика. Температурная погрешность чувствительного элемента АЧЭ компенсируется биметаллической скобой 1, один конец которой шарнирно связан с подвижным центром АЧЭ, другой- с тягой 5.
При изменении температуры окружающей среды биметаллическая скоба, разгибаясь, переместит точку крепления тяги 5 со скобой 1, осуществляя тем самым компенсацию 1-го рода. При изменении величины статического давления верхний центр АЧЭ, перемещаясь, повернет биметаллическую скобу вокруг точки , в результате чего смещение от температурного прогиба скобы изменится, осуществляя температурную компенсацию 2-го рода. Поворот биметаллической скобы вокруг точки при движении верхнего центра АЧЭ происходит благодаря применению планки 2, которая жестко скреплена с одним концом скобы, а пружиной 3 прижата к регулировочному винту 4, и при изменении давления меняется угол наклона скобы к осевой линии АЧЭ. Защита АЧЭ от перегрузки при резком изменении высоты, когда якорь ИД из-за запаздывания отработки может повернуться до упора, обеспечивается поворотом качалки 6 относительно оси 9 ( эта ось прижимается к качалке 8 пластинчатой пружиной, не показанной на рисунке ).
Винтом 10 регулируется начальное положение ИД1. При его вращении изменяется положение качалки 8 относительно планки 11 и ось 9 качалки 6 смещается вдоль планки 11, вызывая поворот якоря ИД1, который отрабатывается следящей системой датчика. Пружина 7 выбирает свободные ходы качалок 6 и 8. Разовый сигнал при =2000200 м формируется микро выключателем МВ3 и его кулачком К3. Профилировка кулачка К5 и потенциометров П9, П10 выдачи сигналов r(Vпр) потребителям осуществляется в соответствии с формулами (4) и (5). С функционального потенциометра П8 выдается сигнал (р) в мос числа М . Встроенный контроль работоспособности датчика p(pд) осуществляется подключением контактами реле Р1 ко входу усилителя У1 (У2) вместо ИД1 (ИД2) мостовой схемы формирования эталонного сигнала Pэт (Pдэт),состоящей из тарировочных резисторов R5, R6 (R19-R20) и функционального потенциометра П1
(П7), закон профилировки которого одинаков с законом профилировки кулачка К4 (К5). Реле Р1 срабатывает при нажатии кнопки Кн1 КОНТРОЛЬ на БВП-7 или при подаче сигнала КОНТРОЛЬ СВС напряжением +27В на диод VD4. Если вычисленные контрольные значения Наэт и Vпрэт находятся в пределах допусков ( погрешности не превышают более чем в 1.5 раза допустимые погрешности измерения параметров при t= +25 C ), кулачки К1 и К2 замыкают микро выключатели МВ1 и МВ2 соответственно. При этом на лампы сигнализации Л1 и Л2 подается напряжение +27 В. Для проверки исправности ламп служит кнопка Кн2 КОНТРОЛЬ ЛАМП. Сигнал исправности СВС по электропитанию выдается в виде напряжения +27 В через контакты реле Р2, обмотка которого подключена к трансформатору Тр1 питания СВС напряжением переменного тока 115 В частотой 400 Гц ( на схеме не указан ). Переменное напряжение выпрямляется диодом VD1. Конденсатор C3 служит для сглаживания пульсаций выпрямленного напряжения. Сигнал исправности СВС по электропитанию снимается при отсутствии любого из напряжений ( +27 или 115 В, f=400 Гц ). Встроенный контроль работоспособности датчиков не охватывает чувствительных элементов индукционных датчиков корректоров, кулачков и осуществляется лишь в одной точке диапазона измеряемых давлений. Конструктивно каждый датчик выполнен в отдельном легкосъемном корпусе, в котором смонтированы все элементы датчика, за исключением усилителя.
Усилитель типа УСС-2 включает предварительный усилитель напряжения на микросхеме УТ401А и транзисторе 2Т312Б и представляет собой двухканальный трехкаскадный усилитель мощности. Для увеличения коэффициента усиления используется положительная обратная связь по переменному току. На плате Пл смонтированы согласующие входные резисторы в блоке согласования- элементы делителя напряжения цепи положительной обратной связи усилителя, конденсаторов развязки цепи нагрузки по постоянному току, согласующий RC-фильтр и фазосдвигающий конденсатор цепи обмотки возбуждения двигателя. Три трансформатора с двумя блоками выпрямителей, размещенные в блоке БВП-7, обеспечивают развязку по цепям питания постоянным и переменным током элементов вычислительной схемы системы.
Указатель числа М и скорости УМС-2.5, принципиальная электро-кинематическая схема которого представлена на рисунке 2, включает большинство элементов двух самостоятельных каналов - решения и выдачи числа М и истинной - воздушной скорости V. На схеме указаны также элементы других блоков, которые необходимы для пояснения принципа работы мостов числа М и V.
Мост числа М составляет функциональный потенциометр П1-7 обратной связи следящей системы и функциональные выходные потенциометры П2, П3 датчиков p и соответственно.
В схеме предусмотрено изменение коэффициента скоростной обратной связи в зависимости от значения числа М механизмом переключения МП1-1. Согласование масштабов обеспечивается резисторами R1-23, R1-25 в цепи потенциометра П1-7.
Для решения V используется реостатный мост умножения переменного тока. Три плеча моста составляют постоянный резистор R1-5, функциональный потенциометр П1-1 обратной связи следящей системы и потенциометр П1-8, который профилируется в соответствии с функцией (M).
Четвертое плечо образуют резисторы R1-3, R1-4 и терморезистор R1-17 датчика П-69-2М, сопротивление которого зависит от температуры . Мост питается напряжением переменного тока. Для стабилизации качества переходных процессов моста во всем рабочем диапазоне обмотка возбуждения генератора Г1-1 включена в цепь питания моста. Сигналы V выдаются линейными многооборотными потенциометрами П1-2 П1-5 и вращающимся трансформатором ТрВ1-1. Значение V показывает узкая стрелка комбинированного указателя. При встроенном контроле СВС в указателе УМС-2.5 срабатывает реле Р1-1, контакты которого подключают вместо терморезистора R1-17 П-69-2М эталонный резистор R1-2 в плечо моста. Индицируемые значения M и V должны соответствовать их эталонным значениям с погрешностями, не превышающими установленных допусков: M=0.693 V=800 км/ч. На рисунке 2 представлен внешний вид СВС 72.
На рисунке 3 показана Принципиальная электрокинематическая схема указателя УМС-2.5.

Рис.2 Внешний вид СВС 72

Рис.3. Принципиальная электрокинематическая схема указателя УМС-2.5
2.4 Основные технические характеристики СВС11-72-3
Основные технические параметры Системы воздушных сигналов представлены в таблице 1.
Таблица 1
Основные технические параметры системы воздушных сигналов
|
Параметр |
Диапазон измерения |
Допустимые погрешности |
||
|
При H, км выходов, % |
индикации |
электрических |
||
|
М |
0.3-2.5 |
0 |
0.02 |
0.74 |
|
15 |
0.02-0.03 |
0.74-1.0 |
||
|
25 |
0.04 |
1.38 |
||
|
V |
350-2500 км/ч |
0 |
15-20 км/ч |
0.58-0.7 |
|
15 |
20-25 км/ч |
0.8-0.98 |
||
|
25 |
25-35 км/ч |
0.98-1.33 |
||
|
Vпр |
200-1400 км.ч |
0-25 |
- |
0.67 |
3. Назначение системы сигналов с указателем высоты ВБЭ-СВЭ
Система воздушных сигналов с указателем высоты ВБЭ-СВЭ (далее по тексту - система) предназначена для измерения, вычисления и выдачи в бортовые системы информации о высотно-скоростных параметрах, индикации барометрической высоты и высоты эшелона, задания высоты эшелона, а также выдачи визуальных и электрических сигналов об отклонении от заданной высоты эшелона.
Система обеспечивает:
- измерение, вычисление и выдачу информации в виде последовательного двоичного кода об аэродинамических параметрах, указанных в Таблице 2.
- индикацию в метрах и футах относительной барометрической высоты Нотн, откорректированной с учетом аэродинамических поправок по высоте и скорости для типа самолета.
- ручную установку, индикацию в метрах и футах, выдачу электрического сигнала заданной высоты эшелона Нэ
- ручную установку и индикацию в гПа атмосферного давления у земли;
- ручную установку и сигнализацию о выставке атмосферного давления у земли равного 1013,25 гПа;
- сигнализацию о полете на высоте менее 1000 м;
- сигнализацию при прохождении в диапазоне отклонения от заданной высоты эшелона на 60-150 м;
- сигнализацию и выдачу электрического сигнала при отклонении от заданной высоты эшелона более чем на 150 м;
- подавление визуальной сигнализации при отклонении от заданной высоты эшелона более чем на 150 м;
- выдачу электрического сигнала для звуковой сигнализации при входе самолета в зону, ограниченную отклонением на 150 м от заданной высоты эшелона и при выходе самолета из зоны, ограниченной отклонением на 60 м от заданной высоты эшелона.
Технические характеристики СВС Таблица 2
|
Наименование и обозначение параметра |
Диапазон измерения |
Предел допускаемой погрешности |
Диапазон действия погрешности |
Адрес ДК |
Интервал передачи в мес. |
Кол-во знача щих разря дов |
Цена младше го разряда |
|
|
Мин. |
Макс. |
|||||||
|
Высота абсолютная (Набс),м |
- 503-15240 |
± 4.6 ± 6.1 ± 12.2 ± 24.4 |
- 503 3048 9144 15240 |
203 |
31.3 |
62.5 |
17 |
0.3048 |
|
Высота относительная (Нотн), м |
0 - 15240 |
± 6.1 ± 12.2 ± 24.4 |
3048 9144 15240 |
220 |
31.3 |
62.5 |
17 |
0.3048 |
|
Высота относительная (Нотн), м |
0 - 15240 |
± 6.1 ± 12.2 ± 24.4 |
3048 9144 15240 |
204 |
31.3 |
62.5 |
17 |
0.3048 |
|
Вертикальная скорость (Vy),м/с |
±201 |
5% 0.15 |
±201 0 |
212 |
31.3 |
62.5 |
11 |
0.08128 |
|
Приборная скорость (Vпр.), км/ч |
55.5 - 832 |
±9.3 ±3.7 ±1.85 |
111 185 832 |
206 |
62.5 |
125 |
14 |
0.11575 |
|
Истинная скорость (Vист.), км/ч |
185 - 1108 |
±7.4 |
185 - 1108 |
210 |
62.5 |
125 |
15 |
0.11575 |
|
Тем-ра наружного воздуха (Тн), С |
- 99 - +60 |
±1 |
- 99 - +60 |
213 |
250 |
500 |
11 |
0.25 |
|
Температура торможения (Тт), С |
- 60 - + 99 |
±0.5 |
- 60 - + 99 |
211 |
250 |
500 |
11 |
0.25 |
|
Полное давление (Рп), гПа |
115,5- 1150 |
±1.7 |
11.5 - 1150 |
242 |
62.5 |
125 |
16 |
0.03125 |
Продолжение таблицы 2
Технические характеристики СВС
|
Число М (М), ед.числа М |
0.1 1.0 |
±0.015 ±0.005 ±0.004 ±0.003 ±0.003 ±0.004 ±0.01 |
М=0.1 М=0.6 М=0.7 6100<Н< 12200 М=0.8 7625<Н< 13725 М=0.9 7625<Н< 13725 М=0.95 7625<Н< 13725 М=1.0 |
205 |
62.5 |
125 |
16 |
0.0000625 |
|
Высота эшелона (Нэ), м |
0- 15000 |
- |
- |
102 |
100 |
200 |
16 |
0.3048 |
|
Слово состояния |
- |
371 |
Примечание: Относительная высота с адресом 204 предназначена для использования в навигационной системе UNS на самолете ТУ-154.
3.1. Основные технические данные
Система обеспечивает вычисление и выдачу приведенных выше параметров при подаче на входы следующих сигналов:
- статистического давления от 115,5 до 1074 гПа;
- полного давления от 115,5 до 1150 гПа;
- давления у поверхности земли от 577 до 1075 гПа;
- температуры торможения от минус 60 до 99 С в виде активного сопротивления с приемника П104.
Диапазон задания и индикации высоты эшелона от 300 до 12100 м (от 1000 до 41000 футов).
Диапазон задания и индикации атмосферного давления у земли от 577 до 1075 гПа.
Погрешность индикации относительной барометрической высоты при выставленном атмосферном давлении у земли 1013,25 гПа не превышает значений указанных в таблице 3.
Таблица 3
Допускаемая погрешность при определенной высоте
|
Высота, м |
Допускаемая погрешность |
|
0 |
10 |
|
3000 |
15 |
|
9000 |
25 |
|
12000 |
25 |
|
15000 |
30 |
Погрешность выдачи сигналов об отклонении от заданной высоты эшелона не превышает значений допускаемой погрешности по относительной барометрической высоте на каждой проверяемой точке.
Система выдает информацию о текущих значениях высотно-скоростных параметров в виде 32-разрядного двуполярного последовательного кода по ГОСТ 18977-79 и РТМ 1495-75 / При этом в одиннадцатом разряде кодового слова Нэ содержится признак "1" при отклонении более 150 м от заданной высоты эшелона, а в одиннадцатом разряде кодового слова Нотн содержится признак "1" при установке атмосферного давления у земли, равного 1013,25 гПа. Скорость передачи информации 12,5 кбит/с
Система выдает визуальный сигнал в виде "=" в старшем разряде индикатора высоты при значении Нотн меньше 1000 м, а при значении Нотн меньше 0 м знак "-" перед значащей цифрой.
Система выдает визуальный сигнал в виде постоянно видимой рамки вокруг заданного значения эшелона при отклонении теку-
щей высоты от заданной более чем на 150 м. При отклонении от
заданной высоты эшелона в пределах от 60 до 150 м рамка находится в режиме мигания с частотой (2,6 0,6) Гц. При отклонении от заданной высоты эшелона менее 60 м индикация Нэ и рамка отсутствуют.
Время готовности системы не превышает одной минуты.
Электропитание системы осуществляется от бортовых источников постоянного тока напряжением 27 В.
3.2 Внешний вид системы
Внешний вид системы показан на рис.4. Система представляет собой конструкцию, состоящую из отдельных функциональных узлов, соединенных между собой механически и электрически.
Конструктивно система состоит из следующих узлов:
- узла датчиков статистического и полного давлений (1);
- узла вычислителя (6);
- узла индикации (15).
Указанные узлы размещены на корпусе (16) и закрыты кожухом (7). На узле датчиков (1) размещены штуцеры статистического (2) и полного давлений (3), а также электрические соединители (4) и (5) для подключения к электрическим цепям объекта. Индикация параметров в системе производится на жидкокристаллическом индикаторе. Индикация параметров Нотн, Нэ, Рз, обозначения и стрелка выполнены черным цветом на светлом фоне, при этом при изменении в метрах фон светло-зеленый, а при измерении в футах фон желтый. Деления и цифры круговой шкалы черного цвета совпадают с цветом светлого фона.

Рис.4 Внешний вид указателя высоты ВБЭ-СВЭ
1 Узел датчиков 10 Круговая шкала
2 Штуцер Рст 11 Кремальера Hэ
3 Штуцер Рn 12 Счетчик Pз
4 Соединитель X1 13 Счетчик Нотн
5 Соединитель X2 14 Счетчик Нэ
6 Узел вычислителя 15 Узел индикации
7 Кожух 16 Корпус
8 Стрелка 17 Кнопка F1
9 Кремальера Pз
Индикатор имеет:
круговую шкалу (10) с диапазоном 1000 м (футов) с дискретностью 10 м (футов);
- подвижную стрелку (8), перемещающуюся с шагом 10 м (футов);
- пятиразрядный счетчик относительной барометрической высоты (13) с дискретностью 5 м (футов);
- пятиразрядный счетчик заданной высоты эшелона (14) с дискретностью 100 м (1000 футов);
- четырехразрядный счетчик атмосферного давления у земли (12) с дискретностью 1 гПа.
На узле индикации (15) имеются две кремальеры (9) и (11) и кнопка (17), которые после работы с ними при отпускании устанавливаются в нейтральное положение. Кремальера (9), расположенная в правом нижнем углу и имеющая маркировку "Рз", служит для установки на счетчике Рз (12) значения атмосферного давления у земли при повороте ее до упора влево или вправо от нейтрального положения.
Кремальера (11), расположенная в левом нижнем углу и имеющая маркировку "Нэ", служит для установки на счетчике Нэ (14) значения заданной высоты эшелона при повороте ее до упоров.
3.3 Структурная схема системы
Структурная схема системы представлена на рис.5.
Система представляет собой специализированную цифровую вычислительную машину, выполненную на базе микропроцессорного комплекта, состоящую из датчиков статистического и полного давлений (ДД), цифрового вычислителя (В) и блока индикации (УИ) с органами управления (ОУ).
Основным устройством вычислителя в системе является центральный процессор (ЦП), который совместно с постоянным запоминающим устройством программы выполняет циклически последовательность команд, обеспечивающую функционирование системы. При этом ЦП управляет работой всех внешних устройств, производит вычисление значений параметров и выполняет подпрограмму контроля.
Частотный преобразователь (ЧП) предназначен для преобразования частотных сигналов датчиков в двоичный код. ЧП преобразует информацию по двум каналам от датчиков Рст и Рп и одному каналу контрольной частоты.
Аналого-цифровой преобразователь (АЦП) предназначен для преобразования входной аналоговой информации первичных датчиков в десятиразрядный двоичный код. Сигналы первичных датчиков во входных устройствах узла АЦП преобразуются в один вид постоянное напряжение, меняющееся в диапазоне от 0.1 до 9.9 В.
Частотный преобразователь (ЧП) предназначен для преобразования частотных сигналов датчиков в двоичный код. ЧП преобразует информацию по двум каналам от датчиков Рст и Рп и одному каналу контрольной частоты.
Входными сигналами АЦП являются:
- Сигнал приемника температуры торможения
- Сигналы температурного канала датчиков;
- Сигнал контрольного напряжения. Запоминающее устройство (ЗУ) включает в себя постоянное запоминающее устройство (ПЗУ) и оперативное запоминающее устройство (ОЗУ) и предназначено для хранения программы вычислений, констант и промежуточных результатов при вычислениях. Приемное устройство (ПУ) предназначено для приема разовых команд. Выходное устройство (ВУ) предназначено для выдачи потребителям информации в виде последовательного двуполярного кода (БПК), кодовых сигналов на устройство индикации системы (УИ) и электрических сигналов на устройство звуковой сигнализации системы (УЗС).Обмен информацией ЦП с устройством ВУ осуществляется в программном режиме.
Устройство индикации (УИ) предназначено для преобразования кодовой информации в визуальную информацию. Устройство звуковой сигнализации (УЗС) предназначено для преобразования кодовой информации в электрический сигнал на переговорное устройство самолета. Датчики давления предназначены для восприятия полного и статистического давлений, поступающих по пневмотракту на вход системы, и преобразования их в частотные сигналы. Источник питания (ИП) предназначен для выработки вторичных напряжений питания.
Pk
Pn
Pcт
Pз
Hз
Ft
Rxt
+27В
Рис. 5 Структурная схема системы СВС
3.4 Средства контроля
В системе предусмотрены аппаратно-программные встроенные средства контроля, которые позволяют контролировать исправность отдельных устройств и сигнализировать об исправности системы.
Для контроля устройства ЧП, АЦП предназначены дополнительные входные контрольные каналы, по которым поступает фиксированная информация (частота, напряжение), которая затем преобразуется в код и процессор сравнивает эту информацию с константами, хранящимися в запоминающем устройстве. Результаты сравнения записываются в контрольное слово системы, формируемое процессором. Запоминающее устройство контролируется по контрольной сумме для ПЗУ и проведением записи-чтения для оперативного запоминающего устройства. ЦП организует тестовые проверки выполнения команд,, кроме того проверяется аппаратно на прохождение всего цикла программы за определенный промежуток времени. Результаты выполнения программ контроля фиксируются в контрольном слове системы и включаются в формирование матрицы состояния выходных параметров. При поступлении на вход системы разового сигнала "Тест-контроль" приемное устройство при обращении к нему процессора в соответствующий момент выполнения программы считывает эту команду и система переходит в режим работы, предусматривающий выдачу фиксированных значений параметров, а также углубленный контроль всех устройств и входных линий связи по принимаемым фиксированным значениям входных параметров.
3.5 Принцип работы
Работа системы основана на измерении статистического и полного давлений (Рст, Рп), передаваемых по пневмотракту от приемника ПВД, температуры торможения, поступающей от приемника П-104, и вычислений на основании этой информации высотно-скоростных параметров. Статистическое и полное давление поступают на частотные датчики давления, которые выдают электрические сигналы, пропорциональные измеряемым давлениям.
Сигналы с датчиков и управляющие сигналы поступают в блок вычислителя. Управляющие сигналы позволяют вырабатывать электрические сигналы атмосферного давления у земли Рз и заданной высоты эшелона Нэ. Величины сигналов, соответствующие этим параметрам, индицируются на счетчиках атмосферного давления у земли и заданной высоты эшелона индикатора системы.
В блоке вычислителя системы по сигналам Рст, Рп и выработанным сигналам Рз и Нэ происходит вычисление высотно-скоростных параметров, указанных в табл 2. Коррекция сигналов относительной (Нотн) и абсолютной (Набс) высоты и выработка релейных сигналов об отклонении от заданной высоты эшелона и других релейных сигналов. Сигналы, пропорциональные высотно-скоростным параметрам, в виде кода выдаются во взаимодействующие самолетных системы. Сигнал Нотн поступает на индикатор системы, где индицируется на пятиразрядном счетчике и одновременно значение трех младших разрядов счетчика индицируется с помощью подвижной стрелки и неподвижной шкалы. Релейные сигналы от отклонении от заданной высоты эшелона, поступающие на индикатор системы, обеспечивают сигнализацию об отклонении с помощью световой рамки вокруг значения Нэ на индикаторе. Отклонение более чем на 150 м от заданной высоты эшелона на индикаторе появляется визуальный сигнал в виде постоянно видимой рамки вокруг значения высоты эшелона. При нажатии кремальеры Нэ происходит подавление этого визуального сигнала (рамка пропадает). Отклонение от заданной высоты эшелона в пределах от 60 до 150 м (от 200 до 500 футов) рамка находится в режиме мигания с частотой (2,60,6) Гц. Отклонение от заданной высоты эшелона менее 60 м (200 футов) индикация Нэ и рамка отсутствуют.

Рис.6. Последовательность выдачи сигналов об отклонении от заданной высоты эшелона.
При входе в зону отклонения от заданной высоты эшелона на 150 м (500 футов) и при выходе из зоны отклонения на 60 м (200 футов) система выдает электрический сигнал для звуковой сигнализации. Логика работы сигнализации об отклонении от заданной высоты эшелона приведена на рис.6. Нажатие кремальеры Рз и ее отпускания на индикаторе устанавливается фиксированное значение атмосферного давления у земли, равное 1013 гПа.
Нажатие кнопки и ее отпускании происходит смена фона шкалы индикатора с зеленого на желтый и режима индикации в метрах на футы и наоборот. При относительной барометрической высоте менее 1000 м на счете барометрической высоты на месте старшего разряда появляется визуальный сигнал в виде "=". При отрицательной барометрической высоте на счетчике появляется знак "минус" на позиции перед первой значащей цифрой, при этом стрелка должна быть отключена. Автоматизированный контроль системы производится на земле при перемещении кремальеры Нэ на себя или при подаче внешнего электрического сигнала. Отсутствие отказа системы на индикаторе выдается информация Рз=1888, Нэ=88800, Нотн=88888 и в течение 1,5 с выдается электрический сигнал на звуковую сигнализацию. При наличии отказа после отображения номера выбранной программы компенсации и выдачи звукового сигнала на индикаторе Нотн в четырех старших разрядах индицируется номер отказа.
Кроме того, при поступлении на вход системы разового сигнала "Тест-контроль" приемное устройство при обращении к нему процессора в соответствующий момент выполнения программы, считывает эту команду и система переходит в режим работы, предусматривающий выдачу фиксированных значений параметров, а также углубленный контроль всех устройств и входных линий связи по принимаемым фиксированным значениям входных параметров.
ЗАКЛЮЧЕНИЕ
Система воздушных сигналов - это измерительная система, служащая для одновременного косвенного измерения истиной, приборной, воздушной скорости, числа М, относительной высоты, относительной плотности, температуры наружного воздуха, а также выдающая отклонения величин в навигационную систему, системы управления и др. Применение СВС вызвано, с одной стороны, увеличением количества потребителей аэрометрических параметров (системы управления, прицелы, навигационные системы и др.), а с другой стороны - необходимостью более полного учета факторов, уточняющих градуировочные формулы.
Объединение многих однородных по своей природе приборов в единую измерительную систему позволяет избежать дублирования чувствительных элементов и вычислителей и повысить точность измерения выходных параметров.
КОНТРОЛЬНЫЕ ВОПРОСЫ
Для измерения каких параметров используется система воздушных сигналов?
Назовите первичные датчики, используемые в СВС?
Для чего в СВС вводятся параметры То и р0?
Назовите погрешности СВС?
Кратко опишите принцип работы СВС
Преимущества СВС перед обычными аэрометрическими приборами и датчиками.
Какие параметры в СВС-72-3 выводятся на индикацию?
Работа датчиков статического и динамического давления?
Каким образом и в каких узлах СВС вычисляются абсолютная высота и приборная скорость?
Работа системы самоконтроля?
Сравнить точностные характеристики СВС-72-3 и обычных аэрометрических приборов?
PAGE 1
СИСТЕМА ВОЗДУШНЫХ СИГНАЛОВ