Компьютерный анализ RC – автогенератора на операционных усилителях с трехзвенным RC - фильтром
ФЕДЕРАЛЬНОЕ АГЕНСТВО ПО ОБРАЗОВАНИЮ
ГОСУДАРСТВЕННОЕ ОБРАЗОВАТЕЛЬНОЕ УЧРЕЖДЕНИЕ
ВЫСШЕГО ПРОФЕССИОНАЛЬНОГО ОБРАЗОВАНИЯ
ВОРОНЕЖСКИЙ ГОСУДАРСТВЕННЫЙ ТЕХНИЧЕСКИЙ УНИВЕРСИТЕТ
(ГОУВПО «ВГТУ»)
Кафедра радиоэлектронных устройств и систем
Специальность 210201-Проектирование и технология радиоэлектонных средств
КУРСОВОЙ ПРОЕКТ
По дисциплине: «Схемотехника и ЭС»
По теме: «Компьютерный анализ RC автогенератора на операционных усилителях с трехзвенным RC - фильтром»
Выполнил_________________________________
Принял___________________________________
Воронеж 2006
Техническое задание
Номер варианта N=25
Частота генерации f=37.5
Структура RC автогенератора автогенератор с трехзвенным RC фильтром в цепи обратной связи выполнен на операционном усилителе.
Тип операционного усилителя задать с помощью таблици
Таблица параметров для операционного усилителя.
|
K574ud1 |
|
|
Тип транзистора |
0 |
|
Тип коррекции |
0 |
|
+Vpwr |
15 |
|
-Vpwr |
-15 |
|
+Vout |
10 |
|
-Vout |
-10 |
|
+Sr |
50e6 |
|
-Sr |
50e6 |
|
Pd |
0.24 |
|
Cc |
20e-12 |
|
Ib |
500e-12 |
|
Av-dc |
50e3 |
|
f-OdB |
10e6 |
|
CMRR |
10e3 |
|
Phi |
60 |
|
Ro-dc |
100 |
|
Ro-ac |
50 |
|
Ios |
20e-3 |
Создать модель операционного усилителя.
Провести анализ АЧХ операционного усилителя.
Исследовать режим генерации колебаний RC автогенератора.
Провести спектральный анализ генерируемых колебаний.
Температура окружающей среды от -50°С до +55°С.
Провести анализ влияния температуры на форму и спектральный состав генерируемых колебаний [1].
Содержание
Введение 4
Принципиальная схема автогенератора 5
Положения схемотехнического моделирования аналоговых устройств 6
Создание модели операционного усилителя 8
Анализ АЧХ операционного усилителя 10
Генерация гармонических колебаний 12
Исследование спектра генерируемых колебаний 14
Исследование влияния температуры на форму и спектральный состав генерируемых колебаний 15
Исследование влияния величины ООС на генерацию колебаний 17
Заключение 19
Библиографический список 20
Введение
К аналоговым устройствам относятся функциональные электронные узлы, предназначенные для выполнения различных операций и преобразований над аналоговыми сигналами.
В структурном отношении аналоговое устройство можно представить виде: двухполюсника (имеющего два выходных зажима, к которым подключается нагрузка); четырехполюсника (к входным зажимам которого подключается источник сигналов, а к выходным - нагрузка); шестиполюсника (имеющего две пары входных зажимов, к которым подключаются источники сигналов, и одну пару выходных зажимов, к которым подключается нагрузка).
Интенсивное применение и развитие методов и техники цифровой обработки информации обусловлено высокой точностью, идеальной воспроизводимостью результатов, возможностью построения устройств на единой технологической основе, их малыми габаритами, высокой надежностью и рядом других достоинств.
Наиболее распространенным аналоговым устройством является автогенератор. Автогенератор гармонических колебаний преобразует постоянное напряжение источника питания в колебания. Принцип построения автогенераторов основан на использовании положительной обратной связи в резонансных усилителях. Формально автогенератор можно отнести к четырехполюсному устройству [2].
В настоящее время аналоговые устройства находят весьма широкое применение.
Схема измерения автогенератора на ОУ с трехзвенным RC-фильтром

Некоторые положения схемотехнического моделирования аналоговых устройств.
Назначение и возможности программы PSpice.
Программа PSpice предназначена для проведения следующих видов анализа: режимов работы устройства по постоянному току как при фиксированных значениях, так и при вариации параметров источников постоянного напряжения ,тока и других параметров; чувствительности характеристик цепи к вариации параметров компонентов в статистическом режиме; малосигнальных передаточных функций в «рабочей точке»; частотных характеристик линеаризованной цепи при воздействии нескольких сигналов; спектральной плотности внутреннего шума; переходных процессов при воздействии сигналов различной формы. Она также позволяет проводить спектральный анализ и статистическое моделирование по методу Монте-Карло, моделировать устройства сопряжения аналоговых и цифровых устройств, смешанные аналогово-цивровые устройства.
Состав пакета PSpice.
В состав пакета PSpice входят:
непосредственно программа моделирования PSpice;
программа идентификации параметров ММ полупроводниковых компонентов Parts;
редактор входных сигналов StmEd, позволяющий посмотреть на экране форму сигналов и отредактировать их описания;
графический процессор Probe,предназначенный для графической обработки и представления результатов моделирования;
управляющая оболочка Control Shell, позволяющая осуществлять запуск отдельных программ пакета, просмотр результатов анализа в выходном файле, текстовое редактирование входного файла, подключение внешних текстовых редакторов принципиальных схем, вызов списка ошибок в выходном файле и справочного руководства о правилах работы с программой, использование встроенного калькулятора.
Запуск программы графической обработки результатов моделирования Probe
Программа графической обработки результатов моделирования Probe вызывается командой
>probe [<имя файла результатов>]
или автоматически из управляющей оболочки, если соответствующая директива установлена во входном файле с помощью команд меню Probe/Run Probe/, после чего появиться запрос имени входного файла.
Требования, указанные в квадратных скобках, являются не обязательными.
Символы в верхнем и нижнем регистрах не различаются. В программе определенно, что W=VA. На графиках можно вывести не только значения отдельных переменных, но и выражения [1].
Создание модели операционного усилителя
Запуск задания на моделирование, составленного на входном языке в среде PSpise, осуществляется по следующему алгоритму:
1.Запуск управляющей оболочки PS.exe;
2.Вход в меню FILES;
3.Команда CURRENT FILE и ввод имени файла;
4. Вход в меню FILES;
5.Команда EDIT и набор текста задания;
6.Вход в меню ANALYSIS;
7.Команды RUN PSPICE, TRANSIENT ANALYSIS (при анализе переходных процессов) или AC SWEP (при анализе в частотном диапазоне), ADD TRACE;
8.Нажать F4;
9.Выбрать нужный параметр (напряжение или ток) и дважды нажать ENTER.
Далее создаем саму модель.
Модель создается в программе Parts. Программа Parts вызывается запуском файла PARTS.EXE. Для выбора пункта меню нужно либо нажать клавишу с цифрой, соответствующей номеру выбираемого пункта, либо навести курсор мыши на выбираемый пункт меню и нажать левую клавишу мыши.
После запуска программы необходимо выбрать в начальном меню режим Oerational Amplifier (операционный усилитель). Затем на запрос:
Device part number (or name) [номер устройства(или имя)]
ввести тип операционного усилителя.(При вводе рекомендуется использовать латинский алфавит).Нажать клавишу Enter.
После, из списка:
0)Bipolar, NPN input (биполярный типа NPN)
1)Bipolar, PNP input (биполярный типа PNP)
2)JEET, n-channel input (полевой с каналом n-типа)
3)JEET. p-channel input (полевой с каналом p-типа)
В соответствии с номером варианта и таблице выбираем
0)Bipolar, NPN input (биполярный типа NPN)
В следующем запросе программы:
0)Internally compensated{внутренняя коррекция}
1)Externally compensated{внешняя коррекция}
В соответствии с номером варианта и таблице выбираем
0)Internally compensated{внутренняя коррекция}
В программе Parts имеется возможность редактировать следующие зависимости:
1.Large Signal Swing{большой размах сигнала}
2.Open Loop Gain{открытое петлевое усиление}
3. Open Loop Phase{открытая петлевая фаза}
4.Maximum Output Swing{максимальный выходной размах}
Для получения модели ОУ, в связи с особенностями программы Parts, данные необходимо вводить в следующем порядке:2,1,3,4.
Далее нужно ввести Device_data{данные устройства из таблицы}.
Model Parameters(параметры модели) оставить неизменными.
После редактирования зависимостей 2,1,3,4 выйти из программы создания модели операционного усилителя. Для этого выбрать пункт Exit меню и нажать Enter [1].
Анализ АЧХ операционного усилителя.
Коэффициент усиления операционного усилителя равен отношению приращения выходного напряжения (тока) к вызвавшему это приращение входному напряжению (току) при отсутствии обратной связи. Коэффициент усиления изменяется в пределах от 103 до 107.
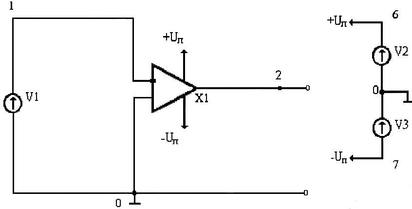
Для снятия АЧХ используется схема измерения амплитудно-частотной характеристики операционного усилителя.

Вход (+) (т.е. прямой или неинвертирующий вход) операционного усилителя соединён с узлом 0 цепи.
Коэффициент ОУ для данной схемы измерения определяется выражением
K=V(2)/V(1).
[1].
Задание на моделирование с использованием ОУ k574ud1 для снятия АЧХ
*OU bez obratnoi sviazi*
.lib d:\den_ps\k574ud1.mod
V1 1 0 ac .1v sin(0 1 1000)
V2 6 0 dc 15v
V3 0 7 dc 15v
X1 0 1 6 7 2 k574ud1
.ac dec 10 1 10meg
.probe
.end

АЧХ
Задание на моделирование для снятия выходного сигнала RC-автогенератора
*Opergenerator*
.lib d:\den_ps\k574ud1.mod
X1 0 1 6 7 4 k574ud1
C1 1 2 10u
C2 2 3 10u
C3 3 4 10u
R1 1 0 64
R2 2 0 64
R3 3 0 64
V1 6 0 dc 15v
V2 0 7 dc 15v
.tran 10u 1.5s 0 uic
.probe
.end
Генерация гармонических колебаний

Спектр генерируемых колебаний

Задание на моделирование для анализа влияния температуры на форму генерируемых колебаний
*Opergenerator*
.lib d:\den_ps\k574ud1.mod
X1 0 1 6 7 4 k574ud1
C1 1 2 10u
C2 2 3 10u
C3 3 4 10u
R1 1 0 64
R2 2 0 64
R3 3 0 64
V1 6 0 dc 15v
V2 0 7 dc 15v
.temp -50 +55
.tran 10u 0.5s 0 uic
.probe
.end
Колебания автогенератора при различных значениях температуры

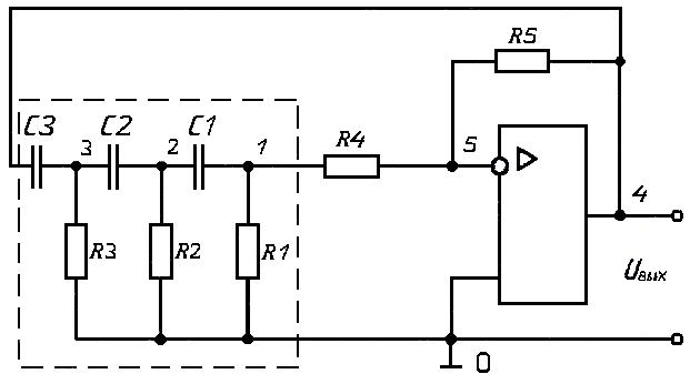
Задание на моделирование для исследования влияния величины ООС на генерацию колебаний
*Opergenerator*
.lib d:\den_ps\k574ud1.mod
X1 0 5 6 7 4 k574ud1
C1 1 2 10u
C2 2 3 10u
C3 3 4 10u
R1 1 0 64
R2 2 0 64
R3 3 0 64
R4 5 1 220
R5 4 5 6k
V1 6 0 dc 15v
V2 0 7 dc 15v
.tran 10u 0.5s 0 uic
.probe
.end
Влияние величины ООС на генерацию колебаний

Заключение
В данном курсовом проекте мы должны были исследовать RC автогенераторов на операционных усилителях с трехзвенной RC цепью. Я использовал операционный усилитель К574УД1. С помощью программы PARTS я создал модель операционного усилителя. А за тем с помощью программы PSPISE: снял анализ АЧХ, за тем генерацию гармонических колебаний, исследовал спектр генерируемых колебаний, исследовал влияние температуры на форму и спектральный состав генерируемых колебаний, а так же влияние величины отрицательной обратной связи на генерацию колебаний.
Библиографический список
- А.И.Муштта, Ю.С.Балашов, О.П.Новожилов:”Исследование аналоговых электронных устройств с использованием персональных ЭВМ”.
- О.П.Новожилов: ”Основы цифровой техники”.
Компьютерный анализ RC – автогенератора на операционных усилителях с трехзвенным RC - фильтром