КЭС мощностью 1200 Мвт
Федеральное агентство по образованию
Государственное образовательное учреждение высшего профессионального образования
“ТОМСКИЙ ПОЛИТЕХНИЧЕСКИЙ УНИВЕРСИТЕТ”
Кафедра: Электрических систем и высоковольтной техники
Направление (специальность): 140200 Электроэнергетические системы и сети
Курсовой проект по дисциплине:
«Электрическая часть электрических станций».
КЭС мощностью 1200 Мвт
Выполнил студент гр. _________________________
дата/подпись
Проверил: __________________________
дата/подпись
Томск
Содержание
Введение
Выбор главной схемы электрических соединений
Выбор синхронных турбогенераторов
Выбор автотрансформаторов и трансформаторов
Расчет токов короткого замыкания
Определение сопротивлений схемы
Расчет точки короткого замыкания К1
Расчет точки короткого замыкания К2
Расчет точки короткого замыкания К3
Определение токов короткого замыкания для момента времени .
Периодическая составляющая тока в точке К 1
Периодическая составляющая тока в точке К 2
Периодическая составляющая тока в точке К 3
Выбор электрических аппаратов.
Выбор измерительных трансформаторов тока и напряжения
Выбор гибких шин и токопроводов
Защита перенапряжений
Сборка гирлянд подвесных изоляторов
Основные конструктивные решения
Принципиальная схема управления выключателем
Требования по экологии
Список использованных источников
3
4
5
7
7
8
9
10
11
12
14
13
15
18
20
22
23
23
25
28
29
Введение.
Тепловые конденсационные электрические станции. В отечественных энергосистемах на долю тепловых конденсационных электростанций приходится приблизительно три четверти всей вырабатываемой энергии. Мощность отдельных электростанций этого типа достигла 6000 МВт и имеет тенденцию к дальнейшему увеличению до 8000 МВт. На новейших КЭС устанавливают экономичные паротурбинные агрегаты с параметрами пара 24 МПа и 560/565 °С с промежуточным перегревом пара мощностью 300, 500, 800 и 1200 МВт, рассчитанные на работу в базисной части суточного графика нагрузки энергосистемы с продолжительностью использования установленной мощности Ту = = w/Py = 5000 ч/год и более.
Тепловые станции с агрегатами столь большой мощности по техническим и экономическим соображениям выполняют из ряда автономных частей блоков. Каждый блок состоит из парогенератора, турбины, электрического генератора и повышающего трансформатора, мощность которого соответствует мощности генератора. Поперечные связи между блоками в тепломеханической части в виде паропроводов и водопроводов отсутствуют. При промежуточном перегреве пара они чрезвычайно усложнили бы всю систему коммуникаций систему регулирования турбин; надежность станции снизилась бы. Поперечные связи между локами в электрической части в виде сборных шин генераторного напряжения также не нужны, поскольку выдача мощности столь крупных агрегатов в сеть при первичном напряжении генераторов 20 30 кВ практически невозможна; токи короткого замыкания были бы чрезмерно велики. Трансформация напряжения генератора до 110 750 кВ и выше является в рассматриваемых условиях единственно приемлемым решением. Отдельныеблоки связаны между собой только на сборных шинах высшего или среднего напряжения, откуда мощность станции поступает в сеть системы.
Конденсационные электростанции сооружают обычно вблизи мест добычи топлива, транспортировка которого на значительные расстояния экономически нецелесообразна. Вырабатываемая электроэнергия передается к местам потребления по линиям электропередачи. Однако использование местного топлива не является обязательным признаком конденсационной станции. В последнее время построен ряд мощных КЭС, использующих природный газ, который транспортируется по газопроводам на значительные расстояния. Важнейшим условием, определяющим место строительства мощной КЭС, является наличие источника водоснабжения. Коэффициент полезного действия КЭС с учетом расхода энергии на собственные нужды не превышает 0,32 0,40.
Конденсационные электростанции недостаточно маневренны. Это означает, что подготовка к пуску, синхронизация и набор нагрузки блока требуют значительного времени от 3 до 6 ч. Поэтому для турбоагрегатов КЭС предпочтительным является режим работы с достаточно равномерной нагрузкой, изменяющейся в пределах от технического минимума, определяемого видом топлива и конструкцией агрегата, до номинальной мощности.
1. Выбор главной схемы электрических соединений.
Тип электростанции тепловая конденсационная электростанция (КЭС).
Выбираем тепловую схему электрических соединений блочную, с РУ 110 кВ и РУ 220 кВ.
1.1 Определяем установленную мощность электростанций:
1.2 Нагрузка потребителей на шинах :
1.3 Нагрузка потребителей на шинах :
1.4 Суммарная мощность, отдаваемая потребителям:
1.5 Баланс активной мощности в нормальном режиме:
1.6 Потребность в аварийном режиме:
Значение величины имеет отрицательное значение. Знак минус свидетельствует о том, что направление мощности в аварийном режиме меняется, и дефицит мощности покрывается за счет резерва системы
Составляем структурную схему электростанции:

Рисунок 1. Структурная схема КЭС.
1.8 Выбор синхронных турбогенераторов.
Выбор синхронных турбогенераторов осуществляем по [1, табл. П 2.1, стр. 610]:
Таблица 1
|
Тип турбогенераторов |
Частота вращения, об/мин |
Sном, МВА |
|
||||
|
ТВФ 60 2 |
3000 |
75 |
0,8 |
6,88 |
6,3 |
98,5 |
0,146 |
Таблица 2
|
Тип турбогенераторов |
Частота вращения, об/мин |
Sном, МВА |
|
||||
|
ТВФ 100 2 |
3000 |
117,5 |
0,85 |
6,475 |
10,5 |
98,7 |
0,183 |
1.9 Выбор трансформаторов:
Баланс мощности:
Знак “ ” говорит о том, что в аварийном режиме дефицит P,Q и S покрывается за счет резерва схемы.
Выбор трансформаторов:
Так как генераторы, работают в блоках с двухобмоточными трансформаторами, то мощность трансформатора блока определяется по выражению:
МВт
Для РУВН выбираем 2 двухобмоточных трансформатора типа ТДЦ 80000/110
по [1, табл. 2.5, стр.615].
|
Тип |
Номинальное напряжение, кВ |
Потери, кВт |
Напряжение КЗ, % |
Ток ХХ, % |
|||
|
ВН |
НН |
ХХ |
КЗ |
||||
|
Т1 |
ТДЦ-80000/110 |
121 |
10.5 |
64 |
365 |
11 |
0.5 |
|
Т2 |
ТДЦ-80000/110 |
121 |
10.5 |
64 |
365 |
11 |
0.5 |
Мощность автотрансформатора рассчитываем по формуле:
Для генераторов мощность которых равна 100 МВт.
Выбираем по расчетной мощности автотрансформаторы.
Для РУВН выбираем 2 автотрансформатора типа АТДЦТН 250000/220/110
Таблица 5.
|
Тип трансформатора |
Sном, МВА |
Напряжение обмотки, кВ |
UK, % |
IХ,% |
||||
|
вн |
сн |
нн |
вн-сн |
вн-нн |
сн-нн |
|||
|
АТДЦТН250000/220/110 |
250 |
230 |
121 |
10.5 |
11 |
32 |
20 |
0.4 |
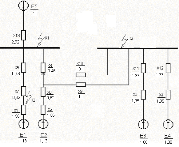
2. Расчет токов короткого замыкания.
Расчет токов короткого замыкания производятся для выбора или проверки параметров электрооборудования, а также для выбора или проверки релейной защиты и автоматики.
Рассчитаем ток короткого замыкания на шинах ВН.
Короткое замыкание симметричное, трехфазное.

Рисунок 2. Схема замещения КЭС.
Принимаем базисные величины:
Определяем сопротивления:
Для генераторов
Для автотрансформатора типа АТДЦТН 250000/220/110
Так как сопротивление обмоток СН АТ очень мало, то им можно пренебречь, что существенно упрощает расчет.
Для трансформатора типа ТДЦ 80000/110
Для системы
Определяем значение сверхпереходной ЭДС источников по [1, табл. 3.4, стр.130]:
Определяем сверхпереходную ЭДС системы:
Расчет точки короткого замыкания К1.

а) б)
Рисунок 3. Эквивалентная схема относительно точки К1.
Эквивалентные ветви генераторов G3 и G4
Значения токов по ветвям:
- энергосистемы
Суммарный ток короткого замыкания в точке К1:
Расчет точки короткого замыкания К2.

Рисунок 4. Эквивалентная схема относительно точки К2.
Значения токов по ветвям :
- генератора
- генератора
- энергосистемы
Суммарный ток КЗ в точке К2:
Расчет точки короткого замыкания К3.

а) б)
Рисунок 5. Эквивалентная схема относительно точки К3.

в)
Значения токов по ветвям:
- генератора
- энергосистемы и других генераторов
Суммарный ток КЗ в точке К3:
3. Определение токов короткого замыкания для момента времени .
3.1 Периодическая составляющая тока в точке К 1.
Расчетное время для которого требуется определять токи КЗ, вычисляется как собственное время выключателя. Для современных выключателей оно не превышает
Апериодическая составляющая тока короткого замыкания:
определяется по кривым [1, рис. 3.25].
по [1, табл. 3.8].
.
Ударный ток имеет место через после начала короткого замыкания.
Его значение определяется по формуле
, где - начальное значение периодической составляющей тока;
- ударный коэффициент.
.
Определяется суммированием периодических составляющих токов по ветвям энергосистемы и генераторов.
Для энергосистемы:
По методу типовых кривых, который основан на использования кривых изменения во времени отношения действующих значений периодической составляющей тока КЗ от генератора в любой момент времени и в начальный момент короткого замыкания . Что характеризуется отношением - номинальный ток генератора, приведенный к той ступени напряжения, где находится точка КЗ, этот ток определяется по формуле:
По кривым [1, рис. 3.26] определяем для
По кривым [1, рис. 3.26] определяем для
Сумма периодических составляющих токов по ветвям
Ток, проходящий по сборным шинам, не превышает самого мощного генератора присоединенного к этим шинам.
,
где время отключения для среднего и высокого напряжения
Выбираем выключатель и разъединитель
|
Расчетные данные |
Каталожные данные |
|
|
Выключатель ВМТ-220Б-20 |
Разъединитель РНД-220/1000У1 |
|
|
|
3.2 Периодическая составляющая тока в точке К2.
Расчетное время для которого требуется определять токи КЗ, вычисляется как
собственное время выключателя. Для выключателей ВМТ-110Б-20 оно равно
Для современных выключателей оно не превышает
Апериодическая составляющая тока короткого замыкания:
определяется по кривым [1, рис. 3.25].
по [1, табл. 3.7].
По кривым находим ,
тогда
.
Ударный ток имеет место через после начала короткого замыкания. Его значение определяется по формуле
, где - начальное значение периодической составляющей тока; - ударный коэффициент.
.
Для генераторов G3 и G4:
По кривым [1, рис. 3.26] определяем для
Для генераторов G1 и G2:
Для энергосистемы:
Сумма периодических составляющих токов по ветвям
,
где время отключения для среднего и высокого напряжения
Выбираем выключатель и разъединитель
|
Расчетные данные |
Каталожные данные |
|
|
Выключатель ВМТ-110Б-20 |
Разъединитель РНД-110/1000У1 |
|
|
Привод ШПЭ-38 |
|
3.3 Периодическая составляющая тока в точке К3.
Расчетное время для которого требуется определять токи КЗ, вычисляется как
собственное время выключателя. Для современных выключателей оно не превышает
Апериодическая составляющая тока короткого замыкания:
определяется по кривым [1, рис. 3.25].
по [1, табл. 3.8].
По кривым находим ,
Тогда .
Ударный ток имеет место через после начала короткого замыкания.
Его значение определяется по формуле
, где
- начальное значение периодической составляющей тока;
- ударный коэффициент.
Для генератора G1:
По кривым [1, рис. 3.26] определяем для
Для энергосистемы и других генераторов
Сумма периодических составляющих токов по ветвям
Ток, проходящий по сборным шинам, не превышает самого мощного генератора присоединенного к этим шинам.
,
Так как выключателей и разъединителей на класс напряжения при нет, то от выводов генератора ТВФ-100-2 до блочного трансформатора токоведущие части могут быть выполнены комплектным токопроводом.
Выбираем токопровод марки согласно [2, табл. 9.13, стр. 540]:
ГРТЕ-10-8550-250
|
Тип турбогенератора |
ТВФ-100-2 |
|
Номинальные напряжения,кВ: турбогенератора кВ токопровода |
10,5 10 |
|
Номинальный ток, А: турбогенератора токопровода |
6875 8550 |
|
Электородинамическая стойкость, кА |
250 |
|
Токоведущая шина , мм |
|
|
Кожух , мм |
|
|
Междуфазные расстояние А, мм |
1000 |
|
Тип опорного изолятора |
ОФР-20-375с |
|
Шаг между изоляторами, мм |
2500-3000 |
|
Тип применяемого трансформатора напряжения |
ЗОМ-1/6(10); ЗНОМ-6(10) |
|
Тип встраиваемого трансформатора тока |
ТШ-20-10000/5 ТШВ-15Б-8000/5/5 |
|
Предельная длина монтажного блока или секции, м |
8 |
|
Масса 1 м. одной фазы, кг |
До 90 |
|
Цена 1 м. одной фазы, руб. |
105 |
Проверка токопровода:
Условие выполняется
3.4 Выбор аппаратов в цепях без проверки на действие токов КЗ.
Электрические аппараты в других цепях расчетной схемы выбираются только из условий нормального режима без проверки на действие токов КЗ.
- Для цепи с генераторами G1, G2:
От выводов генератора ТВФ-100-2 до блочного трансформатора токоведущие части выполнены комплектным, пофазно-экранированным токопроводом генераторного напряжения с электрически непрерывными кожухами с компенсацией внешнего поля.
Выбираем токопровод марки согласно [2, табл. 9.13, стр. 540]:
ГРТЕ-10-8550-250
|
Тип турбогенератора |
ТВФ-100-2 |
|
Номинальные напряжения, кВ: турбогенератора токопровода |
10,5 10 |
|
Номинальный ток, А: турбогенератора токопровода |
6875 8550 |
|
Электородинамическая стойкость, кА |
250 |
|
Токоведущая шина , мм |
|
|
Кожух , мм |
|
|
Междуфазные расстояние А, мм |
1000 |
|
Тип опорного изолятора |
ОФР-20-375с |
|
Шаг между изоляторами, мм |
2500-3000 |
|
Тип применяемого трансформатора напряжения |
ЗОМ-1/6(10); ЗНОМ-6(10) |
|
Тип встраиваемого трансформатора тока |
ТШ-20-10000/5 ТШВ-15Б-8000/5/5 |
|
Предельная длина монтажного блока или секции, м |
8 |
|
Масса 1 м. одной фазы, кг |
До 90 |
|
Цена 1 м. одной фазы, руб. |
105 |
Проверка токопровода:
Условие выполняется.
- Для цепей с генераторами G3, G4:
От выводов генератора ТВФ-60-2 до блочного трансформатора токоведущие части выполнены комплектным, пофазно-экранированным токопроводом генераторного напряжения с электрически непрерывными кожухами с компенсацией внешнего поля.
Согласно [2, табл. 9.13, стр. 540] выбираю токопровод марки:
ГРТЕ-10-8550-250
|
Тип турбогенератора |
ТВФ-60-2 |
|
Номинальные напряжения, кВ: турбогенератора токопровода |
6,3 10 |
|
Номинальный ток, А: турбогенератора токопровода |
7210 8550 |
|
Электородинамическая стойкость, кА |
250 |
|
Токоведущая шина , мм |
|
|
Кожух , мм |
|
|
Междуфазные расстояние А, мм |
1000 |
|
Тип опорного изолятора |
ОФР-20-375с |
|
Шаг между изоляторами, мм |
2500-3000 |
|
Тип применяемого трансформатора напряжения |
ЗОМ-1/6(10); ЗНОМ-6(10) |
|
Тип встраиваемого трансформатора тока |
ТШ-20-10000/5 ТШВ-15Б-8000/5/5 |
|
Предельная длина монтажного блока или секции, м |
8 |
|
Масса 1 м. одной фазы, кг |
До 90 |
|
Цена 1 м. одной фазы, руб. |
105 |
Проверка токопровода:
Условие выполняется
- Для цепей с двухобмоточными трансформаторами АТДЦТН-250000/220/110:
Выбираем:
Выключатель У-220-2000-40У1
Разъединитель РНД-220/1000У1
- Для трансформаторов ТДЦ-80000/110:
При блочном соединении генератора с трансформаторами на стороне НН определяется так же, как в цепи генератора. Для трансформатора к 110 кВ:
Выбираем:
Выключатель У-110-2000-40У1
Разъединитель РНД-110/2000У1
4. Выбор трансформаторов тока и напряжения.
4.1 Выбор трансформаторов тока
- по напряжению установки ;
- по току ;
- по конструкции и классу точности;
- по электродинамической стойкости:
,
где - кратность электродинамической стойкости; - номинальный первичный ток ТТ; - ток электродинамической стойкости; - ударный - ток КЗ.
- по термической стойкости:
,
где - тепловой импульс по расчету; - время термической стойкости; - ток термической стойкости.
а) На стороне ВН:
Согласно [2, табл. 5.9, стр. 305] выбираю ИТТ марки: ТФЗМ 220Б-1 Т1.
|
Тип трансформатора тока |
Класс точности или обозначение вторичной обмотки |
,кА |
,кА |
,с |
|||
|
перв. |
втор. |
||||||
|
ТФЗМ 220Б-1 Т1 |
220 |
600 |
5 |
0,5 |
54 |
20 |
3 |
Проверки:
; .
б) На стороне СН:
Согласно [2, табл. 5.9, стр. 305] выбираю ИТТ марки: ТФЗМ 110Б-1 У1.
|
Тип трансформатора тока |
Класс точности или обозначение вторичной обмотки |
,кА |
,кА |
,с |
|||
|
перв. |
втор. |
||||||
|
ТФЗМ 110Б-1 У1 |
110 |
800 |
5 |
0,5 |
20 |
4 |
3 |
Проверки:
; .
в) Для двухобмоточных трансформаторов на напряжение 110 кВ:
Согласно [2, табл. 5.9, стр. 305] выбираю ИТТ марки: ТФЗМ 110Б-1 У1.
|
Тип трансформатора тока |
Класс точности или обозначение вторичной обмотки |
,кА |
,кА |
,с |
|||
|
перв. |
втор. |
||||||
|
ТФЗМ 110Б-1 У1 |
110 |
300 |
5 |
0,5 |
20 |
4 |
3 |
Проверки:
; .
4.2 Выбор трансформаторов напряжения.
Выбор трансформаторов осуществляется:
- по напряжению установки ;
- по конструкции и схеме соединения обмоток;
- по классу точности;
- по вторичной нагрузке ,
где - номинальная мощность в выбранном классе точности, - нагрузка всех измерительных приборов и реле, присоединенных к трансформатору напряжения, ВА.
а) На высокой стороне 220 кВ.
Согласно [2, табл. 5.13, стр. 337] выбираю ИТН марки: НКФ-220-58 У1.
|
Тип трансформатора напряжения |
Ном мощность, ВА в классе точности |
Схема соединения |
||||||
|
перв. |
втор. |
доп. втор. |
0,5 |
1 |
3 |
|||
|
НКФ-220-83 У1 |
220 |
100 |
400 |
600 |
1200 |
1/1/1-0-0 |
б) На средней стороне 110 кВ.
Согласно [2, табл. 5.13, стр. 328] выбираю ИТН марки: НКФ-110-58 У1.
|
Тип трансформатора напряжения |
Ном мощность, ВА в классе точности |
Схема соединения |
||||||
|
перв. |
втор. |
доп. втор. |
0,5 |
1 |
3 |
|||
|
НКФ-110-58 У1 |
110 |
100/3 |
400 |
600 |
1200 |
1/1/1-0-0 |
в) Для генераторов ТВФ-100-2:
Согласно [2, табл. 5.13, стр. 328] выбираю ИТН марки: ЗНОМ-35-72 У1.
|
Тип трансформатора напряжения |
Ном мощность, ВА в классе точности |
Схема соединения |
||||||
|
перв. |
втор. |
доп. втор. |
0,5 |
1 |
3 |
|||
|
НОМ-10-66 Т3 |
10 |
6300 |
100 |
- |
75 |
150 |
300 |
1/1-0 |
г) Для генераторов ТВФ-60-2:
Согласно [2, табл. 5.13, стр. 326] выбираю ИТН марки: НОМ-6-77 У4.
|
Тип трансформатора напряжения |
Ном мощность, ВА в классе точности |
Схема соединения |
||||||
|
перв. |
втор. |
доп. втор. |
0,5 |
1 |
3 |
|||
|
НОМ-6-77 У4 |
6 |
1385 |
100 |
- |
50 |
75 |
200 |
1/1-0 |
Проверим трансформаторы напряжения по вторичной нагрузке.
Подсчет нагрузки основной обмотки трансформатора напряжения приведем в таблице.
Таблица 6.
|
Прибор |
Тип |
Sодной обмотки, ВА |
Число обмоток |
cos |
sin |
Число приборов |
Потр. мощность |
|
|
P, Вт |
Q, ВАр |
|||||||
|
Вольтметр |
Э-335 |
2 |
1 |
1 |
0 |
1 |
2 |
-- |
|
Ваттметр |
Д-335 |
1,5 |
2 |
1 |
0 |
2 |
6 |
-- |
|
Варметр |
Д-335 |
1,5 |
2 |
1 |
0 |
1 |
3 |
-- |
|
Датчик активной мощности |
Е-829 |
10 |
-- |
1 |
0 |
1 |
10 |
-- |
|
Датчик реактивной мощности |
Е-830 |
10 |
-- |
1 |
0 |
1 |
10 |
-- |
|
Счетчик активной энергии |
И-680 |
2 Вт |
2 |
0,38 |
0,925 |
1 |
4 |
9,7 |
|
Ваттметр регистрирующий |
Н-348 |
10 |
2 |
1 |
0 |
1 |
20 |
-- |
|
Вольтметр регистрирующий |
Н-344 |
10 |
1 |
1 |
0 |
1 |
10 |
-- |
|
Частотомер |
Э-372 |
3 |
1 |
1 |
0 |
2 |
6 |
-- |
|
Итого: |
11 |
71 |
9,7 |
Вторичная нагрузка
Все выбранные трансформаторы напряжения имеют и выше в классе точности 1. Таким образом, , следовательно, трансформаторы будет работать в выбранном классе точности.
4.3 Выбор гибких шин и токопроводов.
В РУ 35 кВ и выше применяются гибкие шины, выполненные проводами АС. Гибкие токопровода для соединения генераторов и трансформаторов с РУ 6-10 кВ выполняется пучком проводов. Два провода из пучка сталеалюминевые несут в основном механическую нагрузку от собственного веса, гололеда и ветра. Остальные провода алюминиевые являются только токоведущими.
Гибкие провода применяются для соединения блочных трансформаторов с ОРУ.Провода линии электропередач напряжением более 35 кВ, провода связей блочных трансформаторов с ОРУ, гибкие токопроводы генераторного напряжения проверяются по экономической плотности тока
,
где - ток нормального режима; - нормированная плотность тока, А/мм2.
Проверка сечения на нагрев (по допустимому току)
Выбор сборных шин 110 кВ и токоведущих частей в блоке от сборных шин до выводов трансформаторов.
Принимаем сечение проводов по допустимому току при максимальной нагрузке на шинах, равной току наиболее мощного присоединения:
, по [1, табл. П3.3, стр.624]
выбираем АС 120/19
Наружный диаметр провода = 15,2мм.
Проверка на коронирование:
Начальная критическая напряженность по (2.31) [1.c 237]
где m-коэффициент, учитывающий шероховатость провода (для многопроволочных проводов m=0.82);r0-радиус провода, см.
Напряженность вокруг провода
где U-линейное напряжение,
Dср-среднее геометрическое расстояние между проводами фаз, м.
При горизонтальном расположении фаз
где D-расстояние между соседними фазами, см.
Здесь принято U=121 кВ,
так как на шинах электростанции поддерживается напряжение 1,1Uном
Условие проверки по (4,43) [1.c 238]: 1.07E0.9E0
выполняется
Таким образом, провод АС 120/19 коронировать не будет.
Выбор сборных шин 220кВ:
Так как сборные шины по экономической плотности тока не выбираются, принимаем сечение по допустимому току при максимальной нагрузке на шинах, раной току наиболее мощного присоединения, в данном случае цепи ВН АТ.
По табл.3.3 [1.c 624] выбираем провод марки АС 240/39
Наружный диаметр провода = 21,6 мм
Проверка на коронирование:
Начальная критическая напряженность по (2.31) [1.c 237]
где m-коэффициент, учитывающий шероховатость провода (для многопроволочных проводов m=0.82);r0-радиус провода, см.
Напряженность вокруг провода:
где
U-линейное напряжение,
Dср-среднее геометрическое расстояние между проводами фаз, м.
При горизонтальном расположении фаз
где D-расстояние между соседними фазами, см.
Здесь принято U=230, так как на шинах электростанции поддерживается напряжение 1,1Uном
Условие проверки по (4,43) [1.c 238]: 1.7E0.9E0
выполняется
Таким образом, провод АС 240/39 коронировать не будет.
Выбор проводов длинных связей 110кВ.
Токоведущие части от выводов блочного трансформатора до сборных шин выполняем гибким токопроводом. Сечение выбираем по экономической плотности тока J=1 А/мм2 (табл.4.5 с.233)
Экономическое сечение
где Iнорм- ток нормального режима (без перегрузок)
По табл.П3.3 [1.c 624] выбираем провод марки АС 600/72 d=33.2, Iдоп.ном=1050А
Так как выбранное сечение больше, чем в расчете для сборных шин, то провод коронировать не будет.
Выбор проводов длинных связей 220кВ:
Токоведущие части от выводов блочного трансформатора до сборных шин выполняем гибким токопроводом. Сечение выбираем по экономической плотности тока J=1 А/мм2 (табл.4.5 с.233)
Экономическое сечение
где Iнорм- ток нормального режима (без перегрузок)
По табл.П3.3 [1.c 624] выбираем провод марки АС 400/22 d=26,6, Iдоп.ном=830А
Так как выбранное сечение больше, чем в расчете для сборных шин, то провод коронировать не будет.
4.4 Защита перенапряжений
Выбор вентильных разрядников по [2, табл. 5.20, стр.364].
Для 220 кВ: РВМГ-220 М У1 ;
Для 110кВ : РВМ-110МТ1 .
4.5 Сборка гирлянд подвесных изоляторов на
ОРУ-220 кВ и ОРУ-110 кВ.
Выбираем опорный стержневой изолятор С4 450 I УХЛ, Т1, Fразр = 4000 Н.
Высота изолятора Hизол = 1020 мм. Проверяем изолятор на механическую прочность.
Максимальная сила действующая на изгиб:
где приняли расстояние между фазами a = 0.8 м.
Поправка на высоту шин:
Проверка выполняется.
Выбираем проходной изолятор ГМЛБ 90 110/1000 У1 , Uном = 110 кВ
Iном = 1000 А > Imax = 310 A , Fразр = 42500 Н
Проверяем изолятор на механическую прочность
Fрасч = 0,5*FИ = 0,5*845 =422,5 Н < 0.6*Fразр = 0,6*42500 Н.
Выбираем опорный стержневой изолятор С4 950 I УХЛ, Т1 Uном = 220 кВ
Выбираем проходной изолятор ГМЛА 90 220/1000 У1 , Uном = 220 кВ
Выбираем опорный изолятор внутренней установки И4 125 УХЛЗ Uном = 20 кВ
Выбираем проходной изолятор внутренней установки
ИП 20/1000 2000 У, ХЛ, Т2 Uном = 20 кВ
4.6 Основные конструктивные решения.
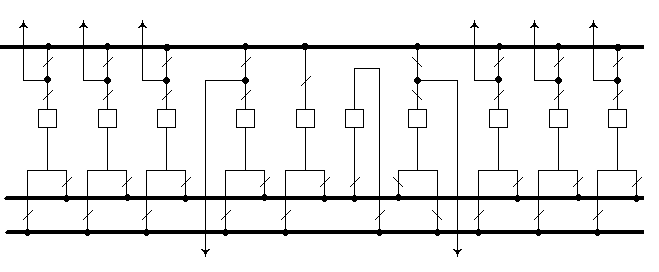
После выбора сборных шин обоснованно принимаем схему электрических соединений на данном напряжении.
Выбираем схему с двумя рабочими и обходной системами шин.
Т.к. для РУ 110 220 кВ с большим числом присоединений применяется схема с двумя рабочими и обходной системами шин с одним выключателем на цепь (рисунок 8). Как правило, обе системы шин находятся в работе при соответствующем фиксированном распределении всех присоединений: линии W1, W3, W5 и трансформатор Т1 присоединены к первой системе шин А1, линии W2, W4, W6 и трансформатор Т2 присоединены ко второй системе шин А2, шиносоединительный выключатель QA включен. Такое распределение присоединений увеличивает надежность схемы, так как при КЗ на шинах отключаются шиносоединительный выключатель QA и только половина присоединений. Если повреждение на шинах устойчивое, то отключившиеся присоединения переводят на исправную систему шин. Перерыв электроснабжения половины присоединений определяется длительностью переключений. Рассмотренная схема рекомендуется для РУ 110 220 кВ на стороне ВН и СН подстанций при числе присоединений 715, а также на электростанциях при числе присоединений до 12 [1, 5.1].

Рисунок 6. Схема с двумя рабочими и обходной системами шин.
При большом количестве присоединений на повышенном напряжении возможно применение схем с одной системой шин (рис.12) [1, стр.413]. При напряжении 35 кВ отключение линии будет непродолжительным, так как длительность ремонта выключателей невелика. В этот период используется резерв по сети, чтобы обеспечить питание потребителей.

Рисунок 7. Схема с одной системой несекционированных сборных шин.
4.7 Принципиальная схема управления выключателем.
Выбираем общую схему управления и сигнализации выключателя с ключом ПМОВФ.

Рисунок 7. Общая схема управления и сигнализации выключателя с ключом ПМОВФ.
Рассмотрим схему сигнализации при использовании ключа ПМОВФ.
В этой схеме подготовительные переключения в цепях сигнализации производятся контактами ключа одновременно с подачей команды, а изменение положения выключателя фиксируется вспомогательными контактами выключателя. Питание сигнальных ламп производится от тех же шинок, что и питание цепей управления.
Сигнализация об основных положениях выключателя «включено» и «отключено» осуществляется при соответствии положения рукоятки ключа положению контактов выключателя. Например, если ключ находится в положении «отключено» и выключатель отключен, в схеме образуется цепь + ШУ, контакты 1514 ключа, резистор R4, нормально замкнутый вспомогательный контакт выключателя SQT.2, зеленая лампа HLG,
ШУ. Зеленая лампа горит ровным светом. Цепь красной лампы разомкнута.
Если ключ находится в положении «включено» и выключатель включен, то образуется цепь сигнализации + ШУ, контакты 2321 ключа, резистор R3, вспомогательный контакт выключателя SQC.2 (замыкается при включении выключателя), лампа HLR, ШУ. Красная лампа горит ровным светом.
Для привлечения внимания оперативного персонала при автоматическом включении или отключении выключателей выполняется мигающее свечение сигнальных ламп (если происходит включение выключателя, мигает красная лампа, а при автоматическом отключении зеленая).
В случае применения ключа ПМОВФ схема выполняется с использованием несоответствия между положениями ключа и контактов выключателя (например, ключ в положении «включено», «предварительно включено», а выключатель отключен или ключ в положении «отключено», «предварительно отключено», а выключатель включен).
При положении ключа «включено» и отключенном положении выключателя ток проходит по цепи (+) ШМ, контакты 1314 ключа, резистор R4, вспомогательные контакты выключателя SQT.2, лампа HLG, ШУ. Зеленая лампа горит мигающим светом.
При положении ключа «отключено» и включенном положении выключателя ток проходит по цепи (+) ШМ, контакты 1819 ключа, резистор R3, вспомогательные контакты выключателя SQC.2, лампа HLR, - ШУ. Красная лампа горит мигающим светом.
Зеленая лампа горит мигающим светом также при положении ключа управления «предварительно включено» и отключенном выключателе, а красная лампа мигает при положении ключа управления «предварительно отключено» и включенном выключателе.
Как видно, описанная схема позволяет четко фиксировать с пункта управления все положения выключателя и вести контроль за выполнением управляющих команд.
Принципиальная схема запуска устройств предупреждающей сигнализации в случае обрыва цепей управления (схема с ключом ПМОВФ). Для контроля цепей управления использованы два промежуточных реле: реле положения «включено» KQC, фиксирующее
включенное положение выключателя и контролирующее цепь отключения, и реле положения «отключено» KQT, фиксирующее отключенное положение выключателя и контролирующее цепь включения. В цепи этих реле устанавливаются дополнительные резисторы R. для исключения ложного срабатывания контактора КМ или электромагнита отключения в случае закорачивания обмоток KQTи KQC.
Запуск сигнализации обрыва цепей управления происходит через последовательно включенные размыкающие контакты реле KQC и KQT.
При исправном состоянии цепей управления обмотка одного реле обтекается током, а другого обесточена. В результате цепь подачи сигнала обесточена. В случае обрыва цепи последующей команды управления обмотки обоих реле оказываются обесточенными, и происходит запуск сигнализации.
Подача ключом ПМОВФ команды на включение выключателя осуществляется в два приема: из положения рукоятки «отключено» в положение «предварительно включено» (предварительная команда) и из положения «предварительно выключено» в положение «включить» (основная команда). Выполнение команды в два приема снимает вероятность ошибочных действий персонала. После подачи команды и освобождения рукоятки ключа она под действием механизма возврата переходит в положение «включено».
При подаче команды «включить» образуется цепь + ШУ, контакты 58 ключа управления, замкнутые вспомогательные контакты выключателя SQT.1, обмотка промежуточного контактора КМ, ШУ. По обмотке промежуточного контактора КМ протекает ток, в результате чего контакты замыкают цепь питания YAC и выключатель включается.
Аналогично происходит включение выключателя при действии устройств автоматики, выходные контакты которых включаются параллельно контактам ключа управления.
Команда на отключение выполняется с помощью ключа также в два приема: из положения «включено» в положение «предварительно отключено» (предварительная команда) и из положения «предварительно отключено» в положение «отключить» основная команда). После подачи команды «отключить» рукоятка ключа возвращается в положение «отключено».
Цепь команды на отключение: + ШУ, контакты 67 ключа, вспомогательный контакт выключателя SQC.1 {который замкнулся при включении выключателя), обмотка электромагнита YAT, ШУ. Сердечник электромагнита УАТ втягивается, освобождая защелку привода, и выключатель отключается.
Обмотки электромагнитов YАС и YАТ, как это отмечалось ранее, рассчитаны на кратковременное прохождение тока. Кратковременность командного импульса обеспечивается введением в цепь управления вспомогательных контактов SQ, связанных с валом привода выключателя и размыкающих цепь управления после включения (SQT) или отключения (SQC) выключателя. Достаточно мощные вспомогательные контакты выключателя одновременно с разрывом цепи управления обеспечивают бестоковое размыкание контактов ключа управления или реле после выполнения управляющей команды, так как эти контакты не рассчитаны на разрыв
тока обмоток УАС и УАТ.
4.8 Требования по экологии.
Наиболее крупные КЭС в настоящее время имеют мощность до 4 млн кВт. Сооружаются электростанции мощностью 4 6,4 млн кВт с энергоблоками 500 и 800 МВт. Предельная мощность КЭС определяется условиями водоснабжения и влиянием выбросов станции на окружающую среду.
Современные КЭС весьма активно воздействуют на окружающую среду: на атмосферу, гидросферу и литосферу. Влияние на атмосферу сказывается в большом потреблении кислорода воздуха для горения топлива и в выбросе значительного количества продуктов сгорания. Это в первую очередь газообразные окислы углерода, серы, азота, ряд которых имеет высокую химическую активность. Летучая зола, прошедшая через золоуловители, загрязняет воздух. Наименьшее загрязнение атмосферы (для станций одинаковой мощности) отмечается при сжигании газа и наибольшее при сжигании твердого топлива с низкой теплотворной способностью и высокой зольностью. Необходимо учесть также большие уносы тепла в атмосферу, а также электромагнитные поля, создаваемые электрическими установками высокого и сверхвысокого напряжения.
КЭС загрязняет гидросферу большими массами теплой воды, сбрасываемыми из конденсаторов турбин, а также промышленными стоками, хотя они проходят тщательную очистку.
Для литосферы влияние КЭС сказывается не только в том, что для работы станции извлекаются большие массы топлива, отчуждаются и застраиваются земельные угодья, но и в том, что требуется много места для захоронения больших масс золы и шлаков (при сжигании твердого топлива).
Влияние КЭС на окружающую среду чрезвычайно велико. Например, о масштабах теплового загрязнения воды и воздуха можно судить по тому, что около 60 % тепла, которое получается в котле при сгорании всей массы топлива, теряется за пределами станции. Учитывая размеры производства электроэнергии на КЭС, объемы сжигаемого топлива, можно предположить, что они в состоянии влиять на климат больших районов страны. В то же время решается задача утилизации части тепловых выбросов путем отопления теплиц, создания подогревных прудовых рыбохозяйств. Золу и шлаки используют в производстве строительных материалов и т. д.
Для снижения негативного экологического воздействия энергопроизводящих установок первостепенное значение приобретает политика сбережения энергии.
Список используемой литературы:
- Рожкова Л.Д. , Козулин В.С. Электрооборудование станций и подстанций. 2-е изд. М.: Энергоатомиздат, 1987. 648 с.
- Неклепаев Б.Н. Электрическая часть электростанций и подстанций. . М.: Энергия, 1976. 552 с.
- Электрическая часть электростанций: Метод. указ. по выполнению курсового проекта для студентов электроэнергетических специальностей дневной и заочной формы обучения. Томск. ТПУ, 2001. 25 с.
Приложение А

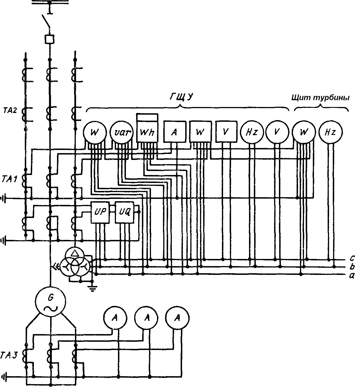
Рисунок 1. Измерительные приборы в основных цепях КЭС

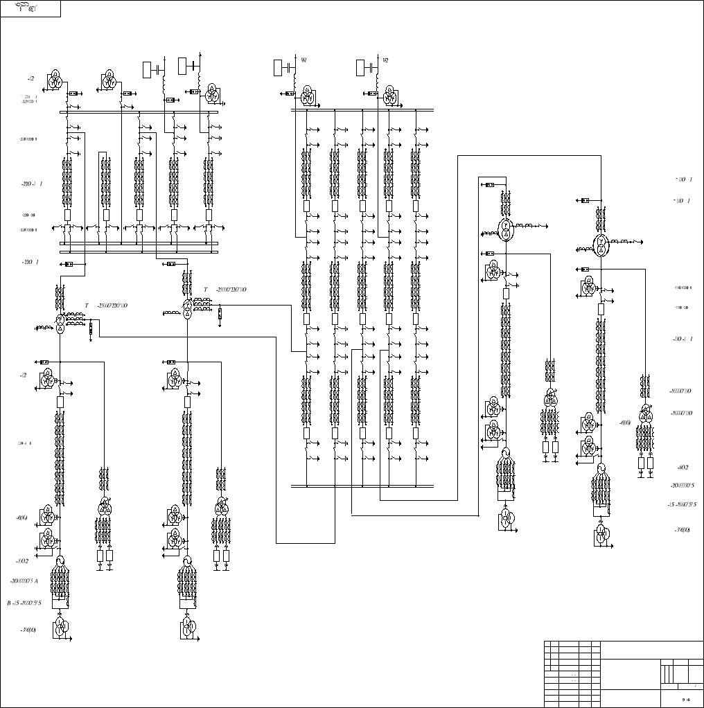
Рисунок 2. Схема включения измерительных приборов генератора

КЭС мощностью 1200 Мвт