Выбор преобразователя давления для измерения избыточного давления
РЕФЕРАТ
Бакалаврская работа 64 с., 18 рисунков, 6 таблиц, 6 использованных источников, 1 приложение.
СИСТЕМА ИЗМЕРЕНИЙ КОЛИЧЕСТВА И ПОКАЗАТЕЛЕЙ КАЧЕСТВА НЕФТИ, ПРЕОБРАЗОВАТЕЛЬ ДАВЛЕНИЯ, БЛОК ИЗМЕРИТЕЛЬНЫХ ЛИНИЙ, БЛОК ИЗМЕРЕНИЯ ПАРАМЕТРОВ КАЧЕСТВА НЕФТИ, СИСТЕМА ОБРАБОТКИ ИНФОРМАЦИИ, ДАТЧИК МЕТРАН-150
Объектом исследования является система измерений количества и показателей качества нефти № 3, принадлежащая ООО «Балтнефтепровод», предназначена для автоматического измерения массы брутто и показателей качества нефти, поступающей по нефтепроводу «Горький-Ярославль» на ЛПДС «Ярославль».
В процессе исследования выполнен анализ существующего уровня автоматизации узла учета нефти, обоснована необходимость замены преобразователя давления.
Цель работы выбор преобразователя давления для измерения избыточного давления.
В результате исследования рекомендован к использованию преобразователь избыточного давления Метран-150.
Новизна работы заключается в использовании метода многофакторного анализа при выборе преобразователя давления.
Практическая значимость результатов работы состоит в составлении подробного анализа преобразователей давления, полезной для проектировщиков систем автоматизации.
CОДЕРЖАНИЕ
С.
Определения, обозначения и сокращения…………………………………………...6
|
[0.0.1] Состав СИКН [0.0.1.1] 1.3 Система сбора, обработки информации и управления [0.0.2] 1.4 Рабочие эталоны [0.1] 2 Схема СИКН [0.1.1] 2.1 Технологическая схема СИКН [0.1.2] 2.2 Режимы работы блока измерения качества (БИК) [1] 3 Порядок эксплуатации СИКН [1.1] 3.1 Порядок включения СИКН в эксплуатацию [1.1.1] 3.2 Подготовка блока измерительных линий [1.1.2] 3.3 Подготовка блока контроля качества [2] 4 Пользование «АРМ-оператора» [3] 6 МИ 2825-2003. ГСИ. Системы измерений количества и показателей качества нефти. Метрологические и технические требования к проектированию, 2003.-8 с. |
Приложение А. Перечень демонстрационных листов
ОПРЕДЕЛЕНИЯ, ОБОЗНАЧЕНИЯ И СОКРАЩЕНИЯ
СИКН система измерения количества и показателей качества нефти;
ЛПДС линейная производственно-диспетчерская станция;
ТПУ трубопоршневая установка;
СИ средство измерений;
БИК блок измерения параметров качества нефти;
ВА вторичная аппаратура;
АРМ автоматизированное рабочее место;
ФТО фильтр тонкой очистки;
ТПР турбинные преобразователи расхода;
СОИ система обработки информации;
БИЛ блок измерительных линий;
ЯРНУ Ярославское районное нефтепроводное управление;
ГРНУ Горьковское районное нефтепроводное управление;
ИЛ измерительная линия;
ПР преобразователь расхода;
ТКО товарно-коммерческие операций;
ИВК измерительно-вычислительный комплекс;
ПК персональный компьютер;
КМХ контроль метрологических характеристик;
НПВ нижний предел взрываемости;
ТО техническое обслуживание;
ОУ объект управления;
ПК персональный компьютер;
СТПУ стационарная турбопоршневая установка;
РСУ резервная система учета.
ВВЕДЕНИЕ
Магистральный трубопроводный транспорт является важнейшей составляющей топливно-энергетического комплекса России. В стране создана разветвленная сеть магистральных нефтепроводов, нефтепродуктопроводов и газопроводов, которые проходят по территории большинства субъектов Российской Федерации.
Эффективная и безаварийная эксплуатация технологически опасных объектов предприятий нефтегазового комплекса, в частности объектов трубопроводного транспорта нефти, возможна только при наличии технических средств измерение технологических параметров. Это позволяет однозначно контролировать технологический процесс, предотвращать и локализовать возможные аварийные ситуации. Одним из наиболее важных показателей, является измерение избыточного давления в трубопроводе, поскольку давление должно быть достаточным для компенсации потерь давления на СИКН и обеспечения давления на выходе СИКН и поверочной установки.
Система измерения количества и показателей качества нефти предназначена для автоматического измерения количества нефти массово-динамическим методом, а также для автоматического определения качественных показателей нефти. Важная роль в этом процессе принадлежит измерениям давления в трубопроводе. Таким образом, их надежность должна быть достаточно высокой, чтобы не происходило сбоев поставок нефти потребителям.
В последние годы на мировом рынке автоматизации при измерении давления датчики разности давления с индуктивным выходом (типа ДМ, например, работающие совместно с вторичными приборами КСД) устарели и в настоящее время практически не применяются. Наибольшее распространение получили датчики с унифицированным токовым выходом (0-5, 0-20, 4-20 мА).
Цель данной аттестационной работы заключается в усовершенствовании системы автоматизации СИКН № 3 принадлежащая ООО «Балтнефтепровод» и тем самым увеличении надежности технологического объекта.
Задачами выпускной квалификационной работы является:
- изучение технологии измерения количества и показателей качества нефти при ее транспорте;
- изучения средств автоматизации, применяемых на СИКН № 3;
- анализ существующих средств измерения давления;
При работе над проектом были использованы материалы ОАО «Балтнефтепровод» (инструкция по эксплуатации системы измерений количества и показателей качества нефти № 3 ярославское районное нефтепроводное управление ООО «Балтнефтепровод»).
1 Общие сведения
Система измерений количества и показателей качества нефти № 3, принадлежащая ООО «Балтнефтепровод», предназначена для автоматического измерения массы брутто и показателей качества нефти, поступающей по нефтепроводу «Горький-Ярославль» диаметром 820 мм на ЛПДС «Ярославль», при учётных операциях по приему-сдаче нефти от ОАО «Верхневолжскнефтепровод» в ООО «Балтнефтепровод», с пределами допускаемой относительной погрешности измерений массы нефти при вероятности 0,95 не более ±0,25% и пределами допускаемой относительной погрешности измерений массы нетто нефти при вероятности 0,95 не более ±0,35%.
Основные функции СИКН:
- автоматическое измерение объёма и массы брутто нефти при рабочих условиях эксплуатации СИКН;
- автоматическое измерение значений плотности, влагосодержания и вязкости нефти;
- автоматическое измерение значений температуры и давления нефти;
- поверка и контроль метрологических характеристик преобразователей расхода по трубопоршневой установке в автоматическом и ручном режиме управления;
- автоматический отбор проб принимаемой нефти;
- регистрация и хранение результатов измерений, формирование отчётов.
Технологическая схема представлена на рисунке 1.1 [1].

Технологические параметры СИКН указаны в таблице 1.1.
Таблица 1.1- Технологические параметры СИКН
|
Наименование параметра |
Ед. изм. |
мин. |
макс. |
|
Рабочий диапазон расхода |
м3/час |
350 |
6600 |
|
Рабочий диапазон плотности нефти при 200 С и избыточном давлении равном 0 |
кг/м3 |
850 |
890 |
|
Рабочий диапазон температуры нефти |
С |
0 |
40 |
|
Температура окружающей среды |
С |
- 50 |
50 |
|
Рабочий диапазон кинематической вязкости нефти |
сСт |
15 |
70 |
|
Массовая доля воды |
% |
Не более 1 |
|
|
Массовая доля механических примесей |
% |
Не более 0,05 |
|
|
Концентрация хлористых солей |
мг/ дм3 |
Не более 300 |
|
|
Давление насыщенных паров |
кПа |
- |
66,7 |
|
Содержание свободного газа |
% |
не допускается |
|
|
Режим работы СИКН |
Непрерывный |
||
|
Режим работы ТПУ |
Периодический |
||
|
Способ поверки ТПУ |
По передвижной ТПУ 1-го разряда или мерной установкой |
||
|
Электроснабжение |
380/220 В, 3-х фазное /однофазное |
||
|
Классификация по пожаро- и взрывобезопасности |
По НПБ По ПУЭ |
А В-1а |
|
|
Предел допускаемой относительной погрешности измерений массы нефти |
±0,25% |
||
|
Предел допускаемой относительной погрешности измерений массы нетто нефти |
±0,35% |
- Состав СИКН
В состав СИКН входят: технологическое оборудование; СИ, установленные на технологическом оборудовании и в операторной; блок измерения параметров качества нефти (БИК); вторичная аппаратура (ВА); система обработки информации (СОИ): измерительно-вычислительный комплекс ШОИ, АРМ оператора «Cropos».
- СИ и технологическое оборудование
Основные средства измерений и оборудование указаны в таблице 1.2.
Таблица 1.2 - Основные средства измерений и оборудование
|
Наименование средств измерений и оборудования |
Характеристики |
Кол-во |
Техноло-гический номер |
|
Задвижка «Daniel Valve» RQ-8 с электроприводом Rotork IQ40 на входе СИКН |
Dy = 28" |
1 |
308 |
|
Задвижка «Daniel Valve» CEG с электроприводом Rotork IQ40 и местным контролем протечек на байпасе СИКН |
Dy = 28" |
1 |
309 |
|
Задвижка «Daniel Valve» RQ-8 с электроприводом Rotork IQ40 на выходе СИКН в резервуарный парк ЛПДС «Ярославль» |
Dy = 28" |
1 |
310 |
|
Задвижка «Daniel Valve» RQ-8 с электроприводом Rotork IQ40 на выходе СИКН в резервуарный парк ОАО «Славнефть-ЯНОС» |
Dy = 28" |
1 |
311 |
|
Задвижка «M & J Valve» М303D с электроприводом Rotork IQ20 на входе ИЛ |
Dу = 12" |
4 |
312, 318, 321, 324 |
|
Задвижка «Daniel Valve» CEG с электроприводом Rotork IQ25 и местным контролем протечек на выходе ИЛ |
Dy = 12" |
4 |
313, 319, 322, 325 |
|
Задвижка «Daniel Valve» CEG с электроприводом Rotork IQ25 и местным контролем протечек на входе в коллектор ТПУ |
Dу = 12" |
4 |
314, 320, 323, 326 |
|
Задвижка «Daniel Valve» CEG с электроприводом Rotork IQ35 и местным контролем протечек на выходном коллекторе БИЛ |
Dу = 16" |
2 |
327, 328 |
|
Задвижка «Daniel Valve» CEG с электроприводом Rotork IQ25 и местным контролем протечек на входном коллекторе ТПУ |
Dу = 16" |
1 |
329 |
|
Задвижка «Daniel Valve» CEG с электроприводом Rotork IQ25 и местным контролем протечек на выходном коллекторе ТПУ |
Dу = 16" |
1 |
330 |
|
Поворотный клапан «VETEC» 72.2F, с электроприводом Rotork IQM12 на выходе ИЛ |
Dу = 12" |
4 |
РР201 РР203 РР204 РР205 |
|
Струевыпрямитель перед ТПР |
Dу = 250 мм |
5 |
|
|
Преобразователь расхода жидкости турбинный HELIFLU TZN250-2000 фирмы «Faure Herman» |
Dу = 250 мм Qмах= 2000 м3/ч = ± 0,15% |
5 |
ТПР201 ТПР202 ТПР203 ТПР204 ТПР205 |
|
Преобразователь давления 3051TG Fisher-Rosemount на входном коллекторе БИЛ |
Р = 0…1,6 МПа = ±0,5% |
1 |
|
|
Преобразователь перепада давления 3051CD Fisher-Rosemount на ФТО |
Р=0…0,2 МПа = ±0,5% |
4 |
|
|
Преобразователь давления 3051TG Fisher-Rosemount после ТПР |
Р = 0…1,6 МПа = ±0,5% |
4 |
|
|
Преобразователь давления 3051TG Fisher-Rosemount на выходном коллекторе БИЛ |
Р = 0…1,6 МПа = ±0,5% |
2 |
|
|
Mанометр МТИ-1216 на входном коллекторе БИЛ |
Р = 0…1,6 МПа = ±0,6% |
1 |
|
|
Mанометр МТИ-1216 до ФТО |
Р = 0…1,6 МПа = ±0,6% |
4 |
|
|
Mанометр МТИ-1216 после ФТО |
Р = 0…1,6 МПа = ±0,6% |
4 |
|
|
Mанометр МТИ-1216 после ТПР |
Р = 0…1,6 МПа = ± 0,6% |
4 |
|
|
Mанометр МТИ-1216 на выходном коллекторе БИЛ |
Р = 0…1,6 МПа = ± 0,6% |
2 |
|
|
Преобразователь температуры ТСПУ 65-644 Fisher-Rosemount после ТПР |
Т = 0…50С = ± 0,2С |
4 |
|
|
Термометр лабораторный ТЛ-4 после ТПР |
Т = 0…55С = ± 0,2С |
4 |
|
|
Пробозаборное устройство щелевого типа ИМСМ.2010.700.00 |
S=1526 мм2 |
1 |
ПЗУ |
|
Фильтр тонкой очистки «Plenty Filters» |
Рmax = 1,6 Мпа Т = -40…+40С |
5 |
Ф1 Ф2 Ф3 Ф4 Ф5 |
|
Предохранительный клапан «Leser» на ФТО |
Рр = 0,6 МПа |
5 |
|
|
Кран «Балломакс» на дренаже с входного коллектора возле ПЗУ |
Dу 50 Ру 40 |
1 |
4Д |
|
Кран шаровый «NAVAL» |
DN 100 PN 16 |
5 |
|
|
Кран шаровый «NAVAL» |
DN 50 PN 40 |
8 |
|
|
Кран шаровый «NAVAL» |
DN 25 PN 40 |
5 |
|
|
Кран шаровый «NAVAL» |
DN 15 PN 40 |
4 |
|
|
Клапан предохранительный СППК |
Dу = 50 мм Pуст=1,2 МПа |
2 |
|
|
Датчик загазованности ДГО-2 |
0-30% НПВ ±2% |
3 |
|
|
Бридж-мультиплексор "Olencom" |
1 |
||
|
Расходомер турбинный со струевыпрямителем FE202-Г "Faure Herman" |
1 |
||
|
Компактный встраиваемый компьютер UC-7122-CE "Olencom" |
1 |
||
|
Датчик избыточного давления "Emerson Processed Management AG" |
0…2,0 МПа |
1 |
|
|
Манометр для точных измерений ОАО "Манотомь" |
0…1,6 Мпа |
3 |
|
|
Датчик перепада давления "Emerson Processed Management AG" |
0…0,02 Мпа |
1 |
|
|
Термометр ртутный, стеклянный ОАО "Термоприбор" |
Т = 0…45С = ± 0,1С |
1 |
|
|
Датчик температуры "Emerson Processed Management AG" |
Т = -5…+45С |
1 |
|
|
Клапан поворотный с сегментным затвором межфланцевый (регулятор расхода) Flowserve, с электроприводом Rotork (ANSI 150), |
DN300 (12"), PN 2,0МПа |
1 |
РР202 |
|
Кран шаровой запорный полнопроходной MSA с контролем протечек, с электроприводом Rotork |
DN300, PN 20 |
3 |
315 316 317 |
|
Кран шаровой запорный полнопроходной "NOVAL" |
DN50, PN 1,6 МПа |
1 |
|
|
Кран шаровой запорный полнопроходной ООО "ИК Энерпред-Ярдос " |
DN25, PN 1,6МПа |
1 |
|
|
Блок измерения качества нефти |
1 |
БИК |
|
|
Задвижка «Daniel» C-303 с электроприводом Rotork IQ10 на входе БИК |
Dу = 2" |
1 |
101 |
|
Задвижка «Daniel» C-303 с электроприводом Rotork IQ10 на выходе БИК |
Dу = 2" |
1 |
102 |
|
Преобразователь плотности жидкости измерительный мод. 7835 |
=300…1100 кг/м3 = ± 0,3 кг/м3 |
2 |
Пл101 Пл102 |
|
Влагомер нефти поточный УДВН-1пм |
W = 0,1…2,0% об = ± 0,05% об |
2 |
Вл101 Вл102 |
|
Преобразователь плотности и вязкости жидкости измерительный мод. 7829 |
v = 0…100 сСт = ± 1% |
1 |
Вз101 |
|
Расходомер-счетчик ультразвуковой «Взлет-РС» УРСВ-110 |
Q = 0,2…21 м3/ч = ± 5% |
1 |
УПР101 |
|
Преобразователь температуры ТСПУ 65-644 Fisher-Rosemount |
Т = 0…50С = ± 0,2С |
2 |
ДТ101 ДТ102 |
|
Термометр лабораторный ТЛ-4 |
Т = 0…55С = ± 0,2С |
2 |
Т101 Т102 |
|
Преобразователь избыточного давления 3051TG Fisher-Rosemount |
Р = 0…1,6 МПа = ±0,5% |
1 |
ДД101 ДД102 |
|
Mанометр МТИ-1216 |
Р = 0…1,6 (0…2,5) МПа = ± 0,6% |
6 |
М101… М106 |
|
Фильтр сетчатый «PLENTY» |
Dу = 2" |
2 |
Ф101 Ф102 |
|
Насос «Verder MAG» |
Q = 8 м3/час H = 20,4 м |
2 |
Н101 Н102 |
|
Насос промывки «MOLDOVAHIDROMAG» с промывочной емкостью |
Q = 6,3 м3/час H = 20 м Vемк = 90л |
1 |
Н103 |
|
Кран шаровой «NAVAL» |
DN 50 PN 40 |
29 |
|
|
Кран шаровой «NAVAL» |
DN 25 PN 40 |
15 |
|
|
Кран шаровой «NAVAL» |
DN 15 PN 40 |
23 |
|
|
Автоматический пробоотборник фирмы Cliff Mock True-Cut модель С-22 с контейнерами проб |
Dу = 2" |
2 |
ПА101 ПА102 |
|
Диспергатор |
Dу = 50 мм Ру = 4,0 МПа |
1 |
Д101 |
|
Весы Mettler Toledo |
М= 0…6 кг КТ III |
2 |
ВП101 ВП102 |
|
Шаровой клапан «Pfeiffer» BR26D с электроприводом Rotork IQM105 на выходе БИК |
Dу = 25 мм Рн = 2,5 МПа |
1 |
РР101 |
|
Датчик пожарный ИП-103-1В |
3 |
||
|
Датчик загазованности СТМ-10 |
Порог срабатывания 10, 30% НПВ = ±5% |
2 |
|
|
Обогреватель электрический взрывозащищенный ОЭВ-7 |
W = 0,25 кВт |
2 |
|
|
Регулятор температуры Т21ВМ-1-03 |
2 |
||
|
Оптический датчик ЗАО ""Электростандарт-прибор" г.Гатчина |
2 |
||
|
Пороговое устройство ЗАО ""Электростандарт-прибор" г.Гатчина |
1 |
||
|
Преобразователь вязкости "Mobrey Solartron" |
1 |
||
|
Проточная камера для преобразователя вязкости "Mobrey Solartron" |
2 |
||
|
Конвертор RS-485/RS-232 "Advantech" |
разъёмы: винтовые клеммы, DB9 female |
4 |
|
|
Шкаф приборный обогреваемый одностороннего обслуживания с рентгеновской трубкой ГК"ЭнергоЛАБ" |
1 |
||
|
Поточный анализатор содержания серы "SPECTRO" |
1 |
QT101-Г |
|
|
Средство защиты от перенапряжения для RS-485 "Phoenix Contact" |
2 |
||
|
Командный аппарат взрывозащищенный с кнопкой типа "гриб", 1 норм. замкнут, +1 норм. разомкн. контакт, конпка "пуск/стоп", 1 норм. замкнутый + 1 норм. разомкн. контакт ООО «КОРТЕМ-ГорэлтЕх» |
1 |
||
|
Реле 220В "Phoenix Contact" |
1 |
||
|
Автоматический выключатель однофазный "ИЭК" |
220 В, 1,6 А |
1 |
|
|
Кран шаровой запорный полнопроходной ООО "ИК Энерпред-Ярдос " |
DN 50 PN 1,6 МПа |
5 |
|
|
Кран шаровой запорный полнопроходной ООО "ИК Энерпред-Ярдос " |
DN 25 PN 1,6 МПа |
2 |
|
|
Кран шаровой запорный полнопроходной ООО "ИК Энерпред-Ярдос " |
DN 15 PN 1,6 МПа |
5 |
|
|
Кран шаровой регулирующий ООО "ИК Энерпред-Ярдос " |
DN 50 PN 1,6 МПа |
1 |
1.3 Система сбора, обработки информации и управления
Система сбора и обработки информации и управления (СОИ) представляет собой единый измерительно-вычислительный комплекс по сбору и обработке данных от первичных средств измерения и управления технологическим процессом при проведении учетных операций, метрологических работ (управление электроприводными задвижками, регуляторами расхода, автоматическим пробоотбором и т.д.).
Функционально СОИ состоит из следующего оборудования, приведённого в таблице 3.
Таблица 1.3 - Структура СОИ
|
Наименование |
|
ШОИ |
|
Контроллер расхода Floboss 600 |
|
Контроллер ТПУ Floboss 600 |
|
Источник бесперебойного питания"APC" |
|
Барьер искрозащиты "Elcon" |
|
Блок питания 24 В |
|
Кросс оптический |
|
Медиаконвертеры |
|
Медиаудлинители |
|
GPS модуль |
|
Коммутаторы "D-Link" |
|
Ноутбук "Dell Inc." |
|
Системные блоки АРМ операторов |
|
ШП №2, шкаф вторичной аппаратуры |
|
Шкаф приборный «Rittal» 19” |
|
Вторичная аппаратура влагомеров УДВН-1пм |
|
Вторичная аппаратура ультразвукового расходомера «Взлет» |
|
Блок гарантированного питания с батареей «POWERWARE» |
|
ШП №3, шкаф управления и сигнализации |
|
Шкаф приборный «Rittal» 19” |
|
Сигнализатор концентрации горючих газов СТМ-10 |
|
Прибор пожарно-охранный ППКОП |
|
Световая и звуковая сигнализации, кнопки управления |
|
ШП №4, шкаф контроллера |
|
Шкаф приборный «Rittal» 19” |
|
Контроллер управления приводами Rotork Simatic |
|
Шкаф АРМ СИКН |
|
Источник бесперебойного питания "APC" |
|
Медиаудлинители |
|
Медиаконвертеры |
|
Коммутаторы "D-Link" |
|
Кросс оптический |
|
Барьер искрозащиты "Elcon" |
|
Принтер матричный "Epson" |
|
Принтеры лазерные HP |
|
АРМ оператора (основное и резервное) |
|
АРМ оператора СИКН №1 |
|
АРМ оператора СИКН №2 |
|
АРМ оператора СИКН №3 |
|
АРМ оператора СИКН №4 |
1.4 Рабочие эталоны
Трубопоршневая установка (ТПУ) «Daniel 1900» предназначена для поверки и контроля метрологических характеристик турбинных преобразователей расхода, смонтированных на измерительных линиях СИКН[1].
Средства измерений и оборудование, входящие в состав ТПУ приведены в таблице 4.
Таблица 1.4 - Средства измерений и оборудование, входящие в состав ТПУ
|
Наименование средств измерений и оборудования |
Характеристики |
Кол-во |
Обозначение по схеме |
|
Трубопоршневая установка «Daniel-1900» |
Dу=720 мм, Qмах=1900 м3/ч , = ± 0,05% |
1 |
ТПУ |
|
Кран «Daniel Valve» 4-х ходовой с электроприводом Rotork IQ25 с местным контролем протечек |
Dу = 12" |
1 |
ПК001 |
|
Задвижка «Daniel Valve» CEG с местным контролем протечек |
Dу = 12" |
1 |
331 |
|
Регулятор расхода «VETEC» с электроприводом Rotork IQM 12 на выходе ТПУ |
Dу = 12" |
1 |
РР5 |
|
Задвижка клиновая с выдвижным шпинделем для подключения передвижной ПУ |
Dу=200 мм , Рн=1,6 Мпа |
2 |
29 30 |
|
Манометр МТИ |
Р=0…1,6 Мпа, = ± 0,6% |
3 |
|
|
Преобразователь избыточного давления 3051СG Fisher-Rosemount |
Р=0…6,4 Мпа, = ±0,5% |
2 |
|
|
Преобразователь температуры ТСПУ 65-3144 Fisher-Rosemount |
Т= 0…50С , = ± 0,2С |
2 |
|
|
Термометр лабораторный ТЛ-4 |
Т=0…55С, = ± 0,2С |
2 |
|
|
Клапан предохранительный Taylor Valve |
Dу = " , Pуст=1,2 МПа |
1 |
|
|
Клапан предохранительный СППК |
Dу = 50 мм, Pуст=1,2 МПа |
1 |
ПК-1 |
|
Датчик загазованности ДГО-2 |
0-30% НПВ, = ±2% |
3 |
2 Схема СИКН
2.1 Технологическая схема СИКН
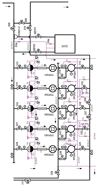
Технологическая схема СИКН № 3 (в составе ЛПДС) представлена на рисунке 2.1. В зависимости от условий эксплуатации каждая ИЛ СИКН может быть рабочей или резервной. Нефть, поступающая с нефтепровода Горький-Ярославль диаметром 820 мм, учитывается одной, двумя, тремя четырьмя или пяти параллельно работающими измерительными линиями.
Нефть, поступающая по нефтепроводу «Горький-Ярославль» через задвижку № 39 проходит через блок фильтров грязеуловителей, задвижку № 308 и далее на БИЛ, где, пройдя фильтры тонкой очистки, струевыпрямители, ПР и далее через регулирующее устройство давления на выходе измерительной линии, через задвижку № 310 на ЛПДС «Ярославль». При этом задвижки № 37, № 38, № 309 закрыты и опломбированы представителями ЯРНУ и ГРНУ.
Контрольные пломбы ставятся на задвижки №№ 309, 37, 38 на ПР на ИЛ, на дверцах шкафов ВА и в других необходимых случаях.
О наличии пломб и причинах их снятия делается запись в соответствующих журналах.
Технологическая схема СИКН содержит пять рабочих ИЛ. Каждая ИЛ состоит из входной задвижки (№№ 312, 315, 318, 321, 324), фильтра тонкой очистки (Ф1 ~ Ф 5), струевыпрямителя, ПР, регулирующего давление устройства, выходной задвижки (№№ 313, 316, 319, 322, 325). Параллельно выходным задвижкам смонтированы задвижки (№№ 314, 317, 320, 323, 326) для соединения рабочей ИЛ с ТПУ.
Фильтры тонкой очистки служат для очистки нефти от механических примесей. На входе и выходе фильтра установлены устройства отбора давления для подсоединения манометров. Манометры с диапазоном измерений от 0 до 1,6 МПа, класс точности 0,6.
Струевыпрямители установлены в начале ИЛ и служат для выравнивания потока нефти перед ПР, чем обеспечивается стабильность характеристик ПР.
Для включения СИКН в работу подготавливаются коллекторы входа и выхода СИКН и затем открываются задвижки на ИЛ, которая будет включена в работу. Остальные задвижки на измерительных линиях закрыты.
Байпасные задвижки СИКН закрыты, проверены на герметичность.
ИЛ заполняется нефтью постепенно на закрытую выходную задвижку. Убедившись, что течи нефти в ИЛ нет, открывают выходную задвижку и с помощью регулирующих заслонок на выходе ИЛ создается необходимое давление, обеспечивающее все технологические параметры СИКН при проведении ТКО.
Технологические переключения производятся путем закрытия и открытия соответствующих задвижек (см. таблицу 2.1)[1].
Таблица 2.1 - Закрытия и открытия соответствующих задвижек
|
№ ИЛ в работе |
№ задвижек |
||
|
Открыть |
Закрыть |
Проверить на герметичность и опломбировать |
|
|
1 |
308, 312, 313, 310; 301, 302, 303, 304, (или 301, 302, 305,306 или 303,304,305,306), 39 |
37, 38, 307, 309, 314, 315, 316, 317, 318, 319, 320, 321, 322, 323, 324, 325, 326, 329, 311, 330 |
37, 38, 309 |
|
2 |
308, 315, 316, 310; 301, 302, 303, 304, (или 301, 302, 305,306 или 303,304,305,306); 39 |
37, 38, 307, 309, 312, 313, 314, 317, 318, 319, 320, 321, 322, 323, 324, 325, 326, 329, 311, 330 |
37, 38, 309 |
|
3 |
308, 321, 322, 310; 301, 302, 303, 304, (или 301, 302, 305,306) или 303,304,305,306); 39 |
37, 38, 307, 309, 312, 313, 314, 315, 316, 317, 318, 319, 320, 323, 324, 325, 326, 329, 311, 330 |
37, 38, 309 |
|
4 |
308, 324, 325, 310; 301, 302, 303, 304, (или 301, 302, 305,306 или 303,304,305,306); 39 |
37, 38, 307, 309, 312, 313, 314, 315, 316, 317, 318, 319, 320, 321, 322, 323, 326, 329, 311, 330 |
37, 38, 309 |
|
5 |
308, 318, 319, 310; 301, 302, 303, 304, (или 301, 302, 305,306 или 303,304,305,306); 39 |
37, 38, 307, 309, 312, 313, 314, 315, 316, 317, 320, 321, 322, 323, 324, 325, 326, 329, 311, 330 |
37, 38, 309 |
Опорожнение систем ИЛ от нефти производится открытием соответствующих вентилей на дренажных линиях в емкость откачки утечек.
При этом количество нефти, поступившей в емкость сбора утечек, учитывается отдельным актом по паспорту качества текущей смены. Массу нефти, поступившей в емкость сбора утечек, определяют по градуировочной таблице, согласно МИ 2950-2005.
На входном коллекторе СИКН установлено пробозаборное устройство щелевого типа в соответствии с ГОСТ 2517 - 85, через которое нефть поступает в БИК нефти.
Нефть, поступая в БИК, прокачивается насосом через плотномеры, влагомеры, вискозиметр и автоматический пробоотборник, затем возвращается через выкидную трубу во входной коллектор СИКН. При этом происходит автоматическое определение плотности, вязкости, температуры, влагосодержания, давления с последующей дистанционной передачей в измерительно-вычислительный комплекс ШОИ для пересчета объема нефти в массу брутто и выдачи информации на дисплей и принтер.
Для предотвращения повышения давления в системе СИКН схемой предусмотрена двойная защита оборудования и трубопроводов:
- при давлении 0,6 МПа открывается сбросная задвижка № 307;
- при давлении 0,7 МПа срабатывают предохранительные клапаны.
При этом количество нефти, поступившей в калиброванный резервуар аварийного сброса, учитывается отдельным актом по Паспорту качества текущей смены.
КМХ рабочих ПР производится по ТПУ, при этом открываются задвижка № 329 и задвижка выхода нефти с измерительной линии (ИЛ) в приемный коллектор ТПУ (№№ 314 или 317 или 320 или 323 или 326), а задвижка на выходе поверяемой линии (соответственно №№ 313 или 316 или 319 или 322 или 325) закрывается и проверяется на герметичность.
После ТПУ нефть, пройдя задвижки №№ 331, 330 поступает в нефтепровод закачки на ЛПДС «Ярославль».
2.2 Режимы работы блока измерения качества (БИК)
Технологическая схема БИК приведена на рисунке 2.2. Блок измерения качества нефти реализован по насосной схеме и имеет в своем составе две линии качества, оснащенных поточными преобразователями и средствами измерения, обвязка которых позволяет обеспечить работу поточных средств измерения в последовательном или параллельном режиме, а также вывод из работы одного из средств измерений не нарушая учетных операций.
Часть потока с входного коллектора отбирается через щелевое пробозаборное устройство (ПЗУ) и поступает на блок измерения качества нефти.
Нефть от пробозаборного устройства через входную задвижку ЗД101, фильтры поступает на насосы и далее через обратные клапаны и шаровой кран на плотномеры Пл101, Пл102. На выходе плотномера установлен узел подключения пикнометрического стенда состоящий из шаровых кранов К182, К183, К184, К185. Далее нефть поступает на автоматический пробоотборник ПА, диспергатор Д101 с вентилем ручного отбора проб и на влагомеры Вл101, Вл102.
С выхода влагомера нефть последовательно поступает на поточный вискозиметр Вз101, ультразвуковой расходомер индикатор УПР101 и через регулятор расхода РР101 на выход блока контроля качества нефти и через выходную задвижку ЗД102 во входной коллектор БИЛ.
Давление и температура нефти измеряются соответственно преобразователем давления ДД101 и преобразователями температуры ДТ101, ДТ102.
2.3 Структурная схема СОИ
Структурная схема соединений СОИ СИКН представлена на рисунке 2.3.
Система обработки информации состоит из комплекса средств обработки информации, устройств ввода и вывода информации, устройств сопряжения, индикации и регистрации результатов, блоков питания и искрозащиты, вторичных приборов и вспомогательных устройств.
Оборудование СОИ располагается в приборных шкафах:
-шкаф приборный №1 ШОИ;
-шкаф приборный №2 вторичной аппаратуры;
-шкаф приборный №3 управления и сигнализации;
-шкаф приборный №4 шкаф контроллера;
-шкаф приборный №5 шкаф АРМ.
Сигналы от ПР, преобразователей давления и температуры блока измерительных линий, а также сигналы от плотномеров, влагомеров, вискозиметра, преобразователей температуры и давления, смонтированных в БИК, поступают на измерительно-вычислительный комплекс (ИВК) ШОИ . Управление четырехходовым краном и обработка сигналов ТПУ осуществляются так же ШОИ.
Управление задвижками и регуляторами расхода осуществляется контроллером Simatic, связаным по интерфейсу RS 232 с рабочим местом «АРМ оператора».
Объемно-массовый динамический метод измерения количества нефти основан на одновременном измерении объема и плотности нефти. Поток нефти воздействует на турбину ПР и создает в магнитоиндукционном датчике пропорциональный ему частотно-импульсный сигнал, который поступает на ИВК.
ИВК, на которую поступают также сигналы с датчиков плотномеров, вискозиметра, давления и температуры, обрабатывает поступающую информацию и выдает данные на дисплей и печатающее устройство, выполняет управление ТПУ и формирование отчетов, осуществляет постоянный контроль над процессом измерения параметров, отслеживает изменения параметров нефти и, в случае отклонения от установленных значений, выдает информацию оператору на дисплей и блок аварийной сигнализации.
Оператор управляет процессом с ПК. Если показания включенного на линии плотномера превышают заданные пределы, блок аварийной сигнализации выдает сигнал отказа плотномера. Оператор включает в работу резервный плотномер.
Измерительно-вычислительный комплекс ШОИ позволяет производить поверку, КМХ ПР по заложенной в нём программе.
Контроль работы оборудования осуществляется с приборного щита и дисплея, в случае отказов и отклонений от нормы информация-предупреждение выдается на монитор АРМ оператора.
АРМ обеспечивает:
- двухстороннюю связь с ИВК;
- визуализацию в реальном времени метрологических и технологических параметров в процессе учета нефти;
- управление запорной арматурой;
- управление регуляторами расхода;
- оповещение персонала в случае выхода параметров за допустимые пределы, аварийных ситуациях и нарушении технологического режима с регистрацией в базе данных;
- формирование, печать и хранение в течение 12 месяцев:
1) паспортов качества нефти;
2) актов приема-сдачи нефти;
3) протоколов поверки ПР по ТПУ;
4) журналов контроля ПР по ТПУ;
5) режимных листов;
6) всех типов отчетов (текущих, оперативных, сменных, суточных);
7) интеграцию узла учета нефти в корпоративную информационную сеть предприятия;
8) передачу информации на верхний уровень.
Печать отчетной документации производится на сетевом принтере.
Управление электроприводными задвижками и регуляторами расхода осуществляется через АРМ контроллером Simatic по двухпроводной схеме.
АРМ оператора обеспечивает информационный обмен с контроллером Simatic по протоколу TCP/IP RTU и с ИВК по протоколу Modbus ASCII через интерфейсы RS 485.
3 Порядок эксплуатации СИКН