Основы построения телекоммутационных систем и сетей
ПОВОЛЖСКАЯ ГОСУДАРСТВЕННАЯ АКАДЕМИЯ ТЕЛЕКОММУНИКАЦИЙ И ИНФОРМАТИКИ
СТАВРОПОЛЬСКИЙ ФИЛИАЛ
КОНТРОЛЬНАЯ РАБОТА ПО ДИiЕПЛИНЕ ВлОСНОВЫ ПОСТРОЕНИЯ ТЕЛЕКОММУНИКАЦИОННЫХ СИСТЕМ И СЕТЕЙВ» СТУДЕНТА: Заочного факультетаССиСК 5 курса 1 гр.
Xодуc Александра Юрьевича.
ПРОВЕРИЛ: Бондарь С. Н.
Ставрополь 1999г.
Задание № 1.
Дать определения понятий: сообщение, сигнал, канал, система связи, система N тАУ канальной связи. Изобразить структурную схему многоканальной системы передачи, пояснить назначение блоков.
Решение:![]()
Сообщением называют совокупность сведений о состоянии какого либо материального объекта. Источник и получатель сообщений разделены некоторой средой, в которой источник образует возмущения, отображающие сообщение и воспринимаемые получателем.
Физическая реальность, изменение которой в пространстве и во времени отображают переданное сообщение, называется сигналом.
Системой N тАУ канальной связи называется совокупность технических средств, обеспечивающих одновременную и независимую передачу сообщений от N источников к N получателям по одной цепи связи (по одному стволу).
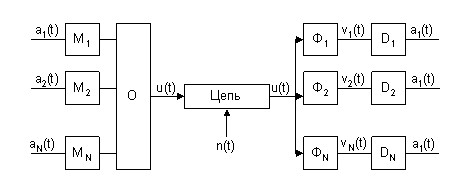
Структурная схема многоканальной системы передачи приведена на рис. 1.

Рис. 1.
М тАУ модуляторы, О тАУ устройства объединения, Цепь тАУ цепь связи, Ф тАУ фильтры, D тАУ демодуляторы.
К передатчику N тАУ канальной системы связи подводятся первичные сигналы а(t) от N источников сообщений. Эти сигналы подвергаются специальной обработке в модуляторах и объединяются в общий групповой сигнал u(t), направляемый в цепь связи. В приемной части системы из группового сигнала
, подвергшегося воздействию помех, выделяются индивидуальные сигналы отдельных каналов
, соответствующие передаваемым сообщениям.
Задание № 2.
Пояснить принцип формирования одной боковой полосы фазоразностным методом. Оценить качеств формирования канального сигнала. Рассчитать и построить спектр сигнала (на основе крайних частот спектра) полезной боковой полосы первой ступени преобразования МСП с ЧРК согласно исходным данным:
- исходный сигнал

![]()
- несущая частота ![]()
- полезная боковая полоса тАУ ВБП
- асимметрия в плечах фазоразностной схемы

- погрешность фазирования

Решение:
- Схема, реализующая фазоразностный метод формирования ОБП приведена на рис. 2.
Схема содержит:
РУ тАУ развязывающие устройства;
ВУ тАУ вычитающие устройства;
ФК тАУ фазовые контура;
М тАУ модуляторы.
На схеме (рис. 2) фазовый сдвиг ПА/2 для несущей частоты создает фазовый контур ФК1. Фазовые контуры ФК2 и ФК3 создают фазовый сдвиг ПА/2 для всех частот исходного сигнала в одном плече по отношению к другому.
- Если на модулятор одного плеча исходный сигнал и несущую частоту подать сдвинутыми по фазе ПА/2 относительно сигнала и несущей частоты, подаваемых на модулятор другого плеча, то сигнал на выходе схемы будет содержать колебания только одной боковой полосы.
Покажем это. Пусть исходный сигнал представляет собой гармоническое колебание вида UОйcosОйt (с учетом, что Ой = 2ПАF, Оё = 2ПАw). Тогда исходный сигнал и несущая частота подаваемые на модулятор, будут определятся выражениями:
и
, а второго соответственно
и
.
В случае выполнения модуляторов по двойной балансной схеме, напряжение на выходе первого и второго модуляторов соответственно будут:
![]()

Если амплитуды токов на выходе преобразователей будут одинаковые
I = I1 = I2, то на выходе схемы (или входе ВУ) ток будет равен:
,
то есть в его составе будет только ток одной (в рассматриваемом случае верхней) боковой полосы.
При несоблюдении равенства тока в плечах схемы I1 тЙа I2 и равенства разности фаз величине ПА/2 ток на выходе схемы будет содержать составляющие нижней и верхней боковых полос.
- Степень подавления фазоразностной схемой неиспользуемой полосы (затухание в полосе не пропускания), при наличии:
- Ассиметрии в плечах фазоразностной схемы составит:
дБ,
- Погрешности фазирования:
дБ,
- Асимметрии в плечах фазоразностной схемы и погрешности фазиования:

дБ
- Степень дополнительного затухания полезной боковой полосы, при наличии:
- Асимметрии в плечах фазоразностной схемы:
дБ;
- Погрешности фазирования:
дБ;
- Асимметрии в плечах фазоразностной схемы и погрешности фазирования:


- Для расчета и построения спектра сигнала, рис3, (на основе крайних частот спектра) верхней боковой полосы первой ступени МСП с ЧРК воспользуемся выражениями:
Гц;
Гц.
Задание №3.
Пояснить групповой принцип построения аппаратуры МСП с ЧРК, рассчитать:
- Значение несущей частоты используемой в аппаратуре сопряжения при наличии одной ступени преобразования;
- Значение виртуальной несущей частоты, согласно исходным данным:
- исходный сигнал 299 тАУ 2549 Гц.;
- Ступени преобразования 29; 84; 249; 449 кГц. (ВБП, НБП, ВБП, ВБП)
- Полоса частот сигнала линейного спектра 12049 тАУ 14299 Гц.
Решение:
- Структурная схема, поясняющая принцип построения МСП с ЧРК с использованием многократного или группового преобразования, приведена на рис. 4

- В первой ступени, являющейся ступенью индивидуального преобразования, одинаковые исходные частотные полосы от n1 различных источников сигналов преобразуются в n1-канальных сигналов, размещенных в не перекрывающихся полосах частот, образуя n1-канальный групповой сигнал.
Вторая и последующие ступени преобразования являются групповыми. Во второй ступени n2 одинаковых частотных полос n1-канального сигнала преобразуются в общий групповой n1n2-канальный сигнал. В следующей ступени преобразования образуется n1n2n3-канальный сигнал путем переноса n3 одинаковых частотных полос группового n1n2-канального сигнала в не перекрывающиеся полосы частот и т. д. Последняя ступень группового преобразования предназначается для получения линейного спектра системы передачи, которая передается по линии.
Совокупность ступеней преобразования образуют каналообразующую аппаратуру.
Преобразование спектра частот на выходе каналообразующей аппаратуры в определенный для системы передачи линейный спектр осуществляется аппаратурой сопряжения (АС). Она содержит, как правило, одну ступень преобразования.
- Для расчета несущей частоты используемой в АС при наличии одной ступени преобразования, воспользуемся планом спектра частот составленным согласно варианту задания (ВБП, НБП, ВБП, ВБП). Из анализа которого следует:
![]()
![]()
![]()
![]()
![]()
Откуда можем получить результирующее соотношение для вычисления искомой частоты:
- Виртуальной несущей частотой называется воображаемая несущая частота, с помощью которой можно было бы исходную полосу частот переместить в линейную путем однократного преобразования (минуя все промежуточные ступени преобразования).
- Виртуальная несущая частота составит:
Гц.
Задание №4.
Пояснить принципы организации двухсторонней связи по проводным и радиорелейным линиям связи.
Решение:
Двухсторонняя связь может быть организована по:
1 тАУ однополосной четырехпроводной;
2 тАУ двухполосной двухпроводной;
3 тАУ однополосной двухпроводной системам.
- При однополосной четырехпроводВнной системе (рис. 5) используются две двухпроводные цепи:
Одна цепь для передачи сигналов в одном направлении, вторая тАУ в обратном направлении. Передача сигналов в обоих направлениях осуществляется в одном и том же диапазоне частот. Эта система является при организации связи по каВнбельным линиям.
- Двухполосная двухпроводная система используется при построении многоканальных систем передачи, работающих на воздушных и радиорелейных линиях. Структурная схема системы передачи, работающая по воздушным линиям, приведена на рисунке 6.
Здесь используется одна двухпроводная цепь, по коВнторой передача сигналов в двух направлениях осущеВнствляется в разных спектрах частот. НаправВнляющие фильтры соответВнственно низких высоких частот служат для разделения спектров частот двух направлений передачи.
- В однополосной двухпроводной системе (рис. 7) для передачи сигналов в обоих направлениях по одной двухпроводной цепи используется одна и та же полоса тональных частот, следовательно, можно осуществить одну двухстороннюю передачу.
Разделение направлений передачи в оконечных и промежуточных усилительных пунктах осуществляется с помощью дифференциальных систем. В настоящее время эта система используется крайне редко, что обусловлено низкой устойчивостью усилителей двухстороннего действия.
Задание №5.
Пояснить принцип построения МСП с ВРК-ФИМ. Рассчитать возможное число каналов МСП, без ведения сигналов синхронизации при заданных начальных условиях:
Частота дискретизации
кГц.
Защитный интервал
мкс.
Решение:
- На рис. 8 приведена упрощенная структурная схема, иллюстрирующая принципы построения аппаратуры с временным разделением каналов и фазоимпульсной модуляцией.
- Рассмотрим назначение и функции ее узлов, пологая, что аппаратура предназначена для передачи телефонных сигналов.
Разговорные токи абоненВнтов через дифференциальные устройства, разделяюВнщие направления пеВнредачи и приема, попаВндают в ветвях передачи на фильтры нижних часВнтот. С выходов этих фильтров сигналы поВнступают на входы каВннальных амплитудно-имВнпульсных модуляторов, с помощью которых непрерывВнные речевые сигналы преобразуются в последовательности отсчетов. На модуляторы подаются так же управляющие импульсные последовательности тАУ импульсные переносчики, выраВнбатываемые ГО передачи. От ГИ импульсы поступают на распределитель имВнпульсов каналов РИК, с которого они в заданные моменты времени попадают на канальные модуляторы. Преобразователи АИМ-ФИМ осуществляют преобразоВнвание импульсных сигналов, модулированных по амплитуде, в сигналы, модулиВнрованные по фазе. Выходы всех канальных преобразователей АИМ-ФИМ объеВндиняются, и формируется групповой ФИМ сигнал.
С выхода приемного устройства ПР, групповой ФИМ сигнал поступает на канальные временные селекторы (ключи) КС, поочередно открывающиеся и пропускающие импульсы только к данному каналу. Далее осуществляется преобразование ФИМ-АИМ. Восстановление непрерывных сигналов осуществляется фильтрами нижних частот.
- На рис. 9 приведена последовательность импульсов цикла передачи.

- Из рис. 9 видно, что

Тогда при условии
получим:

Учитывая, что N тАУ наименьшее целое, число каналов в МСП составит 5.
Задание 6.
Пояснить принцип построения МСП с ВРК-ИКМ. Рассчитать тактовую частоту передачи символов в линейном тракте, если цикл разделен на N+2 равных временных интервала из которых N заняты кодовыми группами каналов, 2 тАУ служебной информацией, при заданных начальных условиях:
Частота дискретизации
кГц.
Число каналов
.
Число разрядов в кодовой группе
.
Решение:
- Упрощенная структурная схема МСП с ВРК приведена на рисунке 10.
- Аналоговый сигнал, приВншедший от абонента по двухВнпроводной линии, через дифВнференциальную систему попаВндает на фильтр нижних частот. Дискретизация осуществляВнется АИМ модуляторами, выходы котоВнрых запараллелены. Групповой АИМ сигнал поступает на кодер, где проходит его квантование и кодирование. В системе ВРК-ИКМ передача осуществляется циклами. Цикл передачи состоит из кодовых групп каналов, сигналов цикловой синхронизации, позволяющий отделить один цикл передачи от другого и осуществить тем самым временную селекцию сигналов, а также сигналов управления и взаимодействия АТС (СУВ). Работа всех блоков передающей части синхронизируется сигналами, вырабатываемыми блоком синхронизации БСпер. С выхода УО импульсы поступают на регенератор, где нормализуется их форма и устраняются фазовые флуктации т. е. случайные смещения от тактовых моментов. Перекодирование осуществляется в специальном устройстве согласования с линией УСЛ. С выхода УСЛ сигнал передается непосредственно в линейный тракт.
В приемной части системы сигнал преобразуется в обратной последовательности. Входные импульсы с линии после регенерации поступают на устройство разделения УР, где выделяются сигналы СУВ и информационные. Декодер служит для цифро-аналогового преобразования, в результате которого ИКМ сигнал превращается в АИМ сигнал. Разделение каналов осуществляется канальным селектором КС, а выделений первичного сигнала тАУ ФНЧ.
- Временные диаграммы, поясняющие принцип образования группового сигнала в системе ВРК ИКМ приведены на рис. 11. Где:
а) сигнал в 1-м канале;
б) сгнал во 2-м канале;
в) сигнал в n-м канале;
- г) групповой АИМ сигнал;
д) групповой ИКМ сигнал.
- Тактовая частота передачи символов в линейном тракте составляет:
![]()
Задание №7.
Пояснить принципы линейного кодирования при передачи сигналов ЦСП (одним из способов кодирования). Показать, на временных диаграммах, форму сигнала при разных способах кодирования с использованием: (согласно заданному варианту) тАУ попарно - избирательного троичного (ПИТ) кода.
Решение:
- Реальный сигнал на выходе формирователя импульсов МСП с ВРК представляет собой случайную последовательность однополярных импульсов, спектр которой характеризуется наличием постоянной составляющей на передаваемой по каналу связи в виду особенностей реализации последнего. Это, в свою очередь, приводит к возникновению искажений формы восстановленного сигнала, а кроме того, что крайне важно, приводит к увеличению трудностей формирования тактовой частоты и возрастанию числа ошибок регенерации.
Во избежании указанных недостатков, применяют дополнительное преобразование двоичного цифрового сигнала (линейное кодиование).
- Линейное кодирование на базе попарно - избирательного троичного (ПИТ) кода предполагает, что в процессе его формирования входной двоичный поток разбивается на пары символов и каждой такой паре ставится в соответствии пара троичных символов кода линии. Правило формирования ПИТ-кода определяется таблицей 1.
Таблица 1.
Двоичный код |
ПИТ-код |
Условие выбора |
00 |
- + |
|
11 |
+ - |
|
01 |
+ П |
Если предыдущая пара 01 или 10 была представлена через тАЩ- ПтАЩ или тАЩП -тАЩ |
- П |
Если предыдущая пара 01 или 10 была представлена через тАЩ+ПтАЩ или тАЩП+тАЩ |
|
10 |
П - |
Если предыдущая пара 01 или 10 была представлена через тАЩ+ПтАЩ или тАЩП+тАЩ |
П + |
Если предыдущая пара 01 или 10 была представлена через тАЩ- ПтАЩ или тАЩП -тАЩ |
- Согласно методическим указаниям, исходный цифровой сигнал примет вид:
![]()

Данному ИЦП соответствует временная диаграмма, рис 12.

Задание №8.
Пояснить принцип построения асинхронно адресных систем связи (ААСС). Рассчитать число возможных абонентов в сети при организации:
а) телефонной связи;
б) передачи данных, при заданных начальных условиях.
Допустимое число активных абонентов N = 100 + NпрNп =100 + 49 =149.
Коэффициент занятости:
![]()
![]()
Коэффициент активности:
![]()
Решение:
- Функциональная схема ААСС и временные диаграммы сигналов ААСС приведены на рис. 13, 14.
2 . Выходные сигналы, в частности речевые, подаются на входы импульсных модуляторов, где преобразуются в АИМ колебания, причем тактовые моменты дискретизации разных сигналов не совпадают, поскольку станции всех абонентов автономны и не синхронизированы. Модулированные импульсы поступают в устройство адресации, где каждый из них наделяется адресом. Адресом может быть, например, кодовая группа символов. В этом случае, устройство адресации представляет собой линию задержки (ЛЗ) с отводами. Каждому импульсу на входе ЛЗ соответствует группа импульсов на ее выходе. Число импульсов в группе зависит от числа используемых отводов лини. На рис.13, задействованы 4 отвода.
Взаимное расположение импульсов, характеризующее адрес абонента, определяется тем, с каких отводов ЛЗ берется выходной сигнал, т. е. сигналы речевых абонентов на выходе устройства адресации представляют собой асинхронные последовательности импульсов, несущие информацию, как об адресе абонента, так и о передаваемом сигнале.
Сигналы, с выхода устройства адресации, подаются на радиопередающее устройства и излучаются в открытое пространство.
На приемной стороне после усиления и преобразования в индивидуальном радиоприемном устройстве сигналы поступают в устройство дешифрации адреса. Дешифрация адреса заключается в определении взаимного расположения импульсов адреса и осуществляется так же с помощью ЛЗ с отводами.
- Адрес абонента формируется из элементов (обозначенных на рисунке 15а) заштрихованными квадратами, определяющими частоту заполнения и время передачи импульсов адреса. Примеры адресов приведены на рис. 15б. Видно, что адреса представляют собой группы радиоимпульсов, имеющие разные частоты заполнения и время передачи.
- Число возможных абонентов ААСС в общем случае определяется выражением:
![]()
а) при передачи телефонных сообщений:
![]()
б) при передаче данных:
![]()
5. Асинхронно адресные системы связи обладают очень важным свойством тАУ высокой живучестью. Это определяется тем, что ААСС не имеют центральной станции, выход которой из строя означает прекращение связи для всех абонентов. Такие свойства как гибкость и оперативность установления соединения, возможность обслуживания большого числа абонентов, эластичность, живучесть и в тоже время пониженное качество связи, обусловленное наличием шумов не ортогональности, определили применение ААСС в системах низовой радиосвязи, в системах связи с подвижными объектами и др. Качество связи в ААСС может быть повышено при использовании в них цифровых методов преобразования первичных сигналов. В этом случае ААСС находят применение, например, в спутниковых системах связи.
Вместе с этим смотрят:
Передача информацииПерспективы и развитие сельских АТС
По " onclick="return false">
Подключение по ISDN, высокоскоростное подключение по аналоговым каналам