Видеоусилитель
Московский ОРДЕНА ЛЕНИНА И ОРДЕНА ОКТЯБРЬСКОЙ РЕВОЛЮЦИИ Авиационный Институт имени СЕРГО ОРДЖОНИКИДЗЕ
(технический университет)
Кафедра 407
тАЬЭЛЕКТРОПРЕОБРАЗОВАТЕЛЬНЫЕ УСТРОЙСТВА РЭСтАЭ
Курсовая работа
на тему
Видеоусилитель |
Выполнил: |
студент группы 04-320 Гуренков Дмитрий |
Проверил: |
преподаватель ИгнатьевВаФ.ВаН. |
Москва 2002 год
Содержание
Задание. 3
Введение. 3
Расчет многокаскадного усилителя. 4
Расчет апериодических и импульсных усилителей. 5
Расчет "Y"-параметров транзистора. 7
Высокочастотная эмиттерная коррекция. 9
Низкочастотная коррекция цепочкой
. 10
Выбор и стабилизация режимов работы усилительных каскадов на транзисторах. 11
Расчет. 15
Расчет необходимого количества каскадов. 15
Расчет оконечного усилительного каскада. 16
Расчет Y-параметров. 16
Рассчитаем высокочастотную эмиттерную коррекцию. 17
Низкочастотна коррекция цепочкой
. 18
Стабилизация режима работы усилительного каскада. 18
Расчет предоконечных усилительных каскадов. 19
Рассчитаем высокочастотную эмиттерную коррекцию. 20
Низкочастотна коррекция цепочкой
. 20
Стабилизация режима работы усилительного каскада. 20
Эксплуатационные данные. 21
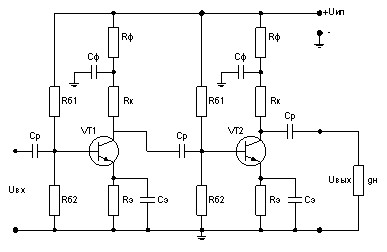
Видео усилитель. Принципиальная схема. 23
Перечень элементов. 24
Литература. 25
ЗаданиеРазработать принципиальную схему и рассчитать видеоусилитель со следующими характеристиками:
- коэффициент усиления по напряжению
; - длительность импульса
Вамкс; - относительный скол вершины импульса тАУ не более
; - относительная длительность фронта тАУ не более
; - сопротивление нагрузки усилителя
ВакОм; - емкость нагрузки усилителя -
ВапФ.
Усилитель тАУ это устройство, увеличивающее мощность сигнала. Увеличение мощности происходит за счет преобразования энергии источника питания в сигнал на заданной частоте. Функцию преобразователя выполняет активный прибор, управляемый входным сигналом. Таким образом, в усилителе относительно маломощный входной сигнал управляет передачей большой мощности на частоте сигнала от источника питания в нагрузку, причем выходной сигнал является непрерывной функцией входного. Сам механизм преобразования энергии источника питания в энергию сигнала зависит от физической природы активного прибора.
Существует большое количество различных видов усилителей по активному прибору, в частности: на трех активных полюсных приборах, на активных двухполюсных приборах, усилители на ЛБВ и ЛОВ. В зависимости от вида усиливаемого сигнала различают усилители непрерывных и импульсных сигналов. Усилители импульсов, не имеющих высокочастотного заполнения (видеоимпульсов), обычно относятся к видео усилителям, или точнее говоря к видео импульсным усилителям. Усиление низкочастотных непрерывных и импульсных (как в нашем случае) сигналов осуществляется апериодическими импульсными усилителями.
Будем рассматривать апериодический усилитель с емкостной связью на трех активном полюсном приборе. Основным свойством апериодического усилителя является отсутствие ярко выраженных резонансных явлений. Нагрузкой этого усилителя, как правило, является резистор. Расчеты усилительных устройств, обычно, выполняются покаскадно с дальнейшим нахождением параметров многокаскадных усилителей. Эффективность усиления можно оценить по величине коэффициента усиления. Различают коэффициенты усиления по напряжению, току и мощности. Основным, обычно, считается коэффициент усиления по напряжению:
, который далее будет именоваться просто коэффициентом усиления
без индекса ВлUВ». Коэффициенты усиления являются комплексными величинами. Модуль коэффициента усиления определяет соотношение входной и выходной амплитуд, на данной частоте.
В качестве принципиальной схемы усилителя выберем схему, состоящую из N каскадов на однотипных, активных приборах с одинаковыми параметрами. В таком случае общий коэффициент усиления будет находиться как произведение коэффициентов усиления каждого из каскадов.
Выберем схему включения активного прибора:
- Схема включения с общей базой (ОБ) обладает сравнительно малым, входным и большим выходным сопротивлением, но имеет малую зависимость параметров от температуры и более равномерную частотную характеристику. В схеме с ОБ достигаются максимальные значения коллекторного напряжения, что важно при использовании мощных транзисторов.
- Схема включения с общим эмиттером (ОЭ) обладает наибольшим усилением по мощности, что уменьшает количество каскадов в схеме, но неравномерная частотная характеристика, большая зависимость параметров от температуры и меньшее максимальное коллекторное напряжение снижают преимущества этой схемы. Входные и выходные сопротивления усилителя на транзисторах, включенных в схему с ОЭ отличаются меньше, чем в схеме с ОБ, что облегчает построение многокаскадных усилителей.
- Схема включения с общим коллектором (ОК) обладает большим входным и малым выходным сопротивлением. Это свойство находит применение в согласующих каскадах (эмиттерный повторитель). Частотная характеристика схожа с частотной характеристикой включения с ОЭ.
Как видно из приведенных выше характеристик различных включений, схема с ОЭ по большинству показателей занимает промежуточное положение между схемами ОБ и ОК. В то же время она обладает максимальным усилением по мощности и удобна в использовании в много каскадных усилителях. Именно по этому она считается наиболее универсальной.
Как следует из вышесказанного, в качестве схемы включения нашего активного прибора будем использовать схему с общим эмиттером.
Активными основными приборами современных усилительных устройств являются биполярные и полевые транзисторы. В качестве активного прибора будем использовать биполярный транзистор.
Расчет многокаскадного усилителяКак правило, усилительные устройства являются многокаскадными, так как с помощью одного каскада обычно не удается обеспечить необходимое усиление. Основное усиление по напряжению обеспечивается в каскадах предварительного усиления. Из них обычно выделяют входной каскад, схема которого зависит от требований по сопряжению с источником сигнала, допустимому дрейфу нуля и т.п. Спецификой выходного каскада является обеспечение заданной мощности или амплитуды выходного сигнала, ограничения по допустимому уровню искажений, работа на низкоомную нагрузку и т.д. Предоконечный каскад также может иметь специфические особенности, связанные с условием работы выходного каскада, например, с требованием обеспечить на его входе значительную мощность сигнала.
При построении широкополосных усилителей на биполярных транзисторах основное внимание уделяют их частотным свойствам, позволяющим при заданном коэффициенте усиления одного каскада в области средних частот
обеспечить требуемую верхнюю граничную частоту
, а, следовательно, и площадь усилителя одного каскада
. (1.1)
Если многокаскадный усилитель с верхней граничной частотой
содержит
одинаковых каскадов, а искажения на верхних частотах распределены между каскадами равномерно, то связь между
и
устанавливается соотношением
, (1.2)
где
- функция, учитывающая уменьшение
с ростом числа каскадов.
Если отдельные однотипные каскады развязаны между собой по постоянному току, что приводит к искажения в области нижних частот, то нижняя граничная частота одного каскада
связана с
всего усилителя соотношением
. (1.3)
Общий коэффициент усиления N-каскадного усилителя с учетом (1.1) и (1.2)
. (1.4)
Максимальная площадь усиления дифференциального каскада или каскада с общим эмиттером на биполярном транзисторе может быть оценена по формуле
, (1.5)
где высокочастотный параметр
определяется паспортными параметрами транзистора.
Если заданы
и
, то, используя выражение (1.4) и ориентируясь на максимальную площадь усилителя
, можно оценить необходимое количество каскадов усилителя, подобрав
, удовлетворяющее условию:
. (1.6)
Полутора кратный запас по усилению учитывает, в частности, потери сигнала во входной цепи усилителя. Коэффициент
следует брать
- для простейших резистивных каскадов;
- для случая применения во всех каскадах высокочастотной коррекции. Последнее позволяет ослабить требования к частотным свойствам транзистора и обеспечить необходимый коэффициент усиления и заданную полосу пропускания меньшим числом каскадов.
В импульсных усилителях основное внимание уделяется переходным искажениям, в частности, времени установления усилителя
. Для усилителя из
однотипных каскадов
связано с требуемым временем установления
каждого из каскадов соотношением
. (1.7)
Формула (1.7) справедлива, если величина относительного выброса на один каскад не превышает критического
.
Поскольку усилитель обычно содержит один или несколько одинаковых предварительных каскадов, а также выходной каскад и входную цепь с временем установления соответственно
и
, то общее время установления
.
Величина общего относительного скалывания и времени запаздывания N-каскадного усилителя определяется соответствующими параметрами каждого каскада и оценивается по формуле
;
. (1.8)
Усиление низкочастотных и импульсных сигналов осуществляется апериодическими усилителями. Типовая схема двухкаскадного резистивного усилителя представлена на Рисунок 1.

Рисунок 1
Элементы усилительного каскада выполняют следующие функции:
,
,
обеспечивают выбранное положение рабочей точки (РТ) и температурную стабилизацию транзистора;
,
осуществляют развязку каскада в диапазоне усиливаемых частот и повышают устойчивость работы усилителя;
разделяет усилительные каскады по постоянному току;
является коллекторной нагрузкой транзистора;
устраняет отрицательную обратную связь по переменному току;
проводимость потребителя.
При условии слабых сигналов, когда выходное напряжение
существенно меньше напряжения
, можно считать, что каскад работает в линейном режиме. В этом случае расчет усилителя сводится к следующему.
Исходными данными для оконечных усилительных каскадов непрерывных сигналов являются:
- коэффициент усиления;
и
- верхняя и нижняя граничные частоты;
и
- уровень линейных искажений на частотах
и
;
и
- проводимость и сопротивление потребителя;
- выходное напряжение.
Расчет производится в следующей последовательности.
- Выбирают тип биполярного транзистора, позволяющего реализовать требуемый коэффициент усиления и полосу пропускания при заданных частотных искажениях:
, (2.1)
где
,
.
Определяют параметры транзистора
,
,
,
,
,
и
на средней частоте усиления.
- Находят нагрузочную коллекторную проводимость
для обеспечения заданного усиления и полосы пропускания:
, (2.2)
, (2.3)
. (2.4)
- Вычисляют входную проводимость и емкость усилительного каскада.
(2.5)
(2.6)
- Разделительную емкость
определяют по заданным искажениям
на нижней граничной частоте:
, (2.7)
где
.
- И наконец находят емкость
:
. (2.8)
При расчете усилителей импульсных сигналов с длительностью
задаются обычно временем установления фронта импульса
и его скалыванием
. В этом случае элементы схемы
и
находятся из соотношений (2.3) и (2.7):
, (2.9)
. (2.10)
Особенность расчета промежуточных каскадов заключается в том, что их потребителем является последующий усилитель, входная проводимость
и емкость
которого находятся с помощью выражений (2.5) и (2.6).
При решении ряда задач возникает необходимость усиливать сигналы в широкой полосе частот, и, если полоса пропускания обычного апериодического усилителя оказывается недостаточной, ее стараются расширить, используя ВЧ- и НЧ-коррекции. Частотная коррекция обычно осуществляется одним из двух методов:
- введением в цепь коллекторной (стоковой) нагрузки частотно-зависимых элементов (L-коррекция в области ВЧ и цепочка
- в области НЧ); - использованием частотно-зависимой отрицательной обратной связи (ООС) (эмиттерная коррекция в области ВЧ).
Основными активными приборами усилительных устройств радиочастотного диапазона являются биполярные и полевые транзисторы. Расчет характеристик усилителей умеренно высоких частот удобно проводить по Y-параметрам транзисторов, определенным для выбранной рабочей точки (РТ) по постоянному ток и схемы включения (ОЭ, ОБ, ОК, ОИ, ОЗ, ОС).
В инженерной практике широко используется физическая эквивалентная схема биполярного транзистора, представленная на Рисунок 2, которая достаточно точно отражает его свойства в частотном диапазоне до
, где
- граничная частота усиления тока базы в схеме с общим эмиттером (ОЭ).

Рисунок 2
Рассчитывают элементы эквивалентной схемы и Y-параметры биполярного транзистора по справочным данным, где для типового режима работы (заданной РТ) обычно приводятся следующие электрические параметры:
- постоянное напряжение коллектор-эмиттер;
- постоянный ток коллектора;
- статический коэффициент усиления тока базы в схеме с ОЭ.
- модуль коэффициента усиления тока базы на частоте
или
.
- постоянная времени цепи обратной связи
, где
- технологический параметр, лежащий в пределах 3тАж4 для мезатранзисторов и 4тАж10 для планарных;
- емкость коллекторного перехода.
Элементы эквивалентной схемы определяется с помощью следующих соотношений.
Дифференциальное сопротивление эмиттерного перехода
:
. (3.1)
Параметр
, характеризующий активность транзисторов:
.
Сопротивление растекания базы
:
. (3.2)
Дифференциальное сопротивление эмиттерного перехода
:
. (3.3)
Емкость эмиттерного перехода
:
. (3.4)
Собственная постоянная времени транзистора
:
. (3.5)
Для удобства часто пользуются расчетами активных и реактивных составляющих проводимостей по формулам, максимально использующим данные транзисторов. При этом предварительно вычисляют входное сопротивление в схеме ОБ на низкой частоте:
, (3.6)
и граничную частоту по крутизне
. (3.7)
Вводя обозначения
и
, расчет Y-параметров ведут по следующим формулам:
,
; (3.8)
; (3.9)
,
; (3.10)
; (3.11)
,
; (3.12)
; (3.13)
,
; (3.14)
. (3.15)
В некоторых случаях использование индуктивной коррекции оказывается неудобным. Так, в частности, при микросхемном исполнении усилителя затруднительно реализовывать корректирующую катушку
. В этом случае целесообразно воспользоваться схемой с частотно-зависимой ООС (Рисунок 3).

Рисунок 3
В этой схеме роль частотно-зависимой цепи выполняют элементы
и
. Величина емкости
обычно выбирается таким образом, чтобы в диапазоне НЧ и i она мало шунтировала резистор
. При этом за счет
на НЧ и i образуется ООС по току. В области ВЧ из-за уменьшения сопротивления цепи
,
действие ООС ослабевает, что приводит к подъему усиления на ВЧ.
Модуль коэффициента передачи схемы Рисунок 3 в области ВЧ описывается выражением:
, (4.1)
где
- постоянная времени в области ВЧ каскада без коррекции;
- постоянная времени цепи эмиттерной коррекции:
; (4.2)
- глубина ООС:
.
Для получения максимально широкой и плоской АЧХ при
постоянную времени цепи коррекции необходимо выбирать из условия:
. (4.3)
При этом верхняя граничная частота:
. (4.4)
Из выражений (4.2) и (4.4) следует, что расширение полосы пропускания осуществляется за счет уменьшения коэффициента усиления. Это означает, что площадь усиления каскада с эмиттерной коррекцией остается постоянной.
Расчет схемы производится следующим образом.
- Задают значения коэффициента усиления
и частота
, которые должны обеспечивать рассчитываемый каскад, параметры нагрузки
,
и параметры транзистора
,
,
. - Определяют эквивалентную емкость
:
.
- Рассчитывают необходимое значение глубины ООС:
. (4.5)
- Находят необходимое значение коллекторного сопротивления:
(4.6)
- Рассчитывают элементы цепи коррекции:
; (4.7)
. (4.8)
- Сопротивление
, шунтируемое емкостью большого номинала
, выбирается таким образом, чтобы суммарное сопротивление
было равно сопротивлению
рассчитываемому исходя из требований термостабилизации рабочей точки.
Осуществить коррекцию АЧХ в области НЧ можно путем соответствующего выбора элементов фильтра
,
(см. Рисунок 1). Емкость конденсатора
выбирается таким образом, чтобы он шунтировал
только в областях i и ВЧ. В области НЧ шунтирующее действие конденсатора
уменьшается, что приводит к возрастанию сопротивления коллекторной цепи и уменьшению нижней граничной частоты каскада.
С учетом влияния цепи
,
коэффициент передачи в области НЧ описывается выражением
, (5.1)
где
- постоянная времени фильтра;
- постоянная времени в области НЧ каскада без коррекции:
. (5.2)
Максимальное расширение полосы пропускания в области НЧ достигается при выборе
из условия:
. (5.3)
В этом случае нижняя граничная частота уменьшается в
раз:
. (5.4)
Расчет каскада с НЧ коррекцией осуществляют в такой последовательности.
- Задаются требуемыми значениями коэффициента усиления
и нижней граничной частоты
, крутизной транзистора
, емкостью разделительного конденсатора
и сопротивлением нагрузки
. - Определяют, по необходимости, значение коллекторного сопротивления

- В соответствии (5.2) определяют постоянную времени
каскада без коррекции. - Находят необходимые для осуществления коррекции значения
и
:
; (5.5)
. (5.6)
Усилитель с НЧ-коррекцией позволяет улучшить воспроизведение плоской вершины импульса. При оптимальном выборе параметров фильтра, скола вершины уменьшается в
раз.
Режим работы усилительного каскада по постоянному току определяется исходным положение рабочей точки (РТ) активного элемента. Это положение задается в биполярном транзисторе (БТ) током коллектора
и напряжением коллектор-эмиттер
.
Выбор РТ активного прибора в усилителях больших сигналов (когда
и
) производят по статистическим вольтамперным характеристикам (ВАХ) прибора, ориентируясь на получение необходимого усиления и допустимых нелинейных искажений усилительного сигнала. При выборе РТ активного прибора в усилителях малых сигналов (
и
) можно ориентироваться на следующие рекомендации [3].
Значения тока
и напряжения
выбирают, главным образом для получения определенных усилительных параметров, обеспечения экономичного потребления энергии источника питания и стабильности режима работы. Увеличение
улучшает усилительные свойства транзистора, но при этом растут входная и проходная проводимость усилительного прибора, а также энергопотребление каскада. Большие значения
желательны с точки зрения уменьшения влияния дестабилизирующих факторов. Следует выполнять условия
, где
- неуправляемый ток перехода коллектор-база. Если к усилителю не предъявляется специальных требований, то обычно выбирают
ВамА.
Увеличение
улучшает частотные свойства каскада, так как при этом уменьшаются емкость
-переходов и, в первую очередь, проходные емкости
. Но при большом
, приближающимся к предельно допустимым, возрастает вероятность пробоя
-переходов. Малые величины напряжений нежелательны из-за потери транзистором усилительных свойств и роста нелинейных искажений, входной, выходной и проходной проводимостей. Рекомендуется брать
ВаВ.
Положение рабочей точки, следовательно, и параметры полупроводниковых приборов, в значительной степени зависят от температуры окружающей среды. Изменения исходного положения рабочей точки оценивают коэффициентом нестабильности тока коллектора
в заданном диапазоне температур
. Считается приемлемым, если
.
В биполярных транзисторах
тока коллектора связаны с изменениями
неуправляемого тока перехода коллектор-база, со сдвигом
входных характеристик транзистора и с зависимостью от температуры коэффициента передачи тока в схеме с общей базой
(или в схеме с общим эмиттером
).
Величины
и
определяются следующими соотношениями [4]:
; (6.1)
, (6.2)
где
- справочное значение неуправляемого тока перехода коллектор-база при определенной температуре
(обычно, если не указывается другая,
);
- коэффициент, зависящий от материала транзистора (для германия
, для кремния
);
,
, где
- верхняя,
- нижняя границы заданного температурного диапазона;
- коэффициент температурного сдвига входных характеристик. Значения
определяются с помощью приводимых в справочниках зависимостей коэффициента
от температуры.
Температурная стабилизация РТ активного прибора в усилительном каскаде обеспечивается глубокой обратной связью по постоянному току или применением специальных термокомпенсирующих элементов. Наибольшее распространение получили методы температурной стабилизации, основанные на использовании отрицательных обратных связей, так как при этом одновременно достигается уменьшение чувствительности каскадов к технологическому разбросу параметров транзисторов.

Рисунок 4
Для установки и стабилизации режима работы по постоянному току усилительных каскадов на дискретных биполярных транзисторах наибольшее распространение получила схема, приведенная на Рисунок 4. Резистор
обеспечивает отрицательную обратную связь по току и служит для стабилизации выходного тока. Делитель напряжения источника питания
, образованный резисторами
и
создает необходимое напряжение на базе транзистора. Разность потенциалов базы и эмиттера (последний определяется падением напряжения на
) определяет смещение
на входном переходе транзистора, задавая его РТ. Работа схемы стабилизации заключается в следующем. При возрастании температуры ток эмиттера возрастает, соответственно увеличивается падение напряжения на резисторе
, т.е. увеличивается потенциал эмиттера. Поскольку потенциал базы выше потенциала эмиттера, смещение перехода база-эмиттер уменьшается, транзистор подзакрывается и в результате увеличение и тока коллектора оказывается существенно меньше, чем оно было бы в отсутствие обратной связи. Аналогично схема работает и при уменьшении температуры, только все приращения имеют обратный знак. Емкость
, включенная параллельно
, обеспечивает замыкание переменной составляющей тока эмиттера на землю, минуя
, и тем самым предотвращает возникновение отрицательной обратной связи по переменному току, уменьшающей усиление каскада.
Расчет каскада обычно начинается с выбора транзистора и его рабочей точки, исходя из требований к электрическим показателям каскада. Зная возможный перепад температуры и параметры транзистора, определяют значение дестабилизирующих факторов
,
,
. Затем, зная требования к стабильности или, задавшись ими, рассчитывают параметры вспомогательных цепей каскада. Предполагается, что перед этим был проведен расчет каскада на переменном токе.
Для расчета значения сопротивления
, обеспечивающего требуемую глубину обратной связи в схеме Рисунок 4, необходимо знать температурную зависимость
. Однако она редко приводится в справочниках. Выход из этой ситуации заключается в том, что, как показывает практический опыт, инвариантность усилительного каскада на БТ к изменениям
достигается при выборе напряжения на эмиттере из условия
. Это позволяет рассчитать минимальное значение напряжения питания
и определить величину
.
Расчет проводится по следующим формулам:
, (6.3)
где
- сопротивление по постоянному току в цепи коллекторного тока за вычетом
.
- сопротивление фильтра по цепи питания (см. Низкочастотная коррекция цепочкой
.).
Полученное из (6.3) значение
ориентировочное, его следует уточнить, исходя из заданного
или взяв стандартное значение. Это потребует уточнения значения
, что может быть сделано по следующей формуле:
. (6.4)
Тогда
. (6.5)
Глубокая отрицательная обратная связь по постоянному току практически устраняет температурную нестабильность каскада из-за изменения
. Влияние двух оставшихся дестабилизирующих факторов, как показывает анализ, зависит от величины сопротивления
, а, следовательно, от тока делителя напряжения. Причем увеличение
ведет к снижению влияния смещения входных характеристик, а уменьшение
- приводит к снижению влияния изменений неуправляемого тока перехода коллектор-база. Ток базового делителя
(см. Рисунок 4), обеспечивающий требуемую стабильность каскада, может быть найден по следующей формуле:
. (6.6)
Для хорошей фиксации потенциала базы желательно обеспечивать
.
В (6.6) знаменатель может получиться отрицательным, что свидетельствует о недостижимости требуемой стабильности при заданных условиях. Тогда необходимо увеличить
, пересчитав при этом
и
.
Сопротивления
и
рассчитываются следующим образом:
; (6.7)
, (6.8)
где
,
- положение РТ на входной ВАХ транзистора.
При необходимости можно взять
для кремниевого транзисторов, а
оценить по формуле
. При выборе
следует учитывать, что его увеличение снижает экономичность каскада и уменьшает входное сопротивление. Поэтому желательно, чтобы выполнялось условие
, где
- входная проводимость транзистора в рабочей точке.
Получаемая абсолютная нестабильность тока коллектора может быть оценена по следующей формуле:
, (6.9)
где
- сопротивление току растекания базы транзистора.

Рисунок 5
Все расчеты и вычисления проводились на ЭВМ, поэтому при решении неравенств выбирались значения с умыслом.
Рассчитаем необходимую полосу пропускания усилителя для формирования данного импульса.
Время фронта (установления)
и верхняя граничная частота
апериодического усилителя связаны между собой соотношением
, отсюда получаем:
Ва[Гц].
А нижняя граничная частота
связана со сколом
выражением
, отсюда получим:
Ва[Гц].
Нетрудно заметить, что транзистор нужен ВЧ, поэтому возьмем транзистор с данными характеристиками (см. Таблица 1):
Таблица 1
Тип транзистора |
Технология изготовления |
|
|
|
|
|
|
|
|
|
КТ399А |
эп.Вапл.1 |
40 |
1 |
5 |
0,5 |
тАФ |
2600 |
1,03 |
5 |
4 |
Сопротивление растекания базы
(3.2) при технологическом параметре
:
Ва[Ом].
Высокочастотный параметр:
![]()
Максимальную площадь усиления дифференциального каскада оценим по (1.5):
,
- функция, учитывающая уменьшение
с ростом числа каскадов, возьмем
.
.
Определим ориентировочное число каскадов усилителя по (1.6), при
- для случая с высокочастотной коррекцией:
.
Согласно выражению (1.2) верхняя граничная частота каждого каскада:
Ва[Гц].
Согласно выражению (1.3) нижняя граничная частота каждого каскада:
Ва[Гц].
Коэффициент усиления каждого каскада (1.4) и требуемая площадь усиления (1.1):
![]()
.
Исходные данные:
- Коэффициент усиления
; - Верхняя и нижняя граничные частоты
ВаГц,
ВаГц; - Уровень линейных искажений на частотах
и
-
и
равны
; - Сопротивление потребителя
ВаОм.
Еще раз проверяем выбранный транзистор на пригодность, реализовать требуемый коэффициент усиления и полосу пропускания при запанных частотных искажениях, по неравенству (2.1):

По выражению (3.1) определим дифференциальное сопротивление эмиттерного перехода
, причем
:
Ва[Ом].
Дифференциальное сопротивление эмиттерного перехода
(3.3):
Ва[Ом].
Емкость эмиттерного перехода
(3.4):
Ва[Ф].
Собственная постоянная времени транзистора
(3.5):
Ва[с].
![]()
![]()
Определяют параметры транзистора
,
,
,
,
,
и
на средней частоте усиления, хотя правильнее будет рассчитать на верхней частоте
ВаГц.
Входное сопротивление в схеме ОБ на низкой частоте (3.6):
Ва[Ом],
граничная частота по крутизне (3.7):
Ва[Гц],
и
,
А теперь и сами Y-параметры (3.8) тАУ (3.15):
Ва[См],
Ва[См],
Ва[Ф];
Ва[См],
Ва[См],
Ва[Ф];
Ва[См],
Ва[См],
Ва[А/В];
Причем
, тогда ![]()
Ва[А/В].
Ва[См],
Ва[См],
Ва[Ф].
Оценим нагрузочную коллекторную проводимость
для обеспечения заданного усиления и полосы пропускания (2.2) тАУ (2.4):
Ва[См],
Ва[См],
,
.
Входная проводимость (2.5) и емкость (2.6) усилительного каскада.
Ва[См],
Ва[Ф].
Определяем эквивалентную емкость
, пусть монтажная емкость равна
Ва[пФ]:
Ва[Ф].
Рассчитаем необходимое значение глубины ООС (4.5):
.
Находим необходимое значение коллекторного сопротивления (4.6):
Ва[Ом].
Рассчитаем элементы цепи коррекции (4.7) тАУ (4.8):
Ва[Ом];
Ва[Ф].
Разделительную емкость
(2.7) определим по заданным искажениям
на нижней граничной частоте:
,
Ва[Ф].
Пусть разделительная емкость будет равна
[Ф].
В соответствии (5.2) определяем постоянную времени
каскада без коррекции:
Ва[с].
Находим необходимые для осуществления коррекции значения
и
(5.5) тАУ (5.6), при
несколько меньшей заданного, пусть
Ва[с-1]:
Ва[Ом];
[Ф].
Исходные данные:
- средняя температура
Ва0С; - коэффициент
; - верхняя граница заданного температурного диапазона
Ва0С; - нижняя граница заданного температурного диапазона
Ва0С; - коэффициент температурного сдвига входных характеристик
ВаВ/град.
Ва0С,
Ва0С.
Определим следующие величины
(6.1) и
(6.2):
Ва[А];
Ва[В].
Рассчитаем минимальное значение напряжения питания
(6.3):
Сопротивление по постоянному току в цепи коллекторного тока за вычетом ![]()
Ва[Ом],
Ва[В].
Теперь, уточним значение источника питания
. Пусть
Ва[В].
А также уточним значение
(6.4):
Ва[В].
Определим величину
(6.5):
Ва[Ом].
Ток базового делителя
(6.6):
Ва[А].
Оценим
как
Ва[А].
Для выполнения условия
, пусть
Ва[А].
Рассчитаем сопротивления
(6.7) и
(6.8), взяв
:
Ва[Ом];
Ва[Ом].
Проверим выполнение условие
:
Ва[Ом],
Ва[Ом],
соответственно
.
Оценим абсолютную нестабильность тока коллектора (6.9):
Ва[А],
Коэффициент нестабильности тока коллектора
получаем таким:
,
что не более оговоренного 0,1.
Определим сопротивление
, описанное в разделе высокочастотной коррекции:
Ва[Ом].
Оценим емкость
(2.8):
Ва[Ф].
Оценим необходимость в эмиттерном повторителе между оконечным каскадом и нагрузкой, выражением
(2.2), при верхней частоте
ВаГц:
.
Нетрудно заметить, что неравенство верно, а, следовательно, согласовывающий каскад можно не ставить
Расчет предоконечных усилительных каскадовИсходные данные те же, что и для оконечного каскада, кроме:
,
Ва[Ом] и
Ва[Ф].
Y-параметры остаются тоже те же, так как транзистор берем тот же КТ399А.
Оценим нагрузочную коллекторную проводимость
для обеспечения заданного усиления и полосы пропускания (2.2) тАУ (2.4):
Ва[См],
Ва[См],
,
.
Входная проводимость
и емкость
усилительного каскада остаются такие же, как и для оконечного каскада.
Определяем эквивалентную емкость
, пусть монтажная емкость равна
Ва[пФ]:
Ва[Ф].
Рассчитаем необходимое значение глубины ООС (4.5):
.
Находим необходимое значение коллекторного сопротивления (4.6):
Ва[Ом].
Рассчитаем элементы цепи коррекции (4.7) тАУ (4.8):
Ва[Ом];
Ва[Ф].
Разделительную емкость
(2.7) определим по заданным искажениям
на нижней граничной частоте:
,
Ва[Ф].
Пусть разделительная емкость будет равна
[Ф].
В соответствии (5.2) определяем постоянную времени
каскада без коррекции:
Ва[с].
Находим необходимые для осуществления коррекции значения
и
(5.5) тАУ (5.6), при
несколько меньшей заданного, пусть
Ва[с-1]:
Ва[Ом];
[Ф].
Исходные данные те же, что и для оконечного каскада.
Рассчитаем минимальное значение напряжения питания
(6.3):
Сопротивление по постоянному току в цепи коллекторного тока за вычетом ![]()
Ва[Ом],
Ва[В].
Теперь, уточним значение источника питания
. Пусть
Ва[В].
А также уточним значение
(6.4):
Ва[В].
Определим величину
(6.5):
Ва[Ом].
Ток базового делителя
(6.6):
Ва[А].
Оценим
как
Ва[А].
Для выполнения условия
, пусть
Ва[А].
Рассчитаем сопротивления
(6.7) и
(6.8), взяв
:
Ва[Ом];
Ва[Ом].
Проверим выполнение условие
:
Ва[Ом],
Ва[Ом],
соответственно
.
Оценим абсолютную нестабильность тока коллектора (6.9):
Ва[А],
Коэффициент нестабильности тока коллектора
получаем таким:
,
что не более оговоренного 0,1.
Определим сопротивление
, описанное в разделе высокочастотной коррекции:
Ва[Ом].
Оценим емкость
(2.8):
Ва[Ф].
Оценим необходимость в эмиттерном повторителе между оконечным каскадом и нагрузкой, выражением
(2.2), при верхней частоте
ВаГц:
.
Нетрудно заметить, что неравенство верно, а, следовательно, согласовывающий каскад можно не ставить.
Эксплуатационные данные- Источник питания на 9 В;
- Верхняя граница температурного диапазона
Ва0С; - Нижняя граница температурного диапазона
Ва0С; - Входной сигнал не более 5ВамВ.
- Остальные характеристики соответствуют ТЗ.

Поз. Обозначение |
Наименование |
Кол. |
Примечание |
Конденсаторы |
|||
ТУ |
|||
C1, C5, C9, |
К10-17Б-Н50-0,1мкФ ±5% |
5 |
|
C13, C17 |
|||
C2, C6, |
К50-29-25В-10мкФ-В ±5% |
4 |
|
C10, C14 |
|||
C3, C7, |
К10-17Б-Н47-100пФ-В ±5% |
4 |
|
C11, C15 |
|||
C4, C8, |
К50-29-16В-47мкФ-В ±5% |
4 |
|
C12, C16 |
|||
C18 |
К50-29-16В-22мкФ-В ±5% |
1 |
|
C19 |
К10-17Б-Н1500-220пФ ±5% |
1 |
|
C20 |
К50-29-16В-47мкФ-В ±5% |
1 |
|
C21 |
К10-17Б-Н50-0,1мкФ ±5% |
1 |
|
Резисторы |
|||
ТУ |
|||
R1, R7, |
С2-23-0,062-750 Ом ±5% |
4 |
|
R13, R19 |
|||
R2, R8, |
С2-23-0,062-13 кОм ±5% |
4 |
|
R14, R20 |
|||
R3, R9, |
С2-33-0,125-1,2 Ом ±5% |
4 |
|
R15, R21 |
|||
R4, R10, |
С2-33-0,125-51 Ом ±5% |
4 |
|
R16, R22 |
|||
R5, R11, |
С2-33-0,125-8,2 Ом ±5% |
4 |
|
R17, R23 |
|||
R6, R12, |
С2-23-0,062-1,5 кОм ±5% |
4 |
|
R18, R24 |
|||
R25 |
С2-23-0,062-560 Ом ±5% |
1 |
|
R26 |
С2-23-0,062-13 кОм ±5% |
1 |
|
R27 |
С5-14В-0,125-0,51 Ом ±1% |
1 |
|
R28 |
С2-33-0,125-24 Ом ±5% |
1 |
|
R29 |
С2-33-0,125-2,5 Ом ±5% |
1 |
|
R30 |
С2-23-0,062-1,5 кОм ±5% |
1 |
|
Транзисторы |
|||
VT1 ÷ VT5 |
КТ339А |
5 |
|
- "Расчет усилительных устройств". Учебное пособие к практическим занятиям / Под редакцией Ю.ВаТ.ВаДавыдова. тАУ М.: МАИ, 1993.
- "Усилители, радиоприемные устройства". Учебное пособие к лабораторным работам / Под редакцией проф. А.ВаС.ВаПротопопова. тАУ М.: МАИ, 1996.
- Проектирование усилительных устройств / Под редакцией Н.ВаВ.ВаТерпугова. тАУ М.: Высшая школа, 1982.
- МамонкинВаИ.ВаГ. Усилительные устройства. тАУ М.: Радио и связь, 1989.
1 Эпитаксиально-планарная технология.
Вместе с этим смотрят:
Виды модуляций радиосигналаВлияние гистерезиса и вихревых токов на ток катушки с ферромагнитным сердечником
Волоконно-оптические датчики
Волоконно-оптические линии связи