Усилители постоянного тока
ОГЛАВЛЕНИЕ
ВВЕДЕНИЕ 3
1. ДРЕЙФ НУЛЯ УСИЛИТЕЛЯ 4
2. ОДНОТАКТНЫЕ УСИЛИТЕЛИ ПРЯМОГО УСИЛЕНИЯ 5
3. УСИЛИТЕЛИ С ПРЕОБРАЗОВАНИЕМ 8
4. ДИФФЕРЕНЦИАЛЬНЫЕ УСИЛИТЕЛИ 12
5. СХЕМЫ ВКЛЮЧЕНИЯ ДИФФЕРЕНЦИАЛЬНОГО УСИЛИТЕЛЯ 15
6. КОЭФФИЦИЕНТ ОСЛАБЛЕНИЯ СИНФАЗНОГО СИГНАЛА 18
7. РАЗНОВИДНОСТИ ДИФФЕРЕНЦИАЛЬНЫХ УСИЛИТЕЛЕЙ 20
8. ТОЧНОСТНЫЕ ПАРАМЕТРЫ 23
9. Литература 26
ВВЕДЕНИЕУсилителями постоянного тока (УПТ) называются устройства, предназначенные для усиления медленно изменяющихся сигналов вплоть до нулевой частоты. На рис. 1 приведена АЧХ для усилителя постоянного тока. Отличительной особенностью УПТ является отсутствие разделительных элементов, предназначенных для отделения усилительных каскадов друг от друга, а также от источника сигнала и нагрузки по постоянному току.
Таким образом, для осуществления передачи сигналов частот, близких к нулю, в УПТ используется непосредственная (гальваниВнческая) связь. Непосредственная связь может быть использована и в обычных усилителях переменного тока с целью уменьшения числа элементов, простоты реализации в интегральном исполнеВннии, стабильности смещения и т. д. Однако такая связь вносит в усилиВнтель ряд специфических особенностей, заВнтрудняющих как его выполнение, так и экВнсплуатацию. Хорошо передавая медленные изменения сигнала, непосредственная связь затрудняет установку нужного режима покоя для каждого каскада и обусловливает нестабильность их работы.

При разработке УПТ приходится решать две основные проблемы: согласование потенциальных уровней в соседних каскадах и уменьшение дрейфа (нестабильности) выходного уровня напряжения или тока.
- ДРЕЙФ НУЛЯ УСИЛИТЕЛЯ
Применение усилительных каскадов в УПТ ограничивается дрейВнфом нуля. Дрейфом нуля (нулевого уровня) называется самопроизВнвольное отклонение напряжения или тока на выходе усилителя от начального значения. Этот эффект наблюдается и при отсутствии сигнала на входе. Поскольку дрейф нуля проявляется таким образом, как будто он вызван входным сигналом УПТ, то его невозможно отличить от истинного сигнала. Существует достаточно много физических причин, обусловливаВнющих наличие дрейфа нуля в УПТ. К ним относятся нестабильВнности источников питания, температурная и временная нестабильВнности параметров транзисторов и резисторов, низкочастотные шумы, помехи и наводки. Среди перечисленных причин наибольВншую нестабильность вносят изменения температуры, вызывающие дрейф. Этот дрейф обусловлен теми же причинами, что и неВнстабильность тока коллектора усилителя в режиме покоя изменениями Iкбо, Uбэ0 и B. Поскольку температурные изменения этих параметров имеют закономерный характер, то в некоторой степени могут быть скомпенсированы. Так, для уменьшения абсолютного дрейфа нуля УПТ необходимо уменьВншать коэффициент нестабильности Sнс.
Абсолютным дрейфом нуля
, называется максимальное самопроизвольное отклонение выходного напряжения УПТ при замкнутом входе за определенный промежуток времени. Качество УПТ обычно оценивают по напряжению дрейфа нуля, приведенВнного ко входу усилителя: едр=
. Приведенный ко входу усилителя дрейф нуля не зависит от коэффициента усиления по напряжению и. эквивалентен ложному входному сигналу. Величина едр ограничивает минимальный входной сигнал, т. е. определяет чувствительность усилителя.
В усилителях переменного тока, естественно, тоже имеет место дрейф нуля, но так как их каскады отделены друг от друга разделительными элементами (например, конденсаторами), то этот низкочастотный дрейф не передается из предыдущего каскада в последующий и не усиливается им. Поэтому в таких усилителях (рассмотренных в предыдущих главах) дрейф нуля минимален и его обычно не учитывают. В УПТ для уменьшения дрейфа нуля, прежде всего, следует заботиться о его снижении в первом каскаде. Приведенный ко входу усилителя температурный дрейф снижаВнется при уменьшении номиналов резисторов, включенных в цепи базы и эмиттера. В УПТ резистор RЭ большого номинала может создать глубокую ООС по постоянному току, что повысит стабильность и одновременно уменьшит KU для рабочих сигналов постоянного тока. Поскольку здесь KU пропорционален Sнс, то величина едр оказывается независимой от Sнс. Минимального значения едр можно достичь за счет снижения величин Rэ, Rб и Rr. При этом для кремниевых УПТ можно получить
Кремниевые УПТ более пригодны для работы на повышенных температурах.
Следует подчеркнуть, что работа УПТ может быть удовлетвоВнрительной только при превышении минимальным входным сигнаВнлом величины Сдр. Поэтому основной задачей следует считать всемерное снижение дрейфа нуля усилителя.
С целью снижения дрейфа нуля в УПТ могут быть использоваВнны следующие способы: применение глубоких ООС, использование термокомпенсирующих элементов, преобразование постоянного тока в переменный и усиление переменного тока с последующим выпрямлением, построение усилителя по балансной схеме и др.
- ОДНОТАКТНЫЕ УСИЛИТЕЛИ ПРЯМОГО УСИЛЕНИЯ
Однотактные УПТ прямого усиления по сути своей являются обычными многокаскадными усилителями с непосредственной связью. В таком усилителе резисторы Rэ1 и Rэ2 не только создают местную последовательВнную ООС по току, но и обеспечивают необходимое напряжение
в своих каскадах. В многокаскадном усилителе наблюдается последовательное повышение потенциала на эмиттере транзистора каждого


последующего каскада. НеобходиВнмость повышения потенциалов эмиттера от каскада к каскаду обусловлена тем, что за счет непосредственной связи потенциал коллектора у каждого последующего транзистора оказывается выше, чем у предыдущего.
Обеспечить необходимый режим покоя в каскадах рассматриваемого усилителя можно и за счет последовательного уменьшения номиналов коллекторных резисторов от каскада к каскаду (Rк1 > Rк2). Однако в этом случае, как и в рассмотренном выше, будет падать усиление УПТ.


При разработке УПТ целесообразным является выбор эмиттерных резисторов по заданным значениям коэффициентов усиления и Sнс, а рабочие напряжения
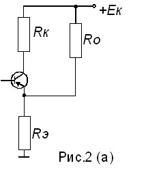
можно обеспечить путем дополнительных мер. На рис. 2 приведены принципиальные схемы двух вариантов каскадов УПТ, в одном из которых (а) потенциал эмиттера устанавливается за счет балластного сопротивления Ro во втором (б) тАФ за счет применения опорного диода D. Отметим, что вместо опорного диода можно включить несколько обычных прямосмещенных р-п переходов. Часто используются сочетания обоих вариантов схем, приведенных на рис. 2.
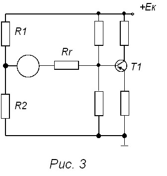
При разработке УПТ необходимо обеспечивать согласование потенциалов не только между каскадами, но и с источником сигнала и нагрузкой. Если источник сигнала включить на входе усилителя между базой первого транзистора и общей шиной, то через него будет протекать постоянная составляющая тока от источника питания EK. Для устранения этого тока обычно включают генератор входного сигнала между базой транзистора Т1 и средней точкой специального делителя напряжения, образованного резисторами R1 и R2. На рис. 3 приведена принципиальная схема рассматриваемого входного каскада УПТ прямого усилеВнния. При правильно выбранном делителе потенциал его средней точки в режиме покоя равен потенциалу покоя на базе первого транзистора.
Нагрузка усилителя обычно включается в диагональ моста, образованного элементами выходной, цепи УПТ. На рис. 4 приведена принципиальная схема такого выходного каскада УПТ. Рассматриваемый здесь способ включения нагрузки используется для получения Uн=0 при Еr=0. Номиналы резисторов R3 и R4 выбираются таким образом, чтобы напряжение средней точки делителя равнялось напряжению на коллекторе выходного транзистора в режиме покоя. При этом в нагрузке для режима покоя не будет протекать тока. В каждом каскаде УПТ прямого усиления за счет резисторов в цепи эмиттера образуется глубокая ООС. Поэтому для определения входного сопротивления Kuoc каскада ОЭ здесь можно пользоваться формулами
и KuОС = - Rкн/Rэ соответственно. Обычно максимальное усиление свойственно первому каскаду, у которого Rк имеет наибольшее значение. Однако и в последующем каскаде УПТ, где Rк меньше, все равно его номинал должен быть больше номинала Rэ. В многокаскадных УПТ прямого усиления может происходить частичная компенсация дрейфа нуля. Так, положительное приращение тока коллектора, первого транзистора вызовет отрицательное приращение тока базы и, следовательно, тока коллектора второго транзистора. В результате суммарный дрейф нуля второго каскада может оказаться меньше, чем в отсутствие первого каскада в идеальном случае и сведен к нулю. Заметим, что полная компенсация дрейфа нуля возможна лишь при специальном подборе элементов и только для некоторой конкретной температуры. Хотя на практике это почти и недоВнстижимо, тем не менее в УПТ с четным числом усилительных каскадов наблюдается снижение дрейфа нуля.
Способ построения УПТ на основе непосредственной связи в усилительных каскадах с глубокой ООС может быть использован для получения сравнительно небольшого коэффициента усиления (в несколько десятков) при достаточно большом
. Если в таких УПТ попытаться повысить Кu, то неизбежно получим резкое возрастание дрейфа нуля, вызванного не только температурной нестабильностью, но и нестабильностью источников питания. Отметим, что применение традиционных методов уменьшения влияния нестабильностей Ек с помощью фильтрующих конденсаторов здесь не дает желаемого результата (слишком низкие частоты). Для снижения температурного дрейфа в УПТ прямого усиления иногда применяют температурную компенсацию. В настоящее время в качестве термокомпенсирующего элемента обычно используется диод в прямом смешении, включенный в цепь базы транзистора. Принцип построения таких устройств практически одинаков для усилителей постоянного и переменного тока. Все рассмотренные выше УПТ имеют большой температурный дрейф (eдр составляет единицы милливольт на градус). Кроме того, в них отсутствует зримая компенсация временного дрейфа и влияния низкочастотных шумов. Эти факторы могут оказаться даже более существенными, чем температурный дрейф нуля. Отмеченные недостатки усилителей прямого усиления в значительной степени преодолеваются в УПТ с преобразованием (модуляцией) сигнала.
- УСИЛИТЕЛИ С ПРЕОБРАЗОВАНИЕМ
При усилении малых сигналов постоянного тока или напряжения часто применяют усилители с преобразованием постоянного тока в переменный. Такие УПТ имеют малый дрейф нуля, большой коэффициент усиления на низких частотах и не нуждаются в подстройке нулевого уровня. На рис. 5 приведена структурная схема усилителя с преобразованием постоянного тока в переменный. На этой схеме использованы следующие обозначения: МтАФмодулятор. УстАФусилитель переменного тока, ДМтАФдемодулятор. Такой УПТ часто называют усилителем с модуляцией и демодуляцией (МДМ).

В УПТ с МДМ входной сигнал постоянного напряжения Uвх (или тока) сначала преобразуется в пропорциональный ему сигнал переменного напряжения с помощью модулятора М, потом усиливается обычным усилителем Ус, а затем Демодулятором ДМ преобразуется в сигнал постоянного напряжения. Поскольку в усилителях переменного тока (например, с RC-связью) дрейф не передается от каскада к каскаду, то в МДМ усилителях реализуется минимальный дрейф нуля. Работу рассматВнриваемого усилителя удобно проиллюстрироВнвать с помощью временных диаграмм наВнпряжений (или токов) в основных точках схемы рис. 5, которые приведены на рис. 6. Преобразование постоянного Uвх в переменное осуществляется с частотой сигнала управления (модуляции) Uупр, обычно имеющего вид меандра. Для успешной работы УПТ с МДМ необходимо, чтобы частота сигнала управлеВнния была, как минимум, на порядок выше максимальной частоты входного сигнала.

Из многообразия возможных вариантов построения модуляторных устройств наибольшее распространение получили транзисторные модуляторы (прерыватели или малотоковые переключатели). Рассмотрим работу простейВншего транзисторного модулятора, принципиВнальная схема которого приведена на рис. 7.

Рис. 7
Здесь постоянное входное напряжение Uвх приложено между эмиттером и коллектором n-p-n транзистора, который с помощью трансформатора Тр управляется сигналом Uупр. Транзистор работает как ключ, т. е. он имеет два рабочих состояния: открыт (режим насыщения) и закрыт (режим отсечки). Если в режиме отсечки сопротивление транзистора велико, то в режиме насыщения оно близко к нулю. В результате ток через транзистор будет прерываться с частотой сигнала управления. Этот ток и является входным сигналом для усилителя переменного тока Ус. Связь устройств М и Ус обычно осуществляется через разделительный конденсатор. Схема на рис. 7 обращает на себя внимание тем, что в ней представлен транзистор в инверсном включении. Действительно, в транзисторных модуляторах получило распространение инверсное включение транзистора. Дело в том, что дрейф нуля в УПТ с МДМ в основном определяется дрейфом модулятора, который обусловлен нестабильностью остаточных параметров транзистора (тока и напряжения). Известно, что транзистор в инверсном включений имеет существенно меньшие остаточные параметры, чем в прямом включении. Это преимущество инверсного включения транзистора особенно ярко проявляется в значении остаточного напряжения. Напомним, что остаточный ток планарного транзистора чрезвычайно мал и для прямого включения (десятые или сотые доли наноампер), поэтому использование инверсного включения имеет смысл именно для уменьшения остаточного напряжения.
С помощью формул Эберса-Молла можно получить расчетные отношения для остаточного напряжения прямого Uост и инверсного UостI включения транзистора при токах коллектора, близких к нулю:
![]()
Из (1) следует, что UостI < Uост, поскольку
, т. е. при малых токах коллектора инверсное включение транзистора лучше подходит для использования в модуляторах. Современные транзисторы при
и оптимальном токе базы имеют
.
Для качественных УПТ эту величину не всегда можно считать удовлетворительной. Меньшего остаточного напряжения можно достичь с помощью компенсированного модулятора (ключа) на двух инверсно включенных транзисторах, принципиальная схема которого приведена на рис. 8. Здесь транзисторы включены встречно, и поэтому их остаточные параметры должны компенсировать друг друга. Так, для остаточного напряжения рассматриваемого модулятора UостК можно записать:
UостК = Uост1 - Uост2 (2)
где Uост1 , Uост2 остаточные напряжения транзисторов Т1 и Т2 соответственно. Из (2) следует, что снижения UостК , а следовательно, и дрейфа всего УПТ можно достичь за счет того, что Uост1 тЙИ Uост2. Минимальный разброс параметров транзисторов можно получить при их изготовлении на одной подложке в едином технологическом цикле. Такие модуляторные транзисторы, являющиеся простейшими ИС, и получили основное применение в современных УПТ с МДМ (например, ИС К101КТ1). Остаточное напряжение в них обычно не превышает 100 мкВ.

Рис.8
С точки зрения современных требований к электронным устройствам расВнсмотренные модуляторы имеют существенный недостаток, состоящий в присутствии электромагнитных трансформаторов, которые очень трудно изготовить в виде ИС. Отметим, что иногда трансформаторы в модуляторах удается заменить оптронами.
При работе с источниками входного сигнала с малыми Uвх и большими внутренними сопротивлениями Rг лучшие результаты получаются, когда модуляВнтор выполняется на полевых транзисторах. Дело в том, что при токе стока, равном нулю, они имеют нулевое остаточное напряжение (чего нет в биполярных транзисторах). Это обусловлено тем, что проводимость цепи между стоком и истоком имеет, как правило, резистивный характер (сопротивление канала). Кроме того, большое Rвх позволяет использовать управляющие сигналы малой мощности. Однако с возрастанием Uвх и уменьшением Rг преимущества таких модуляторов исчезают.
В качестве демодулятора ДМ можно использовать различные электронные Устройства. Простейшим демодулятором является обычный двухполупериодный или мостовой выпрямитель с фильтром на выходе. Более совершенным следует считать демодулятор, выполненный как фазочувствительный выпрямитель.
На рис. 9 приведена принципиальная схема одного из вариантов демодулятоВнра тАФ фазочувствительного выпрямителя. Она удобна тем, что ее основу составляет уже использованный в модуляторе модуляторный транзистор, состоящий из двух транзисторных структур в инверсном включении.

Рис. 9
На вход демодулятора поступает переменное напряжение U2 с усилителя. В базовые цепи транзисторов посредством трансформатора поступает общий управляющий сигнал Uупр. Транзисторы здесь открываются лишь при положительВнных потенциалах баз, что происходит именно в момент поступления на вход информационного сигнала, усиленного с помощью усилителя Ус. Такой модулятор успешно функционирует в широком диапазоне рабочих сигналов. Емкость Сф выполняет функции сглаживающего фильтра. Достичь существенного улучшения электрических, эксплуатационных и массогабаритных показателей УПТ можно за счет их построения по балансным схемам.
- ДИФФЕРЕНЦИАЛЬНЫЕ УСИЛИТЕЛИ
В настоящее время наибольшее распространение получили дифВнференциальные (параллельно-балансные или разностные) усилители. Такие усилители просто реализуются в виде монолитных ИС и широко выпускаются отечественной промышленностью: К118УД, КР198УТ1 и др. Их отличает высокая стабильность работы, малый дрейф нуля, большой коэффициент усиления дифференциального сигнала и большой коэффициент подавления синфазных помех.
На рис. 10 приведена принципиальная схема простейшего варианта дифференциального усилителя (ДУ). Любой ДУ выполВнняется по принципу сбалансированного моста, два плеча которого образованы резисторами Rк1 и Rк1 , а два других тАФ транзисторами Т1 и Т2. Сопротивление нагрузки включается между коллекторами транзисторов, т. е. в диагональ моста. Сразу отметим, что резисторы R01 и R02 имеют небольшие величины, а часто и вообще отсутствуют. Можно считать, что резистор RЭ подключен к эмиттерам транзисторов. Обращает на себя внимание то обстоятельство, что питание ДУ осуществляется от двух источников, напряжения которых равны (по модулю) друг другу. Таким образом, суммарное напряжение питания ДУ равно 2Е.

Рис. 10
Использование второго источника (тАФЕ) позволяет снизить потенциалы эмиттеров Т1 и Т2 до потенциала общей шины. Это обстоятельство дает возможность подавать сигналы на входы ДУ без введения дополнительных компенсирующих напряжений (что требуется, например, для усилителя на рис. 3). При анализе работы ДУ принято выделять в нем два общих плеча, одно из которых состоит из транзистора Т1 и резистора Rк1 (и R01), второе тАФиз транзистора Т2 и резистора Rк2(и R02). Каждое общее плечо ДУ является каскадом ОЭ. Таким образом, можно заключить, что ДУ состоит из двух каскадов ОЭ. В общую цепь эмиттеров транзисторов включен резистор RЭ, которым и задается их общий ток. Для того чтобы ДУ мог качественно и надежно выполнять свои функции, а также в процессе длительной работы сохранить свои параметры и уникальные свойства, в реальных усилителях требуется выполнить два основных требования. Рассмотрим эти требования последовательно.
Первое требование состоит в симметрии обоих плеч ДУ. По нему необходимо обеспечить идентичность параметров каскадов ОЭ, образующих ДУ. При этом должны быть одинаковы параметры транзисторов Т1 и Т2, а также Rк1 = Rк2 (и R01 = R02). Если первое требование выполнено полностью, то больше ничего и не требуется для получения идеального ДУ. Действительно, при Uвх1 = Uвх2 = 0 достигается полный баланс моста, т. е. потенциалы коллекторов транзисторов Т1 и Т2 одинаковы, следовательно, напряжение на нагрузке равно нулю. При одинаковом дрейфе нуля в обоих каскадах, ОЭ (плечах ДУ) потенциалы коллекторов будут изменяться всегда одинаково, поэтому на выходе ДУ дрейф нуля будет отВнсутствовать. За счет симметрии общих плеч ДУ будет обесВнпечиваться высокая стабильность при изменении напряжения питания, температуры, радиационного воздействия и т.д. Все это абсолютно верно, но возникает вопрос: ВлКак обеспечить симметрию общих плеч в ДУ?В» На первый взгляд может показаться, что решить этот вопрос довольно просто. Действительно, всегда можно подобрать пары транзисторов и резисторов с весьма близкими параметрами. Если собрать ДУ на таких дискретных элементах, то он может быть и продемонстрируете желаемый результат, но только в относительно небольшой промежуток времени. С течением времени параметры транзистоВнров и резисторов будут изменяться различным образом в соотВнветствии с законами своей собственной структуры, естественно, что на них различным образом будут влиять и внешние факторы, а следовательно, нарушится симметрия плеч со всеми вытекаВнющими отсюда последствиями. В конечном счете можно заВнключить, что на дискретных элементах (изготовленных в разное время и в разных условиях) осуществить выполнение первого требования для ДУ практически невозможно. Это и обусловили тот факт, что прекрасные свойства ДУ не нашли должного использования в дискретной электронике. Приблизиться к выполнению первого основного требования для ДУ позволила микроэлектроника. Ясно, что симметрию общих плеч ДУ могут, обеспечив лишь идентичные элементы в которых все одинаково и которые были изготовлены в абВнсолютно одинаковых условиях. Так, в монолитной ИС близко расположенные элементы действительно имеют почти одинаковые параметры. Следовательно, в монолитных ИС первое требование к ДУ почти выполнено. Это ВлпочтиВ» позволяет реализовать ДУ пусть не с идеальными, но все же с хорошими параметрами, но при непременном условии выполнения второго основного требования к ДУ.
Второе основное требование состоит в обеспечении глубокой ООС для синфазного сигнала. Синфазными называются одинаковые сигналы, т. е. сигналы, имеющие равные амплитуды, формы и фазы. Если на входах ДУ (рис. 10) присутствуют Uвх1=Uвх2, причем с совпадающими фазами, то можно говорить о поступлении на вход ДУ синфазного сигнала. Синфазные сигналы обычно обусловлены наличием помех, наводок и т. д. Часто они имеют большие амплитуды (значительно превышающие полезный сигнал) и являютВнся крайне нежелательными, вредными для работы любого усилителя.
Выполнить второе основное требование позволяет введение в ДУ резистора RЭ , (или его электронного эквивалента). Если на вход ДУ поступает сигнал синфазной помехи, например, положительной полярности, то транзисторы Т1 и Т2 приоткВнроются и токи их эмиттеров возрастут. В результате по резистору RЭ будет протекать суммарное приращение этих токов, обВнразующее на нем сигнал ООС. Нетрудно показать, что RЭ образует в ДУ последовательную ООС по току. При этом будет наблюдаться уменьшение коэффициента усиления по наВнпряжению для синфазного сигнала каскадов ОЭ, образующих общие плечи ДУ, Kисф1 и Кисф2 . Поскольку коэффициент усиления ДУ для синфазного сигнала Кисф = Кисф1 - Кисф2 и за счет выполнения первого основного требования Кисф1 тЙИ Кисф2 удается получить весьма малое значение Кисф, т. е. значительно подавить синфазную помеху.
Так как в монолитном ДУ с достаточным приближением можно выполнить оба основных требования, удается не только подавить синфазную внешнюю помеху, но и снизить влияние внутренних факторов, проявляющихся через изменения параметВнров элементов схемы. Конечно, параметры составляющих каскаВндов будут изменяться, но по весьма близким зависимостям, влияние которых будет дополнительно ослабляться наличием ООС.
Теперь рассмотрим работу ДУ для основного рабочего входноВнго сигнала тАФ дифференциального. Дифференциальными (противоВнфазными) принято называть сигналы, имеющие равные амплитуВнды, но противоположные фазы. Будем считать, что входное напряжение подано между входами ДУ, т. е. на каждый вход поступает половина амплитудного значения входного сигнала, причем в противоположных фазах. Если Uвх1 в рассматриваемый момент представляется положительной полуволной, то Uвх2 тАФ отрицательной.
За счет действия Uвх1 транзистор Т1 приоткрывается, и ток его эмиттера получает положительное приращение тИЖIЭ1, а за счет действия Uвх2 транзистор Т2 закрывается, и ток его эмиттера получает отрицательное приращение, т.е. тАФ тИЖIЭ2. В реВнзультате приращение тока в цепи резистора RЭ тИЖIRЭ = тИЖIЭ1 - тИЖIЭ1. Если общие плечи ДУ идеально симметричны, то тИЖIRЭ = 0 и, следовательно, ООС для дифференциального сигнала отсутствует. Это обстоятельство позволяет получать от каждого каскада ОЭ в рассматриваемом усилителе, а следовательно, и от всего ДУ большое усиление. Отсюда происходит и название усилителя тАФ дифференциальный. Так как для дифференциального входного сигнала в любой момент напряжения на коллекторах транзистоВнров Т1 и Т2 будут находиться в противофазе, то на нагрузке происходит выделение удвоенного выходного сигнала. Итак, резистор RЭ, образует ООС только для синфазного сигнала.
Поскольку в реальных ДУ идеальную симметрию плеч осущестВнвить нельзя, то RЭ все же будет и для дифференциального сигнала создавать ООС, но незначительной глубины, причем чем лучше симметрия плеч, тем меньше ООС. Небольшую последовательную ООС по току задают в каскадах ДУ с поВнмощью резисторов R01 и R02. Как отмечалось выше, эти резисторы имеют небольшие номиналы (участки полупроводВнниковой подложки), поэтому создаваемая ими ООС невелика и существенно не влияет на усилительные свойства ДУ.
Таким образом, при выполнении в ДУ двух основных требоваВнний он обеспечивает стабильную работу с малым дрейфом нуля, с хорошим усилением дифференциального сигнала и со значительВнным подавлением синфазной помехи. В зависимости от того, как подключены в ДУ источник входного сигнала и сопротивление нагрузки, следует различать схемы его включения.
- СХЕМЫ ВКЛЮЧЕНИЯ ДИФФЕРЕНЦИАЛЬНОГО УСИЛИТЕЛЯ
Можно выделить четыре схемы включения ДУ: симметричный вход и выход, симметричный вход и несимметричный выход, несимметричный вход и симметричный выход, несимметричный вход и выход. Рассмотрим их последовательно при воздействии рабочего входного сигнала.
При симметричном входе источник входного сигнала подключаВнется между входами ДУ (между базами транзисторов Т1 и Т2). При симметричном выходе сопротивление нагрузки подключается между выходами ДУ (между коллекторами транзисторов Т1 и Т2). Такое включение ДУ и было рассмотрено в предыдущем разделе. Теперь остановимся на определении параметров симВнметричного включения ДУ.

Рис. 12 Рис. 11
Проанализируем работу одного плеча, т. е. одного каскада ОЭ, входящего в ДУ. Для этого представим плечо ДУ в виде, изображенном на рис. 11. Здесь отсутствует резистор RЭ, поскольку, он не участвует в работе на дифференциальном сигнале. Для входного сопротивления плеча ДУ Rвхпл, можно записать:
(3)
Здесь опущены индексы для номеров резисторов, так как плечи ДУ практически симметричны. Слагаемое ОІR0 вносится за счет последовательной ООС. При R0=0 уравнение (3) для нашего случая можно упростить до следующего вида:
![]()
Меньшую погрешность при расчете
формула (4) обеспечиВнвает для ДУ, работающего на малых токах. Поскольку при симметричном входе источник входного сигнала включается между входами ДУ, то общее входное сопротивление ДУ будет равно
.
Для рассматриваемого включения ДУ коэффициент усиления его плеча можно представить как
, т.е. коэффициент усиления по напряжению всего ДУ равен Kипл. В нашем случае для Kипл можно переписать (4) в несколько измененном виде:

Здесь учтено, что к выходу одного плеча подключается только половина RH. Действительно, средняя точка резистора RH для рассматриваемого режима ДУ всегда будет иметь нулевой потенциал (потенциал общей шины).
Если RH <(RH/2), Rвх пл >Rr и ОІ велико, то (5) можно переписать в следующем приближенном виде:
Кидиф = RK/rэ (6)
Учитывая изложенное выше, коэффициент усиления ДУ по току можно представить в виде (6), заменив RН на RН /2. Нетрудно показать, что выходное сопротивление ДУ для рассматриваемой схемы его включения равно удвоенной величине выходного сопротивления плеча Rвых пл , которое для каскада ОЭ можно считать равным RК.
Теперь остановимся на схеме включения ДУ с симметричным входом и несимметричным выходом. В этом случае источник входного сигнала подключается между входами ДУ; сопротивлеВнние нагрузки подключается одним концом к коллектору одного из транзисторов, а другимтАФк общей шине. При этом в колВнлекторной цепи второго транзистора может отсутствовать реВнзистор RK. Поскольку способ подачи входного сигнала здесь совпадает с ранее рассмотренным случаем, то входное сопротивВнление также можно определить с помощью (3) или (4). Однако выходной сигнал снимается лишь с одного выхода ДУ, следовательно, выходное сопротивление ДУ тАУ Rвыхпл = RK. По той же причине Кидиф оказывается в 2 раза меньше, чем при симметричном выходе.
Интересна схема включения ДУ с несимметричным входом и симметричным выходом. Для удобства восприятия специфики этого включения ДУ на рис. 12 приведена его принципиальная схема. Здесь Rо=0, а входной сигнал подается на базу транзистоВнра Т1. Плечо, образованное транзистором Т1, является каскадом ОЭ с ООС, образуемой резистором Rэ, Кипл для него может быть рассчитано по формуле (5), а Rвыхпл - формуле (3), где R0 следует заменить на Rэ. У этого плеча ДУ есть и выход с эмиттера, где коэффициент усиления по напряжению для эмиттерного выхода Кик < Кипл. С эмиттерного выхода плеча ДУ будет сниматься неинвертированВнный сигнал с Кик , который можно представить в следующем виде:
![]()
где
тАФ входное сопротивление каскада ОБ, который является плечом ДУ, образованным транзистором Т2. Для эмиттерного выхода первого плеча
является сопротивлением нагрузки. Формула (7) справедлива при Rэ > Rвхб. Для каскада ОБ, образованного транзистором Т2, коэффициент усиления по напряжению

Формула (8) записана для условия Rвхб > Rвыхк, где Rвыхк выходное сопротивление по цепи эмиттера каскада на транзисторе Т1. При получении значения Кипл для выхода с коллектора Т2 следует перемножить (7) и (8). После проведения преобразоваВнний нетрудно записать и для этого плеча ДУ формулу (5). Таким образом, несмотря на то, что входной сигнал подается лишь на один вход ДУ, его усиливают оба плеча, причем плечо, на базу транзистора которого подан входной сигнал, инвертирует, а другое плечо не инвертирует сигнал. В данном случае общий Kидиф=2Kипл.
При несимметричном входе и выходе работа ДУ происходит аналогично предыдущей схемы включения ДУ. Если входной сигнал подан на вход того же плеча, с выхода которого снимается выходной сигнал ДУ, то в этом случае работает на усиление сигнала лишь одно плечо. Здесь на выходе имеет место инвертированный сигнал с коэффициентом усиления Кипл. Если входной сигнал подан на вход одного плеча ДУ, а выходной сигнал снимается с выхода другого плеча, то на выходе имеет место неинвертированный сигнал с тем же Кипл, что и в первом случае. Если снимать выходной сигнал всегда с одного заданного выхода ДУ, то входам усилителя можно присвоить названия ВлинвертирующийВ» и ВлнеинвертирующийВ».
Изложенное выше показывает, что усилительные параметры ДУ для рабочего сигнала зависят от схемы его включения, которая выбирается в зависимости от конкретных технических требований.
- КОЭФФИЦИЕНТ ОСЛАБЛЕНИЯ СИНФАЗНОГО СИГНАЛА
Коэффициент ослабления (подавления) синфазного сигнала (KQOC) является основным параметром ДУ, характеризующим качество его работы. Для того чтобы представить этот параметр, прежде всего, необходимо определить коэффициент усиления по напряжению ДУ для синфазного сигнала Кисф.
При воздействии синфазного сигнала на ДУ можно предстаВнвить, что его входы соединены друг с другом. Как уже анализировалось в разделе 3, в данном случае резистор RЭ, будет создавать последовательную ООС по току для каждого плеча ДУ (каскада ОЭ). Обычно эту ООС стараются сделать глубокой. Коэффициент усиления плеча для синфазного сигнала можно представить как Киос каскада ОЭ при глубокой ООС с помощью формулы КиОС = - Rкн/Rэ, т.е. для первого плеча Kисф1=Rк1/Rэ, и для второго тАФ Kисф2=Rк2/Rэ. Теперь можно записать для Kисф всего ДУ:
![]()
Из (9) следует основной вывод, коВнторый в разд. 3 был сформулирован в виде двух основных требований к ДУ. Действительно, чем лучше симметрия плеч ДУ, тем меньше тИЖRK. Поскольку идеальная симметрия невозможна, то всегда
При заданном
, уменьВншить Kисф можно за счет увеличения глубины ООС, т. е. увеличения Rэ. Обычно КООС представляется как отношение модулей Кидиф и Киcф, выраженное в децибелах, т. е. KOOC=201g (Кидиф / Киcф). Раскрыв значения коэффициентов усилеВнния из (6) и (9), можно записать (10):

где
тАФ коэффициент асимметрии ДУ. При необходимосВнти коэффициент асимметрии можно дополнить слагаемыми, представляющими разброс других параметров элементов устройВнства. Напомним, что разброс номиналов резисторов в монолитВнных ИС не превышает 3%. В ДУ всегда стремятся сделать КООС как можно больше. Для этого следует увеличивать номинал RЭ. Однако существует несколько серьезных причин, ограничивающих эту возможность, самая главная из которых заключается в больших трудностях при реализации резисторов значительных номиналов в монолитных ИС. Решить эту проблему позволяет использование электронного эквивалента резистора большого номинала, которым является источник стабильного тока. На рис. 13 приведена принципиальная схема ДУ с ИСТ. Здесь ИСТ выполнен на транзисторе ТЗ. Резисторы R1, R2 и R3, а также диод D служат для задания и стабилизации режима покоя транзистора ТЗ.

Рис. 13
Напомним, что для реальных условий ИСТ представляет собой эквивалент сопротивления для изменяющегося сигнала (в нашем случае синфазного) большого номинала тАФ до единиц мегаом. Кроме того, в режиме покоя ИСТ представляет собой относительно небольшое сопротивление (порядка единиц килоом), из-за чего и все устройство будет потреблять от источников питания относительно небольшую мощность. Таким образом, использование ИСТ в ДУ позволяет реализоВнвать усилитель в виде экономичной монолитной ИС, имеющей большой КООС. Современные ДУ могут быть выполнены по различным схемам, но в них всегда используется ИСТ. Для таких ДУ значения КООС обычно лежат в пределах 60..100дБ.
- РАЗНОВИДНОСТИ ДИФФЕРЕНЦИАЛЬНЫХ УСИЛИТЕЛЕЙ
В большинстве практических случаев ДУ используется как входной каскад многокаскадных усилительных ИС. Поэтому при разработке ДУ стремятся реализовать в нем значительное входное сопротивление для дифференциального сигнала. Одной из разноВнвидностей таких устройств является ДУ на составных транзисВнторах, принципиальная схема которого приведена на рис. 14. Здесь ИСТ изображен символически.
Отметим, что составной транзистор позволяет получить большой коэффициент усиления по току. При равенстве параметров транзисторов в плече ДУ его Rвхпл может быть рассчитано по формуле Rвх = ОІ2Rэ, где вместо R, следует подставить сопротивление эмиттерного перехода rэ, транзистора ТЗ (или Т4). Для получения больших Rвхпл целесообразно использовать ДУ в режиме малых токов (в микрорежиме), что будет приводить к возрастанию rэ. Кроме того, желательно применять транзисторы с высокими значениями ОІ. Для ДУ с большими входными сопротивлениями в качестве транзисторов Т1 и Т2 целесообразно использовать супербета транзисторы. Например, супербета транзисторы используются во входном каскаде операционного усилителя серии 140УД6.
Другой разновидностью ДУ с повышенным входным сопроВнтивлением является усилитель на полевых транзисторах. На рис. 15 приведена принципиальная схема одного из вариантов ДУ на МДП-транзисторах. Здесь использованы МДП-транзисторы с и-каналом, который может быть и встроенным, и индуцированВнным. Подложки МДП-транзисторов могут быть соединены со своими истоками или с общей шиной.
Рис.14

Рис. 15
В рассматриваемом ДУ МДП-транзисторы Т1 и Т2 выполняют свои основные усилительные функВнции активных элементов, а ТЗ и Т4 тАФ функции резисторов. Такой ДУ иногда называют усилителем с динамической нагрузкой.

Рис. 16
Коэффициент усиления по наВнпряжению для дифференциального сигнала определяется отношением ширин каналов МДП-транзисторов рис. 16 Т1 и ТЗ (или Т2 и Т4). ТехВннологически это отношение сделать большим очень трудно, поэтому в реальных структурах Ки диф обычно не превышает 10. И КООС у таких ДУ тоже меньше, чем у ДУ на биполярных транзисторах. Однако входные сопротивления велики как для дифференциального, так и для синфазного сигналов (более 1010 Ом). В ДУ на МДП-транзисторах обычно Rвх пл определяется утечками структуры. Для получения ДУ с очень большими входными сопротивлениями и с хорошими другими параметрами целесообразно использовать усилитель рис. 14, в котором транзисторы Т1 и Т2 являются МДП-транзисторами.
В ИС широкое распространение получили замены резисторов транзисторами, которые, являются наиболее предпочтительными элементами для ИС. Пример такой замены приведен с помощью рис. 15. Однако не только МДП - транзисторы, но и биполярные широко используются в усилительных ИС (в частности, в ДУ) вместо резисторов RK, т. е. выполняют в усилителях функцию динамических нагрузок.
На рис. 16 приведена принципиальная схема одного из вариантов ДУ с динамической нагрузкой. Этот ДУ выполнен на комплементарных транзисторах: п-р-п транзисторах Т1, Т2 и р-п-р транзисторах ТЗ и Т4. Транзисторы Т1 и Т2 выполняют свои обычные функции усилительных элементов, а транзисторы ТЗ и Т4 тАФ нагрузочных элементов, т. е. резисторов. Транзистор ТЗ включен по схеме диода. Предположим, что на базу у транзистора Т1 приложена в рассматриваемый момент положительная полуволна Uвх1. В результате в цепи транзистора ТЗ возникает приращение тока тИЖIк1 протекающего в направлении, указанном стрелкой на рис. 16. За счет этого тока возникает приращение напряжения между базой и эмиттером ТЗ, которое является приращением входного напряжения для транзистора Т4. Таким образом в цепи эмиттертАФколлектор Т4 возникает приращение тока, практически равное тИЖIк1, поскольку в ДУ плечи симметричны. Структуру, основой которой являются транВнзисторы ТЗ и Т4, принято называть отражателем тока, или токовым зеркалом. Отражатели тока находят широкое применение в современных ИС непрерывного дейВнствия.
Итак, в рассматриваемый момент на базу транзистора Т2 приложена отрицательная полуволна Uвх2. Следовательно, в цепи его коллектора появилось отрицательное приращение тока тИЖIк2 протекающего в направлении, указанном стрелкой на рис. 16. При этом приращение тока нагрузки для ДУ равно тИЖIк1 + тИЖIк2, т. е. ДУ с отражателем тока обеспечивает большее усиление дифференциального сигнала. В данном случае Кидиф = ОІRн/(Rг + Rвх). Необходимо также отметить, что для рассматриваемого варианта ДУ в режиме покоя ток нагрузки равен нулю.
В многокаскадных УПТ RН является входным сопротивлением последующего каскада, величина которого, как было показано выше, может быть очень большой. Таким образом, ДУ с отВнражателем тока является усилителем с большим Ки диф и, естественно, обладает всеми преимуществами дифференциальных усилителей.
- ТОЧНОСТНЫЕ ПАРАМЕТРЫ
Для ряда практических применений ДУ предъявляются довольно жесткие требования к величинам точностных параметров. К точностным параметрам относятся паразитные напряжения и токи, имеющие место в режиме покоя, но оказывающие влияние на качество усиления рабочего сигнала. Сразу подчеркнем, что точностные параметры либо обусловлены, либо проявляются через асимметрию плеч ДУ. В идеальном ДУ (с идентичными плечами) погрешности, проявляемые через точностные параметры, отсутствуют. В реальном ДУ за счет асимметрии плеч на выходе устройства всегда присутствует разбаланс коллекторных потенциалов транзисторов Т1 и Т2, т. е. присутствует паразитное напряжение между выходами ДУ. Для сведения к нулю этого паразитного напряжения на вход (плеча) ДУ необходимо подать компенсирующий сигнал. Напряжение этого сигнала называется напряжением смещения нуля Uсм. Оно представляет собой кажущийся входной дифференциальный сигнал.
Напряжение Uсм представляет собой функцию нескольких параметров, вернее разброса параметров элементов схемы. Так, часть напряжения смещения нуля UтАЩсм порождается разбросом величин обратных токов эмиттерных переходов транзисторов Iэбо1 и Iэбо2 , а другая часть UтАЭсм тАФразбросом номиналов резисторов Rк1 и Rк1. Для этих напряжений можно записать:
![]()
Отметим, что и разброс других параметров элементов схемы может некоторым образом повлиять на общую величину Uсм, но, как правило, это влияние менее существенно. Следует иметь в виду, что Uсм зависит от температуры. Эта зависимость обычно представляется самостоятельным точностным параметром тАФ температурной чувствительностью. Температурная чувствительность d Uсм/dT обычно имеет размерность мкВ/град. Для основной части напряжения смещения, возникающей за счет разбаланса токов эмиттеров, температурную чувствительность можно представить как разность ТКН эмиттерных переходов транзисторов Т1 и Т2. Отметим, что обычно температурная чувствительность уменьшается пропорционально уменьшению веВнличины Uсм. Еще одним точностным параметром ДУ является ток смещения тИЖIвх, представляющий собой разбаланс (разность) входных токов (токов баз транзисторов). В реальном ДУ тИЖIвх можно представить через значения токов эмиттеров Iэ01, Iэ02 коэффициентов усиления транзисторов по току В1 и B2. в следующем виде:
![]()
Наиболее неблагоприятный случай будет иметь место, когда Iэ01 > Iэ02 и В1 <B2. Из (11) следует, что ток смещения уменьшается при снижении рабочих токов ДУ и увеличении коэффициентов В.
Протекая через сопротивление источника сигнала, ток смещения создает на нем падение напряжения тИЖIвхRr, действие которого равносильно ложному дифференциальному сигналу. Поэтому естественным представляются усилия, направленные на снижение тИЖIвх в ДУ.
Средний входной ток Iвхср также является точностным параВнметром ДУ. Его можно представить как
![]()
"Из (12) слeдyет, что для уменьшения Iвхср и тИЖIвх следует принимать одни и те же меры. Отметим, что средний входной ток значительно больше тока смещения.
Протекая через Rr средний входной ток создает на нем падение напряжения, действующее как синфазный входной сигнал. Хотя и ослабленное в Кисф, раз это напряжение все же вызовет на выходе ДУ разбаланс потенциалов.
Оба точностных тока представляются и через свои темпераВнтурные чувствительности. Из (11) и (12) видно, что влияние температуры, прежде всего, проявляется через изменение коэфВнфициентов усиления В. Обычно уменьшение температурных зависимостей для Iвхср и тИЖIвх достигают за счет снижения самих точностных токов.
Поскольку в ДУ на МДП-транзисторах велико входное сопротивление, то входные токи оказываются пренебрежимо малы. Таким образом, ни сами токовые точностные параметры, ни их температурный дрейф не являются ограничивающими факторами для таких ДУ. Однако Uсм в ДУ на МДП- транзисторах имеет большую величину, чем в ДУ на биполярных транзисторах. Поэтому ошибки в работе ДУ на МДП-транзисторах в основном определяются величиной напряжения смещения нуля.
В настоящее время ДУ представляет собой основной базовый каскад ИС непрерывного действия. На основе ДУ создают самые разнообразные усилительные и генераторные устройства. В частности, ДУ является входным каскадом любого операциВнонного усилителя.
- Литература
- Титце У., Шенк К. Полупроводниковая схемотехника. тАУ М.: Мир, 1982.
- Степаненко И. П. Основы микроэлектроники. тАУ М.: Сов.радио, 1980.
- Игумнов Д. В., Костюнина Г. П. Полупроводниковые устройства непрерывного действия. тАУ М.: Радио и связь, 1986.
- Забродин Ю. С. Промышленная электроника. тАУ М.: Высшая школа, 1982.
- Зи С. М. Физика полупроводниковых приборов. тАУ М.: Мир, 1984.
- Миклашевский С. П. Промышленная электроника. тАУ М.: Недра, 1973.
- Алексеев О. Вю., Китаев В. Е., Шихин А. Я. Электротехнические устройства. тАУ М.: Энергоиздат, 1981.
Вместе с этим смотрят:
Усилитель вертикального отклонения осциллографаУсилитель генератора с емкостным выходом
Усилитель кабельных систем связи
Усилитель модулятора лазерного излучения