Усилитель промежуточной частоты
РГРТА
Кафедра КПРАКурсовая работа по курсу: тАЬТехнологические процессы микроэлектроникитАЭ
На тему: тАЭУсилитель промежуточной частотытАЭ
Выполнил ст. гр. 952
Проверил:
Рязань 2002 Содержание
Кафедра КПРА 1
Рязань 2001 1
Содержание 2
Исходные данные: 3
Введение 4
Анализ технического задания 5
Разработка топологии 6
Резисторы. 6
Конденсаторы 11
ЗаключениетАжтАжтАжтАжтАжтАжтАжтАжтАжтАжтАжтАжтАжтАжтАжтАжтАжтАжтАжтАжтАжтАжтАжтАжтАжтАжтАжтАжтАжтАжтАжтАжтАжтАжтАж.16
Список литературы 17
Исходные данные:Номиналы
R1, R10 тАУ Резистор 12.0 kОМ 2шт; C1, C4 тАУ Конденсатор 0.03 мкФ 2шт
R2 тАУ Резистор 7.5 kОМ 1шт; С2, С5 тАУ Конденсатор 6800 рФ 2шт
R3 тАУ Резистор 5.0 kОМ 1шт; С3, С6 тАУ Конденсатор 1500 рФ 2шт
R4, R7 тАУ Резистор 15.0 kОМ 2шт;
R5 тАУ Резистор 2.0 kОМ 1шт; VT1, VT2 тАУ Транзистор КТ324В 2шт
R6 тАУ Резистор 510 ОМ 1шт; (СБО.336.031 ТУ)
R8 тАУ Резистор 0.34 kОМ 1шт;
R9 тАУ Резистор 2.8 kОМ 1шт; ТР1 тАУ Трансформатор ВЧ. 1шт
Плату следует изготовить методом фотополитографии.
Эксплуатационные требования: Тр = -150 +400С, tэ = 1000 ч., корпус, серия К151,159.
ВведениеПостоянной тенденцией в радиоэлектронике является уменьшение габаритов и масс аппаратуры, повышение ее надежности. До появления интегральных микросхем этот процесс протекал в направлении миниатюризации отдельных элементов. Следующим шагом в миниатюризации было создание техники интегральных микросхем. Этот этап принципиально отличался от предыдущих тем, что в нем аппаратура собирается не из отдельных элементов или модулей, а из функциональных схем, образованных в едином технологическом процессе производства. Основными разновидностями технологии микросхем являются: пленочная, полупроводниковая и смешанная.
В пленочной технологии интегральная микросхема образуется нанесением на диэлектрическую подложку в определенной последовательности пленок из соответствующих материалов. Изготовленные таким образом микросхемы называются пленочными интегральными микросхемами (ПИМС). Разновидностью ПИМС являются гибридные интегральные микросхемы (ГИМС), у которых часть элементов, имеющих самостоятельное конструктивное оформление, вносится в виде навесных деталей.
Чрезвычайным важными характеристиками микросхем является степень интеграции и плотность упаковки. Степень интеграции представляет показатель сложности микросхемы и характеризуется числом содержащихся в ней элементов и компонентов. Плотностью упаковки называется отношение числа элементов и компонентов микросхемы к ее объему.
Анализ технического заданияВ данной курсовой работе необходимо разработать топологический чертеж усилителя промежуточной частоты. Топологическим называется такой чертеж интегральной микросхемы, в котором указана форма, местоположение и коммутативная связь элементов на подложке. В разработку топологии микросхемы входит: расчет геометрии каждого пленочного элемента и допусков на его размеры, выбор материала для них; определение оптимальных условий расположения пленочных и навесных элементов (при этом должны учитываться рассеиваемые мощности элементов, возможные паразитные связи между ними и их влияние на электрические параметры микросхемы); расчет размеров и выбор материала подложки, определение последовательности и выбор технологии напыления пленок.
Плату данного устройства необходимо изготовить фотолитографическим методом, т.е. нужные конфигурации пленок получают в процессе травления. Данная плата должна стабильно работать диапазоне температур от тАУ15 до +400С.
Разработка топологии Резисторы.В гибридных интегральных микросхемах широко применяются тонкопленочные резисторы. Сопоставляя физические свойства пленок с техническими требованиями к параметрам резистора, выбирают подходящий материал. При этом руководствуются следующими соображениями: необходимо, чтобы резистор занимал возможно меньшую площадь, а развиваемая в нем температура не должна нарушать стабильность параметров, ускорять процессы старения, выводить величину сопротивления за рамки допуска. По возможности стараются применить более толстые пленки, т.к. у очень тонких ухудшается стабильность сопротивления.
Из сказанных выше соображений выбираем сплав РС-3710, у которого имеются следующие характеристики: диапазон сопротивлений 10тАж20000 Ом, Удельное сопротивление 100тАж2000 Ом/, Удельная мощность 20 мВт/мм2, ТКС Mαρ = 3.5*10-4, δαρ = 1.5*10-4, коэффициент старения MКСТ = 2*10-6 ч-1, δКСТ = 0.1*10-6.
Так же имеются конструкционные и технологические ограничения: минимальная длинна резистора l0 = 0.1 мм, минимальная ширина резистора b0 = 0.05 мм, минимальная длинна контактного перехода lк = 0.1 мм, минимальное расстояние между краями перекрывающих друг друга пленочных элементов h = 0.05 мм.

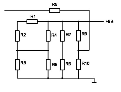
Для дальнейшего расчета резисторов необходимо знать их рассеиваемую мощность. Для этого воспользуемся, как бы, упрощенным методом. Для этого все реактивные элементы заменяем на их эквивалент по средней частоте работы схемы, т.е. схема будет выглядеть следующим образом Рис 2:
Необходимые для расчета номиналы берем из исходных данных стр. 3, допустимое относительное отклонение сопротивления от номинального значения для всех резисторов составляет
.
Для дальнейшего расчета мощности можно воспользоваться следующей формулой:
(1)
а для расчета тока в цепи воспользуемся законом Ома:
(2).
Определим ток в цепи резисторов R9 и R10, для чего подставим в формулу (2) соответствующие данные:
![]()
Далее определим мощность резисторов R9 и R10 в отдельности, для этого воспользуемся формулой (1):
Для резистора R9:
мВт.
Для резистора R10:
мВт.
Аналогично и для остальных резисторов:
Ток в цепи R7 и R8: ![]()
Мощность:
Для резистора R7:
мВт.
Для резистора R8:
мВт.
При помощи уравнений Кирхофа находим остальные токи:
Ток в цепи R1 и R2:
А.
Мощность:
Для резистора R1:
мВт.
Для резистора R2:
мВт.
Ток в цепи R4
А.
Мощность:
Для резистора R4:
мВт.
Ток в цепи R3
А.
Мощность:
Для резистора R3:
мВт.
Ток в цепи R5
А.
Мощность:
Для резистора R5:
мВт.
Дальнейший расчет резисторов будем проводить в соответствии с [ ].
R1 и R10 = 12 kОм.
Зададимся коэффициентом влияния α = 0.03 и вычислим коэффициенты влияния:
;
;
;
.
Определим среднее значение и половины полей рассеяния относительной погрешности сопротивления, вызванной изменением температуры по следующим формулам:
;
(3).
где
- среднее значение температурного коэффициента сопротивления резистивной пленки.
,
- верхняя и нижняя предельные температуры окружающей среды.
;
(4).
;
(5).
Таким образом, подставляя исходные данные в формулы (3) тАУ (5) получаем следующее:
;
;
; ![]()
;
.
Определим среднее значение и половину поля рассевания относительной погрешности сопротивления, вызванное старением резистивного материала по формулам:
(7);
(6),
где
- среднее значение коэффициента старения резистивной пленки сопротивления.
- половина поля рассеяния коэффициента старения сопротивления резистивной пленки.
;
(7).
;
(8).
Таким образом, получаем следующее:
(9);
(9);
;
(10)
Определим допустимое значение случайной составляющей поля рассеяния суммарной относительной погрешности сопротивления по следующей формуле:
;
(11)
где:
,
, ![]()
Положив МRПР = 0, тогда:
;
(12)
Определим допустимое значение случайной составляющей поля рассеяния производственной относительной погрешности сопротивления по следующей формуле:
(13)
Подставим вычисленные выше значения в данную формулу, получим:
![]()
![]()
Определим допустимое значение случайной составляющей поля рассеяния производственной относительной погрешности коэффициента формы, по следующей формуле:
(14)
Подставим значения и получим:
![]()
Определим расчетное значение коэффициента форм резистора:
(15)
Определим ширину резистивной пленки:
мм.
мм. (16)
мм.
мм.(17)
мм.
мм.
(18)
Определим сопротивление контактного перехода резистора:
(19)
(20)
Проверим следующее условие:
(21)
![]()
Определим длину резистора:
мм.
мм.(22)
Теперь определим среднее значение коэффициента формы:
(23)
Определим среднее значение МRПР и половину поля рассеяния δRПР относительной производственной погрешности:
(24)
% (24)
(25)
(26)
(27)
Определим граничные условия поля рассеяния относительной погрешности сопротивления резистора:
%
% (28)
% (29)
% (30)
![]()
Определяем длину резистивной пленки и площадь резистора:
мм.
мм2. (31)
Определим коэффициент нагрузки резистора:
(32)
(33)
Подобно этому расчету рассчитываем остальные резисторы, а результаты заносим в таблицу №1.
Таблица №1
Резисторы |
L,мм |
b, мм |
S, мм |
P, мВт |
R1, R10 |
2.6 |
0.2 |
0.52 |
0.22 |
R2 |
1.7 |
0.2 |
0.34 |
0.17 |
R3 |
1.2 |
0.2 |
0.24 |
0.06 |
R4, R7 |
3.2 |
0.2 |
0.64 |
0.32/0.39 |
R5 |
0.9 |
0.35 |
0.315 |
0.11 |
R6 |
0.55 |
0.7 |
0.385 |
0.26 |
R8 |
0.4 |
0.65 |
0.26 |
0.19 |
R9 |
0.75 |
0.2 |
0.15 |
0.35 |
Конденсаторы являются широко распространенными элементами гибридных микросхем. Пленочный конденсатор представляет собой последовательно нанесенные на подложку и друг на друга пленки проводника и диэлектрика. Такая конструкция пленочных конденсаторов делает их более сложными элементами микросборок по сравнению с резисторами.
Применение многослойных конденсаторов с большим числом обкладок приводит к усложнению технологии, снижению надежности, электрической прочности конденсаторов и повышение их стоимости. Поэтому в пленочных микросборках в основном применяются лишь трехслойные конденсаторы. Все характеристики пленочных конденсаторов зависят от выбранных материалов. Диэлектрическая пленка должна иметь высокую адгезию к подложке и металлическим обкладкам, обладать высокой электрической прочностью и малыми диэлектрическими потерями и многими другими требованиями и характеристиками.
Под наши номиналы конденсаторов более подходит боросиликатное стекло (ЕТО.035.015.ТУ) с удельной емкостью 150тАж400 пФ/мм2, диэлектрической проницаемостью ε0 = 4, tgδд 0.1тАж0.15 102, электрической прочностью ЕПР = 300тАж400 В/мкм, ТКЕ 104 Мαεд = 0.36, δαεд = 0.01, коэффициентом старения 10-5 Мкεд = 1, δкεд = 0.5. Также имеем технологические ограничения на размеры обкладок: Δl = Δb = 0.005мм. тАУ максимальное отклонение размеров обкладок, Мсо = 0.01 тАУ среднее значение производственной относительной погрешности удельной емкости, δсо = 0.005 тАУ половина поля рассеивания производственной относительной погрешности удельной емкости.
Вычислим среднее значение относительной погрешности удельной емкости, Вызванной изменением температуры, Мcotb при верхней и Мcotn при нижней предельной температуре:
%
% (34)
Среднее значение относительной погрешности емкости, вызванной изменением температуры (2.17; 2.18 [5]):
(35)
%
%
Половины полей рассеяния относительной погрешности предельной емкости, вызванной изменением температуры:
![]()
% (36)
Половины полей рассеяния относительной погрешности емкости, вызванной изменением температуры (2.20; 2.21 [5]):
(37)
%
Среднее значение относительной погрешности удельной емкости, вызванной старением диэлектрической пленки:
% (38)
Среднее значение относительной погрешности емкости, вызванной старением диэлектрической пленки (2.23; 2.24 [5]):
(39)
% ![]()
Половина поля рассеяния относительной погрешности удельной емкости, вызванной старением диэлектрической пленки:
% (40)
Половина полей рассеяния относительной погрешности емкости, вызванной старением диэлектрической пленки (2.26; 2.27 [5]):
(41)
% ![]()
Найдем сумму средних значений относительных погрешностей:
% (42)
% (43)
Введем коэффициент запаса на уход емкости под действием не учетных факторов:
![]()
Определим допустимое значение половины поля рассеяния, производственной относительной погрешности активной площади:
%
%
- минимальное значение двух предыдущих.
Допустимый коэффициент формы активной площади конденсатора:
(46)
Коэффициент формы берем из условия 2.39 [5]:
(47)
К = 1.
Определим максимальную удельную емкость, обусловленную заданным допуском на емкость по техническим параметрам:
![]()
пФ/мм2 (48)
Коэффициент запаса электрической прочности конденсатора принимаем равный 2:
![]()
Определим максимальную удельную емкость, обусловленную электрической прочностью межслойного диэлектрика и рабочим напряжением:
пФ/мм2 (49)
мм. тАУ минимальная толщина диэлектрика, тогда максимальная удельная емкость из допустимого уровня производственного брака:
пФ/мм2 (50)
Определим минимальную удельную емкость, приняв значение максимальной толщины диэлектрика:
мм.
Тогда:
пФ/мм2 (51)
Выберем удельную емкость из условия:
(52)
![]()
пФ/мм2
Определим соответствующую С0 толщину диэлектрика:
мм. (53)
Определим расчетную активную площадь конденсатора:
мм2 (54)
Определим расчетное значение длины и ширины верхней обкладки конденсатора при выбираем коэффициенте формы:
мм.
мм. (55)
С учетом масштаба фото оригинала:
мм.
мм.
η = 0.2 мм. тАУ минимальное расстояние краем нижней и верхней обкладок, обусловленное выбранной технологией.
Определим расчетное значение длины и ширины нижней обкладки конденсатора:
мм.
мм. (57)
С учетом масштаба фото оригинала:
мм.
мм.
мм. тАУ минимальное расстояние между краем нижней обкладки и диэлектрическим слоем, обусловленное выбранной технологией.
Определим расчетное значение длины и ширины диэлектрического слоя конденсатора:
мм.
мм. (59)
С учетом масштаба фото оригинала:
мм.
мм.
Определим площадь, занимаемую конденсатором:
мм2 (61)
Определим точность емкости сконструированного конденсатора. Для этого определим среднее значение относительной погрешности активной площади:
(62)
Определим среднее значение производственной погрешности:
(63)
определим поле рассеяния относительной погрешности активной площади:
(64)
Определим поле рассеяния производственной погрешности:
(65)
Определим положительное и отрицательное значение предельного отклонения емкости:
(66)
(67)
Предельное отклонение емкости будет равно максимальному из этих значений:
![]()
Проверим условие:
⇒ ![]()
Как видно это условие выполняется, из этого следует, что выбранный материал нам подходит по своим характеристикам.
Пользуясь этим расчетом рассчитываем остальные конденсаторы, а результаты запишим в таблицу №2.
Таблица №2.
L1 |
B1 |
L2 |
B2 |
Lд |
Bд |
S |
SP |
|
С1; C4 |
14.55 |
14.55 |
14.15 |
14.15 |
14.75 |
14.75 |
217.563 |
200 |
С2; C5 |
7.15 |
7.15 |
6.75 |
6.75 |
7.35 |
7.35 |
54.022 |
45.333 |
С3; C6 |
3.55 |
3.55 |
3.15 |
3.15 |
3.75 |
3.75 |
14.063 |
10 |
В ходе данного курсового проекта была разработана конструкция микросборки усилителя промежуточной частоты. Проведен расчет топологии микросборки (расчет пассивных элементов схемы и их расположения на подложке). Разработана маршрутная технология микросборки. Сделан анализ конструкции микросборки. Таким образом, все требования технического задания были выполнены.
Список литературы- Коледов Л.А. Конструирование и технология микросхем. Курсовое проектирование. М: ВлВысшая школаВ» 1984 г.
- Парфенов О.Д. Технология микросхем М:ВлВысшая школаВ» 1986 г.
- Сажин Б.Н. Конструирование пассивных элементов плёночных микросборок Рязань РРТИ 1987 г.
- Сажин Б.Н. Фотолитография в технологии тонкоплёночных микросхем и микросборок Рязань РРТИ 1993 г.
- Сёмин А.С. Конструирование пассивных элементов плёночных микросборок Рязань РРТИ 1983 г.
- Сёмин А.С. Конструкция и технология микросхем Рязань РРТИ 1978 г.
- Сёмин А.С. Конструкция и технология микросхем ч.1. Рязань РРТИ 1981 г.
- Сёмин А.С. Конструкция и технология микросхем ч. 2. Рязань РРТИ 1981 г.
- Сёмин А.С. Оформление конструкторской документации на плёночные микросборки Рязань РРТИ 1983 г.
- Сёмин А.С. Методические указания к курсовому проекту по курсу Влконструирование и расчет микросхемВ» Рязань РРТИ 1971 г.
Вместе с этим смотрят:
Усилитель систем контроля радиовещательных станцийУсилитель-корректор
Устройства защиты громкоговорителей
Устройства приёма-обработки сигналов УПОС