Устройство формирования импульсно-временной кодовой группы
Министерство образования Российской Федерации
Государственный университет аэрокосмического приборостроения
Кафедра №41
Курсовой проектзащищен с оценкой:
Преподаватель: Жаринов О.О.
Устройство формирования импульсно-временной кодовой группы
Пояснительная записка
к курсовому проекту
по дисциплине "Электроника"
41.ЭУ.2201.01.КП
Проект выполнил Цейко П.В. студент гр. 4841Санкт-Петербург
2000 г
Содержание
ВведениетАжтАжтАжтАжтАжтАжтАжтАжтАжтАжтАжтАжтАжтАжтАжтАжтАжтАжтАжтАжтАжтАжтАжтАжтАж5
1. Разработка и выбор функциональной схемы
устройства формирования ИВКГтАж.тАжтАжтАжтАжтАжтАжтАжтАжтАжтАжтАжтАжтАж.6
1.1. Структурная схема на основе дешифраторов и ФИтАжтАжтАжтАж....6
1.2. Структурная схема с использованием ПЗУ.тАжтАжтАжтАжтАжтАжтАж.8
2. Выбор элементной базытАжтАжтАжтАжтАжтАжтАжтАжтАжтАжтАжтАжтАжтАжтАжтАжтАж.10
3. Разработка принципиальной схемы устройства
формирования ИВКГтАжтАжтАжтАжтАжтАжтАжтАжтАжтАжтАжтАжтАжтАжтАжтАжтАжтАжтАжтАж12
4. Разработка конструкции устройства формирования ИВКГтАжтАжтАж13
5. Расчет надежности устройства формирования ИВКГтАжтАжтАжтАжтАж.14
6. ЗаключениетАжтАжтАжтАжтАжтАжтАжтАжтАжтАжтАжтАжтАжтАжтАжтАжтАжтАжтАжтАжтАжтАж..15
7. ЛитературатАжтАжтАжтАжтАжтАжтАжтАжтАжтАжтАжтАжтАжтАжтАжтАжтАжтАжтАжтАжтАжтАжтАж16
Задание на курсовое проектирование.
Требуется разработать устройство формирования импульсно-временной кодовой группы со следующими основными характеристиками:
=2мкс;
=3мкс;
=5мкс;
=5мкс;
=7мкс;
Проектируемое устройство должно производить формирование импульсно-временной кодовой группы каждый раз, когда на его вход поступает одиночный импульс, что и показано на рис.1.
U1
t1
U2
U3
t2
Рис.1 Временная диаграмма устройства.
Список принятых буквенных обозначенийИВКГ тАУ импульсно-временная кодовая группа
СК тАУ согласующий каскад
Сч тАУ счетчик импульсов
СУ- суммирующий усилитель
ФИ тАУ формирователь импульсов
Введение
Для повышения помехоустойчивости систем передачи и обработки информации широко используется замена одиночных импульсных сигналов так называемыми импульсно-временными кодовыми группами, состоящими из нескольких импульсов, имеющих обычно одинаковые амплитуды, с жестко заданными длительностями и интервалами между импульсами.
Использование подобных групп не только повышает помехозащищенность, но и позволяет в ряде случаев организовать передачу по одной линии связи различных команд, отличающихся параметрами кодовых групп.
Другим, не менее важным, применением устройств, формирующих импульсно-временные кодовые группы, является синхронизация работы различных устройств автоматики и вычислительной техники.
Особенностью устройства, предложенного для курсового проектирования, является то, что начало формирования импульсно-временной кодовой группы (далее ИВКГ) определяется только моментом начала входного сигнала и не зависит от его продолжительности.
Так как в задании на разработку устройства не налагается ограничения на методы, структурную схему и элементарную базу устройства, то очевидно, что вариантов решения поставленной задачи может быть несколько. Рассмотрим наиболее приемлемые из них.
- Разработка и выбор функциональной схемы устройства формирования импульсно-временной кодовой группы.
Для разработки и выбора функциональной схемы проектируемого устройства прежде всего необходимо изучить и оценить саму ИВКГ.
Анализ рис.1, где отражены временные соотношения ИВКГ, позволяет сделать некоторые выводы:
- длительности всех формируемых импульсов и пауз между ними кратны 1 мкс;
- общая длительность ИВКГ равна 16 мкс;
- ИВКГ состоит из 5 временных интервалов: 2,3,3,4,4.
Для реализации устройства, формирующего данную ИВКГ, могут быть предложены следующие структурные схемы:
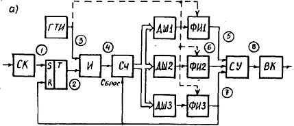
Структурная схема формирователя ИВКГ на основе дешифраторов и формирователей импульсов (далее ФИ) и соответствующая ей временная диаграмма представлена на рис.2.
Согласующий каскад преобразует входной сигнал к виду, необходимому для устойчивого срабатывания триггера. Выходной сигнал согласующего каскада (СК) своим передним фронтом запускает триггер, который, в свою очередь, разрешает прохождение на вход i импульсов с выхода ГТИ.
Генератор тактовых импульсов вырабатывает последовательность импульсов с высокостабильным периодом повторения.
На выходе i формируется цифровой код, соответствующий числу поступивших на его вход импульсов ГТИ. Код, соответствующий поступлению первого импульса, вызывает срабатывание ДШ1, который запускает ФИ1, формирующий первый импульс ИВКГ. Срабатывание ДШ2 и запуск ФИ2 произойдут в тот момент, когда выходной код счетчика будет равен интервалу между первым и вторым импульсами. Третий импульс ИВКГ будет сформирован, когда код счетчика соответствует требуемому интервалу между первым и третьим импульсами. Сформированный третий импульс ИВКГ вызовет обратное срабатывание триггера и работа схемы прекратится до появления следующего входного импульса. Как видно из описания работы схемы, триггер предназначен для исключения формирования нескольких ИВКГ в случае, если длительность входного импульса превосходит длительность ИВКГ, что может привести к переполнению счетчика и началу повторного цикла счета. Усилитель суммирующий служит для объединения выходных импульсов всех формирователей и усиления полученного сигнала по амплитуде. Выходной каскад осуществляет согласование усилителя с нагрузкой.
Достоинства данной структурной схемы:
- высокая стабильность формируемой ИВКГ;
- относительная простота при простых ИВКГ;


Рис.2 Структурная схема формирователя ИВКГ на дешифраторах и ФИ(a) и временная диаграмма ее работы(б)
Недостатки:
- невозможность изменения характеристик ИВКГ в процессе эксплуатации устройства;
- нестабильность момента начала формирования ИВКГ в пределах одного периода ГТИ.
Такая структурная схема изображена на рис.3.
В рассматриваемой выходной сигнал СК передним фронтом запускает триггер, который, в свою очередь, разрешает прохождение на вход многоразрядного счетчика (i ) импульсов с выхода генератора тактовых импульсов (ГТИ). Счетчик подсчитывает количество пришедших на его вход импульсов и формирует на своих выходах соответствующий двоичный код. В свою очередь этот двоичный код служит адресами выбора ячеек памяти ПЗУ. В каждой из выбираемых ячеек в одном и том же разряде должны быть запрограммированы "0" или "1" в соответствии с требуемой ИВКГ. В другом разряде ПЗУ в конце ИВКГ должен быть записан сигнал установки в исходное состояние всего устройства.
На рис.5 этот сигнал показан на диаграмме с номером 6 в виде импульса положительной полярности.
Недостаток такой схемы заключается в относительной дороговизне ПЗУ и необходимости его программирования на специальном программаторе.
Достоинства такой структурной схемы заключаются в следующем:
- можно легко создать ИВКГ значительной сложности путем соответствующего программирования ПЗУ;
- возможна выработка одновременно нескольких различных ИВКГ, формируемых программированием нескольких разрядов ПЗУ;
- значительное уменьшение аппаратных затрат.
3. Общий вывод:
Исходя из задания курсового проектирования, наиболее целесообразно использовать 2-й вариант структурной схемы, так как ИВКГ имеет наименьшую сложность, и высокою точность ИВКГ.
1 2 3 4 5
6
Рис.3 Структурная схема с использованием ПЗУ.
Временные диаграммы, поясняющие работу этой схемы, показаны на рис.3.
U1
t1 U2 t2
U3
t3
U4
t4
U5
t5
U6
Рис.4 Временные диаграммы, поясняющие работу схемы
с использованием ПЗУ
- Выбор элементной базы.
Выбор элементной базы осуществляется путем нахождения компромисса между аппаратными затратами и быстродействием. Учитывая быстродействие данной схемы очевидно использование микросхем ТТЛ для всех элементов кроме ПЗУ.
Здесь имеются микросхемы серий 155, 555, 1533 и другие. Так как никаких особых ограничений в данной разработке не предъявляется, то выберем микросхемы серии 155 для основных элементов, наиболее точно подходящие с точки зрения аппаратных затрат. В качестве элементов формирования ИВКГ ПЗУ серии 556, которые могут быть использованы совместно с цифровыми микросхемами ТТЛ типа.
- Разработка принципиальной схемы формирования ИВКГ.
Изучив рис.1 с заданной ИВКГ, можно сделать вывод, что вся последовательность укладывается в
периодов длительностью
или в 17 тактов ГТИ.(17-ый используется для сбросов счётчика и триггера) Частота ГТИ должна быть
. Очевидно, что последовательную работу на 17 тактах может обеспечить 5-и разрядный двоичный счетчик или четырехразрядный счётчик и триггер для считывания и хранения 17-го импульса.
Временная диаграмма его работы и соответствующая требуемая ИВКГ показана на рис.5 На основе анализа данной временной диаграммы можно составить прошивку ПЗУ(табл.1) для цифрового автомата, в состав которого входят (в соответствии со структурной схемой на рис.3):
- триггер (D)
- генератор тактовых импульсов (ГТИ)
- схема совпадений (И)
- счетчик импульсов (i)
- постоянное запоминающее устройство (ПЗУ)
Эта таблица истинности (или таблица функционирования) разрабатываемого цифрового автомата приведена ниже. Там буквой
обозначен сигнал снимаемый с инверсного выхода триггера, а буквой T - со входа триггера .
Табл.1 Прошивка ПЗУ для заданного устройства.
T |
A0 |
A1 |
A2 |
A3 |
|
D0 |
|
|
|
0 |
0 |
0 |
0 |
0 |
1 |
1 |
|
|
|
0 |
0 |
0 |
0 |
1 |
1 |
1 |
|||
0 |
0 |
0 |
1 |
0 |
1 |
0 |
|||
0 |
0 |
0 |
1 |
1 |
1 |
0 |
|||
0 |
0 |
1 |
0 |
0 |
1 |
0 |
|||
0 |
0 |
1 |
0 |
1 |
1 |
1 |
|
|
|
0 |
0 |
1 |
1 |
0 |
1 |
1 |
|||
0 |
0 |
1 |
1 |
1 |
1 |
1 |
|||
0 |
1 |
0 |
0 |
0 |
1 |
0 |
|||
0 |
1 |
0 |
0 |
1 |
1 |
0 |
|||
0 |
1 |
0 |
1 |
0 |
1 |
0 |
|||
0 |
1 |
0 |
1 |
1 |
1 |
1 |
|
||
0 |
1 |
1 |
0 |
0 |
1 |
1 |
|||
0 |
1 |
1 |
0 |
1 |
1 |
1 |
|||
0 |
1 |
1 |
1 |
0 |
1 |
1 |
|||
0 |
1 |
1 |
1 |
1 |
1 |
1 |
|||
1 |
0 |
0 |
0 |
0 |
0 |
0 |
4. Разработка конструкции устройства формирования ИВКГ.
Наиболее приемлемый вариант выполнения разработанного устройства тАУ на одной плате с одно или двусторонним печатным монтажом. Реальный размер платы, а также тип разъема, определяется конструкцией общего устройства, частью которого является данная разработка. Однако, так как такая информация отсутствует, то примем за основу один из стандартных размеров плат и подходящий для целей подсоединения разработанного устройства разъем. Основные моменты, определяющие конструкцию, следующие:
- В устройстве всего 5 микросхем. Все микросхемы выполнены в корпусах типа 238.16-2 Это пластмассовые корпуса с 14 выводами. Шаг между выводами тАУ 2,5мм.
- Размер печатной платы может быть выбран в соответствии с несколькими стандартами [5]. В частности, числовые значения основных размеров печатных плат по рекомендациям МЭК [5] (международная электротехническая комиссия) выбираются на основе исходного типоразмера H0
В0=100
100 мм по смешанной системе мер. Размер выбирается кратно U=44,45мм в соответствии с выражением:
Н=Н0+nU,
где n=0,1,2,3тАжтАж
Размер В выбирается в соответствии с выражением:
В=В0+n⋅60,
где n=0,1,2,3тАжтАж
Наиболее распространенные размеры печатных плат:
Н=144,5; 233,35; 322,25; 366,7 мм
В=160; 220; 280; 400 мм
Выберем наименьшие размеры, так как наше устройство вполне свободно может быть размещено на такой плате.
В качестве соединительного разъема выберем СНО51, контакты которого впаиваются непосредственно в плату. Такой выбор обусловлен очень широкой распространенностью этого разъема как в отечественной, так и в зарубежной аппаратуре.
Чертеж конструкции печатной платы с разъемом и эскизным расположением элементов изображен на листе 2 формата А4 . Элементы на плате расположены по принципу функциональной близости. Разводка проводников печатной платы ручным способом является очень трудоемким процессом и в настоящее время выполняется с помощью компьютерных систем автоматизации проектирования печатных плат, например, PCAD.
- Расчет надежности устройства формирования ИВКГ.
- все элементы разбивают на группы с одинаковой интенсивностью отказов внутри группы и подсчитывают количество элементов в группе
- по таблицам находят средние интенсивности отказов элементов каждой группы
- вычисляют произведение Niλi
- рассчитывают общую интенсивность отказов по всем группам элементов:
Λ=
λi
- определяют вероятность безотказной работы за время t=10
P(t)=1-t
λ
Значения интенсивности отказов элементов по группам : (λ ⋅10-6)
- логические элементы тАУ 0,05
- счетчик К155ИЕ4 - 4,2
- резистор тАУ 0,25
- кварцевый резонатор тАУ 0,3
- динамический D триггер тАУ 1,5
Расчет:
Вычисляем произведение Niλi для каждой из групп:
(λ ⋅10-6)
- 2 резистора тАУ 0,5
- Один кварцевый резонатор тАУ 0,3
- Два триггера тАУ 3
- Один двоичный четырехразрядный счетчик тАУ4,2
- 4 логических элементов тАУ 0,2
Рассчитываем общую интенсивность отказов:
Λ=
λ=0,5+0,3+3+4,2+0,2=8,2 ⋅10-6
Находим вероятность безотказной работы за время:
t=10:P(t)=1 - t
λ=1-8,2⋅10-6= 0,9999918
Находим время безотказной работы:
Tср=
121951,22ч
6. Заключение.
В результате курсового проектирования:
- проанализированы два варианта структурных схем устройства и выбран наиболее приемлемый и экономичный с точки зрения стоимости
- проведен анализ логических выражений, определяющих принципиальную схему устройства
- разработана принципиальная схема устройства
- разработана конструкция устройства
7. Список литературы.
- Г.И. Пухальский, Т.Я.Новосельцева. Цифровые устройства: учебное пособие для ВТУЗОВ. СПб.: Политехника, 1996г
- Шило В.Л. Популярные микросхемы ТТЛ.- М.: "Аргус". 1993г. Справочник.
- Булычев А.П. и другие. Аналоговые интегральные схемы. Справочник. Минск "Беларусь" 1993г
- Горбачев Г.Н., Чаплыгин Е.Е. Промышленная электроника. М. Энергоатомиздат. 1988г
- Применение интегральных микросхем в электронной вычислительной технике. Под ред. Файдулаева Б.Н. М. "Радио и связь", 1986г
Вместе с этим смотрят:
Устройство цифровой записи речиФазовый и частотный методы измерения дальности
Физико-математическая основа радиоэлектронных систем
Физико-топологическое моделирование структур элементов БИС