Двухосный индикаторный стабилизатор телекамер на ВОГ
Описание электронной части канала стабилизации. Описание структурной схемы канала стабилизации.Структурная схема канала представлена на рис.1. Взаимодействие между элементами структурной схемы следующее.
Чувствительным элементом, измеряющим отклонение стабилизированной платформы от заданного положения является датчик угловой скорости (ДУС), роль которого выполняет волоконно-оптический гироскоп (ВОГ), сигнал на выходе которого пропорционален угловой скорости вращения платформы. Поэтому для устранения статической ошибки стабилизации сигнал с выхода ВОГ поступает на интегратор, на выходе которого формируется напряжение пропорциональное уже не скорости, а углу отклонения платформы.
Далее это напряжение поступает на вход корректирующего звена, которое формирует необходимый вид ЛАХ для обеспечения устойчивости работы ГС. После предварительного усиления напряжение пропорциональ-ное углу отклонения платформы поступает на схему гальванической развязки, которая обеспечивает развязку по цепям питания между схемой управления и усилителем мощности (УМ), между сильноточными и слаботочными цепями схемы. Это необходимо для увеличения помехозащищенности канала обратной связи, кроме того это позволяет запитывать УМ непосредственно от первичного источника питания (аккумулятора или внешнего блока питания) без использования мощных преобразователей напряжения для питания УМ.
Далее сигнал подается на вход усилителя мощности, который обеспечивает подачу управляющего напряжения на двигатели стабилизации. УМ выполнен импульсным с использованием широтно-импульсной модуляции управляющего напряжения. Это позволяет повысить КПД УМ, что является актуальным с учетом требований к необходимости получения больших скоростей и ускорений управления положением телекамеры, что требует применения мощных двигателей стабилизации.
Одной из особенностей использования ВОГ является его высокая чувствительность к воздействию внешних электрических возмущений, что приводит к нарушению работы ВОГ вплоть до выхода его из строя. Поэтому в состав канала стабилизации необходимо обязательное включение специальной схемы защиты ВОГ.
Описание и расчет элементов электрической схемы канала обратной связи ГС ТК. Описание схемы защиты и подачи питания на ВОГ.Особенностью эксплуатации ВОГ, в отличие от механических гироскопов, является его высокая чувствительность к превышениям допустимых электрических воздействий по цепям питания и выходным цепям. Кроме того требуется определенная последовательность включения во времени различных цепей. Поэтому для подачи питания на ВОГ была разработана схема питания и защиты ВОГ, которая представлена на рис.2.
Данная схема обеспечивает:
тАФ задержку подачи напряжения В± 15 В относительно напряжения питания суперлюминесцентного диода (СЛД) на время 0.5 с.;
тАФ защиту СЛД и ВОГа от перепутки полярности при подаче напряжения питания;
тАФ отключение напряжения В± 15 В.
а) при обрыве любого из питающих проводников или тАЬобщеготАЭ провода;
б) при исчезновении напряжения на СЛД;
тАФ обеспечивает фильтрацию напряжения по цепям питания СЛД и В±15 В.
Описание работы схемы.
Через выключатель В1, диод VD1, резистор R1 осуществляется подача тока в СЛД ВОГа. Конденсаторы C1, C2 фильтрующие, их номинал 10.0 мкФ. и 0.22 мкФ. выбран в соответствии с рекомендациями приведенными в инструкции по эксплуатации ВОГ. Резистор R1 задает ток СЛД, его номинал определяется по формуле:
(Uвх.-3) (15 - 3)
R1 = = = 130 Ом.
Iслд. 0.09
где Iслд. - номинальный ток через СЛД.
Диоды VD1, VD7, VD8 защищают ВОГ при подаче напряжения обратной полярности. В качестве этих диодов могут быть применены любые диоды с допустимым прямым током не менее 0.3 А, в макете использованы диоды типа КД212. Диод VD3 типа КД522 предохраняет СЛД от наведенных случайных импульсов обратной полярности.
На элементах R2, R3, C3, VD2, VD4, VT1 выполнена схема задержки подачи на ВОГ напряжения В±15 В и его снятия при исчезновении напряжения на СЛД. Работает схема следующим образом. При появлении напряжения питания на аноде СЛД конденсатор C3 начинает заряжаться через резистор R3. Когда напряжение на нем достигнет уровня около 1.2 В открывается транзистор VT1 и через ограничительный резистор R4 в базу транзистора VT2 поступает открывающий его ток, при этом срабатывает реле Р1 и через контакты Р1.1 и Р1.2 напряжение В±15В поступает на ВОГ. Если напряжение на СЛД по какой-либо причине исчезнет, то конденсатор C3 быстро разряжается через диод VD2 и резистор R2, транзисторы VT1 и VT2 закрываются и реле размыкает цепь подачи В±15 В на ВОГ.
Диод VD4 поднимает порог открывания транзистора VT1 на 0.5 В. Диод VD5 защищает транзистор VT2 от пробоя при отключении реле. Диоды VD3, VD4, VD5 типа КД522.
При выборе величины R3 = 100 кОм и C3 = 10.0 мкФ. постоянная времени цепи задержки Т будет равна:
Т = 2В·3.14В·R3В·C3 = 6.28 В· 100В·103 В·10.0В·10-6 = 6.28 c.
Реально открывание транзистора VT1 происходит примерно через 0.5 с.
Величина резистора R4 при заданном токе базы транзистора VT2 Iб2 = 2 мА. определяется по следующей формуле:
15 B. 15
R4 = = = 7500 Ом. ( Выбираю R4 = 10 кОм )
Iб2. 0.002
Резисторы R5, R6 и конденсаторы C4..C7 образуют фильтр по цепи питания В±15 В. Их величины не рассчитывались, а выбраны в соответствие с рекомендациями приведенными в инструкции по эксплуатации ВОГ.
R5 = R6 = 1 Ом, C4 = C6 = 0.22 мкФ, C5 = C7 = 10.0 мкФ.
Транзистор VT1 типа КТ315, VT2 типа КТ502. Реле типа РЭС60, РЭС80. Стабилитрон VD6 необходим при использовании реле с напряжением удержания менее 15 В. Он служит для обеспечения надежного выключения реле при пропадании одного из напряжений В±15 В. В макете использован стабилитрон типа Д814А имеющий напряжение стабилизации 8 В.
Описание элементов электрической схемы канала стабилизации.Электрическая схема слаботочной части канала стабилизации представлена на рис.3. Рассмотрим элементы схемы.
1. Интегратор и предварительный усилитель.
Особенностью использования ДУСа в качестве чувствительного элемента (ЧЭ) ИГС является необходимость применения интегрирующих звеньев в канале стабилизации для получения необходимого коэффициента усиления в низкочастотной области ЛАХ. При использовании идеального интегратора происходит стабилизация по углу вместо стабилизации по скорости.
Интегратор выполнен на микросхеме DA1. Его передаточная функция при R1 = R5 = R имеет следующий вид [1]:
- Ku'
Wи(s) =
(s/[Ku'В·fср] + 1) В· (sВ·Ku'В·RВ· C + 1)
где Кu' - коэффициент усиления ОУ без цепей обратной связи;
fср - частота единичного усиления ОУ;
С = C1.
В качестве DA1 применен ОУ типа КР140УД18 имеющий следующие характеристики [2]:
Uпит.ном.[B] 2х15 (6.18);
Ku' 50000;
Uсм.[mB] 10;
Iвх[нА] 1;
ΔIвх[нА] 0.1;
fср[Гц] 1;
Vu [B/мкс] 5;
Rвх[МОм] 1000000.
Выбор данного типа ОУ обусловлен его высоким входным сопротивлением Rвх. и повышенной частотой единичного усиления fср. При подстановке этих параметров в выражение для Wи(s) получается выражение следующего вида (при R=R1=1 МОм, С=C1= 2.2 мкФ):
-5В·104 -5В·104
Wи(s) = =
(s/5В·1010+1)В·(sВ·1.1В·104+1) (T1В·s+1) В· (T2В·s+1)
В данном выражении T1 << 1, поэтому первую скобку знаменателя можно принять равной единице, а во второй скобке Т2 соответствует частоте среза
ω2 = 1/Т2 = 1/1.1В·104 = 9.1В·10-5 1/c = 1.5В·10-5 Гц.
Поэтому с достаточной для практического использования точностью, можно считать интегратор идеальным с передаточной функцией:
-1 1
Wи(s) = = Ки В· ,
sВ·RВ·C s
где Ки=-1/(R1В·C1)=-1/(1В·106В·2.2В·10-6)=-0.455- коэффициент
передачи интегратора (при R1=1MОм и C1=2.2мкФ.).
Основные составляющие ошибок интегрирования обусловлены напряжением смещения нуля Uсм и входными токами ОУ, которые даже при Uвх=0 протекают через конденсатор C1 заряжая его. Это приводит к появлению линейно изменяющегося выходного напряжения, что приводит со временем к насыщению ОУ. При заземлении неинвертирующего входа ОУ через резистор R5 = R1, на погрешность интегрирования будет влиять только разность входных токов ОУ, которая для данного типа ОУ в 10 раз меньше входного тока ОУ. Для устранения влияния Uсм ОУ, а также Uсм ВОГ применена подстройка ноля, выполненная на элементах R2, R3, R4, VD1, VD2.
При выборе величины R2 = R3 = 15 кОм через диоды протекает ток: I = 15B/15кОм = 1 мА. и на них выделяется напряжение около 1 В, которое используется для создания напряжения смещения для балансировки ОУ с помощью переменного резистора R4 = 6.8 кОм. Такой способ подачи напряжения смещения позволяет практически исключить влияние изменений напряжения питания ОУ, к которому подключена цепь балансировки, на величину напряжения балансировки.
На ОУ DA2 выполнен предварительный усилитель, имеющий коэффициент усиления (при R6=10 кОм, R7=200 кОм):
Кпу = -R7/R6 = -200кОм/10кОм = -20
Требования к параметрам ОУ DA2 невысоки, поэтому на его месте использован ОУ типа КР140УД20А, имеющий следующие характеристики:
Uпит.ном.[B] 2х15 (5.18.5);
Ku' 50000;
Uсм.[mB] 5;
Iвх.[нА] 100;
ΔIвх.[нА] 30;
fср.[Гц] 0.5;
Vu [B/мкс] 0.3;
Rвх.[МОм] 0.4.
Таким образом, напряжение на выходе ОУ DA2 пропорционально углу поворота ВОГ α:
Uвых = Ки В· Wи(s) В· Кпу В· Квог В· (α В· s) =
1
= -0.45 В· В· (-20) В· 0.18 В· α В· s = Kип.В· α
s
где Квог = 0.18 В/(град./сек.) - коэффициент передачи ВОГ;
αВ·s - угловая скорость измеряемая ВОГ;
Кип. = 1.64 В/град. = 94 В/рад. - коэффициент передачи ВОГа, интегрaтора и предварительного усилителя.
2. Промежуточный усилитель и схема гальванической развязки.
НаВа DA4 выполнена схема гальванической развязки, на DA3 - промежуточный усилитель. Оба ОУ типа КР140УД20А. DA3.1 имеет коэффициент усиления К = R11/R10 = 200В·103 /10В·103 = 20 (при R10 = 10 кОм и R11 = 200 кОм). Кроме сигнала с выхода интегратора на его вход подается напряжение с выхода ВОГ, что обеспечивает появление дифференциала в ЛАХ разомкнутого канала на частоте ω, которая определяется из следующих выражений:
ω = 1/Tд
Тд = Кд/(Кип./Квог) = Кд/(94/(0.18 В· 57.3)) = Кд/9.1
При R10 = R17 = 10 кОм коэффициент передачи делителя R8, R9 (Кд) определяется по следующей формуле:
Кд = R9/(R8+R9).
При ω = 40 1/с получаем Тд = 1/ω = 1/40 = 0.025 c. откуда:
Кд/9.1 = 0.025 или Кд = 0.23
Тогда при выборе R9 = 3 кОм., номинал резистора R8 определится по следующей формуле:
R8 = R9/Kд - R9 = 3В·103/0.23 - 3В·103 = 10043 Ом = 10 кОм
Такой способ получения дифференциала от угла поворота ВОГ обеспечивает меньший уровень помех на выходе дифференциатора, чем при использовании дифференцирующей RC-цепочки.
Отключение полученного дифференциала происходит с помощью интегрирующей цепочки R12, C2, частота среза ωср. которой при R12 = 10 кОм. и C2 = 0.15 мкФ. равна:
ωср = 1/(10В·103 В·0.15В·10-6) = 667 1/c = 105 Гц.
Ти = 1/ωср = 1/667 = 0.0015 с.
Таким образом в канале формируется корректирующее звено с передаточной функцией вида:
Тд В· s + 1 0.025 В· s + 1
Wкз(s) = =
Ти В· s + 1 0.0015 В· s + 1
Коэффициент усиления ОУ DA3.2 при R12 = 10 кОм и R13 = 20 кОм определяется по формуле К = R13/R12 = 20/10 = 2. Этот ОУ используется для изменения при необходимости коэффициента передачи канала. Диоды на входе DA3.2 ограничивают его выходное напряжение на уровне Uвых = 0.5В.В·К.
Это предохраняет ОУ DA3.2 от насыщения выходного каскада, а, следовательно, от появления дополнительных нелинейностей в канале.
Конденсаторы C3..C5 препятствуют прохождению через ОУ высокочастотных шумов. Их номинал 30 пФ.
2. Схема гальванической развязки.
Гальваническая развязка схемы от УМ осуществляется с помощью диодных оптопар типа АОД101. Ток в светодиоды оптронов V1, V2 поступает из преобразователя напряжение-ток, выполненного на ОУ DA4.2. Транзисторы VT1, VT2 типа КТ502, КТ503 служат для увеличения выходного тока преобразователя до 15мА. Они выбираются по максимальной рассеиваемой мощности коллектора, которая определяется по формуле:
Рк = (15 - Uo - Io В· R16) В· Io =
= (15 - 2 - 15 В·10-3 В·300) В·15В·10-3 = 0.13 Вт.
где Uo =2В.-падение напряжения на светодиоде оптрона;
Io =15 мА. - максимальный ток через светодиод
оптрона;
R16 = 300 Ом.
Электрические параметры транзисторов КТ502, КТ503 следующие:
Рк.макс. [Вт] 0.35;
Uкб.обр. [B] не менее 40;
Iк.макс. [mA] 150.
Резистор R16 определяет коэффициент передачи преобразователя напряжение-ток, который при выборе R16 = 300 Ом составляет:
Кui = 1/R16 = 1/300 = 0.003 А./В. = 3 мА./В.
Коэффициенты передачи оптронов могут различаться более чем на порядок. Для компенсации этого различия служит схема выполненная на ОУ DA4.1, в которой подстроечным резистором R15 = 15 кОм. Производится регулировка коэффициента усиления отдельно для положительной и отрицательной половин входного сигнала. При выборе резистора R14 = 10 кОм коэффициент передачи DA4.1 может изменяться в пределах 0.1.5.
3. Усилитель мощности с широтно-импульсной
модуляцией выходного напряжения.
Для управления исполнительными двигателями (ИД) гиростабилизатора была разработана схема усилителя мощности (УМ) с применением широтноимпульсной модуляции выходного напряжения. Основные требования
предъявляемые к УМ, следующие:
тАФ максимальная надежность
а) сохранение работоспособности при изменении:
температуры окружающей среды в диапазоне 30..+60 град.С;
напряжения питания в диапазоне 15..36 В;
б) сохранение работоспособности при пропадании одного из напряжений питания или входа;
в) защита схемы от перепутки полярности питания,
от короткого замыкания в нагрузке,
от перегрева;
тАФ гальваническая развязка от усилительно-преобразую-щей части схемы.
тАФ минимальный уровень помех;
тАФ минимальные масса, собственное энергопотребление, габариты;
тАФ возможность работы на индуктивную нагрузку;
Для передачи аналогового сигнала в нагрузку используют различные виды модуляции импульсной последовательности: ШИМ, ЧИМ, РИМ и т.д. В разработанном УМ применена широтно-импульсная модуляция (ШИМ), основное преимущество которой от других видов импульсных модуляций - это постоянство частоты коммутации ключей, что позволяет:
тАФ синхронизировать работу всех потребителей;
тАФ зафиксировать нижнюю границу рабочих частот УМ, что облегчает построение фильтров "срезающих" высокочастотные помехи возникающие при коммутации силовых ключей УМ.
Существует два типа ШИМ:
а) имеющие при Uвх.=0 постоянно закрытые ключи;
тАЬ+тАЭ более высокий КПД, чем тип б);
тАЬ-тАЭ при малых Uвх. происходит резкое возрастание Rвых. из-за появления режима прерывистых токов дросселя;
б) имеющие при Uвх.=0 на выходе меандр скважности 0.5;
тАЬ+тАЭ отсутствие недостатка типа а), что позволяет использовать этот тип ШИМ для коммутации индуктивной нагрузки.
Разработанный УМ при соответствующей регулировке может реализовать как первый, так и второй типы ШИМ, а также все промежуточные между ними виды. Частота коммутации силовых ключей в разработанном УМ может быть установлена в диапазоне 10..50 кГц. В макете частота коммутации равна 20 кГц.
Схема состоит из следующих основных узлов:
1. схема управления, состоящая из:
- задающего генератора;
- промежуточного усилителя с гальванической
развязкой Uвх.;
2. мостовой переключатель с цепью защиты от перегрузки по току и перегрева;
1) Cхемa управления.
Схема управления представлена на Рис.4.
Схема управления содержит в себе:
- предварительный усилитель, выполненный на ОУ DA1.2;
- генератор пилообразного напряжения, выполненный на
компараторе DA3;
- устройства сравнения на компараторах DA4, DA5;
- повторителя напряжения "общего провода" на ОУ DA1.1.
Входной сигнал поступающий на вход ОУ DA1.2 может быть трех видов:
1) в виде входного напряжения Uвх. или
2) входного тока, подающихся относительно зажима "Общ.";
3) в виде входного тока, поступающего в светодиоды оптронов через выводы "Iоп". В этом случае обеспечивается гальваническая развязка источника входного сигнала и УМ.
В первом случае резистор R11 можно исключить. Интегрирующая цепочка R19, C7 на входе УМ служит для подавления высокочастотных помех, возникающих в линии связи между УМ и источником сигнала. Задавшись частотой среза fср. = 2 кГц, и C7 = 0.1 мкФ, определяю номинал R19:
R19 = 1/(2В·3.14В·fср.В·C7) = 1/(2В·3.14В·2В·103В·0.1В·10-6) = 796 Ом
Принимаю R19 = 1 кОм, тогда
fср. = 1/(6.28В·R19В·C7) = 1/(6.28В·1В·103В·1В·10-7) = 1.6 кГц.
Во втором случае R19 и C7 необходимо исключить. Напряжения на резисторе R11 пропорционально току протекающему в паре проводов "Iвх" и "Общ". Задавшись коэффициентом пропорциональности К = 10 мА/В определяю величину R11.
R11 = 1/К = 1/10В·10-3 = 100 Ом
Второй вариант подачи входного сигнала предпочтительнее первого, т.к. при длинной линии связи передача тока вместо напряжения обеспечивает много меньший уровень помех на входе УМ. В третьем случае по проводникам "Iоп" также передается ток, питающий оптроны V1.1 и V1.2, благодаря которым обеспечивается гальваническая развязка источника входного сигнала и УМ. При подаче входного сигнала через оптопару, перемычка а-b удаляется.
Определяю номиналы элементов цепи гальванической развязки. Оптроны выбраны диодные типа АОД101, т.к. их температурная и временная стабильностью выше чем у других типов оптронов. Максимальный входной ток оптрона Iо.мах. = 20 мА. В зависимости от знака тока Iоп, он протекает через V1.1 или V2.1. Этот ток вызывает появление тока в обратносмещенных фотодиодах V1.2 или V2.2, что вызывает изменение потенциала в точке их соединения. Это изменение через R6 подается на вход DA1.2. Определяю величину резисторов R4 = R5 из условий:
1) R4 << Rтемн. = 1 мОм;
2) R4 > U/Iфд. = 1/0.2В·10-3 = 5000 Ом = 5 кОм.
Где Rтемн. - обратное сопротивление неосвещенного V1.2 (V2.2);
U - напряжение которое необходимо подать на вход DA1.2(задаюсь);
Iфд. = Iо.мах. В·Кi = 20В·10-3В·0.01 = 0.0002 A = 0.2 mA.
обратный ток через фотодиод при максимальном входном токе;
здесь Кi = 0.01 - коэффициент передачи оптрона по току.
(из справочника)
Принимаю R4 = R5 = 10 кОм.
Генератор пилообразного напряжения выполнен на компараторе DA3, на выходе которого включена стабилизирующая цепочка R17, Vd2, формирующая стабильное напряжение для зарядки конденсатора C6 и установки амплитуды пилообразного напряжения. Это позволяет избавиться от влияния напряжения питания на частоту и амплитуду "пилы". В качестве DA3 целесообразнее применить компаратор, а не ОУ т.к.:
- его выходное напряжение не более чем на 1 В. отличается от Uпит.;
- скорость переключения компаратора много больше, чем у ОУ общего применения, что позволяет формировать "пилу" с острыми пиками (это влияет на линейность передаточной характеристики УМ).
Определяю номиналы входящих в генератор элементов. Напряжение стабилизации стабилитрона VD2 определяю из условия:
Uст. < (Uпит.мin-1)/2 = (15-1)/2 = 7 В.
Выбираю стабилитрон VD2 типа КС162А (двуполярный), имеющий напряжение стабилизации Uст = 5.9.6.5 В. Амплитуда напряжения "пилы" Uпил. задается отношением резисторов R14, R15. При Uпил. = 1 В. и R15 = 10 кОм величина R14 равна:
Uпил. В·R15
R14 = = 1В·15В·103/(6.2-1) = 2884 Ом = 3 кОм.
Uст.-Uпил.
Коллектор выходного транзистора компаратора DA3 через резистор R18 = 2 кОм подключен к "+Uпит" для снижения уровня помех в цепи питания ОУ. Резистор R17 определяет ток через стабилитрон VD2.
Uпит.мах./2
R17 > = 35/2/30В·10-3 = 583 Ом.
Iст.мах.
где Iст.мах. = 30 мА. - максимально допустимый ток через стабилитрон. Принимаю R17 = 2 кОм.
Заряд конденсатора C6, на котором формируется пилообразное напряжение, происходит через резистор R16. При Uпил.<<Uст. величину резистора R16, при заданном C6 = 2.2 нФ., можно определять по следующей приближенной формуле:
Uст. 6.2
R16 = = = 70454Ом.
2В·Uпил. В·fраб.В·C6 2В·1В·2В·104В·2.2В·10-9
При построении формирующей цепочки R16, C6 необходимо стремиться к использованию более высокоомного резистора R16, а величину C6 желательно уменьшать, для уменьшения токов в цепях генератора "пилы". В любом случае резистор R16 необходимо подбирать при настройке УМ. При работе с внешней синхронизацией частоту собственных колебаний генератора "пилы" следует устанавливать на 5.10 % меньшей частоты внешнего синхросигнала. Амплитуда напряжения синхронизации подаваемого на вход "fсинхр." УМ должна быть большей амплитуды напряжения "пилы". Конденсатор C8 разделительный, его номинал C8 = 0.47 мкФ. Резистор R20 и C9 образуют ФНЧ с частотой среза fср. = 1.5 В· fсинхр. = 30 кГц. При C9=47 нФ. величина R20 определяется по следующей формуле:
R20 = 1/(2В·3.14В·fср.В·C9) = 1/(2В·3.14В·30В·103В·47В·10-9) = 110 Ом
На диодах VD3..6 и резисторах R9, R10 собрана схема создания пороговых напряжений, которые формируются на смещенных в прямом направлении р-n переходах диодов. Напряжение на двух последовательно включенных диодах равно Uпор. = 1 В. Резисторы R9, R10 выбираются таким образом, чтобы обеспечить протекающий через диоды ток на уровне 0.5.1мА.
Uпит.
R10 = R9 = В·0.5 = 24/10-3В·0.5 = 12000 Ом = 12 кОм.
Iдиода
Конденсатор C4 фильтрующий, он служит для уменьшения уровня шумов в составе напряжения Uпор. Его номинал - C4 = 0.22 мкФ. Оба пороговых напряжения одновременно смещаются относительно общего провода при изменении выходного напряжения на выходе ОУ DA1.2.
Коэффициент усиления ОУ DA1.2 определяется отношением резисторов R6, R8 и выбирается исходя из следующих соображений. Амплитуда напряжения на выходе оптронов U равна 1 В. (задаюсь, см. выше). Амплитуда напряжения на выходе ОУ должна быть не менее Uвых. = 2 В· Uпил. = 2 В.
Т.о. коэффициент усиления ОУ DA1.2:
К = Uвых./U = 2/1 = 2.
Тогда при R6 = 10 кОм,
R8 = R6 В· (K - 1) = 104В·(2-1) = 10000 = 10 кОм.
Неинвертирующее включение ОУ DA1.2 выбрано для увеличения его входного сопротивления.
При передаче входного сигнала током c выделением его в виде напряжения на R11 - Ur11, расчет проводят аналогично, приняв Uвх = Ur11.
В цепи питания ОУ и компараторов установлен RC-фильтр, выполненный на R1, C1, C2. При R1 = 47 Ом, C1= 0.47 мкФ, C2 = 10.0 мкФ частота среза фильтра равна:
fср=1/(6.28В·R1В·(C1+C2))=1/(6.28В·47В·(10+0.47)В·10-6) = 323 Гц.
Диод VD1 обеспечивает защиту схемы управления от выгорания при перепутке полярности при подаче питающего напряжения.
Формирование потенциала "общей точки" производится делителем R2, R3, величина резисторов которого должна быть не менее чем в 10 раз меньше входного сопротивления ОУ, равного для КР140УД20 500 кОм. Выбираю R2 = R3 = 50 кОм. Конденсатор C3 имеет емкость 0.22 мкФ. Напряжение с делителя R2, R3 поступает на повторитель выполненный на ОУ DA1.1, на выходе которого включен фильтрующий конденсатор C5 емкостью 0.47 мкФ. Резистор R12 подстроечный, служит для выставки ноля УМ. Его величина - 4.7 кОм.
При отсутствии гальванической развязки УМ от источника входного сигнала напряжение "общей точки" подается на повторитель DA1.1 через резистор R13, величина которого должна быть много меньше R2, R3. Выбираю R13 = 1 кОм.
2. Мостовой переключатель.
Схема ключевого каскада УМ позволяет с помощью только одного УМ запитывать оба двигателя стабилизации. Причем, благодаря применению мостовой схемы, напряжение на двигателях стабилизации изменяется на ± Uпит., при наличии только однополярного +Uпит. для питания самого УМ.
Электрическая схема ключевого каскада УМ приведена на Рис.5. Работа ее происходит следующим образом.
Включение каждого плеча (VT1, VT3 и VT2, VT4) моста происходит при тАЬзамыканиитАЭ точек 1-2 и 3-4 схемы через открытые внутренние транзисторы компараторов DA4, DA5 схемы управления (рис.5). Закрывание ключей происходит при тАЬразмыканиитАЭ точек 1-2 и 3-4 схемы. Закрытие ключевых транзисторов пассивное, его скорость определяется скоростью рассасывания заряда затвора через резисторы R5..R8. При R5..R8=30 Ом время закрытия транзисторов tзакр. = 0.5 мкс.
Суммарная величина сопротивлений R10+R12 и R11+R13 определяет базовый ток ключевых транзисторов в каждом плече моста.
Uпит.max-1.3B 36-2B
R10+R12 = = = 340 Ом
Iб 0.1
где Uпит.max - максимальное напряжение питания;
2В - сумма падений напряжения на переходах Б-Э силовых ключей и К-Э управляющего транзистора компаратора. Iб - базовый ток ключей, который определяется из следующего условия;
Iк.мах
< Iб < 0.15 A
h21э
3
= 0.075 < Iб < 0.15
40
Принимаю Iб = 0.1 А.
Здесь Iк.мах - максимально возможный ток коллектора силового ключа;
h21э - минимальный коэффициент передачи по току данного типа силового ключа (выбираем из справочника);
Ограничение тока базы "сверху" накладывается максимально допустимым током коллектора выходного транзистора компаратора схемы управления, который коммутирует базовый ток силовых ключей. При необходимости коммутировать ток базы больший 0.15 А, к внутреннему транзистору компаратора подключают дополнительно внешний по схеме составного транзистора.
Максимальная мощность выделяемая в R10+R12 равна:
Р(R10+R12) = Iб2 ⋅ (R10+R12) = 0.01⋅340 = 3.4 Вт.
Принимаем номинал резисторов и их мощность следующими:
R10 = R11 = R12 = R13 = 170 Ом.
РR10 = Р(R10+R12)/4 = 0.85 = 1 Вт.
Увеличение токов базы и рассасывания позволяет уменьшить времена закрывания и открывания ключей (tзакр. и tотк.). Это позволяет увеличить частоту коммутации fком. ключей, что дает возможность уменьшить величину индуктивности фильтра L1, однако при этом:
1) возрастают коммутационные потери в ключах;
1) увеличиваются импульсные помехи;
2) появляются трудности с подбором мощных импульсных диодов.
В качестве ключей применена комплементарная пара полевых n и р-канальных СИТ - транзисторов типа КП954А, КП964А, которые имеют следующие характеристики:
Iс.мах. 20 А;
Uс.и.мах. 150 В;
Uс.и.обр. 80 В;
Uс.и.нас.(Iс.=20А) 0.7 В;
tсп. = tвкл. 50 нс;
tрасс. 0.5 мкс;
Рс.max. 40 Вт.
Применение полевых транзисторов вместо биполярных позволяет:
1) иметь малые tрасс., т.е. уменьшить нелинейность выходной характеристики в области малых сигналов (вблизи нуля);
2) иметь малые tсп. и tвкл., т.е. уменьшить динамические потери при переключении, следовательно, уменьшить температуру транзисторов и, следовательно, вероятность их отказа;
3) повысить надежность УМ, т.к. у полевых транзисторов отсутствует вторичный пробой, что особенно важно при индуктивной нагрузке.
Диоды VD6..VD9 служат для замыкания цепи тока нагрузки при закрытых ключах. Они выбираются по максимальному току и по времени восстановления обратного сопротивления. В схеме использованы импульсные диоды типа КД212А имеющие следующие электрические параметры:
Uобр. 200 В;
Iпр.пост. 1 А;
tвосст. 0.3 мкс.
Диоды VD1..VD4 служат для защиты от пробоя перехода затвор - исток транзисторов VT4..VT4. Здесь могут быть использованы любые маломощные импульсные диоды, в схеме применен КД522.
Схема защиты УМ от перегрузки по выходному току выполнена на транзисторах VT5..VT9. Она работает следующим образом. Ток нагрузки, протекая через измерительный резистор R17, образует на нем падение напряжения U = Iн.⋅R17. При превышении этим напряжением заданного порога, транзисторы VT5..VT9 открываются и запирают силовые ключи, прекращая подачу тока в нагрузку.
Транзисторы VT5..VT9, кроме того, могут быть открыты током проходящим через резистор R18 и обратно смещенные переходы транзистора VT10. Этот ток возникает при обратимом тепловом пробое транзистора VT10, причиной которого является перегрев VT10 выше температуры примерно в 100 градусов. Транзистор VT10 германиевый, он закрепляется на радиаторе ключей и выполняет роль защиты ключей от перегрева. В схеме использован транзистор типа МП16.
Резиторы R3, R4, R14 задают базовый ток Iб транзисторов VT7..VT9, который определяется из условия:
Iб > Iк.VT7.max./h21э.min. = 0.1/40 = 0.0025 А = 2.5 мА.
Принимаю Iб.VT7 = 5 мА.,
R7 = (1B-0.5В)/5mA = 100 Ом
здесь 1В - напряжение срабатывания защиты;
0.5В - падение напряжения на переходе Б-Э.
Принимаю R7..R9 = 100 Ом.
Величина резистора R18 равна:
R18 = Uпит.max. /Iб.VT9.max = 36/0.04 = 900 Ом
Принимаю R18 = 3 кОм.
Величина коллекторного сопротивления Rк VT5..VT8 для обеспечения надежного запирания силовых ключей должна быть не более:
Rк. < R5 / 10 = 30/10 = 3 Ом.
Максимально допустимый ток коллектора VT5..VT8 должен быть не менее Iб.ключей = 0.1 A. В макете в качестве VT5..VT9 использованы транзисторы:
VT5, VT6 тАФ типа КТ608,
VT7..VT9 тАФ типа КТ209М
Для уменьшения потерь мощности в измерительном резисторе R17 применена подставка напряжения, выполненная на элементах VD10, R15, R16. Рассчитаем защиту на ток срабатывания Iср. = 3 А.
Rизм < 0.7/Iср. = 0.7/3 = 0.23 Ома.
Выбираю Rизм. = 0.1 Ома, тогда напряжение на нем при Iн.=Iср. Uи. и рассеиваемая в нем при этом мощность Ризм.мах. следующие:
Uи. = R17⋅Iср. = 0.1⋅3 = 0.3 В.
Ризм.мах. = Iср. ⋅Uи. = 3⋅0.3 = 0.9 Вт.
Ризм.ном. = Iном.2⋅R17 = 22⋅0.1 = 0.4 Вт.
(при номинальном токе Iном. = 2А)
Ток диода VD10 должен быть больше суммы базовых токов VT7..VT9 необходимых для их открывания.
IVD10 = 10e-3 > 6 mA.
R16 = Uпит.min./Ivd7 = 15/0.006 = 3000 Ом = 2.5 кОм.
Чтобы R15 не шунтировал VD10 его величина выбирается из условия:
R15 > R16⋅0.7/Uпит.max. = 2500⋅0.7/36 = 48 Ом.
Выбираю R15 = 350 Ом.
Напряжение на открытом диоде = 0.5 В., на R15.2 должно присутствовать напряжение U = 0.5 - Uизм. = 0.5-0.3 = 0.2 В.
Тогда
R15.2 = U⋅R15/0.7 = 0.2⋅350/0.7 = 100 Ом.
R15.1 = 350 - 100 = 250 Ом.
Таким образом R15 должен быть тАЬразделентАЭ на два резистора с номиналами 100 и 250 Ом.
Расчет входного LC-фильтра.
Определяю диаметр провода d по заданной максимально допустимой плотность тока j = 10 А/мм2 в нем:
4⋅Iн.ном. 4⋅2
d = = = 0.5 мм
3.14⋅j 3.14⋅10
Фильтр выполняю на сердечнике К20х12х6 из феррита 2000НМ1. Его данные:
Sст.[см2] = 0.24; (площадь поперечного сечения)
Lc. [см] = 5.03; (средняя длина магнитной линии)
Bmax [Tл] = 0.3. (индукция насыщения)
Полагаю 1) Lз. << Lc. (Lз. - величина немагнитного зазора)
2) магнитное сопротивление зазора >> сопротивления сердечника;
3) Lз << его площади.
Задаю рабочую индукцию в зазоре В = 0.2 Тл. Обмотка однослойная. Определяю количество витков W в обмотке.
3.14⋅ (d'-2⋅d) 3.14⋅(12-2⋅0.5)
W = = = 69
d 0.5
где d' - внутренний диаметр магнитопровода.
Напряженность магнитного поля в зазоре
H = B/μ0 = 0.2/1.26⋅10-6 = 158730 A/m;
где μ0 = 1.26⋅10-6 абсолютная магнитная проницаемость.
Lз = Iн.ном. ⋅W/H = 2⋅69/158730 = 0.00087 м = 0.9 мм.
Определяю индуктивность (L1).
Для кольцевого магнитопровода индуктивность равна:
r
a
D
μ0 D+r
LтАЩ = ⋅W2 ⋅a ⋅ ln
2⋅π D-r
r = (d''-d')/2 = (20-12)/2 = 4 мм.
D = r + d'= 4+12 = 16 мм.
L'= 1.26⋅10-6/6.28⋅692⋅6⋅10-3⋅ln((16+4)/(16-4)) = 2.93В·10-6 Гн.
L1 = L'⋅ Lс./Lз. = 2.93В·10-6В·50.3/0.9 = 0.00016 Гн. = 160 мкГн.
Активное сопротивление обмотки:
Ra. = ρCu⋅L/(3.14⋅d2/4) = 1.72⋅10-8⋅1.52/(3.14⋅(0.5⋅10-3)2/4) = 0.133 Ом.
где ρCu = 0.0172 Ом⋅мм = 1.72⋅10-8 Ом⋅м
удельное сопротивление меди;
L = 2⋅ (r+a+2⋅d)⋅W = 2⋅(4+6+2⋅0.5)⋅0.001⋅69 = 1.52 м.
длина провода.
Максимальные потери в катушке L1 составляют:
РL1.max = Iн.max2 ⋅Ra. = 2⋅2⋅0.133 = 0.5 Вт.
Расчет генератора напряжения смещения.Генератор предназначен для подачи тАЬподпирающеготАЭ напряжения на двигатели стабилизации для выборки люфта редуктора.
Схема генератора состоит из:
тАФ задающего генератора;
тАФ усилителя мощности;
тАФ трансформатора с выпрямителями.
Задающий генератор выполнен на логическом элементе DD1.1 (триггер Шмитта). Цепочка R2, C2 времязадающая. Питание логических элементов осуществляется от простейшего параметрического стабилизатора выполненного на R1, VD1, C1. Так как потребление DD1 (561ТЛ1) не превышает 0.5 mA, то ток через R1 примем равным 5 mA. Напряжение стабилизации VD1 выбираю равным Uст = 14 В (при использовании стабилитрона типа Д814Д). Тогда сопротивление резистора R1 определяется как:
R1 < (Uпит.min - Uст) / Iст.min = (15-14)/0.001 = 1 кОм
R1 > (Uпит.max - Uст) / Iст.max = (36-14)/0.03 = 733 Ом
где Iст.max(min) - максимальный (минимальный) допустимый ток
через стабилитрон. (из справочника)
Принимаю величину R1 = 1 кОм.
Тогда максимальная мощность резистора R1 равна:
РR1 = (Uпит.max - Uст)2 / R1 = (36-14)2 / 1000 = 0.48 Вт = 0.5 Вт
Элементы DD1.2..1.4 образуют усилитель тока для транзистора VT1. Коллекторный ток Iк.VT1 транзистора VT1 для получения достаточно крутых фронтов и для уменьшения времени рассасывания заряда в базе VT1 необходимо выбирать не менее 10mA. Тогда величина резистора R5 определится как:
R5 = Uпит / Iк.VT1 = 24 / 0.01 = 2.4 кОм.
Тогда максимальный ток базы транзистора VT1 равен:
Iб = Iк.max / h21э.min = 15mA/40 = 0.4 mA
Тогда величина резистора R3 определится как:
R3 = Uст / Iб = 14 / 0.4 = 35 кОм
Принимаю R3 = 20 кОм.
Величина резистора R4 должна быть не менее:
R4 > R3⋅(0.7/14) = 1 кОм
Принимаю R4 = 2 кОм.
Транзисторы VT2,VT3 типа КТ815, КТ814; VT4, VT5 типа КТ819, КТ818. Диоды VD2, VD3 типа КД522 или другие импульсные. При выборе транзисторов данных типов времена фронтов получены менее 1 мкс.
Номиналы элементов R6, R7, R8, C3, C4, C5, C6 не рассчитывались и подобраны экспериментально в процессе макетирования. Их значения:
R6 = 2.2 кОм;
R7 = R8 = 100 Ом;
C3 = С4 = 0.15 мкФ;
C5 = C6 = 1.5 мкФ.
Транзисторы VT2, VT3 должны иметь время рассасывания меньшее, чем транзисторы VT4, VT5.
Напряжение смещения, подаваемое на двигатели стабилизации определяется следующим образом. Пусть момент смещения составляет 15% от максимального, тогда напряжение и ток смещения для одного двигателя определится как:
Iсм = Imax⋅0.15 = 1.5⋅0.15 = 225 mA
Uсм = Rд⋅Iсм = 20⋅0.225 = 4.5 B.
где Rд - сопротивление обмотки якоря двигателя;
Imax - максимально допустимый ток двигателя.
Резисторы R9, R10 служат для регулировки тока смещения. Пусть падение напряжения на них составляет 0.5 В, тогда зная падение напряжения на диодах VD4..VD7 равное Uд = 0.6В, определяем напряжение на вторичных обмотках W2..W5 равное.
U2 = Uд + UR9 + Uсм = 0.6 + 0.5 + 4.5 = 5.6 B.
Напряжение на первичной обмотке W1 равно половине напряжения питания U1 = Uпит / 2 = 24/2 = 12 B.
Мощность отдаваемая генератором в двигатели стабилизации составляет:
Р2 = 2⋅2⋅U2 ⋅ Iсм = 2⋅2⋅5.6⋅0.225 = 5 Вт.
Основываясь на полученных значениях напряжений, токов и мощностей проведем упрощенный расчет трансформатора Т1.
Определяем габаритную мощность трансформатора.
Рг = Р2/(К⋅КПД)= 5/(0.85⋅0.71) = 8.4 Вт.
где К = 0.71 - коэффициент учитывающий исполнение вторичной обмотки [Л13].
Зная габаритную мощность, задаваясь частотой работы генератора f = 20 кГц и материалом магнитопровода (феррит 2000НМ1), по таблицам [Л13] определяем минимальный типоразмер сердечника магнитопровода, который будет К10х6х3. Принимаю типоразмер сердечника К20х12х6. Площадь его сечения Sс = 0.24 см2.
Определяем количество витков первичной обмотки при максимальной индукции магнитопровода В = 0.2 Тл.
Uпит.мах /2 36⋅104/2
W1 = = = 47
4⋅f⋅B⋅Sc 4⋅20000⋅0.2⋅0.24
Принимаю W1 = 50 витков, т.о. на 1 виток приходится 0.36В. Определяем количество витков вторичных обмоток.
W2 = W3 = W4 = W5 = U2 / 0.36 = 5.6 / 0.36 = 16
Определяем диаметр проводов обмоток задавшись плотностью тока в обмотках j = 10 А/мм2.
1) Первичная обмотка.
Ток первичной обмотки:
I1 = I2 / КПД = 0.45 / 0.85 = 0.53 A
4⋅I1 4⋅0.53
d1 = = = 0.25 мм
3.14⋅j 3.14⋅10
2) Вторичная обмотка.
4⋅I2 4⋅0.45
d2 = = = 0.24 мм
3.14⋅j 3.14⋅10
Описание датчика угла (перемещения) фазового типа.Принцип работы датчика угла (ДУ) основан на том, что скорость распространения электромагнитной волны в проводящей среде меньше, чем её скорость в вакууме. Таким образом, устанавливая на пути распространения волны слой проводящего материала шириной пропорциональной, например, углу поворота ротора ДУ, и измеряя задержку распространения сигнала можно судить о толщине этого слоя и, следовательно, об угле поворота ротора ДУ. Эту задержку удобно измерять сравнивая фазы двух сигналов: задержанного и, например, распространяющегося свободно.
Рассмотрим процесс распространения плоской электромагнитной волны в проводящем полупространстве (пластине бесконечной толщины), т.е. без учёта составляющей волны, отраженной от тАЬзаднейтАЭ стенки пластины. Это допущение справедливо т.к. при переходе электромагнитной волны из среды с низким волновым сопротивлением в среду с высоким волновым сопротивлением отражением в практических задачах можно пренебречь [Л14,стр.178]. В этом случае уравнения описывающие электромагнитную волну распространяю-щуюся в проводящей среде вдоль оси Z имеют вид:
. . . .
H=C⋅e-pz; E=Zв⋅C⋅e-pz ,
.
где С - постоянная интегрирования;
Р=k⋅(1+j) - постоянная распространения [м-1]; (1)
Zв=Р/γ - волновое сопротивление [Ом];
здесь j - тАЬмнимаятАЭ единица;
γ - проводимость [(Ом⋅м)-1];
k= (ω⋅γ⋅μа)/2 ;
μа - магнитная проницаемость [ Г/м ];
ω - угловая частота [с-1];
.
Постоянную интегрирования С найдём из граничных условий. Обозначая напряженность магнитного поля на поверхности
. . .
проводящей среды через Ha=Ha⋅ej⋅φ при z=0 получим C=Ha . Поэтому с учётом (1) .
H=Ha⋅e-kz⋅e-jkz⋅ejφ (2)
.
Аналогично E=Ha⋅e-kz⋅Zв⋅e-jkz⋅ejφ⋅ejπ/4 (3)
Чтобы записать выражение для мгновенных значений H и E, необходимо правые части (2) и (3) умножить на ejωt и взять мнимые части от полученных произведений.
H=Ha⋅e-kz⋅sin(ωt-kz+φ) (4)
E=Ha⋅ (ω⋅μa)/γ ⋅e-kz⋅sin(ωt-kz+φ+π/4) (5)
Анализируя полученные выражения (4) и (5) выявляются следующие свойства электромагнитной волны в проводнике:
1) Амплитуда H и E с увеличением z уменьшается по показательному закону благодаря множителю e-kz.
2) Мгновенные значения H и E определяются аргументом синуса, который зависит от z и от ωt.
Для того, чтобы охарактеризовать скорость убывания амплитуды электромагнитной волны вводят понятие тАЬглубина проникновениятАЭ, понимая под этим расстояние вдоль направления распространения волны на котором амплитуда падающей волны уменьшается в e раз. Глубину проникновения определяют с помощью выражения e-kδ=e-1, откуда k⋅δ=1 или
δ=1/k= 2/(ω⋅γ⋅μa) (6)
Как видно из выражения (6) δ зависит только от свойств проводящей среды γ и μа, и частоты ω.
Под длиной волны λ в проводящей среде понимают расстояние вдоль направления распространения волны на котором фаза колебаний изменяется на 2⋅π. Длину волны определяют из уравнения λ⋅k=2⋅π откуда:
λ=2⋅π/k (7)
Кроме того, из выражения для аргумента синуса в выражениях (4), (5), можно определить фазовую скорость распространения электромагнитной волны в проводящей среде, т.е. скорость с которой надо было бы перемещаться вдоль оси z чтобы колебание имело одну и ту же фазу. Фаза колебания определяется из аргумента синуса выражения (4):
ωt-kz+φ=ψ (8)
Производная от постоянной есть ноль, поэтому:
d/dt{(ωt-kz+φ)}=0 или ω-k⋅(dz/dt)=0; dz/dt=vфаз; vфаз=ω/k.
Практический интерес представляет разность фаз электромагнит-ной волны в точках разнесённых по оси z на расстояние h=z1-z2; (z1≠z2). Фаза колебания определяется выражением (8), откуда разность фаз Δψ=ψ1-ψ2=k⋅(z1-z2)=k⋅h
Δψ=k⋅h=k (ω⋅γ⋅μa/2) [рад] (9)
Как видно выражения (9), разность фаз прямо пропорциональна толщине слоя проводящей среды между точками z1 и z2. При этом если в ДУ в качестве проводящей среды используется пластина конечной толщины, то разность фаз будет пропорциональна её толщине.
Проанализируем полученные зависимости числено. Пусть в качестве проводящего слоя используется медная пластина толщиной h=1 мм., проводимость меди γ=5.6⋅107 (Ом⋅м)-1. Частота f=5 кГц, тогда ω=2⋅π⋅5000=31416 рад/с.; μа=4⋅π⋅10-7 Г/м.
k= (ω⋅γ⋅μa)/2= (31416⋅5.6⋅107⋅4⋅π⋅10-7)/2 =1051 м-1
Разность фаз падающей и прошедшей волн составляет:
Δψ=k⋅h=1051⋅10-3=1.05 рад = 60.2 град.
При этом длина волны в материале пластины равна:
λ=2⋅π/k=2⋅π/1051=0.006 м = 6 мм.
Амплитуда прошедшей через пластину (H) волны будет составлять от первоначальной (H0=1 А/м):
H=H0⋅e-kz=1⋅e-1051⋅0.001=0.35 А/м.
Из примера видно, что практическая реализация датчика подобного типа не представляет особых технических сложностей.
Преимущества ДУ фазового типа:
1) Датчик бесконтактный.
2) Диапазон измеряемых углов до 360°.
3) Простота конструкции.
4) Удобство обработки выходного сигнала, т.к. разность фаз легко преобразуется как в цифровую, так и в аналоговую форму.
5) Чувствительность к помехам на несколько порядков ниже, чем в ДУ в которых измеряемому углу соответствует амплитуда выходного сигнала (т.к. внешняя помеха воздействуя на амплитуду сигнала практически не влияет на его фазу).
6) Выходной сигнал ДУ при измерении любого по величине угла имеет большую амплитуду (единицы вольт), поэтому отпадает необходимость использования точных каскадов предварительного усиления, что уменьшает, в том числе, и дрейф нуля зависящий от электроники, который и определяется в основном каскадами предварительного усиления.
7) Стабильность выходных параметров ДУ определяемая фактически только свойствами материала ротора.
8) Лёгкость регулировки крутизны выходной характеристики ДУ изменением частоты питания обмотки возбуждения.
9) Лёгкость получения выходной характеристики любого вида путём изменения толщины материала проводящей пластины.
К недостаткам ДУ подобного типа можно отнести:
1) Относительно сложную электронную часть.
2) Технологические трудности построения датчиков для измерения малых углов.
Рассмотрим некоторые возможные варианты конструкции ДУ.
1) Простейшая конструкция ДУ представлена на рис.1.

Рис.1.
С генератора на ОВ подаётся питающее напряжение. Напряжение на СО отстаёт по фазе от возбуждающего на величину пропорциональную косинусу угла поворота ротора, который выполнен в виде диска переменной толщины.
Недостатком данной конструкции является присутствие постоянного сдвига по фазе между сигналами на ОВ и СО, который в данной конструкции зависит не только от свойств материала ротора, но и от радиальных перемещений ротора и частоты напряжения возбуждения. Эту постоянную составляющую необходимо знать заранее и вычитать из полезного сигнала, что вносит дополнительную погрешность в точность установки нуля ДУ.
2) Для устранения влияния свойств материала ротора на уровень нулевого сигнала и устранение постоянного фазового сдвига применяется дополнительная тАЬопорнаятАЭ обмотка по конструкции аналогичная измерительной. Конструкция такого ДУ приведена на рис.2.
Рис.2.
На фазоизмеритель подаётся напряжение с двух сигнальных обмоток, сигнал в одной из которых является опорным, а в другой - измеряемым.
В данной конструкции изменение свойств материала ротора от воздействия внешних факторов (например температуры), изменение частоты питания обмотки возбуждения приводит только к изменению крутизны выходной характеристики ДУ. Кроме того уменьшается влияние радиальных смещений ротора.
Если необходимо стабилизировать крутизну ДУ, то это возможно выполнить введением в его конструкцию схемы стабилизации крутизны, представляющую собой дополнительный контур измерения фазы (аналогичный рис.1), который измеряет фазовое запаздывание на дополнительном участке ротора имеющего постоянную толщину при любом повороте ротора и схему управления частотой генератора возбуждения. Фазовое запаздывание измеряемое этим контуром сравнивается с тАЬэталоннымтАЭ и в случае их несовпадения вырабатывается сигнал управления частотой возбуждающего генератора. Хотя следует заметить, что чувствительность крутизны ДУ (ΔКр) зависящая от свойств материала ротора определяется в основном его температурным коэффициентом сопротивления (величина которого для металлов (1÷7)⋅10-3 [К-1]) в квадрате. Таким образом в ДУ без стабилизации крутизны ΔКр≈1⋅10-6÷5⋅10-5, что для большинства приложений оказывается достаточным
Приведённые на рис.1 и рис.2 конструкции ДУ позволяют измерять углы поворота ротора не более 180°. Для измерения углов поворота ротора до 360°, в конструкцию необходимо добавить ещё один тАЬкомплекттАЭ возбуждающих и измерительных обмоток, расположенных под углом 90° к основным. Таким образом на выходе ДУ мы будем иметь два сигнала, один из которых пропорционален синусу, а второй - косинусу угла поворота ротора.
Описание вариантов исполнения электроники ДУ рассмотрим для конструкции ДУ приведённой на рис.2 в случаях аналогового и цифрового выходных сигналов. Следует заметить, что хотя фазу сигнала в выходных обмотках ДУ возможно тАЬвращатьтАЭ на большие углы, на практике желательно ограничиться углами в несколько десятков градусов для упрощения построения электронной части ДУ.
1) Электронная часть ДУ для случая цифрового выходного сигнала представлена на рис.3.
Рис.3
Схема обрабатывает сигнал поступающий с ДУ, конструкция которого представлена на рис.2. Компараторы DA1 и DA2 преобразуют синусоидальное напряжение поступающее с обмоток ДУ в прямоугольные импульсы не изменяя при этом фазу сигнала. Сигнал с обмотки СО1 является опорным. Передний фронт импульса напряжения U1 разрешает переключение триггера DD1 в состояние, определяемое логическим уровнем сигнала U2, знак которого в момент прихода фронта U1 определяется знаком разности фаз напряжений U1, U2. Одновременно импульсные последовательности U1 и U2 поступают на логический элемент DD2 (тАЬисключающее ИЛИтАЭ), на выходе которого дважды за период напряжения питания ДУ появляется сигнал логической единицы, длительность которого пропорциональна разности фаз напряжений U1, U2. Этот сигнал управляет прохождением тактовых импульсов fтакт ,число которых в пачке на выходе DD3 будет пропорционально разности фаз U1, U2 и следовательно пропорционально углу поворота ротора.
Данная схема позволяет обрабатывать напряжения U1 и U2, разность фаз которых может изменяться в диапазоне от 0° до 180°.
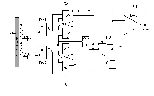
2) Если выходной сигнал ДУ требуется получить в аналоговой форме, то электронная часть ДУ может быть выполнена, например, по следующей схеме (Рис.4.) [Л15,стр94].
В данной схеме выделение разности фаз напряжений U1 и U2 осуществляется с помощью логических элементов DD1..DD5 совместно с фильтром нижних частот выполненном на R1,R2,C1. Питание на DD1..5 подаётся стабилизированное двуполярное, чтобы обеспечить смену знака выходного напряжения Uвых при смене знака разности фаз. Операционный усилитель DA3 - буферный. Схема позволяет измерять разность фаз U1, U2 в диапазоне ±180°.

Рис.4.
Кроме данного варианта исполнения аналогового выхода ДУ, возможно построение фазового детектора на схемах аналоговых перемножителей [Л15]. При этом диапазон измерения разности фаз не превышает ±60°.
Заключение.В течении работы над дипломным проектом были получены следующие результаты.
тАФ получены выражения для определения величины инерционных возмущающих моментов для двухосного гиростабилизатора учитывающие как осевые, так и центробежные моменты инерции рам карданова подвеса;
тАФ разработана программа для численного определения величины инерционных возмущающих моментов с учетом центробежных моментов инерции рам;
тАФ рассмотрены вопросы обеспечения устойчивости канала стабилизации с учетом:
1) нежесткостей рам карданова подвеса,
2) нежесткости крепления стабилизируемого объекта к платформе,
3) установки ЧЭ в непосредственной близости к двигателям стабилизации, т.е. при косвенной стабилизации платформы;
тАФ предложена конструкция ДУ фазового типа для использования в ГС и пульте управления;
тАФ продолжена работа по усовершенствованию электронной части канала стабилизации, в частности, разработана новая схема ключевого каскада усилителя мощности.
ЛИТЕРАТУРА.1. "Применение прецизионных аналоговых микросхем"
Алексеенко А.Г., Коломбет Е.А., Стародуб Г.И.
М., Радио и связь, 1985 г.
2. "180 аналоговых микросхем",справочник, Ю.А.Мячин,
М.,Радио,1993 г.
3. "Гироскопические системы", ч. 1,2
под ред. Пельпора Д.С., М., Высшая школа, 1971 г.
4. "Гироскопические системы. Элементы гироскопических
приборов" часть 3 . под ред. Д.С.Пельпора.
5. "Динамический синтез систем автоматического
регулирования" Бессекерский В.А., М., Наука, 1970.
6. Волоконный датчик вращения (ВГ915). Техническое
описание. 1993 г.
7. Волоконный датчик вращения (ВГ915).
Инструкция по эксплуатации. 1993 г.
8. Фатеев В.В., Будкин В.Л., Меламед Ю.И. "Протокол
эксплуатационных испытаний гиростабилизатора
ручного киноаппарата 1-КСР-2М", М., НИКФИ, 1977 г.
9. "Протокол эксплуатационных испытаний гиростаби-
лизатора киносъемочного аппарата, разработанного
МВТУ им.Баумана и НИКФИ по темам П453, П462,
Э8-2", Фатеев В.В., Будкин В.Л., Меламед Ю.И.,
Козлов В.В. М., НИКФИ, 1978 г.
10. Каталог изделий фирмы "Физоптика", 1994 г.
11. тАЬАтлас конструкций гироскопических приборовтАЭ
под ред. Смолянского.
12. тАЬРазработка и оформление конструкторской
документации РЭАтАЭ, Справочник, Романычева Э.Т.,
и др., М., тАЬРадио и связьтАЭ, 1989 гиростабилизатор.
13. тАЬИсточники вторичного электропитаниятАЭ, Справочник
Найвельт Г.С. и др., М., тАЬРадио и связьтАЭ, 1985.
14. тАЬТеоретические основы электротехникитАЭ, Бессонов
Л.А., М, тАЬВысшая школатАЭ, 1978 гиростабилизатор.
Содержание.1. Введение......................................... 1
2. Обоснование выбора подвеса гиростабилизатора........ 5
3. Анализ инерционных возмущающих моментов.......... 10
4. Анализ инерционных возмущающих моментов
для различных режимов работы ГС.................... 18
3. Исследование влияния нежесткостей элементов ГС
на его устойчивость................................ 29
4. Описание электроники канала стабилизации............ 63
5. Описание структурной схесы канала стабилизации....... 63
6. Описание и расчет элементов электрической схемы
канала обратной связи ГС ТК........................ 65
7. Описание схемы защиты и подачи питания на ВОГ....... 65
8. Описание элементов электрической схемы канала........ 70
9. Усилитель мощности с ШИМ........................ 78
10. Генратор напряжения смещения...................... 98
11. Описание ДУ фазового типа......................... 104
12. Заключение...................................... 115
13. Приложения. ..................................... 116
14. Литература...................................... 149
Вместе с этим смотрят:
Детектирование амплитудно-модулированных сигналовДиагностика отказов элементов и устройств автоматического управления
Диаграмма направленности антенны
Диод