Изучение и исследование интегрированных RS-триггеров, а также триггеров серии К155
МИНИСТЕРСТВО ОБЩЕГО И ПРОФЕССИОНАЛЬНОГО ОБРАЗОВАНИЯ РОССИЙСКОЙ ФЕДЕРАЦИИ
ЛИПЕЦКИЙ ГОСУДАРСТВЕННЫЙ ТЕХНИЧЕСКИЙ УНИВЕРСИТЕТ
Кафедра электропривода
Лабораторная работа N2
группа: ЭП-95-1
Приняла: Кузнецова В.Ф
Липецк-1998
Лабораторная работа N2
Цель работы: Изучение и исследование интегральных RS-триггеров, а также триггеров серии К155. В процессе выполнения работы изучить схемы наиболее распространенных триггеров RS-, D-, T-, JK-типов, особенности работы асинхронных, синхронных и двухтактных триггеров. На элементах ВлИ-НЕВ» реализовать указанные триггеры и исследовать их работу в различных режимах.
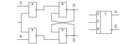
- Асинхронный RS-триггер.

S |
R |
Q |
Q |
0 |
1 |
0 |
1 |
1 |
0 |
1 |
0 |
1 |
1 |
0 |
1 |
0 |
0 |
1 |
1 |
- Синхронный RS-триггер.

C |
S |
R |
Q |
Q |
1 |
0 |
1 |
0 |
1 |
1 |
1 |
0 |
1 |
0 |
1 |
1 |
1 |
1 |
1 |
1 |
0 |
0 |
0 |
1 |
- Двухтактный RS-триггер.

C |
S |
R |
Q |
Q |
1/0 |
0 |
1 |
0 |
1 |
1/0 |
1 |
0 |
1 |
0 |
1/0 |
1 |
1 |
1 |
1 |
1/0 |
0 |
0 |
0 |
1 |
- Универсальный JK-триггер (К155ТВ1).

Режимы работы |
S |
R |
C |
J |
K |
Q |
Q |
Асинхронная установка |
0 |
1 |
* |
* |
* |
1 |
0 |
Асинхронный сброс |
1 |
0 |
* |
* |
* |
0 |
1 |
Неопределенность |
0 |
0 |
* |
* |
* |
1 |
1 |
Запись Вл1В» |
1 |
1 |
1/0 |
1 |
0 |
1 |
0 |
Запись Вл0В» |
1 |
1 |
1/0 |
0 |
1 |
0 |
1 |
Счет |
1 |
1 |
1/0 |
1 |
1 |
1 |
0 |
Хранение |
1 |
1 |
1/0 |
0 |
0 |
1 |
0 |
- D-триггер (К155ТМ2).

Режим работы |
S |
R |
C |
D |
Q |
Q |
Асинхронная установка |
0 |
1 |
* |
* |
1 |
0 |
Асинхронный сброс |
1 |
0 |
* |
* |
0 |
1 |
Неопределен-ность |
0 |
0 |
* |
* |
1 |
1 |
Запись Вл1В» |
1 |
1 |
0/1 |
1 |
1 |
0 |
Запись Вл0В» |
1 |
1 |
0/1 |
0 |
0 |
1 |
Вместе с этим смотрят:
Изучение режимов работы диодов и транзисторов в электронных схемахИмпульсный усилитель
Интегральная микросхема КР1533ТВ6
Ионно-сорбционная откачка