Деревянные конструкции (лабораторные работы)
Содержание
страница
1. Лабораторная работа №1 ВлИспытание двух срезного соединения на стальных цилиндрических нагелях...................................... 2
2. Лабораторная работа №2 ВлИспытание соединения на гвоздяхВ»....... 9
3. Лабораторная работа №3 ВлИспытание треугольной брусчатой фермы на лобовых врубкахВ».................................................. 16
4. Лабораторная работа №4 ВлИспытание клееной деревянной балки прямоугольного сечения на поперечный изгибВ»................................ 23
5. Лабораторная работа №5 ВлИспытание металлодеревянной фермыВ».. 31
6. Список литературы......................................... 38
Лабораторная работа № 1.
ИСПЫТАНИЕ ДВУХСРЕЗНОГО СОЕДИНЕНИЯ НА СТАЛЬНЫХ ЦИЛИНДРИЧЕСКИХ НАГЕЛЯХ.
Цель работы: изучение работы стыка на стальных нагелях.
Задачи: определить разрушающую нагрузку, построить график зависимости между нагрузкой и деформацией сдвига соединения, определить деформацию соединения при расчетной несущей способности и нагрузку, соответствующую предельному состоянию образца.

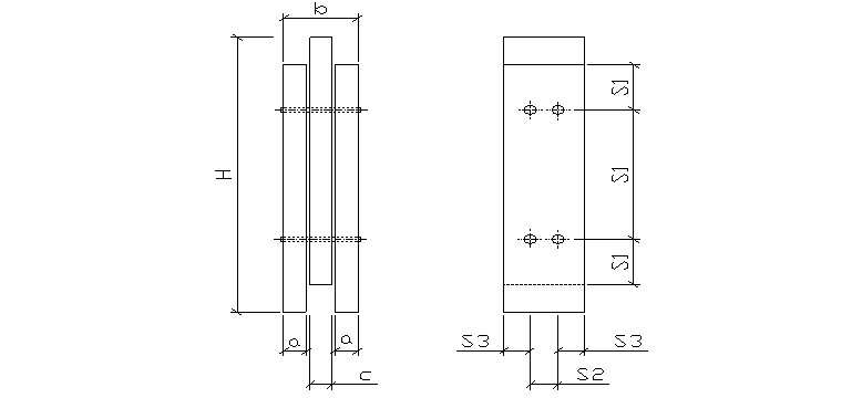
I. Установление фактических размеров образца.
Рис. 1. Конструкция соединения на цилиндрических нагелях.
Согласно СНиП II-В.4-71* п. для стальных нагелей необходимо соблюдать следующие условия:
;
;
.
Исходные данные: H=350мм; S1=70мм;
а=24мм; S1=70мм;
с=24мм; S2=38мм;
в=65мм; S3=28мм;
диаметр нагеля 10мм.

2. Схема загружения образца и расстановка приборов.
Для измерения деформаций сдвига в швах на образце устанавливают два индикатора которые закрепляют на крайних досках таким образом, чтобы сток индикатора упирался в уголок, прикрепленный к средней доске.
Рис. 2. Схема загружения образца и расстановки приборов.
1 тАУ индикаторы; 2 тАУ уголки; 3 тАУ шурупы.
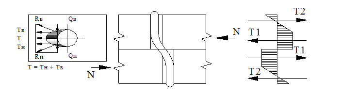
3. Определение расчетной несущей способности образца.
Расчетную несущую способность нагельного соединения определяют по формуле:
где m - количество нагелей;
nср - количество "срезов" одного нагеля;
Tмин - наименьшая несущая способность одного "среза" нагеля, определяемая из трех условий:
а) из условия смятия древесины крайнего элемента
б) из условия смятия древесины среднего элемента
в) из условия изгиба нагеля
Расчетная несущая способность нагельного соединения равна:
Поскольку испытание нагельного соединения проводят кратковременной нагрузкой, то фактическую несущую способность образца необходимо определять с учетом коэффициента Кдл:
![]() |
Кдл=0,67-усредненное значение коэффициента, учитывающего снижение прочности древесины при длительном действии нагрузки.
![]() |
4. Испытание образца
Таблица 1.
5. Обработка результатов испытаний
После окончания испытания по данным табл.1 строят зависимости перемещений нагельного соединения от нагрузки.
Рис. 3. График зависимости деформаций сдвига нагельного соединения от нагрузки
![]() |
6.Сравнение теоретических и экспериментальных величин и анализ результатов испытания.
Результаты испытаний сопоставляют с теоретическими значениями.

ВЫВОД: Экспериментальная величина нагрузки вызывающая разрушение превышает расчетную в 3.46 раза, вследствие в рассчитываемой конструкции создается запас прочности.
Контрольные вопросы
1. Что называется нагелем? Из каких материалов и какой формы могут изготавливаться нагеля?
Нагелем называется гибкий стержень, соединяющий элементы деревянных конструкций и препятствует их взаимному сдвигу, а сам работает на изгиб.
Цилиндрические нагеля изготавливают из гладких стержней круглого сечения из стали, сплавов, твердых пород древесины, пластмасс.

на цилиндрических нагелях на пластмассовых нагелях
Рис. 4.
2. Какими приборами измеряется деформация сдвига в соединении?
Индикаторами часового типа с ценой деления 0,01мм.
3. Из каких условий определяют расчетную несущую способность соединения?
a) Из условия смятия древесины крайнего элемента Та=0,8аd;
b) Из условия смятия среднего элемента Тс=0,5сd;
c) Из условия изгиба нагеля Тн=1,8d2+0.02a2£2.5d2

Рис. 5.1.

Рис. 5.2.
4. Почему рекомендуется размещать цилиндрические нагеля в четное количество рядов?
Т.к. при нечетном числе рядов средний, оказывается по оси доски в зоне наиболее возможного появления продольных трещин в результате усушки древесины.
5. Чем объясняется расхождение между опытными и теоретическими величинами?
Т.к. древесина анизотропная и имеет пороки, а теоретические данные получены для идеализированного материала.
6. Почему термин ВлсрезВ» нагеля является условным?
Потому что в работе использовались металлические нагели, и древесина не может срезать нагель (разные модули упругости). Нагель изгибается, а древесина сминается.
Лабораторная работа №2
ИСПЫТАНИЕ СОЕДИНЕНИЯ НА ГВОЗДЯХ.
Цель работы: изучение работы стыка на гвоздях.
Задачи: определить разрушающую нагрузку, построить график зависимости между нагрузкой и деформацией сдвига соединения, определить деформацию соединения при расчетной несущей способности и нагрузку, соответствующую предельному состоянию образца.
1. Установление фактических размеров образца

Рис. 6. Конструкция соединения на гвоздях.
Согласно СНиП II-В.4-71* п. для соединений на гвоздях необходимо соблюдать следующие условия:
;
;
.
Исходные данные: H=375мм; S1=60мм;
а=20мм; S1=59мм;
с=26мм; S2=16мм;
в=65мм; S3=16мм;
диаметр гвоздя 2,5мм.
2. Схема загружения образца и расстановки приборов
Рис. 7. Схема загружения образца и расстановки приборов.
1 тАУ индикатор; 2 тАУ уголок; 3 тАУ шурупы.

3. Определение расчетной несущей способности образца
Расчетную несущую способность гвоздевого соединения определяют по формуле:
где m тАУ количество гвоздей в соединении;
nср тАУ количество ВлсрезовВ» одного гвоздя;
Tмин тАУ наименьшая несущая способность одного ВлсрезаВ» гвоздя, определяемая из следующих условий:
а) из условия смятия древесины в крайних элементах:
б) из условия смятия древесины в среднем элементе:
в) из условия изгиба гвоздя
Расчетная несущая способность гвоздевого равна:
Поскольку испытание соединения проводят кратковременной нагрузкой, то фактическую несущую способность образца необходимо определять с учетом коэффициента Кдл:
Кдл=0,67-усредненное значение коэффициента, учитывающего снижение прочности древесины при длительном действии нагрузки.
![]()

4.
![]() |
Испытание образца.
Таблица 2
5. Обработка результатов испытаний
![]() |
После окончания испытания по данным табл. 2 строят зависимости перемещений гвоздевого соединения от нагрузки.
6. Сравнение теоретических и экспериментальных величин и анализ результатов испытания.
Результаты испытаний сопоставляют с теоретическими значениями.

ВЫВОД: Экспериментальная величина нагрузки вызывающая разрушение превышает расчетную в 2.93 раза, вследствие в рассчитываемой конструкции создается запас прочности.
Контрольные вопросы
1. Какие существуют способы размещения гвоздей?
Ø прямая расстановка;
Ø шахматная расстановка;
Ø в стальных накладках;
Ø в соединениях под углом;
Ø симметричное двухсрезное;
Ø не симметричное односрезное.
2. Как определяется минимальное расстояние между гвоздями вдоль волокон древесины?
Расстояние между осями гвоздей диаметром d вдоль волокон древесины соединяемых элементов должно быть не менее: от торцов тАУ 15d, между осями в элементах толщиной, равной и большей 10d тАУ 15d, между осями в элементах толщиной 4d тАУ 25d, а в элементах промежуточной толщины, то расстояние принимается по интерполяции. При шахматной и косой расстановке не менее 3d.
3.
Из каких условий определяют расчетную несущую способность соединения на гвоздях?
а) из условия смятия древесины в крайних элементах:
б) из условия смятия древесины в среднем элементе:
в) из условия изгиба гвоздя:
4. Как определить минимальную длину гвоздя в двухсрезном соединении при толщине крайних элементов ВлаВ», среднего тАУ ВлсВ»?
При определении расчетной длины защемления конца гвоздя заостренную часть гвоздя длинной В»1,5d не учитывают; кроме того, из длинны гвоздя, вычитывают по 2 мм на каждый шов между соединяемыми элементами. Если расчетная длина защемления конца гвоздя получается меньше чем 4d, работу конца гвоздя не учитывают и количество ВлсрезовВ» гвоздя будет меньшим. При свободном выходе гвоздя из пакета расчетную толщину последнего элемента необходимо уменьшить на 1,5d вследствие отщепления слоя доски толщиной В»1,5d.

Рис. 9.
Забивка глухая; забивка сквозная.
l1 тАУ рабочая высота гвоздя
l1=lгв-(а+с+2х0,2+1,5d). l1=а-1,5d
5. Как назначается величина ступени нагружения при испытании образца?
Образец испытывают на сжатие на испытательной машине или прессе. Для ликвидации рыхлых деформаций образец предварительно загружают нагрузкой в 1 кН (100 кгс), принимаемой в дальнейшем за условный ноль. Последующие нагружения производят ступенями 2-3 кН (200-300 кгс) с постоянной скоростью, равной примерно 300 Н/сек (30 кгс/сек). Отсчеты по приборам снимают на всех этапах загружения и заносят в журнал испытаний.
6. Чем можно объяснить расхождение между опытными и теоретическими величинами?
Т.к. древесина анизотропная и имеет пороки, а теоретические данные получены для идеализированного материала.
7. Чем обусловлено предельное состояние гвоздевых соединений?
Обусловлено смятием древесины и изгибом гвоздя.
Лабораторная работа №3
Испытание треугольной брусчатой фермы на лобовых врубках.
Цель работы: изучение работы опорного узла фермы.
Задачи: определить расчетную нагрузку на образец и сопоставить ее с разрушающей, построить график зависимости деформации смятия врубки при расчетной нагрузке, вычислить значения нормальных напряжений в ослабленном и неослабленном сечениях нижнего пояса фермы при действии расчетной нагрузки.
6. Установление фактических размеров образца
Рис. 10. Конструкция треугольной фермы на лобовых врубках:
1 тАУ горизонтальный брус нижнего пояса; 2 тАУ наклонный брус верхнего пояса; 3 тАУ клиновидный брус; 4 тАУ временные монтажные деревянные планки.
Исходные данные: H=235мм; l=692мм; hв =67 мм.
lск=183мм; Lн=928мм;
hвр=22мм; b=44мм;
Lв=65мм; hв=16мм;
7. Схема загружения образца и расстановки приборов
ФерматАУ образец устанавливается на траверсу испытательной машины или пресса и производится прижатие клиновидного бруса. Центрирование опорных узлов образца производится по ослабленному сечению. Это достигается установкой неподвижной и подвижной опор в местах пересечения оси наклонного элемента и оси нижнего горизонтального элемента, проходящего через ослабленное сечение.
Рис. 11. Схема загружения образца и расстановки приборов:
1 тАУ индикаторы; 2 тАУ уголок; 3 тАУ шурупы; 4 тАУ неподвижная опора; 5 тАУ подвижная (катковая) опора.
8. Определение расчетной несущей способности образца
E=10000 МПа E90=400Мпа

Rсм = 13 МПа тАУ расчетное сопротивление смятию вдоль волокон (СниП II-25-80 табл.3 п.1а гр.1);
Rсм90 = 3 МПа тАУ расчетное сопротивление смятию поперек волокон (СниП II-25-80 табл.3 п.4а гр.2);
Raсм = 8.21 МПа тАУ расчетное сопротивление смятию под углом a=340;
Rск = 2.1 МПа тАУ максимальное расчетное сопротивление скалыванию вдоль волокон(СниП II-25-80 табл.3 п.1а гр.1);
Rскср = среднее расчетное сопротивление скалыванию вдоль волокон.
тАФсреднее расчетное сопротивление смятию вдоль волокон
b=0,25тАФэмпирический коэффициент при одностороннем скалывании;
lсктАФдлина площадки скалывания;
lтАФплечо пары скалывающих сил .
Усилия, действующее в лобовой врубке, и эпюры скалывающих напряжений по длине площадки скалывания

Рис. 12. Усилия, действующие в лобовой врубке, и эпюра скалывающих напряжений по длине площадки скалывания.
Материал тАУ сосна 2 сорт.
Расчетную нагрузку на образец Р определяют по расчетной несущей способности элементов и соединений фермы:
а) из условия скалывания врубки

б) из условия смятия врубки
в) из условия разрыва нижнего элемента в ослабленном сечении

При разрыве в ослабленном сечении Р определяется из формулы внецентренного растяжения:

Rp=7 МПа тАФрасчетное сопротивление растяжению вдоль волокон
![]()
![]()
тАФ момент сопротивления поперечного сечения нижнего пояса фермы.
г) из условия потери устойчивости наклонного сечения:

СниПII-25-80 

![]()
![]()



Kоднор- коэффициент однородности материала (при скалывании 0.7 и 0.27 при растяжении)
Табл. 3

5. Обработка результатов испытания


Рис. 13. График зависимости смятия врубки от нагрузки.
По показателям индикаторов вычисляем нормальные напряжения в сечениях нижнего пояса при расчетной нагрузке.



![]()
![]()
![]()

Рис. 14. Эпюры нормальных напряжений в ослабленном и неослабленных сечениях нижнего пояса.
6. Сравнение теоретических и экспериментальных величин и анализ результатов испытания.


Dсм.теор=1,5 мм (табл. 15 п.4.3. СНиП II-25-80).
ВЫВОД: Разрушающая сила превышает теоретическую разрушающую силу в 2,5 раза, что создает запас прочности во время эксплуатации конструкции.
Контрольные вопросы
1. В каких пределах должны находиться ![]()
и
?
, где
тАУ высота растянутого элемента
не более 10 глубин врезки в элемент
2. Как необходимо центрировать лобовые врубки с одним зубом?
Центрирование опорных узлов образца производится по ослабленному сечению. Это достигается установкой неподвижной и подвижной опор в местах пересечения оси наклонного элемента и оси нижнего горизонтального элемента, проходящего через ослабленное сечение.
3. Чему равняется предельная деформация смятия в лобовой врубке?
мм
4. Из каких условий определяют расчетную несущую способность лобовой врубки?
а) из условия скалывания врубки: ![]()
б) из условия смятия врубки: ![]()
в) из условия разрыва нижнего элемента в ослабленном сечении: ![]()
г) из условия потери устойчивости наклонного элемента: ![]()
5. Как определить среднее скалывающее напряжении, действующего по длине площадки скалывания?

где Rск тАФ максимальное расчетное сопротивление скалыванию вдоль волокон, МПа;
b=0,25тАФэмпирический коэффициент при одностороннем скалывании;
lсктАФдлина площадки скалывания;
lтАФплечо пары скалывающих сил .
6. Для чего нужны в опорном узле аварийный болт, подферменная подкладка, опорная подушка?
Аварийный болт обеспечивает безопастность. Подферменная подкладка и опорная подушка для равномерной передачи нагрузки, чтобы исключить смятие дерева.
7.Причины расхождения между опытными и теоретическими величинами?
Теоретические тАФидеализированные. В опытных тАФ анизотропность свойств древесины, пороки.
Лабораторная работа № 4
Испытание клееной деревянной балки прямоугольного сечения на поперечный изгиб.
Цель работы: изучение работы клеедощатой балки.
Задачи: определить расчетную нагрузку на балку и сравнить ее с расчетной, определить модуль упругости клееной древесины, определить величины и характер распределения нормальных напряжений по высоте поперечного сечения балки, построить теоретический и экспериментальный графики прогибов балки.
1. УСТАНОВЛЕНИЕ ФАКТИЧЕСКИХ РАЗМЕРОВ ОБРАЗЦА

Рис. 15. Клеедощатая балка прямоугольного поперечного сечения.
Исходные данные: l = 1950 мм;
h = 158 мм;
b = 50 мм.
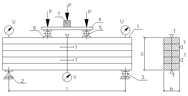
2. СХЕМА ЗАГРУЖЕНИЯ ОБРАЗЦА И РАССТАНОВКИ ПРИБОРОВ

Рис. 16. Схема загружения балки и расстановки приборов:
1тАУ клеедощатая балка; 2тАУ неподвижная опора; 3тАУ подвижная опора; 4тАУраспределительная траверса; 5тАУ стальной валик; 6тАУ металлическая накладка; 7тАУ нагруженная траверса.
3. ОПРЕДЕЛЕНИЕ РАiЕТНОЙ НАГРУЗКИ НА БАЛКУ
Расчетная нагрузка Р определяется исходя из расчетной несущей способности балки или достижения ею предельного прогиба.
а) из условия обеспечения прочности от действия нормальных напряжений

где:
kH×м тАУ расчетный изгибающий момент, Н
м (кгс
см)
![]()
тАУ момент сопротивления поперечного сечения;
тАУ расчетное сопротивление древесины изгибу, МПа (
) (
=13 МПа)

б) из условия обеспечения прочности клеевого шва от действия касательных напряжений
где: Q = P / 2=13.27/2=6.64, Н (кгс);
Sбр = b×h2 / 8=0.05×0.1582 /8=156.03 см3;
Jбр = b×h3 / 12=5×15,83/12=1643,46 см4;
bрасч = b×K тАУ при расчете на скалывание по клеевому шву, где К=0.6 тАУ коэффициент непроклея, принимаемый по действующим нормам.
После подстановки получим:
bрасч = b×K=0.6×5=3 см
Rck=2.1 MПА

в) из условия достижения предельного прогиба

где Pn=Р/n ;( n=1.2 тАУ усредненный коэф. надежности);
Е =104 МПатАУ модуль упругости древесины.
После преобразования получаем:
,
где 
![]()
![]()

4. ИСПЫТАНИЕ БАЛКИ



Прибор: АИД тАУ 2М с компенсирующим устройством с выходом шкалы С*10-5
5. ОБРАБОТКА РЕЗУЛЬТАТОВ ИСПЫТАНИЯ

![]()
![]()
![]()
![]()
![]()


![]()
sт=13Mпа sэкс=14,4Мпа
sт=13 sэкс=12,49
Рис. 17. Эпюра напряжений по высоте сечения балки:
6. СРАВНЕНИЕ ТЕОРЕТИЧЕСКИХ И ЭКСПЕРЕМЕНТАЛЬНЫХ ВЕЛИЧИН И АНАЛИЗ РЕЗУЛЬТАТОВ ИСПЫТАНИЙ






Рис.18 График прогибов балки
ВЫВОД: Экспериментальная величина прогиба значительно меньше расчетной величины в следствие в рассматриваемых конструкциях создается запас прочности (Кзапаса=0,9).
Контрольные вопросы
1. Какие требования предъявляют к древесине и клею при склеивании ?
Влажность древесины 9тАУ12%. Не должно быть мелких пороков как сучки, косослой, гниль. Не должно быть дефектов обработки как корабление и трещины, склеиваемые поверхности должны быть свеже отфрезерованными, очищенными и плотно прилегать одна к другой.
Клеи должны быть прочными, водостойкими, долговечными, технологичными. К основным технологическим показателям клея относятся вязкость и жизнеспособность.
2. Какой метод принят для расчета деревянных конструкций, его сущность ?
Расчет по предельным состояниям. Предельным называется такое состояние конструкций за пределами которого дальнейшая эксплуотация не возможна. Два вида предельных состояний: 1)по несущей способности (прочности, устойчивости), 2) по деформациям (прогибам, перемещениям). Расчет по первому предельному состоянию производится на расчетные нагрузки, а по второмутАУ на нормативные.
3. Как определить модуль упругости клееной древесины при изгиде?
, где fтАУ прогиб образца
pтАУ степень загружения
4. Как экспериментально определяются нормальные напряжения в балке при изгибе?
![]()
тАУ разность отсчетов;
тАУ база прибора; МтАУ цена деления прибора
5. Какие формы разрушения могут быть в клеедощатой балке?
а) разрушение по клеевому шву от действия косательных напряжений.
б) разрушение балки от действия локальных напряжений.
6. Почему экспериментальные данные отличаются от теоретических?
Т.к. древесина анизотропная и имеет пороки, а теоретические данные получены для идеализированного материала.
Лабораторная работа № 5
Испытание металлодеревянной фермы.
Цель работы: определить усилия в стержнях и прогибы узлов фермы под действием расчетной нагрузки.
7. характеристика образца фермы
Верхний пояс и решетка фермы изготовлена из брусков, а нижний пояс тАУ из металлических уголков. Бруски верхнего пояса в узлах 2, 4, 6 сопрягаются через металлические вкладыши с эксцентриситетами, позволяющими прикладывать внеузловую нагрузку.
Рис. 20. Конструкция и схема испытания металлодеревянной фермы.
8. Теоретический расчет фермы
Ферма загружается симметрично двумя сосредоточенными силами в соответствии со схемой, приведенной на рис. 20. Усилия в стержняхфермы от действия нагрузки Р=1 определяется одним из способов строительной механики или путем построения диаграммы Максвелла-Кремона.

Рис. 21. Схема усилий в стержнях фермы.
построение диаграммы максвела-кремона
(от единичной нагрузки)

Рис. 22. Диаграмма Максвела-Кремона.
Табл. №6

В решетке наиболее нагруженным является опорный сжатый раскос А-2. Для его расчета определяем гибкость.

где loтАУ расчетная длина;
r тАУ радиус инерции для прямоугольного сечения.
По СНиП II-25-80 п. 4.3
Т.к. l=50,46<70, то

Расчетная несущая способность опорного раскоса:
![]()

Из растянутых элементов решетки наиболее напряженным является раскос С-2; расчетная несущая способность:
![]()
![]()
Нагрузка на ферму: 
Стержень 3-4 верхнего пояса внецентренно сжат под действием усилия N и эксцентриситета e.
Расчетная несущая способность сжато-изгибаемого элемента:


![]()

Из найденных значений Р за расчетную нагрузку принимаем минимальное: Р=4,96 кН.
9. Испытание опытного образца фермы
Испытание фермы производится на балочном испытателе. Нагрузка создается гидравлическими домкратами. Для определения усилий в наиболее нагруженных стержнях фермы изменяются при помощи тензометров. Прогибы измеряются при помощи прогибомеров с ценой деления 0,01мм.
Табл. №7

Определение прогибов:
а) в деревянных элементах (раскос А-2)

б) в стальном элементе (пояс А-С)

Табл. №8
ППрибор: АИД тАУ 2М с компенсирующим устройством с выходом шкалы приборовС*10-5
![]()
![]()
![]()
![]()
![]()
![]()
10. Обработка результатов испытания
3-4 А-2 С-2 С-3 С-4
12,8 2,6 1,9 0,5 0,5
![]()
![]()
![]()
![]()
![]()
![]()
![]()
![]()
![]()
![]()
![]()
![]()
![]()
![]()
![]()
![]()
![]()
![]()
![]()
![]()
![]()
![]()
![]()
![]()
![]()
![]()
![]()
![]()
![]()
![]()
![]()
![]()
![]()
![]()
![]()
![]()
![]()
![]()
![]()
![]()
![]()
![]()
![]()
![]()
![]()
![]()
![]()
![]()
![]()
![]()
![]()
![]()
![]()
![]()
![]()
![]()
![]()
![]()
![]()
![]()
![]()
![]()
![]()
![]()
![]()
![]()
![]()
![]()
![]()
![]()
![]()
![]()
![]()
![]()
![]()
![]()
![]()
![]()
![]()
![]()
![]()
![]()
![]()
![]()
![]()
12,8 2,6 1,9 0,5 0,5
Рис. 23. Нормальные напряжения в поперечных сечениях стержней.
Р,кН
4
3
2
1
1 2 3 4 5 6 7 f,мм
Рис. 24. График зависимости прогибов от нагрузок.
![]()

В раскосе А-2 экспериментальное усилие больше расчетного в 0,81раз.
![]()

В раскосе С-2 экспериментальное усилие больше расчетного в 1,18 раз.
ВЫВОД: При сравнении теоретических и экспериментальных значений видно, что экспериментальные усилия меньше, это происходит в следствии того, что ферма находится в лабораторных условиях, подвергается многократным испытаниям без разрушения.
Контрольные вопросы
1. Понятие фермы как стержневой системы.
Ферма тАУ плоская, геометрически неизменяемая конструкция из отдельных стержней, шарнирно соединенных между собой.
Верхний и нижний пояса обычно работают на сжатие (расширение) с изгибом. Раскосы работают на растяжение (сжатие).
2. Какими приборами определяются усилия в стержнях фермы?
Тензорезисторы, подключенными к тензостанции; используем прибор АИД-2М с аккумулирующим устройством для измерения деформаций .
3. Чем создается нагрузка на ферму?
Для создания усилия используют гидравлические домкраты, насосные станции и манометры.
Список использованной литературы
1. Зубарев Г.Н. ВлКонструкции из дерева и пластмассВ»;
2. СНиП II 25-80 ВлДеревянные конструкции. Нормы проектированияВ»;
3. Следкоухов Ю.В. ВлКонструкции из дерева и пластмассВ»;
4. Прокофьев А.С. ВлКонструкции из дерева и пластмасс. Общий курсВ»;
5. ЦНИИСК Курченко ВлПособие по проектированию деревянных конструкцийВ»;
6. Ковальчук Л.М. ВлПроизводство деревянных клееных конструкцийВ»;
7. Вдовин В.М. ВлПроектирование клее дощатых и клее фанерных конструкцийВ».
Вместе с этим смотрят:
11-этажный жилой дом с мансардой
14-этажный 84-квартирный жилой дом
16-этажный жилой дом с монолитным каркасом в г. Краснодаре
180-квартирный жилой дом в г. Тихорецке
2-этажный 3-секционный 18-квартирный жилой дом в г. Мирном




