Прогнозирование возможной радиационной обстановки и её оценка
Практическое задание №6
Прогнозирование возможной радиационной обстановки и её оценка. Прогнозирование зон радиоактивного заражения местности и внутреннего поражения человека при аварийном выбросе на КАЭС.
Вариант № 16
Задание: Спрогнозировать по исходным данным возможные зоны РЗ местности и ВП человека на случай аварии на АЭС (разрушение реактора РМБК-1000 с выбросом продуктов деления Ак=10% и V10=5 м/с), оценить обстановку на ОЭ с рабочим поселком (или городе Н-ск) и осуществить выбор режима радиационной защиты (РРЗ) работающих ОЭ и населения поселка (или города Н-ск). Представить итоговый вывод с инженерными решениями на случай аварии на АЭС.
Исходные данные:
Время аварии Тав, ч | Облачность | Установленная доза Дуст ,бэр | Удаление ОНХ от АЭС, Lо, км | Продолжительность нахождения людей в различных условиях в течение суток Т, ч, и коэффициенты К ослабления радиации в этих условиях | |||||||
| на рабочем месте | в транспорте | на открытой местности | в зоне отдыха | ||||||||
Тр | Кр | Ттр | Ктр | Тотк | Котк | То | Ко | ||||
| 15 | ясно | 2 | 60 | 8 | 10 | 2 | 4 | 2 | 1 | 12 | 10 |
Решение.
Определяем степень вертикальной устойчивости атмосферы (СВУА) по табл.10.1, с учетом V10, облачности и времени суток:
ИЗ тАУ изотермия или нейтральное состояние
Находим по табл. 10.2 среднюю скорость ветра в приземном слое в зависимости от СВУА и V10: Vср=5 м/с
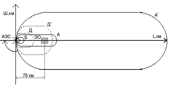
С учетом типа возможной аварии на АЭС определяем по табл. 10.3 размеры зон РЗ и ВП с дозой до полного распада Д¥ и записываем их:
Таблица 1
| Тип аварии | Зоны РЗ | Р1, рад/ч | Дω внеш., рад | Двнутр., бэр | Длина L, км | Ширина Ш, км |
| С разрушением реактора | АтАЩ А Б В Г ДтАЩ ДтАЩ | 0,014 0,14 1,4 4,2 14 - - | 5,6 56 560 1680 5600 - - | - - - - | 300 100 20 10 | 20 4 2 1 |
| Не образуется | ||||||
30 250 | 90 44 | 10 5 | ||||

Р1=Д¥/400 тАУ уровень радиации на 1 ч после аварии, Д¥ тАУ доза до полного распада