Тональная телеграфия
РАЗДЕЛ I ПОНЯТИЯ И ОПРЕДЕЛЕНИЯ ТЕЛЕГРАФИИ
Исключительно важное значение для обеспечения управления войсками, как в прошлом, так и в современных условиях, имеет телеграфная связь. Она характеризуется простотой технической реализации и обслуживания, высокой помехозащищённостью (особенно слуховой телеграф) и возможностью документирования сообщений. На основе первичной сети связи в системе военной связи создаются вторичные сети связи, одной из которых является сеть телеграфной связи. При этом получение телеграфных каналов осуществляется с помощью специальной аппаратуры. Наибольшее применение на данное время в военной связи нашла аппаратура тонального телеграфирования.
1.1 ПРИНЦИПЫ ТЕЛЕГРАФНОЙ СВЯЗИ
Телеграфией называется область электросвязи, занимающаяся передачей дискретных сообщений. Дискретные сообщения представляют собой последовательности символов (буквы, цифры, знаки и т.п.). Совокупность применяемых символов называют алфавитом сообщений. Для передачи символов по каналам связи используют дискретные электрические сигналы. Дискретным называется сигнал в котором регистрируется конечное число значений его параметров, например, напряжений. Каждому символу ставится в соответствие определенная комбинация сигналов. Систему соответствий между символами алфавита сообщений и дискретными сигналами называют кодом. Совокупность дискретных сигналов, соответствующих определенному символу, называется кодовой комбинацией. Символы алфавита могут быть пронумерованы натуральным рядом чисел, например, а =1, б = 2, в = 3.. Каждое число удобно представить в двоичной форме, т.е. а - 001,
б
- 010, в - 011,.. . Удобство представления чисел в двоичной форме состоит в том, что логическим "1" и "0" легко поставить в соответствие простые электрические сигналы. Из рис.1 видно, что "1" может быть поставлена в соответствие токовая (положительная) посылка", а "0" - бестоковая или отрицательная посылка.
Под посылкой понимается элементарный сигнал длительностью . Сигналы, состоящие из однополярных, рис.1а, илидвухполярных,рис.1б, посылок называются сигналами постоянного тока. Минимально необходимое число посылок в кодовой комбинации - - определяется объемом алфавита - (количеством символов) - N . и находится с помощью выражения
n = log2N
Например, для передачи 32 букв алфавита число n будет равно
n = log2 32= 5. В современных телеграфных аппаратах, состоящих на вооружении войск связи, применен код, использующий однополярную последовательность посылок постоянного тока с числом импульсов в кодовой комбинации =5. Так, например, букве "Р" русского алфавита соответствует кодовая комбинация вида 01010, букве "Я" - 11101 и т.д.
В дискретных каналах под скоростью передачи двоичной информации подразумевается количество двоичных импульсов, передаваемых за 1 сек. Различают скорость передачи информации R (информационную скорость) и скорость телеграфирования В.
В реальных условиях как правило, в состав кодовой комбинации, кроме информационных посылок, т.е. тех, с помощью которых непосредственно кодируются символы, входят также служебные посылки, необходимые для обеспечения работы оконечных телеграфных устройств (ОТУ). Так, в старт-стопных телеграфных аппаратах это стартовая - бестоковая и стоповая - токовая посылки. Таким образом, в целом кодовая комбинация содержит семь двоичных импульсов, см. рис.2, из которых пять - информационных и два служебных.

За единицу информации принята одна двоичная посылка ("0"или"1"),называемая бит.
Скоростью телеграфирования (В) называется количество единичных элементов (информационных и служебных посылок) передаваемых за 1 сек. За единицу измерения величины В принят 1 бод, предполагающий передачу 1 двоичного импульса за 1 сек.
Информационной скоростью (R) называется количество информационных посылок, передаваемых за 1 сек. За единицу измерения величины R принят 1 бит/с. Следовательно, если одна семиэлементная кодовая комбинация с выхода телеграфного аппарата, передается за 1 сек, то В = 7 бод, а R= 5 бит/с, если за 1 сек. передается, например, десять кодовых комбинаций, скорости передачи составляют соответственно 70 бод и 50 бит/с.
Скорость передачи однозначно связана с частотой следования двоичных импульсов - F . Как известно, если период одного полного синусоидального колебания -Т составляет1 сек. частота его F = 1Гц. На этом же периоде, см. рис 3, могут быть уложены два двоичных импульса (положительной и отрицательной полярностей) с длительностями, равными Т/2.

Поэтому принято считать, что 1Гц = 1 бод(бит/с) или в общем виде F=1/2 В.
1.2 ОКОНЕЧНЫЕ ТЕЛЕГРАФНЫЕ УСТРОЙСТВА
Устройство, обеспечивающее преобразование символов дискретного сообщения в сигналы постоянного тока на передаче и обратное преобразование на приеме, называется оконечным телеграфным устройством (ОТУ), одной из разновидностей которого является телеграфный аппарат (ТГА). Телеграфный аппарат состоит из передающей и приемной частей. "Передатчик" содержит клавиатуру и кодирующее устройство, преобразующее символы (буквы, цифры, знаки) в сигналы постоянного тока. Основными элементами "приемника" являются декодирующее и печатающее устройства, которые пятиэлементную комбинацию постоянного тока преобразуют в символ и отпечатывают на ленте (рулоне).
В буквопечатающих телеграфных аппаратах типа СТ-2М, СТА-2, CТA-2M, СТА-2МФ, СТА-М67, широко используемых в общегосударственной и военной системах связи применен стартстопный способ фазирования.
1.2.1 Тактико-технические характеристики и общее устройство телеграфного аппарата СТА-М67
Назначение: телеграфный аппарат СТА-М67 (рис.45) предназначен для обеспечения буквопечатающей телеграфной связи между пунктами управления.
Характеристика: телеграфный аппарат СТА-М67 является автоматизированным ленточным буквопечатающим аппаратом со стартстопным способом фазирования, работающим на стандартной телеграфной ленте пятиэлементным международным кодом 2.
Возможности: телеграфный аппарат СТА-М67 обеспечивает передачу телеграфных сообщений по каналам тонального телеграфирования. Кроме того, аппарат допускает передачу сообщений по постоянным воздушным и кабельным линиям связи.
Дальность действия телеграфного аппарата по каналам тонального телеграфирования определяется протяженностью этих каналов; дальность действия аппарата по постоянным воздушным линиям связи не превышает 300 км., а по полевым кабельным линиям - 50 км.
Номинальная скорость телеграфирования: 360 и 400 знаков в минуту или 45 и 50 Бод соответственно.
Боевое применение: телеграфный аппарат СТА-М67 применяется как в составе комплекта аппаратных полевого (подвижного) узла связи типа
П-238Т, П-241Т, так и автономно на полевых и стационарных узлах связи.
Питание: преобразование символов сообщения в электрические сигналы осуществляется за счет источника постоянного тока (источника линейного питания) напряжением 80 - 160 В.
Состав комплекта аппарата. В полный комплект телеВнграфного аппарата СТА-М67 входят:
- телеграфный аппарат СТА-М67;
- аппаратный щиток АЩ-67;
- клейница;
- комплект запасных частей;
- комплект инструмента;
- укладочный ящик
- техническая документация.
Вес полного комплекта составляет 60 кг.
Аппаратные связи подвижного узла связи комплектуются рабочим комплектом аппарата, в который не входит укладочный ящик.
Вес рабочего комплекта составляет 35 кг.
Передача знаков с аппарата СТА-М67 в простейшем случае работы по физической линии осуществляется следующим образом: при нажатии на клавишу происходит перемещение комбинаторных линеек в передающей части аппарата, которые образуют пространственную кодовую комбинацию. Затем эта механическая пространственная комбинация линеек превращается во временную электрическую комбинацию путем последовательного размыкания и замыкания контактами передатчика электрической цепи.
Комбинация электрических посылок, пройдя через электромагнит передающего аппарата, через линию связи поступает в электромагнит приемного аппарата. Электромагнит приемного аппарата, срабатывая от поступающих посылок кодовой комбинации, своим якорем запускает приемный механизм аппарата, который временную электрическую комбинацию посылок превращает вновь в пространственную комбинацию механических частей аппарат. С помощью специального механизма эта механическая пространственная комбинация превращается в знак, отпечатываемый на бумажной ленте.
В аппарате применен стартстопный способ корректирования фазы, при котором передающий и приемный распределители в промежутках между передачей (приемом) знаков не вращаются, стоя на ВлстопеВ», таким образом, расхождение по фазе между ними равно нулю. Вращаются передающий и приемный распределители только при передаче (приеме) знаков.
Передача кодовой комбинации посылок любого знака производится в течение одного оборота передающего распределителя. Так как правильный прием посылок возможен только при синфазном вращении передающего и приемного распределителей, то с началом вращения передающего запускается и приемный распределитель, который совершает совместно с передающим один оборот, а затем останавливается.
Следовательно, при стартстопном способе корректирования расхождение по фазе передающего и приемного распределителей может произойти только в течение одного оборота и это расхождение устраняется после каждого оборота остановкой приемного распределителя.
Телеграфный аппарат СТА-М67 подключается к каналу связи и к источникам питания через аппаратный щиток АЩ-67. Источник линейного питания (+) подключается к зажиму ВлБВ» щитка (минус этого источника подключается к общестанционному заземлению).
Источник моторного питания подключается к зажимам ВлМВ». Линия (канал) связи подключается к зажиму ВлЛВ» (если линия связи однопроводная), если линия связи двухпроводная, то второй провод подключается к зажиму "З".
Провод общестанционного заземления подключается к зажиму "З". Для подключения аппарата к линии (каналу связи) и источникам линейного и моторного питания необходимо:
- заземлить корпус аппарата, для чего подключить провод общестанционного заземления к зажиму "З" размещенному в правом заднем углу аппарата под его кожухом.
- колодку кабеля моторного питания аппарата включить в гнезда аппаратного щитка.
- колодку кабеля моторного питания включить в гнезда ЭП аппаратного щитка.
Включение моторного питания на телеграфном аппарате производится установкой тумблера включения питания, размещенного на цоколе аппарата в положение "ВКЛ".
1.2.2 Тактико-технические характеристики телеграфного
аппарата ЛТА-8
Назначение: Ленточный буквопечатающий электромеханический автоматизированный стартстопный телеграфный аппарат ЛТА-8 (рис.44) предназначен для передачи и приема информации по телеграфным каналам радио, радиорелейных и проводных линий связи как в полевых, так и в стационарных условиях эксплуатации на скоростях 400 и 360 зн/мин (50 и 45 бод).
Технические данные:
принцип коррекции - стартстопный;
код - пятиэлементный международный №2;
количество регистров - 3;
рабочий линейный ток 455 ма:
параметры электродвигателя аппарата:
напряжение постоянного тока, ВтАж11020;
напряжение переменного тока, ВтАж127
потребляемая мощность на постоянном токе, ВттАж80;
клавиатура четырехрядная
контактное деление передатчика - 7,5;
искажение передатчика 7% при автоматической работе, 8% - при работе с клавиатуры;
исправляющая способность 35%;
уровень акустических шумов, создаваемых работающими механизмами аппарата в различных эксплуатационных сочетаниях , - 71 дБ при уровне шума окружающей среды 55 дБ;
скорость телеграфирования 45, 50 Бод;
скорость печати 360 - 400 зн/мин;
условия работы - от 0 до плюс 45С окружающей среды;
печать - на бумажной телеграфной ленте
красящая лента - одноцветная ГОСТ 6048-67;
перфолента - пяти-дорожковая; форма размеры и расположение отверстий - по ГОСТ 1860-64;
усилие протягивания перфоленты трансмиттером - не менее 70г;
напряжение линейной сети 120 В;
потребляемая мощность - не более 90 Вт;
питание - от сети переменного тока 127 В
электродвигатель - ДТА-40 УЗ;
напряжение срабатывания ЭДУ - 80тАж90 В;
скорость вращения электродвигателя 3060 об/мин;
габаритные размеры:
по ширине - не более 495,
по глубине - не более 539,
по высоте - не более 359;
масса аппарата без кругов перфораторной и телеграфной лент
не более - 40 кг.
Состав изделия
В комплект изделия входит:
телеграфный аппарат ЛТА-8, 1 шт.;
аппаратный щиток АЩ-8, 1 шт.;
кабель, 1 шт.;
кабель, 2 шт.;
комплект запасных частей и принадлежностей, 1 шт.;
комплект инструмента, 1 шт.;
комплект технической документации, 1 шт.;
клейница, 1 шт.;
комплект тары.
Телеграфный аппарат ЛТА-8 состоит из следующих механизмов:
передающего устройства;
приемного устройства;
цоколя с кожухом и обрамлением;
движущего;
вспомогательных.
В составе передающего устройства имеются:
клавиатура;
передающий распределитель;
трансмиттер;
автоответчик;
электромагнит дистанционного управления;
полупроводниковый коммутатор тока (КТП).
В составе приемного устройства, кроме механизмов, обеспечивающих прием кодовой комбинации, ее дешифрирование и отпечатывание знаками на телеграфной ленте, имеются:
реперфораторная приставка;
звонкая сигнализация - счетчик времени работы;
механизм запуска автоответчика;
осветитель телеграфной ленты;
сигнальная лампа счетчика знаков в строке.
Органы управления
Аппарат имеет следующие органы управления:
клавишу включения аппарата (включения напряжения питания аппарата);
клавишу непрерывной передачи (непрерывной передачи одной кодовой комбинации, соответствующей нажатой на клавиатуре клавиши);
клавишу выпуска перфоленты реперфоратором - с пробивкой только транспортных отверстий;
клавишу "Я ЗДЕСЬ" (запуска своего автоответчика);
клавишу пошагового возврата перфоленты в реперфораторе;
рычаг включения и выключения реперфоратора;
выключатель В1 - включение лампы осветителя;
устройство блокировки ненужных регистров.
Работа телеграфного аппарата ЛТА-8 и способ корректирования фазы распределителей аналогичны приведенным для СТА-М67.
1.3 ПЕРЕДАЧА ДИСКРЕТНЫХ СИГНАЛОВ ПО КАНАЛАМ ТЧ
Как уже отмечалось, информация всех видов, в том числе и телеграфная, передается по каналам ТЧ. Рассмотрим, можно ли посылки постоянного тока, поступающие непосредственно с выхода телеграфного аппарата ( r t = 50 бод) передать по каналу ТЧ. Очевидно, при данной скорости передачи частота следования посылок составляет F = 25Гц. Спектр последовательности импульсов кодовой комбинации представленной на рис. 2 имеет вид, рис. 4.

Как видно из рис.4., основная часть энергии телеграфного сигнала (первых пять гармоник частоты F=25 Гц) сосредоточена до нижней границы полосы частот канала ТЧ и по каналу ТЧ передана быть не может. В связи с этим, для обеспечения передачи дискретных сигналов по каналу ТЧ необходимо преобразовать посылки постоянного тока в тональные с частотами лежащими в полосе (0,3 - 3,4) кГц.
1.4 ПРИНЦИП ТОНАЛЬНОГО ТЕЛЕГРАФИРОВАНИЯ
Принято считать, что если для передачи телеграфных сигналов применяются переменные токи с частотами, находящимися в спектре 0,3-3,4 кГц, то такой способ телеграфирования называют тональным телеграфированием. Использование канала ТЧ для передачи телеграфной или фототелеграфной информации называют вторичным уплотнением. Аппаратура, предназначенная для преобразования посылок постоянного тока от ОТУ в тональные, называется аппаратурой тонального телеграфирования и является одним из видов аппаратуры вторичного уплотнения.
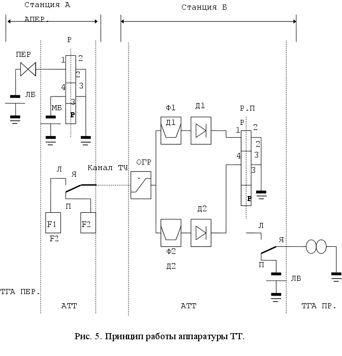
Принцип работы аппаратуры тонального телеграфирования показан на рис. 5, а упрощенные графики сигналов, получаемых на передающем и приемном концахтАФна рис. 6. На схеме (рис. 5) на передающем конце включены два генератора, характеристические частоты которых разнятся на определенную величину, а на приемном конце используются устройства, обеспечивающие выделение и детектирование частот перед подачей их в обмотки приемного реле. В качестве канала связи используется канал ТЧ.
Проследим передачу телеграфных сигналов для однополюсной работы. Посылки постоянного тока с выхода передающего телеграфного аппарата проходят через обмотку 1-2 реле передачи станции А. Через обмотку 3-4 этого же реле постоянно проходит ток от местной батареи МБ, обеспечивая удерживание якоря реле у левого контакта при отсутствии токовой посылки в первой обмотке. При прохождении по первой обмотке токовой посылки якорь перебросится к правому контакту (ампервитки первой обмотки выбираются в несколько раз больше ампервитков тАУ второй обмотки). В зависимости от положения якоря на вход телефонного канала будут подаваться сигналы с частотами F1 или F2 (частоты F1 и F2 лежат внутри полосы 0,3-3,4кГц). Таким образом посылкам постоянного тока на выходе передающего телеграфного аппарата будут соответствовать тональные посылки на входе канала ТЧ (рис. 6). На приемном конце (станция Б) тональные посылки с выхода канала ТЧ подаются на ограничитель, который обеспечивает постоянство величины тока через обмотки приемного реле при значительных колебаниях уровня принимаемого сигнала. С выхода ограничителя тональные посылки подаются на фильтры Ф1 и Ф2, каждый из которых пропускает одну из рабочих частот. Сигналы с частотами F1 и F2 после выпрямления детекторами Д1 и Д2 подаются в обмотки приемного реле. Через обмотку 1- 2 приемного реле будет проходить выпрямленный ток от сигнала с частотой F1, а через обмотки 3-4тАФвыпрямленный ток от сигнала с частотой F2. Если ампервитки обмоток выбраны одинаковыми, то якорь реле будет перебрасываться соответственно к правому и к левому контакту. При положении якоря у правого контакта на приемный телеграфный аппарат будет подаваться токовая посылка от линейной батареи ЛБ, при положении якоря у левого контакта тАФ бестоковая посылка. Как видно из графиков рис. 6, токовой посылке на передаче соответствует токовая посылка на приеме. При практическом выполнении аппаратуры тонального телеграфирования два генератора на передающем конце заменяют одним генератором с изменяющейся частотой, а вместо двух фильтров на приемной стороне используют частотный детектор. Под влиянием посылок постоянного тока частота генератора на передающем конце изменяется от среднего значения Fср к двум крайним рабочим значениям частот Fcp.В±f. Величину изменения частоты f называют девиацией частоты. Процесс изменения частоты генератора в соответствии с передаваемыми посылками постоянного тока - называют частотной манипуляцией.
АТТ бывает одноканальной и многоканальной. Одноканальная аппаратура занимает только незначительную часть тонального спектра, поэтому при включении её в канал ТЧ телефонная связь по этому каналу сохраняется, хотя качество её из-за изменения спектра несколько ухудшается.


К примеру для АТТ П-317, где Fср=3150 Гц Δf=55 Гц, полоса частот занимаемая телеграфным каналом составляет от 3050 до 3250 Гц. Оставшаяся часть канала ТЧ используется для телефонной связи Рис. 7.
Очевидно, использование канала ТЧ для получения одной телеграфной связи не рационально поэтому при разработке аппаратуры ТТ возникает задача правильного размещения максимального числа ТЛГ каналов в эффективно передаваемой полосе ТЛФ канала. Наиболее простое решение этой задачи состоит в определении ширины полосы частот телеграфного канала с последующим делением полосы пропускания ТЛФ канала на участки, равные
Fk=fn+fз
где: fn тАУ эффективнопередаваемая полоса ТЛГ канала ЧТ;
fз тАУ ширина полосы защиты.
Теоретические и экспериментальные исследования показывают, чтонеобходимая ширина полосы частот пропускания сигналов ТЛГ канала ЧТ может быть определена по формуле
f=(1,31,5) m * В , где
m - индекс модуляции.
Выбор величины индекса модуляции имеет очень важное значение с точки зрения спектра получения необходимых энергетических соотношений. В аппаратуре ТТ обычно выбирают индекс модуляции в пределах 1
Ширина полосы защиты fз ограничивается возможностями приемных полосовых фильтров каналов,которые должны обеспечить защищенностьпососеднему каналу порядка 4-5 Нп. В этом случае величина краевых искаженийот воздействия помех не превышает 2-3%. При таком требовании наиВнболее целесообразно с точки зрения экономичности изготовления фильтров выбирать f3 не менее 40Гц. Такимобразом при скорости телеграфирования (передачи) В=50 Бод и m=1,8. fn=135 Гц. С запасом берем fn 140 Гц, тогда
Fn=(140 +40)=180 Гц.
Это означает, что в полосе частот стандартного канала тональной частоты (0,33,4) кГц. F=3100 Гц, можно разместить не более N=3100/180=17 телеграфных каналов.
В военной телеграфной связи находит применение аппаратура ТТ:
одноканальная тАУ П-314М(П-317)
многоканальная тАУ П-318 (до 16 каналов)
тАУ П-327 (до 12 каналов)

Совокупность АТТ и системы передачи при подключении к которым оконечных телеграфных устройств (ТГА, спецаппаратуры) обеспечивается обмен посылками постоянного тока называется каналом тонального телеграфирования.
5. СТРУКТУРА КАНАЛА ТОНАЛЬНОГО ТЕЛЕГРАФИРОВАНИЯ
Общая схема КТТ представлена на рис.8.

В образовании КТТ участвует оборудование КТЧ, АТТ и переходные устройства станций А и Б.
Для АТТ различают две стороны:
- линейную (ЛИН), которой АТТ подключается к КТЧ;
-телеграфную (ТГ), на которой находятся входы и выходы каналов ТТ.
На входы АТТ всегда должны подаваться двухполюсные посылки постоянного тока, (за исключением АТТ старого парка типа П-314,П-317 в которых предусмотрена работа однополярными посылками) соответственно на ТГ выходах АТТ формируются также двухполярные импульсы. Как уже отмечалось, современные войсковые ТГА работают однополярными посылками постоянного тока. Для преобразования однополярных посылок, поступающих с выхода ТГА, в двухполярные, необходимые для нормальной работы АТТ, в тракте передачи и обратного преобразования в тракте приема используют специальное устройство, которое называется переходное устройство (ПУ). На ПУ также различают две стороны:
-канальную (КАН), со стороны которой входы ПУ соединяются с АТТ;
-аппаратную (АПП), со стороны которой подключаются телеграфные аппараты.
Рассмотрим, какие преобразования претерпевает сигнал, проходя от передающего ТГА к приемному, см.рис.8.
Однополярные посылки постоянного тока с выхода ТГА поступают на АПП - вход ПУ, в котором они преобразуются в двухполярные импульсы. Эти импульсы подаются на ТГ - вход АТТ и преобразуются в тональные посылки. Частотно-манипулированный сигнал передается по КТЧ и на ст. Б с выхода КТЧ поступает на ЛИН - вход АТТ, на выходе которой формируются двухполярные посылки постоянного тока. Затем в ПУ осуществляется их преобразование в однополярные импульсы, которые и поступают в ВлприемникВ» ТГА. В обратном направлении (от ст. Б к А) преобразование сигналов аналогичное. Следует отметить, что на выходе некоторых оконечных телеграфных устройств, например, телеграфная аппаратура, формируются двухполярные посылки постоянного тока. В этом случае необходимость в переходном устройстве отпадает и сигналы от оконечного телеграфного устройства подаются (снимаются) на (с) вход (выхода) АТТ, минуя ПУ. Упрощенная схема ПУ, поясняющая принцип его действия, представлена на рис.9. в зависимости от положения якоря, управление которым осуществляет ключ К ТГА, на ТГ - вход АТТ подается Вл+В» или Вл-В» источника питания МБ.

Цепь постоянного тока, состоящая из ключа К телеграфного аппарата, обмотки реле Р и источника питания ЛБ, называется линейной или телеграфной.
На полевых узлах связи телеграфные аппараты размещаются в телеграфных машинах, называемых телеграфными станциями(ТГС), например, П-236, П-237, П-222МЭ. Аппаратура тонального телеграфирования совместно с переходными устройствами находятся в другой аппаратной машине - аппаратной тонального телеграфирования (АпТТ), например П-254. Аппаратные ТГС и АпТТ могут находится на достаточно большом удалении друг от друга (до 0,5 км.). Источники питания линейных цепей называемые линейной батареей (ЛБ), имеются как в ТГС, так и в АпТТ. В зависимости от режимов работы КТТ, которые будут рассмотрены далее, ЛБ может быть включена в телеграфную цепь на ТГС и АпТТ, а при значительном удалении ТГС от АпТТ и на ТГС и в АпТТ одновременно. В связи с этим говорят, что питание телеграфных цепей может осуществляться от аппарата, (значит от ЛБ находящейся в ТГС), или от аппаратуры (ЛБ включена в АпТТ), или и от аппарата и аппаратуры одновременно.
1.6.режимы работы канала тонального телеграфирования.
в зависимости от типа оконечного телеграфного устройства, которое будет включено в канал ТТ, этот канал должен быть установлен в один из трех режимов работы.
I.ВлПервыйВ» режим (ранее назывался ВлБОДОВ») обозначается - ВлIВ». Этот режим используется при подключении к каналу ТТ телеграфной спецаппаратуры и организации транзита телеграфных каналов. В данном случае телеграфный канал имеет четырехпроводное окончание, которое работает только с двухполярными посылками постоянного тока. Переходное устройство не применяется.
II.ВлВторой режим В» (ранее назывался ВлСТ. ДУПЛЕКСВ») обозначается ВлIIВ». Режим используется для подключения к каналу по два телеграфных аппарата на передающей и приемной сторонах, т.е. получения дуплексной буквопечатающей связи. Канал имеет четырехпроводное окончание, работающее только однополярными посылками постоянного тока. В данном случае обязательно применение переходного устройства.
III.ВлТретийВ» режим (ранее назывался ВлСТ. симплекс В») обозначается ВлIIIВ». Режим используется для подключения к каналу по одному телеграфному аппарату на передающей и приемной сторонах, т.е. получения симплексной буквопечатающей связи. Канал имеет двухпроводное окончание (вход и выход канала в гнезде ВлПЕРВ»), работающее только однополярными посылками постоянного тока. В этом режиме также обязательно применение переходного устройства.
В ВлIВ» режиме телеграфная цепь передачи получает питание от ВлаппаратаВ», цепь приема Влот аппаратурыВ». Номинальные значения линейных токов, протекающих в цепях передачи и приема составляют
i л =(205)mA. Во ВлIIВ» и ВлIIIВ» режимах телеграфные цепи могут получать питание от ВлаппаратаВ» или от ВлаппаратурыВ», или от линейных батарей ВлаппаратаВ» и ВлаппаратурыВ» одновременно, i л =(5010)mA.
1.7.общая структура аппаратуры тонального телеграфирования
В настоящее время на вооружении войск связи состоит комплект АТТ типа П-327. В тоже время, еще достаточно широко используется комплект АТТ, предшествовавший вышеназванному, который именуется П-318М. Эти комплексы имеют конструктивные, схемные и технические отличия. Однако любая аппаратура ТТ советского или зарубежного производства, устаревшего или новейшего образцов, военная или министерства связи имеет единую структуру, которая может быть представлена в виде, изображенном на рис.10. Таким образом, аппаратура ТТ состоит из трактов передачи и приема. Каждый тракт, в свою очередь, содержит индивидуальное и линейное оборудование. Сторона аппаратуры, которой она включается в канал ТЧ называется линейной , входы и выходы N каналов ТТ располагаются на стороне, называемой телеграфной. К каждому телеграфному каналу, предназначенному для эксплуатации во ВлIIВ» или в ВлIIIВ» режимах, подключается переходное устройство, общая структура которого представлена на рис.11. Переходное устройство также состоит из оборудования передачи и приема. Сторона ПУ, которым она подключается к АТТ, называется канальной. Телеграфные аппараты подключаются к аппаратной стороне ПУ.


РАЗДЕЛ II КОМПЛЕКСЫ АППАРАТУРЫ ТОНАЛЬНОГО ТЕЛЕГРАФИРОВАНИЯ.
2.1 АППАРАТУРА ТОНАЛЬНОГО
ТЕЛЕГРАФИРОВАНИЯ П-314М (П-317)
2.1.1 Тактико-технические характеристики
аппаратуры П-314М (П-317)
Одноканальная аппаратура тонального телеграфирования П-314М предназначена для получения одной телеграфной связи по телефонному высокочастотному или радиорелейному каналу с сохранением телефонной связи по этому каналу.
Уплотняемый телефонный канал должен иметь эффективно-передаваемую полосу частот до 2,7 или до 3,4 кГц.
Аппаратура рассчитана на включение как телеграфных устВнройств, работающих током двух направлений, так и телеграфных аппаратов, работающих током одного направления.
Телеграфные устройства, работающие током двух направлений, могут включаться только с разделенными цепями передачи и приеВнма. Аппараты, работающие током одного направления, могут включаться как с разделенными, так и с неразделенными цепями передачи и приема.
Телеграфные цепи аппаратуры позволяют подключать телеВнграфные аппараты по симметричной и по несимметричной (провод-земля) схемам.
Телеграфные аппараты устанавливаются около П-314М или на удалении от нее. Наибольшее удаление определяется электричеВнскими данными соединительных линий и напряжением источника питания линейных цепей. Например, при включении СТ-2М и наВнпряжении 120 В с неразделенными цепями передачи и приема по средней точке стальной трехмиллиметровой цепи возможен вынос его на расстояние до 70 км от аппаратуры П-314М. Дальность действия аппаратуры П-314М определяется дальностью действия уплотняемого телефонного канала и при необходимости может быть увеличена путем организации телеграфных переприемов.
Телефонный канал на уплотняемом аппаратурой П-314М участВнке может иметь только четырехпроводные переприемы с трансляВнцией тонального вызова. При уплотнении аппаратурой П-314М теВнлефонного канала, содержащего переприемы другого вида (двух-проводный или четырехпроводный с трансляцией индукторного вызова), в пункте переприема телефонного канала организуется телеграфный переприем.
Для питания аппаратуры П-314М могут использоваться:
источники переменного тока напряжением 127 или 220 В;
источники постоянного тока напряжением 24 В.
Режимы работы аппаратуры:
режим I - для включения телеграфных аппаВнратов работающих двухполюсными посылками с разделенными цепями передачи и приема;
режим II - для включения телеграфных аппаВнратов, работающих однополюсными посылками с разделенными цепями передачи и приема;
режим III - для включения телеграфных аппаВнратов, работающих однополюсными посылками с неразделенными цепями передачи и приема.
Питание телеграфных цепей осуществляется:
при подключении телеграфных устройств, работающих на токе двух направлений: цепь передачи тАФ со стороны телеграфной станции, цепь приематАФсо стороны аппаратуры П-314М номиВннальное значение линейных токов 20 В± 5 мА;
при подключении телеграфной аппаратуры, работающей на токе одного направления с разделенными и неразделенными цепяВнми передачи и приема, линейные цепи могут питаться как со стороны телеграфной станции, так и со стороны аппаратуры П-314М (напряжение 60 В). Номинальное значение тока 50В±10 мА (для СТА-2М).
Мощность, потребляемая аппаратурой, не превышает:
при питании от источников переменного тока 27 Вт;
при питании от источника постоянного тока 15 Вт.
Габариты упаковки П-314М: ширина 644 мм, глубина 335 мм, высоВнта 183 мм. Такие же габариты имеет упаковка разделительных фильтров. Предусмотрена возможность выноса блока разделительных фильтров в отдельную упаковку. В такой упаковке может быть размещено до пяти блоков разделительных фильтров.
Минимально необходимое количество запасных и съемных деВнталей размещено в крышке аппаратуры.
Вес аппаратуры с комплектом запасного и съемного имущестВнва 25 кг. Вес упаковки разделительных фильтров с комплектом запасного и съемного имущества 19 кг. Вес одного блока выносВнных разделительных фильтров 3,2 кг.
Аппаратура может устанавливаться для работы на подвижных, полустационарных и стационарных узлах связи.
Нормальная работа П-314М обеспечивается при температуре окружающего воздуха от тАФ10 до +50В° С и при относительной влажности до 95% (при температуре до +25В° С).
Спектр сигналов аппаратуры П-314М занимает в телефонном канале полосу частот от 2500 до 2700 Гц.
Дополнительное затухание, вносимое в тракт передачи телеВнфонного канала аппаратурой П-314М, на частоте 800 Гц составляет В±0,05 Нп и не превышает 0,1 Нп на частотах 300 и 3400 Гц и 0,4 Нп на частотах 2400 и 2800 Гц. Затухание, вносимое аппараВнтурой П-314М в тракт приема телефонного канала, не превышает 0,15 Нп на частоте 800 Гц, 0,25 Нп на частотах 300 и 3400 Гц и 0,4 Нп на частотах 2400 и 2800 Гц.
Средняя частота телеграфного канала 2610 Гц, девиация частоВнты 55 Гц; при этом индекс модуляции для средней скорости телеграфирования (50 бод) равен 2,2.
Плюсовой посылке в режиме работы на токе двух направлений или токовой посылке в режиме работы на токе одного направлеВнния соответствует нижняя рабочая частота (2555 Гц), а минусовой или бестоковой посылкетАФверхняя рабочая частота (2665 Гц).Предусмотрена возможность изменения этого соотношения на обратное.
Аппаратура рассчитана на работу со скоростью до 75 бод.
Номинальное значение абсолютного уровня передачи сигнаВнлов тонального телеграфирования в точках присоединения к пеВнредающему тракту телефонного канала составляет тАФ2,5 Нп, с возможностью понижения до тАФ3 Нп, номинальное значение уровВння приема тАФ0,5 Нп (тАФ1,0 Нп).
Регулировка преобладания обеспечивает компенсацию преобВнладания при смещении рабочих частот до 20 Гц. Диапазон регуВнлировки преобладания не менее В±30%.
Защищенность уплотняемого телефонного канала от сигналов аппаратуры П-314М не менее 5,5 Нп.
Конструктивно аппаратура выполнена в одной упаковке в которой установлено пять отдельных блоков. (рис.46)
блок передатчика (ПЕР.) (1);
блок разделительных фильтров (РФ) (2);
блок приемника (ПР) (3);
блок контроля и коммутации, (БКК) (4);
блок писания (ПИТ.) (5).
Блок передатчика предназначен для преобраВнзования посылок постоянного тока, поступающих с передающего аппарата, в частотно-модулированные колебания тональной частоты, которые подаются в тракт передачи телефонного канала через блок разделительных фильтров.
Блок разделительных фильтров предназначен для разделения спектров частот телефонного и телегВнрафного каналов.
Блок приемника предназначен для преобразоВнвания частотно-модулированных сигналов, постуВнпающих из канала ТЧ, в посылки постоянного тока, которые подаются на приемный телеграфный аппарат.
Блок контроля и коммутации служит для обраВнзования телеграфных цепей в режимах I, II или III, измерения напряжений и токов в основных цепях, переключения р
Вместе с этим смотрят:
220-мм реактивная система залпового огня
PR-подготовка призыва в вооруженные силы Российской Федерации
РЖнженерний захист робiтникiв та службовцiв промислового обтАЩiкта