Взаимозаменяемость, стандартизация и технические измерения
Министерство образования Российской Федерации
Уральский государственный технический университет
КУРСОВАЯ РАБОТА
по предмету тАЬВзаимозаменяемость, стандартизация
и технические измерениятАЭ
Студент:
Преподаватель:
г. Екатеринбург
2001 год
Часть 1. ЧЕТЫРЕ ПОСАДКИ
| Вариант | Посадки | |||
| 15 | 20H7/g6 | 45H6/m5 | 60H6/p5 | 80D9/h9 |
1) Определить наибольшие, наименьшие предельные размеры и допуски размеров деталей, входящих в соединение;
1.1 Для посадки 20H7/g6
20H7: ES = +21 мкм EI = 0 мкм
20g6: es = -7 мкм ei = -20 мкм
Предельные размеры отверстия:
Dmax = D + ES = 20 + 0,021 = 20,021 мм
Dmin = D + EI = 20 + 0 = 20,000 мм
Допуск на размер отверстия:
TD = Dmax - Dmin = 20,021 тАУ 20,000 = 0,021 мм
Предельные размеры вала:
dmax = d + es = 20 + (-0,007) = 19,993 мм
dmin = d + ei = 20 + (-0,020) = 19,980 мм
Допуск на размер вала:
Td = dmax - dmin = 19,993 тАУ 19,080 = 0,013 мм
1.2 Для посадки 45H6/m5
45H6: ES = +16 мкм EI = 0 мкм
45m5: es = +20 мкм ei = +9 мкм
Предельные размеры отверстия:
Dmax = D + ES = 45 + 0,016 = 45,016 мм
Dmin = D + EI = 45 + 0 = 45,000 мм
Допуск на размер отверстия:
TD = Dmax - Dmin = 45,016 тАУ 45,000 = 0,016 мм
Предельные размеры вала:
dmax = d + es = 45 + 0,020 = 45,020 мм
dmin = d + ei = 45 + 0,009 = 45,009 мм
Допуск на размер вала:
Td = dmax - dmin = 45,020 тАУ 45,009 = 0,011 мм
1.3 Для посадки 60H6/p5
60H6: ES = 19 мкм EI = 0 мкм
60p5: es = +45 мкм ei = +32 мкм
Предельные размеры отверстия:
Dmax = D + ES = 60 + 0,019 = 60,019 мм
Dmin = D + EI = 60 + 0 = 60,000 мм
Допуск на размер отверстия:
TD = Dmax - Dmin = 60,019 тАУ 60,000 = 0,019 мм
Предельные размеры вала:
dmax = d + es = 60 + 0,045 = 60,045 мм
dmin = d + ei = 60 + 0,032 = 60,032 мм
Допуск на размер вала:
Td = dmax - dmin = 60,045 тАУ 60,032 = 0,013 мм
1.4 Для посадки 80D9/h9
80D9: ES = +174 мкм EI = +100 мкм
80h9: es = 0 мкм ei = -74 мкм
Предельные размеры отверстия:
Dmax = D + ES = 80 + 0,174 = 80,174 мм
Dmin = D + EI = 80 + 100 = 80,100 мм
Допуск на размер отверстия:
TD = Dmax - Dmin = 80,174 тАУ 80,100 = 0,074 мм
Предельные размеры вала:
dmax = d + es = 80 + 0 = 80,000 мм
dmin = d + ei = 80 + (-0,074) = 79,926 мм
Допуск на размер вала:
Td = dmax - dmin = 80,000 тАУ 79,926 = ï-0,074ï = 0,074 мм
2) Определить наибольшие, наименьшие, средние зазоры и наВнтяги и допуски посадок;
2.1 Для посадки 20H7/g6
Зазоры:
Smax = Dmax - dmin = 20,021 - 19,980 = 0,041 мм
Smin = Dmin - dmax = 20,000 - 19,993 = 0,007 мм
Sm = (Smax + Smin)/2 = (0,041+0,007)/2 = 0,024 мм
Допуск посадки:
TS = Smax - Smin = 0,041 - 0,007 = 0,034 мм
2.2 Для посадки 45H6/m5
Максимальный зазор:
Smax = Dmax - dmin = 45,016 тАУ 45,009 = 0,007 мм
Максимальный натяг:
Nmax = dmax - Dmin = 45,020 тАУ 45,000 = 0,020 мм
Допуск посадки:
TS(TN) = TD + Td = 0,016 - 0,011 = 0,027 мм
2.3 Для посадки 60H6/p5
Натяги:
Nmax = dmax - Dmin = 60,045 тАУ 60,000 = 0,045 мм
Nmin = dmin - Dmax = 60,032 тАУ 60,019 = 0,013 мм
Nm = (Nmax - Nmin)/2 = (0.045 тАУ 0.013)/2 = 0,016 мм
Допуск посадки:
TN = Nmax - Nmin = 0.045 тАУ 0.013 = 0,032 мм
2.4 Для посадки 80D9/h9
Зазоры:
Smax = Dmax - dmin = 80,174 - 79,926 = 0,248 мм
Smin = Dmin - dmax = 80,100 - 80,000 = 0,100 мм
Sm = (Smax + Smin)/2 = (0,248+0,100)/2 = 0,174 мм
Допуск посадки:
TS = Smax - Smin = 0,248 - 0,100 = 0,148 мм
полученные данные занести в таблицу (мм);

3) Построить схемы расположения полей допусков деталей, входящих в соединения;

4) Назначить средства для контроля (измерения) размеров деталей, входящих в соединения (тип производства назначает и обосновывает студент);
Назначаем тип производства тАУ серийное
Тогда:
- для контроля размера вала Æ20H7+0.021 будем использовать калибр - пробку с проходными и непроходными губками.
- для контроля размера отверстия Æ20g6-0.007 будем использовать пневматический ротаметр. -0.020
5) выполнить эскиз одного из 4 соединений (по выбору стуВндента) с обозначением посадки в соединении и эскизы деталей, входящих в это соединение, с указанием на них обозначения точВнности размеров (номинальный размер, обозначение поля допуска и квалитета, предельные отклонения).

Часть 2. ФОРМА И РАСПОЛОЖЕНИЕ ПОВЕРХНОСТЕЙ
1) Изобразить эскиз детали с указанием на заданных поВнверхностях обозначений отклонений формы и расположения поверхВнностей;

2) Охарактеризовать заданные поверхности;
а) тАУ плоская, полуоткрытая поверхность
b) тАУ цилиндрическая, внутренняя, открытая поверхность
3) Расшифровать обозначения отклонений формы и располоВнжения заданных поверхностей , в том числе указать размерность числовых отклонений;

Допуск перпендикулярности тАУ обозначает наибольшее допускаемое значение отклонения от перпендикулярности (мм).
![]()
Допуск параллельности тАУ обозначает наибольшее допускаемое значение отклонения от параллельности.
Размерность допусков формы и расположения поверхностей задается в миллиметрах.
4) По допуску формы или расположения установить степень точности;
Определяем по справочнику табл. 2.11 [3, стр. 381]

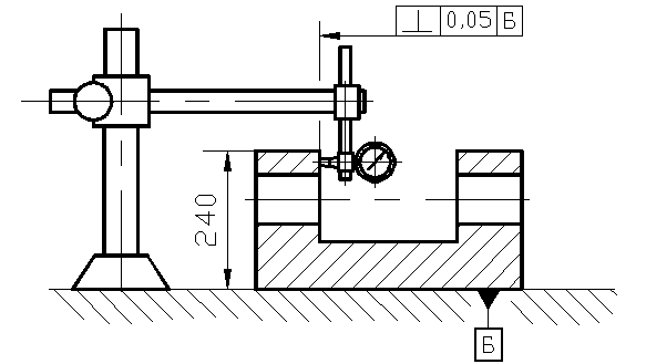
При h = 240 степень точности тАУ 9
![]()
При L = 380 степень точности тАУ 10
5) Изобразить схемы измерения отклонений;
Для контроля допуска перпендикулярности:

Для контроля допуска параллельности:

Часть 3. ШЕРОХОВАТОСТЬ ПОВЕРХНОСТИ
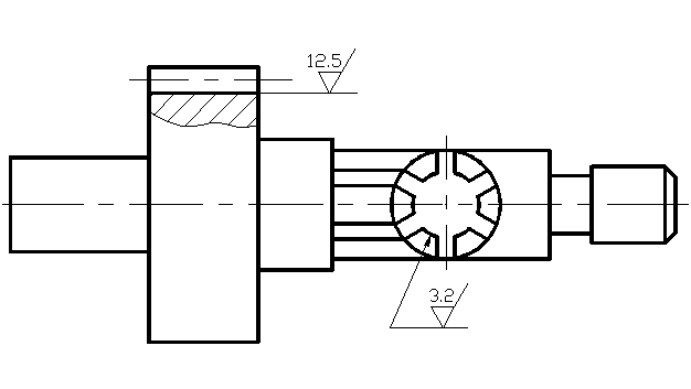
1. Изобразить эскиз детали с указанием заданных обознаВнчений шероховатости поверхностей;

2. Охарактеризовать заданную поверхность;
Наружная полуоткрытая поверхность заданного профиля
3. Расшифровать обозначение шероховатости поверхностей и в том числе указать размерность числового значения шерохоВнватости;
Такое обозначение шероховатости предъявляет следующее требование к поверхности: поверхность должна быть образована удалением слоя материала, при этом шероховатость поверхности по Ra не должна превышать соответственно 12,5 и 3,2 (мкм).
Размерность задается в микрометрах.
4. Указать - предпочтительные или нет числовые значения шероховатости поверхностей;
Соответственно ГОСТ 2789-73 параметры шероховатости 12,5 и 3,2 являются предпочтительными.
5. Указать метод обработки для получения шероховатости.
Для получения параметра шероховатости 12,5 выбираем фрезерование, а для параметра 3,2 выбираем тАУ зубодолбление.
Часть 4. РАiЕТ ПОСАДОК ПОДШИПНИКОВ КАЧЕНИЯ

Исходные данные:
Обозначение подшипника | тАУ 6 |
Размеры dxD | тАУ 90 x 160 мм |
Радиальная нагрузка | тАУ 6000 Н |
1) Установить вид нагружения каждого кольца подшипника;
По чертежу наружное кольцо воспринимает радиальную нагрузку, постоянную по направлению и ограниченную участком окружности дорожки качения и передает ее соответствующему ограниченному участку посадочной поверхности корпуса, следовательно характер нагружения тАУ местный.
Внутреннее кольцо воспринимает радиальную нагрузку последовательно всей окружностью дорожки качения и передает ее последовательно всей посадочной поверхности вала, следовательно характер нагружения тАУ циркуляционный.
2) Для кольца, имеющего циркуляционное нагружение, рассчитать интенсивность радиальной нагрузки по учебнику [1, с.237-239] или по справочнику [3, с.283];
По табл.4.92 [3, с.287] или по табл. 9.3 и 9.4 [1, с.238] установить поле допуска для вала или корпуса;
Интенсивность нагрузки подсчитывают по формуле

где Ff тАФ радиальная нагрузка на опору; k1, k2, k3 тАФ коэффициенты; тАФ рабочая ширина посадочного места; = В тАФ 2 r (В тАФ ширина подшипника; r тАФ координата монтажной фаски внутреннего или наружного кольца подшипника).
Динамический коэффициент посадки k1 зависит от характера нагрузки: при перегрузке до 150 %, умеренных толчках и вибрации K1= 1; при перегрузке до 300 %, сильных ударах и вибрации k1 = 1,8.
Коэффициент k2 учитывает степень ослабления поВнсадочного натяга при полом вале или тонкоВнстенном корпусе: при сплошном вале k2= 1.
КоВнэффициент k3учитывает неВнравномерность распределеВнния радиальной нагрузки Ff между рядами роликов в двухрядных конических роликоподшипниках или между сдвоенными шарикоподшипниками при наВнличии осевой нагрузки Ffна опору.
В нашем случае k1 = k2 = k3 = 1
По ГОСТ 8338-75 определяем для нашего подшипника 90 х 160:
В = 30мм; r = 1.5мм
Рассчитываем интенсивность нагрузки:

По табл. 9.3 из справочника [1, с.238] устанавливаем поле допуска для вала: Æ90js6(В±0.011)
3) Для кольца, имеющего местное нагружение, поле допуска присоединиВнтельной поверхности (вал или корпус) выбрать по табл. 4.89 справочника [3, с.28б] или табл. 9.6 [1, c.239];
По табл. 9.6 из справочника [1, c.239] устанавливаем поле допуска для корпуса: Æ160H7(+0.025)
4) В случае колебательного нагружения кольца подшипника поле допусВнка присоединительной поверхности (вал или корпус) устанавливаетВнся также по табл. 4.95 справочника [3, с.289-290];
тАУ
5) Построить схему расположения полей допусков колец подшипника и присоединительных поверхностей вала и корпуса. Числовые значения предельных отклонений посадочных размеров колец подВншипников берутся из таблиц справочника [3, c.273-281] или из других справочников по подшипникам качения;
Предельные отклонения:
| для внутреннего кольца | тАУ 90(-0,020) |
| для наружного кольца | тАУ 160(-0,025) |
6) Выполнить эскизы посадочных мест вала и корпуса. Шероховатость поверхности вала и корпуса и допуски формы и расположения поВнверхности берутся из справочника [3, с.288-296] или из другой справочкой литературы по подшипникам качения.

Эскизы посадочных мест

Часть 5. НАЗНАЧЕНИЕ И ОБОСНОВАНИЕ ПОСАДОК
ШПОНОЧНОГО СОЕДИНЕНИЯ И ЕГО КОНТРОЛЬ

Исходные данные:
Шпоночное соединение | тАУ 16 |
Номин. размер соединения | тАУ 8 мм |
1) Установить и обосновать тип шпоночного соединения (свободное, норВнмальное или плотное);
Устанавливаем тип соединения тАУ нормальное т.к. производство тАУ серийное.
2) Назначить поля допусков и квалитеты для деталей, входящих в соедиВннение: шпонка, паз вала, паз втулки. Для этого воспользоваться рекомендациями в [1, с.334] или [3, с.237,238];
По табл. 4.64 справочника [3, с.235] выбираем сечение шпонки для диаметра вала Æ8 тАУ b´h = 2´2 мм.
По табл. 4.65 справочника [3, с.237] выбираем предельные отклонения:
| - для ширины шпонки | - h9 | es = 0, ei = -25 мкм |
| - для ширины паза на валу | - N9 | ES = 0, EI = -25 мкм |
| - для ширины паза во втулке | - Js9 | ES = +13, EI = -13 мкм |

Вычисляем предельные зазоры и натяги.
В соединении шпонки с пазом вала (N9/h9)
Smax= ES тАУ ei = 0 тАУ (-25) = 25 мкм
Nmax= es тАУ EI = 0 тАУ (-25) = 25 мкм
В соединении шпонки с пазом втулки (Js9/h9)
Smax= ES тАУ ei = 13 тАУ (-25) = 38 мкм
Nmax= es тАУ EI = 0 тАУ (-13) = 13 мкм
3) Вычертить в масштабе (поперечный разрез) вал и втулку с указанием номинального размера по ширине шпоночных пазов, квалитета, поля допуска и предельных отклонений, а также шероховатости, допусков формы и расположения поверхностей;
4) Назначить средства для контроля деталей шпоночного соединения. Калибры для шпоночных соединений установлены в ГОСТ 24109-80, 24121-80, рекомендации по контролю даны в [3, с.248,249].
Контроль шпоночных соединений в серийном и массовом производстве осуВнществляют специальными предельными калибрами: ширина пазов вала и втулки Ь проверяется пластинами, имеющими проходную и непроходную сторону (рис. а); размер (d +t2 у отверстия) тАФ пробками со ступенчатой шпонкой (рис. б); глубина паза вала (размер t1) тАФ кольцевыми калибрами, имеющими стержень с проходной и непроходной ступенью (рис. в). Допуски этих типов калибров принимаются равными допускам гладких калибров, имея и виду зависимые допуски расположения.
Симметричность пазов относительно осевой плоскости проверяют комплексВнными калибрами: у отверстия тАФ пробкой со шпонкой (рис. г), а у вала тАФ накладной призмой с контрольным стержнем (рис. д).
Проектирование комплексных калибров для шпоночных соединений необВнходимо производить с учетом максимальных размеров сопрягаемых деталей.
После сборки контроль шпоночного соединения производят путем устаноВнвления биения охватывающей детали, покачиванием охватывающей детали на валу и перемещением охватывающей детали вдоль вала (в случае подвижного соединения).

Часть 5. НАЗНАЧЕНИЕ ПОСАДОК ШЛИЦЕВЫХ СОЕДИНЕНИЙ
И ИХ КОНТРОЛЬ

Исходные данные:
Шлицевое соединение | тАУ 9 |
Размер 2´d´D | тАУ 10´42´52 мм |
1) Назначить метод центрирования соединения;
Назначаем неподвижное центрирование по наружному диаметру.
2) Назначить посадки по центрирующим и не центрирующим элементам соединения. Посадку выбирают из табл. 4.72, 4.73, 4.74, 4.75 справочника [3,c.252-253] в зависимости от принятого метода центрирования и характера соединения (подвижное или неподвижное), в первую очередь назначить предпочтительные посадки;
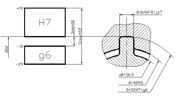
Для центрирующего диаметра D=52 выбираем посадку ![]()
По боковым сторонам зубьев b=6 выбираем посадку ![]()
Для не центрирующего диаметра втулки d=42 выбираем посадку H11, а диаметр вала d1=36,9.
Предельные отклонения сводим в таблицу:
| Предельные отклонения и допуски шлицевых соединений, мкм | ||||||
| Втулка | Вал | |||||
| D=52H7 | B=5F8 | d=42h11 | D=52g6 | b=6js7 | d1 £ d | |
| Верхнее отклонение | ES=+30 | ES=+28 | ES=+160 | es=-10 | es=+6 | d1=36.9 |
| Нижнее отклонение | EI=0 | EI=+10 | EI=0 | ei=-29 | ei=-6 | |
| Допуск | TD=30 | TB=18 | Td=160 | Td=19 | Tb=12 | |
3) Построить схемы расположения полей допусков шлицевых деталей по соединяемым элементам;
Вычисляем зазоры по центрирующим и нецентрирующим поверхностям:
| По D: | Smax = ES - ei = 30 тАУ (-29) = 59 мкм |
Smin = EI - es = 0 тАУ (-10) = 10 мкм | |
| По d: | Smax = dmaxвт тАУ d1 = 42 + 0.160 тАУ 36.9 = 5.26 мм |
| По b: | Smax = ES - ei = 28 тАУ (-6) = 32 мкм |
Smin = EI - es = 10 тАУ 6 = 4 мкм |


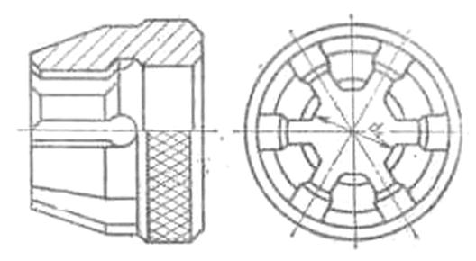
4) Выполнить чертеж шлицевого соединения (поперечный или продольный разрез) и нанести на нем условное обозначение соединения по ГОСТ 1139-80. Чертеж выполняется на листах формата А4;
5) Выбрать средства для контроля заданных шлицевых деталей.
Для контроля шлицевого вала выбираем комплексный проходной колибр.

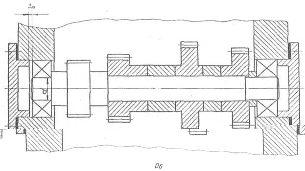
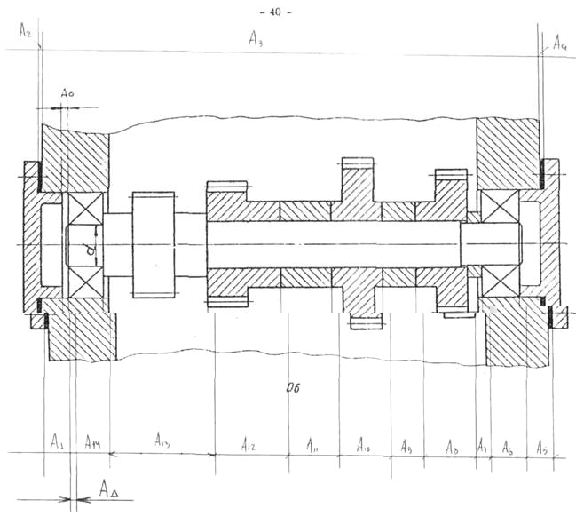
Часть 5. РАiЕТ СБОРОЧНЫХ РАЗМЕРНЫХ ЦЕПЕЙ

Исходные данные:
Предельные отклонения АD | АD= 0, ES = +1.1, EI = +0.3 |
Размер d | = 40 |
Подшипники качения | ES = 0, EI = -120 мкм |
Толщина прокладок | = 2-0.1мм |
Толщина стопорных колец | = 3тАУ0.1 мм |
1. Определяем масштаб рисунка:
М = d / x = 40 / 12 = 3,3
2. Определяем увеличивающие (А2, А3, А4) и уменьшающие (А1, А5, А6, А7, А8, А9, А10, А11, А12, А13, А14) звенья, обозначив их начиная с АD по часовой стрелке от А1 до Аn (у нас А14)

Общее число звеньев размерной цепи равно 15. Замыкающее звено АD= 0, ES = +1,1, EI = +0,3. Составляющие звенья размерной цепи определяем согласно масштаба: А1=26, А2=2-0,1, А3=500, А4=2-0,1, А5=26, А6=36-0,12, А7=15, А8=53, А9=32, А10=50, А11=50, А12=71, А13=100, А14=10.
Согласно схемам размерных цепей:
,
где
тАУ номинальный размер замыкающего звена,
и
тАУ номинальные размеры увеличивающих и уменьшающих размерных звеньев цепи.

Но у нас АD= 0
Для выполнения равенства корректируем звено А3:

3. Определим число единиц допуска
При решении задачи способом допусков одного квалитета предВнполагаем, что все составляющие цепь размеры выполняются по одному и тому же квалитету точности. А каждому квалитету точности соотВнветствует вполне определенное число единиц допуска а. То есть аодинаково для всех звеньев размерной цепи.
Величина допуска каждого составляющего размера
![]()
где:
aj - число единиц допуска соответствующего звена размерной цепи;
ij - единица допуска. Величина i зависит от интервала размеров, в котором располагается соответствующий размер, и моВнжет быть определена по таблицам.
Так как по условии задачи принято одинаковое число единиц допуска для каждого звена, то среднее число единиц допуска для каждого звена можно обозначить am.
Для определения am используем формулу:

4. Определяем квалитет точности.
Принимаем am =16, тогда квалитет точности тАУ 7.
5. Назначаем допуски.
Назначаем допуски согласно 7-го квалитета точности по табли-цам допусков и вносим их в графу [5] табл.1.
В графу [6] записываем размер звена с отклонениями, в графу [7] тАУ середину поля допуска, [8] и [9] соответственно тАУ верхнее и нижнее отклонения.
Табл.1
| Исходные данные | Категория звена: увеличив. уменьш. | Единица допуска | Категория звена: вал, отверстие, уступ. | Допуск звена (по ГОСТ 25347-82), мм | Размер звена с отклоне-ниями, мм | Середина поля допуска, мм | Верхнее откло-нение, мм | Нижнее откло-нение, мм |
| 1 | 2 | 3 | 4 | 5 | 6 | 7 | 8 | 9 |
А1=26 | Умен. | 1,31 | Уступ | 0,021 | 26В±0,0105 | 0 | +0,0105 | -0,0105 |
А2=2 тАУ0,1 | Увел. | тАУ | Вал | 0,1 | 2 -0,1 | -0,05 | 0 | -0,1 |
А3=489 | Увел. | 3,89 | Вал | 0,063 | 489 -0,063 | -0,0315 | 0 | -0,063 |
А4=2 тАУ0,1 | Увел. | тАУ | Вал | 0,1 | 2 -0,1 | -0,05 | 0 | -0,1 |
А5=26 | Умен. | 1,31 | Уступ | 0,021 | 26В±0,0105 | 0 | +0,0105 | -0,0105 |
А6=36-0,12 | Умен. | тАУ | Вал | 0,12 | 36 -0,12 | -0,06 | 0 | -0,12 |
А7=15 | Умен. | 1,08 | Вал | 0,018 | 15 -0,018 | -0,009 | 0 | -0,018 |
А8=53 | Умен. | 1,86 | Вал | 0,030 | 53 -0,030 | -0,015 | 0 | -0,030 |
А9=32 | Умен. | 1,56 | Вал | 0,025 | 32 -0,025 | -0,0125 | 0 | -0,025 |
А10=50 | Умен. | 1,56 | Вал | 0,025 | 50 -0,025 | -0,0125 | 0 | -0,025 |
А11=50 | Умен. | 1,56 | Вал | 0,025 | 50 -0,025 | -0,0125 | 0 | -0,025 |
А12=71 | Умен. | 1,86 | Вал | 0,030 | 71 -0,030 | -0,015 | 0 | -0,030 |
А13=100 | Умен. | 2,17 | Вал | 0,035 | 100 -0,035 | -0,0175 | 0 | -0,035 |
А14=34-0,12 | Умен. | тАУ | Вал | 0,12 | 34 -0,12 | -0,06 | 0 | -0,12 |
АD= | Умен. | тАУ | тАУ | 0,8 |
| +0,7 | +1,1 | +0,3 |
АРЕГ=50 | Умен. | 1,56 | Вал | 0,092 |
| -0,63 | -0,584 | -0,676 |
6. Предварительная проверка решения.
Проверим зависимость замыкающего звена от составляющих:


7. Назначение регулирующего звена.
По предварительной проверке
хотя при методе максимума-минимума, обеспечивающем полную взаимозаменяемость, должВнна была получиться максимальная величина допуска
. Причиной разницы заданной и расчетной величин ТАд является отВнличие среднего расчетного числа единиц допуска (am=19,72) и стандартного числа единиц допуска для выбранного квалитета (am =16).
Для компенсации разницы в расчетном и табличном числе единиц допуска при расчете размерных цепей вводится регулирующее звено. В качестве регулирующего звена целесообразно использовать наиболее легко выполнимое звено, мы выбираем звено А3.
8. Определение допусков и предельных отклонений регулирующего эвена.
Допуск регулирующего звена можно определить из зависимости (2), если представить ее в виде:

Отсюда:


Для определения положения поля допуска регулирующего звена определим координату середины поля допуска этого звена
по зависимости:

где
- координата середины поля допуска замыкающего звена;
и
координаты середины поля допуска увеличивающих и уменьшающих звеньев размерной цепи;
- число увеличивающих звеньев размерной цепи;
Р - число уменьшающих звеньев размерной цепи.
Из зависимости (2) для регулирующего звена, назначенного из числа уменьшающих звеньев:


9. Определяем верхнее и нижнее предельные отклоВннения
регулирующего звена:


10. Решение проверочной (обратной) задачи
Решение обратной задачи начинается с проверки правильности назначения допусков по зависимости:


![]()
Равенство выдерживается. Допуски назначены правильно. Для расчета предельных отклонений используем зависимости:
Для верхнего предельного отклонения замыкающего эвена:

где:
- верхнее отклонение замыкающего эвена;
- верхние отклонения увеличивающих звеньев размерной цепи;
- нижние отклонения уменьшающих звеньев размерной цепи.

Равенство соблюдается.
Для нижнего предельного отклонения замыкающего ввена:


Равенство соблюдается.
Расчет размерной цепи полностью завершен.
Вместе с этим смотрят:
11-этажный жилой дом с мансардой
14-этажный 84-квартирный жилой дом
16-этажный жилой дом с монолитным каркасом в г. Краснодаре
180-квартирный жилой дом в г. Тихорецке
2-этажный 3-секционный 18-квартирный жилой дом в г. Мирном