Детали машин
СОДЕРЖАНИЕ
| 1. Выбор электродвигателя и кинематический расчет привода. | 3 |
| 2. Расчет зубчатых колес редуктора | 4 |
| 3. Предварительный расчет валов | 6 |
| 4. Конструктивные размеры шестерни и колеса | 7 |
| 5. Конструктивные размеры корпуса редуктора | 7 |
| 6. Расчет цепной передачи | 8 |
| 7. Первый этап компоновки редуктора | 10 |
| 8. Проверка долговечности подшипника | 11 |
| 9. Второй этап компоновки редуктора | 14 |
| 10. Проверка шпоночного соединения | 15 |
| 11. Уточненный расчёт валов | 15 |
| 12. Выбор сорта масла | 17 |
| 13. Сборка редуктора | 18 |
| 14. Список используемой литературы | 19 |
1. Выбор электродвигателя и кинематический расчёт
Технические данные
P2=4,5 кВт
n2=100 об/мин
1.1 Определение общей КПД установки
, где
=0,98 - КПД цепной передачи
=0,99 - Две пары подшипников качения
=0,92 - КПД зубчатой передачи
=0,99 - КПД муфты
1.2 Определяем требуемую мощность электродвигателя.
1.3 Определяем требуемую частоту вращения.
![]()
где Uц.п. =3 ;Uред =4
nдв =nз×Uобщ=100×12=1200
1.4 Выбираем тип двигателя по таблице П1. Это двигатель 4А100L4УЗ с ближайшим большим значением мощности 4 кВт, с асинхронной частотой вращения 1500 об/мин и S =4,7%. Этому значению номинальной мощности соответствует частота вращения nном =1500-47=1453 об/мин.
1.5 Определяем общее передаточное число установки.
1.51 По ГОСТ 2185-66 принимаем Uред =4
1.6 Пересчитываем Uц.п.
![]()
1.7 Определяем вращающий момент на валах
1.71 Вращающий момент на валу шестерни
![]()
1.72 Вращающий момент на валу колеса
![]()
![]()
2. Расчет зубчатых колёс редуктора
2.1 Выбор материалов для передач
Так как в задании нет особых требований в отношении габаритов передачи, выбираем материалы со средними механическими характеристиками по таблице 3.3: для шестерни сталь 45, термообработка тАУ улучшение, твёрдость НВ 230; для колеса - сталь 45, термообработка тАУ улучшение, но твёрдость на 30 единиц ниже тАУ НВ 200.
Допускаемые контактные напряжения
![]()
где sн limb тАУ предел контактной выносливости при базовом числе циклов. По табл. 3.2[1] для углеродистых сталей с твёрдостью поверхностей зубьев менее
НВ 350 и термообработкой (улучшение)
![]()
КHLтАУ коэффициент долговечности; при числе циклов нагрузки больше базового, что имеет место при длительной эксплуатации редуктора, принимают КHL=1; []H=1,1
2.2Принимаем допускаемое напряжение по колесу
Для колеса
![]()
Тогда расчетное допускаемое напряжение
![]()
Коэффициент нагрузки
, несмотря на симметричное расположение колес относительно опор, примем выше для этого случая, так как со стороны клиноременной передачи действуют силы, вызывающие дополнительную деформацию ведомого вала и ухудшающие контакт зубьев. Принимаем предварительно по табл. 3.1[1], как в случае несимметричного расположения колес, значение
=1,25.
Принимаем коэффициент ширины венца по межосевому расстоянию
Межосевое расстояние из условия контактной выносливости активной поверхности зубьев (по формуле (3.8) [1]).

Здесь принято
. Ближайшее стандартное значение
. Нормальный модуль зацепления
; принимаем
(стр.36 [1])
2.3 Угол наклона зубьев
. Определим число зубьев шестерни и колеса:
; принимаем z1=28
тогда
принимаем z2=112
2.4 Основные размеры шестерни и колеса:
2.41 Диаметры делительные:
;
.
Проверка:
.
2.42 Диаметры вершин зубьев:
;
;
ширина колеса
;
ширина шестерни
.
2.43 Определяем коэффициент ширины шестерни по диаметру:
.
2.44 Окружная скорость колес и степень точности передачи
м/с,
где - ω1=![]()
![]()
При такой скорости следует принять 8-ю степень точности (стр.32 [1])
2.5 Коэффициент нагрузки
![]()
Значения
даны в табл.3.5[1]: при
, твердости
и несимметричном расположении колес относительно опор с учетом изгиба ведомого вала от натяжения цепной передачи
.
По табл. 3.4[1] при
и 8-й степени точности
. По табл.
3.6[1] для прямозубых колес при
имеем
. Таким образом,
.
2.6 Проверка контактных напряжений по формуле (3.6)[1]:

2.7Силы, действующие в зацеплении:
2.71 Окружная
;
2.72 Радиальная
;
2.73 Осевая ![]()
2.8 Проверяем зубья на выносливость по напряжениям изгиба по формуле (3.25)[1]:
![]()
Здесь коэффициент нагрузки
.
По табл. 3.7[1] при
, твердости
и несимметричном расположении зубчатых колес относительно опор
. По табл. 3.8[1]
. Таким образом, коэффициент
.
2.81
тАУкоэффициент прочности зуба по местным напряжениям, зависящий от эквивалентного числа зубьев
:![]()
у шестерни
;
у колеса
.
При этом
и
(стр.42 [1]).
Допускаемое напряжение тАУ по формуле (3.24)[1]:
.
По табл. 3.9[1] для стали 45 улучшенной при твердости ![]()
.
Для шестерни
;
для колеса
.
тАУкоэффициент запаса прочности(3.24)[1], где
;
. Следовательно,
.
Допускаемые напряжения:
для шестерни
,
для колеса
.
Находим отношения
;
для шестерни
;
для колеса
.
Дальнейший расчет следует вести для зубьев колеса, для которого найденное отношение меньше.
Определяем коэффициенты Ub и КFa
β=1, т.к. β=0
![]()
Проверяем прочность зуба колеса по формуле (3.25)[1]:
![]()
Условие прочности выполнено.
3. Предварительный расчет валов редуктора
Предварительный расчет проведем на кручение по пониженным допускаемым напряжениям.
Ведущий вал:
диаметр выходного конца при допускаемом напряжении
(учитывая влияние изгиба вала от натяжения ремней привода) по формуле (6.16)[1]
.
Принимаем ближайшее большее значение из стандартного ряда(ГОСТ 6636-69):
.
Примем под подшипниками
. Шестерню выполним за одно целое с валом.
Ведомый вал:
Учитывая влияние изгиба вала от возможных натяжений, принимаем
.
Диаметр выходного конца вала
.
Принимаем ближайшее большее значение из стандартного ряда:
. Диаметр вала под подшипниками принимаем
, под зубчатым колесом
.
Диаметры остальных участков назначают исходя из конструктивных соображений при компоновке редуктора.
4. Конструктивные размеры шестерни и колеса
Шестерню выполняем за одно целое с валом, ее размеры:
,
,
.
Колесо кованое,
,
,
.
Диаметр ступицы
; длина ступицы
, из конструктивных соображений принимаем
.
Толщина обода
, принимаем
.
Толщина диска
.
5. Конструктивные размеры корпуса редуктора
5.1 Толщина стенок корпуса и крышки:
, принимаем
;
, принимаем
.
5.2 Толщина фланцев поясов корпуса и крышки:
5.21 Верхний пояс корпуса и пояс крышки:
;
;
5.22 Нижний пояс корпуса
, принимаем
.
5.3 Диаметры болтов:
5.31 Фундаментных
, принимаем болты с резьбой М20;
5.32 Крепящих крышку к корпусу у подшипников
, принимаем болты с резьбой М16;
5.33 Соединяющих крышку с корпусом
, принимаем болты с резьбой М10.
6. Расчет цепной передачи
Выбираем приводную роликовую однорядную цепь (табл. 7.15)
6.1 Вращающий момент на ведущем валу:
Т3 = Т2 =97 Н∙мм
6.2 Передаточное отношение было принято Uц =3,6
6.3 Число зубьев:
6.31 Ведущей звёздочки
![]()
6.32 Ведомой звёздочки
![]()
Принимаем ![]()
Тогда фактическое ![]()
6.4 Отклонение δ%
, что допустимо.
6.5 Расчётный коэффициент нагрузки (табл.7.38)
,
Где Кэ =динамический коэффициент при спокойной нагрузке; Ка =1 учитывает влияние межосевого расстояния; Кн =1-учитывает влияние угла наклона линии центров; Кр= 1,25 при периодическом регулировании натяжения цепи, Кр - учитывает способ регулирования цепи; Ксм =1 при непрерывной смазке; Кп =учитывает продолжительность работы в сутки, при односменной работе Кп =1.
6.6 Частота вращения звездочки (7.18)[1]
,
где ![]()
Среднее значение допускаемого давления при ![]()
Шаг однорядной цепи:

Подбираем по табл. 7.15[1] цепь ПР 15,875-22,70 по ГОСТ 13568-75, имеющую t =31,75 мм; разрушающую нагрузку ![]()
![]()
6.7 Скорость цепи.
![]()
6.8 Окружная сила.
![]()
6.9 Давление в шарнире проверяем по формуле (7.39)[1]
,
уточняем по тал 7.18 допускаемое давление [p]= 34[1+0.01(Z3-17)] =36,38.
Условие
выполнено.
6.10 Определяем число звеньев по формуле (7.36)[1]
![]()
где at =
=50;
; ![]()
Тогда
![]()
округляем до чётного числа ![]()
6.11 Уточняем межосевое расстояние цепной передачи по формуле (7.37)[1]
![]()
=
![]()
Для свободного провисания цепи предусматривает возможность уменьшения межосевого расстояния на 0,4% т.е. на ![]()
6.12 Определим диаметры делительных окружностей звёздочек (см формулу(7.34)[1]


6.13 Определим диаметры наружных поверхностей звездочек (7.35)[1]
,
где d1 =10,16 мм- диаметр ролика цепи (табл.7.15)[1]
![]()
![]()
6.14 Силы, действующие на цепь:
6.14.1 Окружная ![]()
6.14.2 От центробежных сил ![]()
6.14.3 От провисания ![]()
6.15 Расчетная нагрузка на валы
![]()
6.16 Проверяем коэффициент запаса прочности
![]()
6.17 Размеры ведущей звездочки:
ступица звездочки dст =
; ![]()
принимаем
=40 мм
толщина диска звёздочки 0,93 Ввн =
,
где Ввн тАУрасстояние между пластинками внутреннего звена
6.18 Размеры ведомой звездочки
![]()
, принимаем
=60 мм
7. Первый этап компоновки редуктора
Компоновку обычно проводят в два этапа. Первый этап служит для приближенного определения положения зубчатых колес относительно опор для последующего определения опорных реакций и подбора подшипников.
Компоновочный чертеж выполняем в одной проекции тАФ разрез по осям валов при снятой крышке редуктора; желательный масштаб 1:1, чертить тонкими линиями.
Примерно посередине листа параллельно его длинной стороне проводим горизонтальную осевую линию; затем две вертикальные линии тАФ оси валов на расстоянии
.
Вычерчиваем упрощенно шестерню и колесо в виде прямоугольников; шестерня выполнена за одно целое с валом; длина ступицы колеса равна ширине венца и не выступает за пределы прямоугольника.
Очерчиваем внутреннюю стенку корпуса:
а) принимаем зазор между торцом шестерни и внутренней стенкой корпуса
;
б) принимаем зазор от окружности вершин зубьев колеса до внутренней стенки корпуса
;
в) принимаем расстояние между диаметром окружности вершин зубьев шестерни и внутренней стенкой корпуса
(наружный диаметр подшипника меньше диаметра вершин зубьев шестерни).
Предварительно намечаем радиальные шарикоподшипники средней серии; габариты подшипников выбираем по диаметру вала в месте посадки подшипников
и
.
По табл. П3[1] имеем:
| Условное обозначение подшипника | d | D | B | Грузоподъемность, кН | ||
| Размеры, мм | C | C0 | ||||
304 307 | 20 35 | 52 80 | 15 21 | 15,9 33,2 | 7,8 18 | |
Решаем вопрос о смазке подшипников. Принимаем для подшипников пластичную смазку. Для предотвращения вытекания смазки внутрь корпуса и вымывания пластичной смазки жидким маслом из зоны зацепления устанавливаем мазеудерживающие кольца. Их ширина определяет размер
.
Замером находим расстояния на ведущем валу
и на ведомом валу
.
Замером находим расстояние
, определяющее положение шкива относительно ближайшей опоры ведомого вала. Примем окончательно
.
8. Проверка долговечности подшипника.
Ведущий вал. Из предыдущих расчетов имеем
и
;
; из первого этапа компоновки
.
Реакции опор:
вертикальная плоскость:
в плоскости XZ
![]()
В плоскости YZ
![]()
Проверка: ![]()
![]()
.
Суммарные реакции:
![]()
![]()
![]()
Намечаем радиальные шариковые подшипники 304 (табл. П3)[1]:
;
;
; С=1939 кН и С0=7,8 кН.
Эквивалентная нагрузка по формуле (9.3)[1]
,
в которой радиальная нагрузка Pr1=500H; осевая нагрузка Pa=0H; V=1 (вращается внутреннее кольцо); Кб=1 (табл. 7.2)[1]; Кт=1.05.
Отношения
;
Отношение ![]()
.
Расчетная долговечность, млн. об. :

Расчетная долговечность, ч,
.
Ведомый вал.Из первого этапа компоновки
и
;![]()
![]()
Реакции опор:
В плоскости XZ
![]()
![]()
Проверка:
![]()
В плоскости YZ
![]()
![]()
Проверка:
![]()
Суммарные реакции:
;
.
Выбираем подшипник по более нагруженной опоре 3.
Шариковые радиальные подшипники 307 средней серии(см.П3):
;
;
; С=33,2 кН и С0=18 кН.
Отношения
;
Отношение ![]()
![]()
Расчетная долговечность, млн. об. :

Расчетная долговечность, ч,
;
Для зубчатых редукторов ресурс работы подшипников принимают от 36 000 ч (таков ресурс самого редуктора) до 10 000 ч (минимально допустимая долговечность подшипника). В нашем случае подшипники ведомого вала 304 имеют ресурс
, а подшипники ведомого вала 307 имеют
.
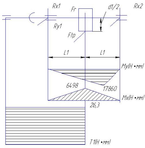
Строим эпюры:
Ведущий вал:

Ведомый вал:

10. Второй этап компоновки редуктора
Второй этап компоновки имеет целью конструктивно оформить зубчатые колеса, валы, корпус, подшипниковые узлы и подготовить данные для проверки прочности валов и некоторых других деталей.
Вычерчиваем шестерню и колесо по конструктивным размерам, найденным ранее. Шестерню выполняем за одно целое с валом.
Конструируем узел ведущего вала:
а) наносим осевые линии, удаленные от середины редуктора на расстояние
. Используя эти осевые линии, вычерчиваем в разрезе подшипники качения;
б) между торцами подшипников и внутренней поверхностью стенки корпуса вычерчиваем мазеудерживающие кольца. Их концы должны выступать внутрь корпуса на 1-2мм от внутренней стенки. Тогда эти кольца будут выполнять одновременно роль маслоотбрасывающих колец. Для уменьшения числа ступеней вала кольца устанавливаем на тот же диаметр, что и подшипники (Ø40мм). Фиксация их в осевом направлении осуществляется заплечиками вала и торцами внутренних колец подшипников;
в) вычерчиваем крышки подшипников с уплотнительными прокладками (толщиной 1мм) и болтами. Болт условно заводится в плоскость чертежа, о чем говорит вырыв на плоскости разъема.
Используем фетровые уплотнения, т. к. допускаемое значение скорости <5м/с.
г) переход вала Ø40мм к присоединительному концу Ø32мм выполняют на расстоянии 10-15мм от торца крышки подшипника.
Длина присоединительного конца вала Ø32мм определяется длиной шкива.
Аналогично конструируем узел ведомого вала.
На ведущем и ведомом валах применяем шпонки призматические со скругленными торцами по ГОСТ 23360-78. Вычерчиваем шпонки, принимая их длины на 5-10мм меньше длин ступиц.
Непосредственным измерением уточняем расстояния между опорами и расстояния, определяющие положение зубчатых колес относительно опор. При значительном изменении этих расстояний уточняем реакции опор и вновь проверяем долговечность подшипников.
11. Проверка прочности шпоночных соединений
Шпонки призматические со скругленными торцами. Размеры сечений шпонок и пазов и длины шпонок по ГОСТ 23360-78.
Материал шпонок - сталь 45 нормализованная.
Напряжение смятия и условие прочности по формуле (6.22)[1]
![]()
Допускаемое напряжение смятия при стальной ступице
, при чугунной ступице ![]()
Ведущий вал
;
; ![]()
![]()
![]()
Условие
выполнено.
Ведомый вал
;
;
; длина шпонки
; момент на ведущем валу
;
![]()
Условие
выполнено.
12. Уточненный расчет валов
Примем, что нормальные напряжения от изгиба измеряются по симметричному циклу, а касательные от кручения тАУ по отнулевому (пульсирующему).
Уточненный расчет состоит в определении коэффициентов запаса прочности n опасных сечений и сравнении их с требуемыми (допускаемыми) значениями [n]. Прочность соблюдена при n³[n].
Будем производить расчет для предположительно опасных сечений каждого из валов.
Ведущий вал.
Материал вала тот же, что и для шестерни (шестерня выполнена заодно с валом), т.е. сталь 45, термообработка ¾ улучшение.
По табл. 3.3 при диаметре заготовки до 90мм (в нашем случае da1=78,96 мм) среднее значение ![]()
Предел выносливости при симметричном цикле изгиба
.
Предел выносливости при симметричном цикле касательных напряжений
![]()
Сечение АтАУА. В этом сечении при передаче вращающего момента от электродвигателя через муфту возникают только касательные напряжения. Концентрацию напряжений вызывает наличие шпоночной канавки.
Коэффициент запаса прочности
,
где амплитуда и среднее напряжение отнулевого цикла
.
При d=32 мм; b=10 мм; t1=5 мм
;
.
Принимаем
,
и
.
После подстановки
.
Такой большой коэффициент запаса прочности объясняется тем, что диаметр вала был увеличен при конструировании для согласования по размеру с диаметром вала электродвигателя.
По той же причине проверять прочность в сечениях БтАУБ и ВтАУВ нет необходимости.
Ведомый вал.
Материал вала тАУ сталь 45 нормализованная,
.
Пределы выносливости
и
.
Сечение АтАУА.
Изгибающий момент в горизонтальной плоскости
;
изгибающий момент в вертикальной плоскости
;
суммарный изгибающий момент в сечении АтАУА
.
Момент сопротивления кручению (
;
;
)
.
Момент сопротивления изгибу
.
Амплитуда и среднее напряжение цикла касательных напряжений
.
Амплитуда нормальных напряжений изгиба
; среднее напряжение
.
Коэффициент запаса прочности по нормальным напряжениям
.
Коэффициент запаса прочности по касательным напряжениям
.
Результирующий коэффициент запаса прочности для сечения АтАУА
.
13. Посадки зубчатого колеса, звездочки и подшипников
Посадки назначаем в соответствии с указаниями, данными в табл. 8.11[1].
Посадка зубчатого колеса на вал Н7/р6 по ГОСТ 25347-82.
Посадка звездочки цепной передачи на вал редуктора Н7/h6.
Шейки валов под подшипники выполняем с отклонением вала к6. Отклонения отверстий в корпусе под наружные кольца по Н7.
Остальные посадки назначаем, пользуясь данными табл. 8.11[1].
14. Выбор сорта масла
Смазка зубчатого зацепления производится окунанием зубчатого колеса в масло, заливаемое внутрь корпуса до уровня, обеспечивающего погружение колеса примерно на 10 мм. Объем масляной ванны Vм определяем из расчета 0,25 дм3 масла на 1 кВт передаваемой мощности:
.
По табл. 10.8[1] устанавливаем вязкость масла. При скорости
рекомендуемая вязкость
.Принимаем масло индустриальное И-30А по ГОСТ 29799-75.
Подшипники смазываем пластичной смазкой, которую закладывают в подшипниковые камеры при сборке. Периодически смазку пополняют через пресс-масленки. Сорт смазки тАУ УТ-1.
15. Сборка редуктора
Перед сборкой внутреннюю полость корпуса редуктора тщательно очищают и покрывают маслостойкой краской.
Сборку производят в соответствии с чертежом общего вида редуктора, начиная с узлов валов:
на ведущий вал насаживают мазеудерживающие кольца и шарикоподшипники, предварительно нагретые в масле до 80-100В° С;
в ведомый вал закладывают шпонку 18´11´50 и напрессовывают зубчатое колесо до упора в бурт вала; затем надевают распорную втулку, мазеудерживающие кольца и устанавливают шарикоподшипники, предварительно нагретые в масле.
Собранные валы укладывают в основание корпуса редуктора и надевают крышку корпуса, покрывая предварительно поверхности стыка корпуса и крышки спиртовым лаком. Для центровки устанавливают крышку на корпус с помощью двух конических штифтов; затягивают болты, крепящие крышку к корпусу.
После этого на ведомый вал надевают распорное кольцо, в подшипниковые камеры закладывают пластичную смазку, ставят крышки подшипников с комплектом металлических прокладок; регулируют тепловой зазор, подсчитанный по формуле (7.1)[1]. Перед постановкой сквозных крышек в проточки закладывают войлочные уплотнения, пропитанные горячим маслом. Проверяют проворачиванием валов отсутствие заклинивания подшипников (валы должны проворачиваться от руки) и закрепляют крышки винтами.
Далее на конец ведомого вала в шпоночную канавку закладывают шпонку, устанавливают звездочку и закрепляют ее торцовым креплением; винт торцового крепления стопорят специальной планкой.
Затем ввертывают пробку маслоспускного отверстия с прокладкой и жезловый маслоуказатель. Заливают в корпус масло и закрывают смотровое отверстие крышкой с прокладкой; закрепляют крышку болтами.
Собранный редуктор обкатывают и подвергают испытанию на стенде по программе, устанавливаемой техническими условиями.
Список используемой литературы
1.Курсовое проектирование деталей машин: Учебно-справочное пособие для
ВУЗов / С.А.Чернавский и др.-М.: Машиностроение, 1984.
2 Шейнблид А.Е. Курсовое проектирование деталей машин: Учебное пособие для техникумов.-М.: Высшая школа, 1991.

Батманов А.В. гр. Т-32
![]()
Незаконное копирование тиражирование преследуется по закону All right received
![]()
Вместе с этим смотрят:
11-этажный жилой дом с мансардой
14-этажный 84-квартирный жилой дом
16-этажный жилой дом с монолитным каркасом в г. Краснодаре
180-квартирный жилой дом в г. Тихорецке
2-этажный 3-секционный 18-квартирный жилой дом в г. Мирном