Измерение параметров лазеров
ВВЕДЕНИЕ
Получение достоверных результатов измерений как самих параметров лазеров, так и выходных характеристик лазерных приборов и систем имеет свою специфику, поскольку лазерное излучение характеризуется некоторыми особенностями: широким спектральным (0,2 мм..1 мм) и динамическим диапазоном (120..200 дБ), малой длительностью импульсов (до 0.1 пс), высокой плотностью мощности (до 109 Вт/см2), энергии и т.п. Система характеристик и параметров ров лазеров и лазерного излучения лазерных приборов установлена ГОСТ 15093-75, ГОСТ 24453-80 и ГОСТ 23778-79, в соответствии с которыми осуществляется контроль изделий лазерной техники на этапе выпуска продукции и при их эксплуатации (табл.1).
Таблица 1
| Параметр, характеристика | Единица измерения | Определение | Обозначе-ние | |
| Энергетические параметры и характеристики | ||||
| Энергия | Дж | Энергия, переносимая лазерным излучением | W | |
| Мощность | Вт | Энергия, переносимая лазерным излучением в единицу времени | P | |
| Интенсивность | Величина, пропорциональная квадрату амплитуды электромагнитного колебания | J | ||
| Спектральная плотность энергии (мощность) | ДжЧГц-1 ВтЧГц-1 | Wl, Wn (Pl,Pn) | ||
| Средняя мощность импульса | Вт | Pu,ср | ||
| Максимальная мощность импульса | Вт | Pu, max | ||
| Спектральные параметры и характеристики | ||||
| Длина волны | l | |||
| Частота | n | |||
| Ширина спектральной линии | dn dl | |||
| Степень хроматичности | dn/n dl/l | |||
| Пространственно-временные параметры и характеристики | ||||
| Диаграмма направленности | Угловое распределение энергии или мощности лазерного излучения | |||
| Диаметр пучка | м | Диаметр поперечного сечения пучка лазерного излучения, внутри которого проходит заданная доля энергии или мощности лазера | d | |
| Расходимость | рад, ср | Плоский или телесный угол, характеризующий ширину диаграммы направленности лазерного излучения в дальней зоне по заданному уровню углового распределения энергии или мощности лазерного излучения, определяемому по отношению к его максимальному значению | QP | |
| Энергетическая расходимость | рад, ср | Плоский или телесный угол, внутри которого распространяется заданная доля энергии или мощности лазерного излучения | qS | |
| Относительное распределение плотности энергии (мощности) | Распределение плотности энергии (мощности) излучения по сечению лазерного пучка, нормированное относительно максимального значения плотности энергии (мощности) | qW,P,qW,S | ||
| Частота повторения импульсов | Гц | Отношени числла импульсов лазерного излучения ко времени | F | |
| Длительность импульсов | с | tu | ||
| Параметры когерентности | ||||
| Степень пространственно-временной когерентности | Модуль комплексной степени пространственно-временной когерентности при фиксированных координатах точки в пространстве и времени, равный:
| РЕg12(t)РЕ | ||
| Степень пространственной когерентнсти | Модуль комплексной степени временной когерентности для фиксированной точки пространства, равный
| РЕg12(О)РЕ | ||
| Степень временной когерентности | Модуль комплексной степени временной когерентности для фиксированной точки пространства, равный
| РЕg11(t)РЕ | ||
| Время когерентности | с | Минимальное запаздывание, для которого степень временной когерентности принимает значение равное нулю | ||
| Длина когерентности | м | Произведение времени когерентности на скорость электромагнитного излучения в вакууме | DК | |
| Параметры поляризации | ||||
| Плоскость поляризации | Плоскость, проходящая через направление распространения линейно-поляризованного лазерного излучения и направление его электрического вектора | |||
| Эллиптичность поляризованного лазерного излучения | Отношение малой полуоси эллипса, по которому поляризовано лазерное излучение к его большой полуоси | |||
| Степень поляризации | Отношение интенсивности поляризованной составляющей лазерного излучения к полной его интенсивности | |||
ИЗМЕРЕНИЕ ЭНЕРГЕТИЧЕСКИХ ПАРАМЕТРОВ И ХАРАКТЕРИСТИК ЛАЗЕРНОГО ИЗЛУЧЕНИЯ
Для измерения энергетических параметров лазерного излучения могут использоваться самые разнообразные методы, основанные на различных физических и химических эффектах взаимодействия лазерного излучения с веществом, последнее может находиться в любом агрегатном состоянии. Однако наиболее широкое распространение получили методы, основанные на преобразовании энергии лазерного излучения в тепловую энергию (тепловой метод) и в энергию электрического тока (фотоэлектрический и пироэлектрический методы). Реже применяется пондеремоторный метод, основанный на преобразовании энергии лазерного излучения в механическую энергию.
Измерение мощности и энергии лазерного излучения
Существующие средства измерения (СИ) энергетических параметров лазерного излучения содержат приемный (первичный) измерительный преобразователь (ПИП), измерительное устройство, а также отсчетное, или регистрирующее устройство. В ПИП энергия лазерного излучения преобразуется в тепловую или в механическую энергию или в электрический сигнал, доступные для дальнейшего преобразования и измерения.
Различают ПИП поглощающего и проходного типа. В преобразователях поглощающего типа поступающая на вход энергия лазерного излучения почти полностью поглощается и рассеивается в нем. В преобразователях проходного типа рассеивается лишь часть поступившей на вход энергии излучения (как правило небольшая), а большая чисть изучения проходит через преобразователь и может быть использована для требуемых целей.
Измерительное устройство включает преобразовательные элементы и измерительную цель. Их назначение тАФ преобразование выходного сигнала ПИП в сигнал, подаваемый на отсчетное или регистрирующее устройство. Отсчетное или регистрирующее устройство служит для считывания или регистрации значения измеряемой величины в аналоговой или цифровой форме.
Обычно ПИП конструктивно выполняется в виде отдельного блока, называемого измерительной головкой, а измерительное и отсчетное устройства тАФ в виде измерительного блока. В измерительный блок могут быть включены дополнительные устройства, например цепи коррекции дрейфа нуля, температурной и электрической стабилизации и др.
Тепловой метод
Сущность этого метода состоит в том, что энергия излучения при взаимодействии с веществом приемного преобразователя превращается в тепловую энергию, которая впоследствии измеряется тем или иным способом. Для измерения тепловой энергии, выделившейся в ПИП, обычно используют:
тАФтермоэлектрический эффект Зеебека (возникновение ТЭДС между нагретым и холодным спаями двух разнородных металлов или полупроводников);
тАФявление изменения сопротивления металлов и полупроводников при изменении температуры (болометрический эффект); фазовые переходы "твердое тело-жидкость" (лед-вода);
тАФэффект линейного или объемного расширения веществ при нагревании и др.
Необходимо отметить, что все тепловые ПИП в принципе являются калориметрами. Однако в литературе сформировались устойчивые названия ПИП, ассоциируемые обычно с некоторой совокупностью характерных признаков, свойственных приемным преобразователям определенных типов (термоэлементы, болометры, пироприемники и пр. ) .
Наиболее широкое распространение для измерения таких усредняемых во времени энергетических параметров лазерного излучения, как энергия и средняя мощность, получили калориметры. Они имеют достаточно конструктивно развитый приемный элемент, не объединенный с чувствительным элементом. К достоинствам калориметров относятся широкий спектральный и динамический диапазон работы, высокая линейность, точность и стабильность характеристик, простота конструкции, возможность их использования с высокоточными, хотя и инерционными цифровыми приборами, возможность калибровки преобразователей по эквивалентному электрическому воздействию.
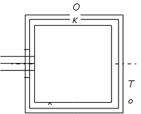
Любая калориметрическая система (рис.1.1) содержит внутреннее калориметрическое тело К (приемный элемент), в котором протекает процесс выделения (или поглощения) тепла, и внешнюю оболочку О, с которой происходит теплообмен калориметрического тела путем теплопроводности, конвекции и излучения.

Рисунок 1.1 Принципиальная схема калориметра
Тепловой поток Д от калориметрического тела на оболочку зависит главным образом от разности температур их поверхностей Ф=GT(Tk-To), где GT тАФ параметр, характеризующий тепловую проводимость cреды между калориметрическим телом и оболочкой. Часто теплообмен между K и O характеризуют также обратной величиной RT=1/GT, имеющей смысл теплового сопротивления среды. Наиболее широкое распространение для измерения таких усредненных во времени энергетических параметров лазерного изучения, как энергия и средняя мощность, получили калориметры переменной температуры (или неизотермические калориметры), у которых в процессе измерения ТK=f(t)№const. Уравнение теплового равновесия калориметрического тела K с оболочкой О в таком калориметре в предположении бесконечной температуропроводности вещества K имеет вид:
(1.1)
где P(t) тАФ мощность, рассеиваемая в калориметре; c тАФ теплоемкость K: T=TK-TO
У непрерывных лазеров характерным энергетическим параметром, который указывается в паспорте, является мощность лазера P. У лазеров, работающих в режиме свободной генерации одиночных импульсов лазерного излучения, обычно нормируется энергия импульса Wu. Лазеры, работающие в режиме модуляции добротности резонатора и в режиме синхронизации мод, обычно характеризуются значением Wu и дополнительно значением максимальной PUmax или средней PUср мощности импульса. Импульсно-периодические лазеры характеризуются средней мощностью Pср со временем усреднения, значительно превышающим период следования импульсов.
В соответствии с этим рассмотрим некоторые частные решения дифференциального уравнения (1.1).
1. Мощность, рассеиваемая а калориметре, не изменяется во времени, т.е. P(t)=PO=const. Тогда
(1.2)
где t=RTC постоянная времени калориметра.
Максимальное значение Т(t) достигается при tВоТР и равно Tmax=RTЧPO.
2. Мощность в калориметре выделяется в виде периодической последовательности прямоугольных импульсов: PO,tu и q тАФ импульсная мощность, длительность и скважность импульсов соответственно. Можно показать, что в этом случае для значений параметров лазерного излучения, наиболее часто встречающихся на практике ,
(1.3)
3. В калориметре рассеивается энергия одиночного прямоугольного импульса. Температура калориметрического тела в этом случае изменяется во времени следующим образом:
(1.4)
при 0РИtРИtu
при tuРИt<ТР

Максимальное значение Т(t) достигается при t=tu и равно Tmax=BЧRTЧWu (Wu=POЧtuимпульса; д -- постоянная калориметра) . Перечисленные частные случаи описывают три основных режима работы калориметрических преобразователей переменной температуры: режим измерения мощности непрерывных лазеров, средней мощности импульсно-периодический лазеров и режим измерения энергии одиночных лазерных импульсов.
В рассматриваемых калориметрах наибольшее распространение получили твердотельные приемные измерительные преобразователи. Такие ПИП часто изготавливают в виде полостей тАФ полого конуса, сферы с отверстием, полого цилиндра, а также комбинацией этих элементов. За счет использовать эффекта многократных переотражений излучения внутри полости удается увеличить коэффициент поглощения приемного преобразователя и тем самым расширить рабочий диапазон длин волн, а также увеличить верхний предел измерения мощности и энергии лазерного излучения.

Рисунок 1.2 Упрощенная конструкция калориметрического ПИП прибора ИМО-2
В качестве примера на рис.1.2 изображен ПИП прибора ИМО-2, серийно выпускаемого отечественной промышленностью для измерения средней мощности и энергии импульсов лазерного излучения. Здесь приемный элемент 1 выполнен в виде медного конуса со встроенным электрическим нагревателем для градуировки, причем на его приемную поверхность нанесено поглощающее покрытие, В качестве чувствительного элемента 2 применена медно-константановая термобатарея, содержащая более 2000 термопар, равномерно распределенных между наружной поверхностью приемного элемента и поверхностью пассивной теплоемкой оболочки 3 калориметра. Термобатарею получают путем меднения полувитков спирали прямоугольного сечения из константановой тАФ проволоки. Такие элементы не требуют включения в состав ПИП источников питания, так как их выходной величиной является термо-ЭДС, возникающая между холодным и нагретым спаями разнородных металлов и полупроводников. Большое количество термопар в составе термобатареи повышает чувствительность таких ПИП.
Измерительная головка ИМ0-2 содержит две одинаковые калориметрические секции с ПИП, которые находятся внутри пассивного термостата, образованного толстостенным медным корпусом и кожухом измерительной головки. Для уменьшения нестабильности ПИП термобатареи включены последовательно навстречу друг другу, что позволяет исключить влияние температуры окружающей среды. Измерительной блок содержит стабильный усилитель постоянного тока для усиления сигнала с выхода термопреобразователя, стабилизированный источник постоянного напряжения для проверки сохранности градуировочной характеристики прибора в процессе эксплуатации, цепи коммутации и регулировки коэффициента усиления УПТ и аналоговое отсчетное устройство.
Для расширения верхнего предела измерения мощности непрерывного лазерного излучения в комплекте прибора имеется ослабитель.
Основные технические характеристики прибора ИМО-2 и некоторых других тепловых средств измерений мощности и энергии лазерного излучения, серийно выпускаемых промышленностью, приведены в табл. 2.
В приборе ИКТ имеется также конический элемент, который обладает более высокой стойкостью к лазерному излучению в вследствие того, что на его конический приемный элемент действует лазерное излучение, прошедшее рассеивающий матированный сапфировый элемент. В результате этого излучение распределяется по всей приемной поверхности и плотность его снижается. В качестве чувствительного элемента здесь используется термометр сопротивления, выходной величиной которого является изменение электрического сопротивления ПИП под действием изменения температуры приемного элемента, возникающего при поглощении падающего излучения. Поэтому в состав таких ПИП должен входить источник питания. Измерительная головка ИКТ, так же как и в ИМ0-2, содержит два одинаковых ПИП с термометрами сопротивления, включенных в плечи моста постоянного тока.
Примером ПИП проходного типа может служить малоинерционный проволочный болометрический измеритель средней мощности излучения (рис.1.3). Такой ПИП выполнен в виде двух редких решеток из тонких металлических проволок, перекрывающих все сечение пучка излучения и соединенных последовательно. Принцип работы преобразователя основан на болометрическом эффекте, возникающем при частичном поглощении проходящего через решетки лазерного излучения.
Для редкой двойной решетки, если ее период cзначительно превышает диаметр d проволоки, полные потери оптического излучения, включающие потери на отражение, дифракцию и поглощение в элементах решетки, не превышают 4d/c. Наиболее подходящими материалами для проволок являются платина, золото и никель, которые обладают высокой механической прочностью и технологической простотой изготовления решеток с малым диаметром d и большим периодом c.
Таблица 2
п/п | Наимено-вание | Тип ПИП | Рабочий диапазон длин волн, мкм | Диапазон измерения мощности энергии Вт Дж | Время одного измерения для мощности | Время установления показания | Диапазон длительностей измеряемых импульсов, с | Диапазон измеряемых диаметров пучков, мм | Основная погрешность измерения, % | Вид индикации | ||
| 1 | ОСИСМ тАФ образцовое средство измерений средней мощности | ТермоВнэлектрический | 0.4 - 12 | 10-3 - 102 | 2.5 мин | 4 ё 10 | dP=1 ё 3 | Цифровой | ||||
| 2 | ОИМ-1-1 тАФ образцовый измеритель мощности излучения (80 кг) | То же | 0.3 - 3.5 | 10-3 - 10-1 | 8 мин | 3 ё 8 | dP=1 | Стрелочный | ||||
| 3 | ИМО-2-2М тАФ образцовый измритель мощности и энергии лазерного излучения | То же | 0.4 - 10.6 | 10-2 - 102 | 10-1 - 10 | 3 мин | 5 с / 2 мин | 2Ч10-4 - 10-3 | 4 ё 12 | dP=1 ё 3 dE=3 ё 4 | Цифровой | |
| 4 | ИМО-2 тАФ измеритель средней мощности и энергии лазерных импульсов | Термоэлектрический | 0.33 -10.6 | 5Ч10-3 - 102 | 3Ч10-3 - 10 | 2.5 мин | 8 c / 2 мин | 10-4 - 10-3 | 4 ё 12 | dP=5 ё 8 dE=7 ё 22 | Стрелочный | |
| 5 | МК 3 - 18А тАФ ваттметр поглощаемой мощности калориметрический | Болометрический | 0.4 - 3.5 | 5Ч10-4 - 10-2 | 10-3 - 0.3 | 10 с | 20 с / 30 с | 10-8 - 10-3 | РИ10 | dP,E=10 ё 20 | Стрелочный | |
| 6 | МЗ - 24 тАФ измеритель мощности калориметрический | То же | 0.4 - 3.5 | 10-3 - 10 | 10-2 -10 | 10 c | 10 c / 20 c | 10-8 - 10-3 | РИ20 | dP=5 ё 12 dE=5 ё 22 | Стрелочный | |
| 7 | ПВ - 1 тАФ пироэлектрический ваттметр | Пироэлектрический | 0.4 - 10.6 | 10-4 - 102 | 10 c | 2 ё 23 | dP=10 ё 20 | Стрелочный | ||||
| 8 | ФПМ -01 тАФ фотометр переносной малогабаритный для импульсных и непрерывных лазеров | Фотоэлектрический | 0.4 -1.06 | 10-7 - 10-1 | 10-8 - 0.05 | 1 c / 1 c | 2Ч10-4 - 10-2 | 2 14 | dP=15 dE=10 ё 20 | Цифровой | ||
| 9 | ФПМ -02 тАФ то же для импульсных лазеров (модификация ФПМ - 01) | Фотоэлектрический | 0.53 - 1.06 | 510-9 - 10-3 | 1 c / 1 c | 10-8 - 10-7 | 2 14 | dE=20 | Цифровой | |||
| 10 | ОСИЭ тАФ образцовое средство измерения энергии | Термоэлектрический | 0.5 - 10.6 | 2Ч10-2 -10 | 5 c / 4.5 мин | 10-8 - 10-3 | 4 ё 15 | dE=4 | Цифровой | |||
| 11 | ИКТ - 1Н - измеритель калориметрический твердотельный | То же | 0.4 - 4.0 | 5Ч10-2 - 103 | 10 c / 8 мин | 10-8 - 10-3 | 4 ё 45 | dE=22 | Стрелочный | |||
Так, например, из платиновых нитей диаметром 3тАж5 мкм можно изготовить решетки с поперечным размером более 10 см и периодом 1 мм. В этом случае общие потери но превышают 4В·5В·10-3=0.02, а коэффициент пропускания приемного измерительного преобразователя достигает 98%. Постоянная времени прибора не превышает 10-3 с.

Рисунок 1.3 Функциональная схема малоинерционного болометрического измерителя мощности лазерного излучения проходного типа
Если в ПИП чувствительным элементом является термометр сопротивления, который непосредственно воспринимает оптическое излучение и в нем отсутствует конструктивно развитый приемный элемент, то такой ПИП традиционно называют болометром, а в качестве термометра сопротивления могут использоваться не только проволочные проводники, а и пленочные. Приемно-чувствителльные элементы этих приборов часто помещают в вакуумированную оболочку И тогда их называют вакуумными. Глубокоохлаждаемые болометры, работающие при температурах жидкого азота и гелия, используют для измерения сверхмалых потоков излучения (эквивалентную мощность шума можно снизить до 10-14 ВтВ·Гц-1/2) либо при стремлении достичь максимального быстродействия (субнаносекундный диапазон) .
Калориметры, в которых тепловые процессы не приводят к изменению температуры калориметрического тела (т.е. ТK=TO=const), ю называются изотермическими калориметрами, или калориметрами постоянной температуры. Принцип действия таких калориметров основан либо на использовании эффектов фазового перехода вещества и состоит в измерении количества калориметрического вещества (льда), перешедшего под действием поглощенной энергии лазерного излучения в другую фазу (воду) при температуре существования фазового перехода (0В°) (калориметры с фазовым переходом), либо на эффекте компенсации в самом калориметре выделенного излучением тепла за счет теплового эффекта с противоположным знаком (компенсационные калориметры и калориметры с предварительным подогревом). Следует отметить, что на практике такие приборы используются редко, за исключением калориметров с предварительным подогревом. В этих приборах калориметрическое тело предварительно (до поступления и ПИП измеряемого излучения) подогревается до некоторой стационарной температуры, превышающей температуру окружающей среды. При подаче лазерного излучения мощность подогрева вручную или автоматически уменьшают ты, чтобы температура калориметрического тела оставалась прежней. Поглощенная ч в калориметре мощность в этом случае равна изменению мощности подогрева. По такому принципу работает образцовый измеритель мощности лазерного излучения ОИМ-1-1, у которого мощность подогрева уменьшается вручную.
Принцип работы пироэлектрических ПИП основан на использовании пироэлектрического эффекта, наблюдаемого у ряда нецентросимметричных кристаллов при их облучении и проявляющегося в возникновении разрядов на гранях кристалла, перпендикулярных особенной полярной оси. Если изготовить небольшой конденсатор и между его обкладками поместить пироэлектрик, то изменения температуры, обусловленные поглощением излучении, будут проявляться в виде изменения заряда этого конденсатора и могут быть зарегистрированы. Входное сопротивление пироэлектрического приемника является почти чисто емкостным. Поэтому сигнал на его выходе может появиться только при переменном входном сигнале, что вызывает необходимость модуляции излучения при измерении пироприемником излучения.
Выходной сигнал пироэлектрических ПИП пропорционален скорости изменения среднего прироста температуры d(DT)/dt чувствительного элемента, а не величине DT, не на которую реагируют тепловой приемники. Следствием этого является высокое быстродействие приемников (до 10-8), в также высокая их чувствительность(10-7тАж10-8 Дж), большой динамический диапазон работы (10-8тАж10 Дж) и широкий спектральный диапазон (0.4тАж10.6 мкм). Конструктивно чувствительный элемент пироприемника не отличается от колориметрических ПИП(см. рис. 1.2), за исключением самого чувствительного элемента 2, выполненного из пироэлектрика. Среди промышленных разработок измерения малых (до 10-9 Вт/см2) и сверхмалых (до 10-12 Вт/см2) потоков излучения наибольшее применение нашли пироэлектрические преемники на основе титаната бария, триглинсульфата и на основе керамики цирконат-титанат бария. Чувствительные элементы таких ПИП представляют собой плоскопараллельную пластину толщиной 20тАж100 мкм с нанесенными на обе стороны электродами. На облучаемую сторону пластины наносят поглощающее покрытие либо его роль выполняет полупрозрачный электрод. С помощью сравнительно несложной технологии чувствительные элементы можно изготавливать достаточно сложной формы с размерами приемной площадки от 10-4 до 106.
Обладая рядом преимуществ перед тепловыми преобразователями, пирозлектрические ПИП находят все более широкое применение для измерения энергетических и пространственно-энергетических параметров лазерного излучения.
Фотоэлектрический метод.
Фотоэлектрический метод измерения энергетических параметров лазерного излучения основан на переходе носителей заряда под действием фотонов измеряемого излучения на более высокие энергетические уровни. В качестве фотоэлектрических ПИП используют фотоприемники (ФП), которые делятся на две группы: с внешним и внутренним фотоэффектом. Внешний заключается в испускании электронов под действием фотонов в вакуум, внутренний тАФ в переходе электронов из связанного состояния под действием фотонов в свободное, т.е. в возбужденное состояние внутри материала. В обоих случаях переход происходит при поглощении веществом отдельных квантов излучения, поэтому ФП являются квантовыми приборами. Энергия электромагнитного излучения в них непосредственно превращается в электрическую, которую затем измеряют. Выходной электрический сигнал ФП зависит не от мощности падающего излучения, а от количества квантов излучения и энергии каждого кванта.
Общее выражение преобразования входного оптического сигнала в выходной электрический сигнал, осуществляемого фотоэлектрическим ПИП, можно записать в следующем виде:
I=IФП+IТ=SlЧP+IT (1.5)
где I тАФ полный ток, протекающий через ФП, А; IФП тАФ ток через ФП, вызванный падающим потоком излучения, А; IТ тАФ темновой ток, А; Sl тАФ спектральный коэффициент преобразования, или абсолютная спектральная чувствительность ФП, А/Вт; P тАФ мощность падающего на ФП излучения, Вт.
Ниже кратко рассмотрены основные фотоэлектрические преобразователи, применяемые в средствах измерения мощности и энергии лазерного излучения.
Фотопреобразователи с внешним фотоэффектом. Энергия фотоэлектронов, испущенных с поверхности катода под действием электромагнитного излучения, определяется выражением:
W=h-w(1.6)
где тАФ частота излучения, Гц; h тАФ постоянная Планка, (h=6.63Ч10-34 ДжЧс); w тАФ постоянная зависящая от природы материала фотокатода. Испускание электронов имеет место лишь в том случае, когда h>w= hО, где О тАФ пороговая частота, ниже которой фотоэффект невозможен. Длину волны lО=с/О называют длинноволновой (красной) границей фотоэффекта. Обычно коротковолновая граница фотопреобразователя ограничивается пропусканием входного окна ПИП.
К фотоприемникам на основе внешнего фотоэффекта относятся вакуумные приборы: фотоэлементы (ФЭ) и фотоэлектронные умножители,
Спектральный диапазон вакуумных ФП зависит от материала фотокатода. В настоящее время выпускаемые промышленностью ФЭ и ФЭУ перекрывают диапазон от УФ (0.16 мкм) до ближнего ИК излучения (1,2 мкм тАФ для серебряно-кислородно-цезиевого катода). Абсолютная спектральная чувствительность ФЭ определяется следующим образом:
Sl=QЭФЧl/1.24 (1.7)
где QЭФ тАФ эффективный квантовый выход, l тАФ длина волны излучения, мкм, Slменяется в зависимости от типа и конструкции прибора (10-3тАж10-1 мА/Вт).
Динамический диапазон, в котором сохраняется линейность преобразования оптического сигнала в электрический, для ФЭ сравнительно большой. Нижний предел ограничен шумами и темновым током ФЭ, верхний тАФ влиянием пространственного заряда и продольным сопротивлением фотокатода, В режиме непрерывного облучения нижний
предел может достигать 10-14 А, верхний не превышает 10-4 А. В импульсном режиме верхний предел может быть увеличен до десятков ампер.
Шумы и темновые токи ФЭ сравнительно невелики, однако из-за низкой чувствительности ФЭ нецелесообразно применять их для измерения малых уровней оптических сигналов.
Современные сильноточные временные ФЭ позволяют получать время нарастания переходной характеристики (между уровнями 0.1 и 0.9 от максимального значения) порядка 10-10 с.
ФЭУ обладают высокой чувствительностью благодаря наличию умножительной (диодной) системы. Если коэффициент вторичной эмиссии i-го диода i, коэффициент сбора электронов gi , а m тАФ число каскадов усиления, то коэффициент усиления ФЭУ:
(1.8)
абсолютная спектральная чувствительность ФЭУ:
Sl= SlkЧM
где абсолютная спектральная чувствительность фотокатода ФЭУ, определяемая аналогично по формуле (1.7).
Чувствительность ФЭУ может достигать ~105 А/Вт в максимуме спектральной характеристики. В обычных ФЭУ линейность сохраняется до десятков миллиампер, у современных сильноточных тАФ до единиц ампер.
При измерениях оптических сигналов большой мощности можно увеличить диапазон линейности ФЭУ для больших потоков частично используя динодную систему и снимая сигнал с промежуточных динодов. Нижний предел динамического диапазона ограничен шумами и темновыми токами ФЭУ, которые обычно составляют 10-11тАж10-5 А. Быстродействие современных ФЭУ лежит в пределах 30..1 нс (1н=10-9 с).
К ФП на основе внутреннего фотоэффекта относятся фоторезисторы, фотодиоды, фототранзисторы, МДП-фотоприемники и другие полупроводниковые ФП. Для измерения энергетических параметров излучения наиболее широкое распространение получили фотодиоды (ФД) и фоторезисторы (ФР).
Действие ФР основано на явлении фотопроводимости, заключающемся в возникновении свободных носителей заряда в некоторых полупроводниках и диэлектриках при падении на них оптического излучения. Фотопроводимость приводит к уменьшению электрического сопротивления и соответственно к увеличению тока, протекающего через фоторезистор.
Общее выражение для абсолютной спектральной чувствительности ФР может быть представлено в виде:
(1.10)
где e тАФ заряд электрона; V тАФ объем освещенности части полупроводника; Q тАФ квантовый выход внутреннего фотоэффекта; m тАФ подвижность фотоносителей; t тАФ время жизни фотоносителей; l тАФ расстояние между контактами; u тАФ напряжение, приложенное к ФР.
ФР различных типов перекрывают широкий спектральный диапазон(0.4тАж25 мкм); большинство из них требует охлаждения до температуры жидкого азота или жидкого гелия, что вызывает дополнительные трудности при их использовании в измерительной аппаратуре в качестве ПИП. Кроме того, они обладают большей инерционностью и невысокой чувствительностью, что также ограничивает их применение для измерений энергетических параметров лазерного излучения.
Наиболее широкое использование для этих целей имеют германиевые и кремниевые фотодиоды. Возникающие под действием излучения неосновные носители диффундируют через p-n-переход и ослабляют электрическое поле последнего, что приводит к изменению электрического тока в цепи. Фототок в широких пределах линейно зависит от интенсивности падающего излучения и практически не зависит от напряжения смещения. Для измерения энергетических параметров излучения обычно используют фотодиодный режим (с питанием), так как при этом диапазон линейности и быстродействие гораздо больше, чем в фотовольтаическом режиме (без питания). Важное значение для работы всех ФП имеет согласование с электронной схемой.
Абсолютная спектральная чувствительность ФД:
Sl=tЧgЧQЧl(1-r)/1.24 (1.11)
где t тАФ коэффициент пропускания окна прибора; g тАФ коэффициент
собирания носителей; Q тАФ квантовый выход; l тАФ длина волны излучения; r тАФ коэффициент отражения.
В рабочем спектральном диапазоне абсолютная спектральная чувствительность составляет десятые доли А/Вт. Область спектральной чувствительности кремниевых фотодиодов составляет 0.4тАж1.2 мкм (максимум около 0,85 мкм), германиевых тАФ 0.3тАж1.8 мкм (максимум в области 1,5 мкм). Такие ПИП не требуют охлаждения. Темновые токи у кремниевых ФД примерно на порядок ниже, чем у германиевых и достигают 10-5тАж10-7 А, а при специальной технологии изготовления тАФ 10-9тАж10-12 А. ФД обладают сравнительно низким уровнем шумов, что в сочетании с высокой чувствительностью делает, их ФП с низким порогом чувствительности. Это позволяет использовать ФД для измерений весьма слабых потоков излучения (до 10-6 Вт)
Инерционность обычных полупроводниковых ФД составляет 10-6тАж10-8 с, а временное разрешение Ge и Si лавинных ФД достигает 1тАж10 нс. ФД изготавливают с размерами фоточувствительной площадки примерно от долей мм до 10 мм, а лавинные ФД тАФ до 1 мм.
Для измерения относительно больших уровней мощности и энергии целесообразно применять ПИП с невысокой чувствительностью, т.е. ФЭ. Для измерения средних уровней энергетических параметров лазерного излучения можно применять как вакуумные приборы ( ФЭУ), так и полупроводниковые (ФР, ФД) . Для измерения малых потоков требуются приемники с высокой чувствительностью
Вместе с этим смотрят:
11-этажный жилой дом с мансардой
14-этажный 84-квартирный жилой дом
16-этажный жилой дом с монолитным каркасом в г. Краснодаре
180-квартирный жилой дом в г. Тихорецке
2-этажный 3-секционный 18-квартирный жилой дом в г. Мирном
, где 0РИРЕg12(
, где G12(
, где Г11(t) тАФ функция взаимной когерентности для точки пространства с радиусом-векторм r1
№