Конструирование микросхемы, разработка топологии
I. Анализ электрической схемы
Расчёт мощностей рассеяния Pi
Д
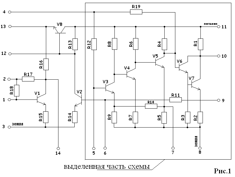
ля упрощения расчётов Pi резисторов R4, R5, R8, R9, R10, R12 и R19 преобраВнзуВнем выделенную часть схемы рис.1 (только те ветви, на которых находятся вышеуказанные резисторы) в эквивалентную (рис.2). Рассчитываем токи в контурах экВнвиВнвалентной схемы рис.2 методом контурВнных токов.

330I111-147I222-33I444=0
-1470I111+1517I222-47I333=0
-47I222+67I333-10I444=0
-3300I111-100I333+3400I444=5
I111(R4+R19+R8+R12)-I222(R19+R12)-I444R4=0
I222(R19+R12+R10)-I111(R19+R12)-I333R10=0
I333(R10+R5+R9)-I222R10-I444R5=0
I444(R4+R5)-I111R4-I333R5=E



= 111059850000 тАУ 49237209000 тАУ 11055924000 = 50766717000




= 345450 + 16405950 = 16751400 ;

I111 = = 0,000329968 A





= 775500 + 16250850 = 17026350 ;

I222 = = 0,000335384 A



= 25030500 тАУ 10804500 + 11399850 = 25625850 ;

I333 = = 0,00050478 A



= 164059500 тАУ 72390150 = 91669350 ;

I444 = = 0,0018057 A
Зная контурные токи, мы можем рассчитать:
I4 = I444 тАУ I111 = 0,0018057 - 0,000329968 = 0,001475732 A
I5 = I444 тАУ I333 = 0,0018057 - 0,00050478 = 0,00130092 A
I8 = I111 = 0,000329968 A
I9 = I333 = 0,00050478 A
I10 = I333 тАУ I222 = 0,00050478 - 0,000335384 = 0,000169396 A
I12 = I19 = I222 тАУ I111 = 0,000335384 - 0,000329968 = 0,000005416 A
Теперь рассчитываем токи на остальных резисторах:







Д
ля расчёта тока на резисторах R11, R13 и R14 представим конденсатор на 9-ом выводе как резистор с самым большим сопротивлением, которое только имеем на схеме УПЧ и схеме его включения (Rдобавочное=22000+22000=44000 Om см. паспорт МС), т.е.:


Для более точного подсчёта I15 тАУ I18 подробнее рассмотрим транзистор V1:
г




де - коэффициент передачи тока (КТ317А 70)







II. Разработка маршрутного технологического процесса изготовления микросхемы.
Наиболее простым способом формирования рисунка микросхемы является напыление элементов через свободные маски. Если при этом зазор между маской и подложкой отсутствует, линейные размеры элементов строго соответствуют размерам щелей в маске (метод контактной маски). Наличие зазора между подВнложкой и маской, устранить который полностью невозможно, приводит к образоВнванию Влзоны размытостиВ» рисунка. Причём размер этой зоны, как показывает практика, увеличивается с ростом толщины маски и клинообразности профиля её вырезов. С уменьшением же толщины снижается жёсткость маски и увеличиваетВнся её ВлпровисаниеВ» над подложкой, что, в свою очередь, также приводит к росту зоны размытости.
Напыление резистивных и проводниковых плёнок выполняется в одной вакуумной камере в непрерывном процессе. Для сублимации применяют резистивный испаритель, покрытый гальваническим слоем сублимируемого вещества либо стержень из спрессованного и спёченного порошка сублимиВнруВнемоВнго вещества, а вещества, плохо взаимодействующие с тугоплавкими матеВнриалами испаряют из жидкого состояния. Напыления ведут на подогретые подВнложки, температуру котоВнрых регулируют изменением тока нагревателя. При достижении требуемой температуры подложек испаритель подводят на позицию испарения и подают на него напряжение. При нагреве испарителя вакуум в камере ухудшается, так как с поверхности испарителя происходит выделение газов. После окончания газовыделения и восстановления вакуума открывают заслонку и напыляют пленку сублимируемого вещества. При достижении требуемой толщины плёнки заслонку закрывают, на позицию переводят следуюВнщую подложку и так процесс продолжают для напыления плёнки на все подложВнки.
Нанесение Нанесение проводников
резистивного слоя и контактных площадок




М
аска








П


одложка






III. Расчёт геометрических размеров плёночных элементов.
П
режде всего, для расчёта геометрических размеров резисторов нужно найти мощность P, рассеиваемую каждым резистором. Рассеиваемая мощность на резисторе находится по формуле:
(1), где i тАУ номер элемента.
Применяя формулу (1) найдём Pi для каждого резистора (см. таблицу 1).
Так как резисторы R1, R5, R7, R9, R10, R14, R15, R18 меньше 1000 Ом, то размещать их будем на другом слое.
Теперь, для того, чтобы выбрать материал, из которого будут изготавВнлиВнватьВнся резистивные плёнки, проводники и контактные площадки нужно найти удельное поверхностное сопротивление резистивной плёнки для каждого слоя по формуле (значения Rопт см. таблицу 1):
Зная Rопт для каждого слоя, можем выбрать материал резистивной плёнки, контактных площадок и проводников, а также температурный коэффициент сопротивления и допустимую удельную мощность рассеяния P0 соответствуюВнщий выбранному материалу:
I слой: резистивная плёнка тАУ нихром, проволока Х20Н80 (ГОСТ 12766-67)
Контактные площадки
и проводники - медь
= 110-4
P0 = 2 Вт/см2
II слой: резистивная плёнка тАУ кермет К-50С (ЕТО.021.013 ТУ)
Контактные площадки
и проводники - золото с подслоем хрома (нихрома)
= -410-4
P0 = 2 Вт/см2
Зная величину каждого резистора и Rо слоя, в котором он находятся, можно найти коэффициент формы для каждого резистора данного слоя:

где Кф тАУ коэффициент формы плёночного элемента (значения Кф см. в табВнлиВнце 1).
Т



еперь рассчитаем погрешность коэффициента формы:







Таблица 1.
Номер R | I | Pi | Резистор | Ri | 1/Ri | Rопт | Kф |
1 | 0,0034543 | 0,008113888 | R1 | 680 | 0,0014706 | 245,636 | 2,76832341 |
2 | 0,002651 | 0,007027801 | R2 | 1000 | 0,001 | 4918,03 | 0,20333344 |
3 | 0,0008033 | 0,00212946 | R3 | 3300 | 0,000303 | 4918,03 | 0,67100036 |
4 | 0,00147573 | 0,00718669 | R4 | 3300 | 0,000303 | 4918,03 | 0,67100036 |
5 | 0,00130092 | 0,000169239 | R5 | 100 | 0,01 | 245,636 | 0,40710638 |
6 | 0,00047755 | 0,002280587 | R6 | 10000 | 0,0001 | 4918,03 | 2,03333441 |
7 | 0,00047755 | 0,000107188 | R7 | 470 | 0,0021277 | 245,636 | 1,9134 |
8 | 0,00032997 | 0,001633183 | R8 | 15000 | 6,667E-05 | 4918,03 | 0,20333344 |
9 | 0,00050478 | 2,54803E-05 | R9 | 100 | 0,01 | 245,636 | 1,9134 |
10 | 0,0001694 | 1,34867E-05 | R10 | 470 | 0,0021277 | 245,636 | 1,9134 |
11 | 3,4178E-06 | 1,16814E-08 | R11 | 1000 | 0,001 | 4918,03 | 0,20333344 |
12 | 5,416E-06 | 1,37865E-07 | R12 | 4700 | 0,0002128 | 4918,03 | 0,95566717 |
13 | 0,00032308 | 0,00156571 | R13 | 15000 | 6,667E-05 | 4918,03 | 3,05000161 |
14 | 0,00032723 | 5,03286E-05 | R14 | 470 | 0,0021277 | 245,636 | 1,9134 |
15 | 0,00100583 | 5,15964E-05 | R15 | 51 | 0,0196078 | 245,636 | 0,20762426 |
16 | 0,00100583 | 0,004754962 | R16 | 4700 | 0,0002128 | 4918,03 | 0,95566717 |
17 | 1,4167E-05 | 3,01056E-06 | R17 | 15000 | 6,667E-05 | 4918,03 | 3,05000161 |
18 | 1,4167E-05 | 1,24436E-07 | R18 | 620 | 0,0016129 | 245,636 | 2,52405958 |
19 | 5,416E-06 | 2,93331E-07 | R19 | 10000 | 0,0001 | 4918,03 | 2,03333441 |
1).Для резисторов с 1 K Ф 10
Р

ассчитываем ширину резистора:
Р
ассчитываем длину резисторов:

г
де h тАУ длина перекрытия для плёночных элементов, расположенных в разных слоях (h 0,2 мм).
2).Для резисторов с 0,1 KФ 1
Рассчитываем длину резисторов:





Р
ассчитываем ширину резисторов:

Площадь резисторов равна:
Значения ширины, длины и площади каждого резистора см. таблицу 2.
Проверка:

1
).
Таблица 2.
Номер R | Bточн/Lточн | Bp | Bрасч | L | Lрасчётн | Lполн | Sсм | Проверка P0' | Проверка | Проверка |
1 | 0,37293958 | 0,038 | 0,37294 | 1,43242 | 0,005 | 1,518871 | 0,033795 | 11,070295 | ||
2 | 1,09593152 | 5,38982 | 0,02673 | 1,09593 | 1,49593 | 0,081 | 0,087163 | 0,00854 | 11,06254 | |
3 | 0,46116892 | 0,68729 | 0,02673 | 0,46117 | 0,86117 | 0,006 | 0,359786 | 0,026162 | 11,080162 | |
4 | 0,46116892 | 0,68729 | 0,0491 | 0,46117 | 0,86117 | 0,006 | 1,214237 | 0,026162 | 11,080162 | |
5 | 0,94694806 | 2,32605 | 0,00587 | 0,94695 | 1,34695 | 0,031 | 0,005402 | 0,011723 | 11,048223 | |
6 | 0,27625982 | 0,024 | 0,27626 | 0,96173 | 0,003 | 0,858374 | 0,046596 | 11,100596 | ||
7 | 0,41715887 | 0,005 | 0,41716 | 1,19819 | 0,005 | 0,021445 | 0,032318 | 11,068818 | ||
8 | 1,09593152 | 5,38982 | 0,01289 | 1,09593 | 1,49593 | 0,081 | 0,020256 | 0,00854 | 11,06254 | |
9 | 0,41715887 | 0,003 | 0,41716 | 1,19819 | 0,005 | 0,005098 | 0,032318 | 11,068818 | ||
10 | 0,41715887 | 0,002 | 0,41716 | 1,19819 | 0,005 | 0,002698 | 0,032318 | 11,068818 | ||
11 | 1,09593152 | 5,38982 | 3,4E-05 | 1,09593 | 1,49593 | 0,081 | 1,45E-07 | 0,00854 | 11,06254 | |
12 | 0,378961 | 0,39654 | 0,00026 | 0,37896 | 0,77896 | 0,003 | 4,46E-05 | 0,038056 | 11,092056 | |
13 | 0,24590161 | 0,016 | 0,2459 | 1,15 | 0,003 | 0,553671 | 0,049362 | 11,103362 | ||
14 | 0,41715887 | 0,004 | 0,41716 | 1,19819 | 0,005 | 0,010069 | 0,032318 | 11,068818 | ||
15 | 1,59353231 | 7,67508 | 0,00231 | 1,59353 | 1,99353 | 0,153 | 0,000337 | 0,006319 | 11,042819 | |
16 | 0,378961 | 0,39654 | 0,04767 | 0,37896 | 0,77896 | 0,003 | 1,539372 | 0,038056 | 11,092056 | |
17 | 0,24590161 | 7E-04 | 0,2459 | 1,15 | 0,003 | 0,001065 | 0,049362 | 11,103362 | ||
18 | 0,38251703 | 2E-04 | 0,38252 | 1,3655 | 0,005 | 2,38E-05 | 0,033466 | 11,069966 | ||
19 | 0,27625982 | 3E-04 | 0,27626 | 0,96173 | 0,003 | 0,00011 | 0,046596 | 11,100596 |

2).


3).
Р
езультаты проверки см. в таблице 2.
Вместе с этим смотрят:
11-этажный жилой дом с мансардой
14-этажный 84-квартирный жилой дом
16-этажный жилой дом с монолитным каркасом в г. Краснодаре
180-квартирный жилой дом в г. Тихорецке
2-этажный 3-секционный 18-квартирный жилой дом в г. Мирном
