Операционный усилитель
Лабораторная работа №2
Операционный усилитель
Цель работы:
Ознакомиться с основными характеристиками
операционных усилителей, исследовать некоторые устройства построенные на ОУ
Оборудование:
Установка ЛСЭ-1М
Осцилограф С1-73
Цифровой вольтметр В7-16
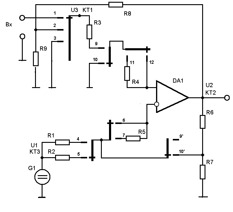
Собираем схему УПТ. коммутаторы: 4,10,11,10.
Используем в качестве входного сигнала напряжение источника постоянного тока G1. Плавно изменяя Uвх снимаем показания и строим график передаточной характеристики
KUoc =-R6/R1= -5
Собираем схему компаратора . комутаторы: 3,4,6,9,12.
Опорное напряжение равно нулю, т. к. неинвертирующий вход подключен к “земле”, в качестве входного сигнала используем напряжение источника постоянного тока G1.
Снимаем показания и строим график передаточной характеристики .
Так же для компаратора с гистерезисной характеристикой, комутаторы: 2,4,6,9,12.
Uср. = 4,62 (R7/R7+R6) = 4,2в
Uотп = -3,04(R7/R7+R6) =-2,75в
Uг = Uср. - Uотп =1,4в
Вывод: Графики передаточных характеристик далеки от идеальных, видимо, неуравновешенны плечи источника питания ОУ.
Расчётные данные так же отличаются от экспериментальных.
Например для УПТ KUoc=-5 следовательно при UВХ =1в UВЫХ =-5в при UВХ тАУ1в, UВЫХ = 5в на деле это не так UВЫХ = -3,03в и 4,56в.
передаточная характеристика компаратора нестабильна в районе порога переключения, поэтому значение Uвых = 0 при U вх = 0 условно (гистерезисный компаратор свободен от этого недостатка)
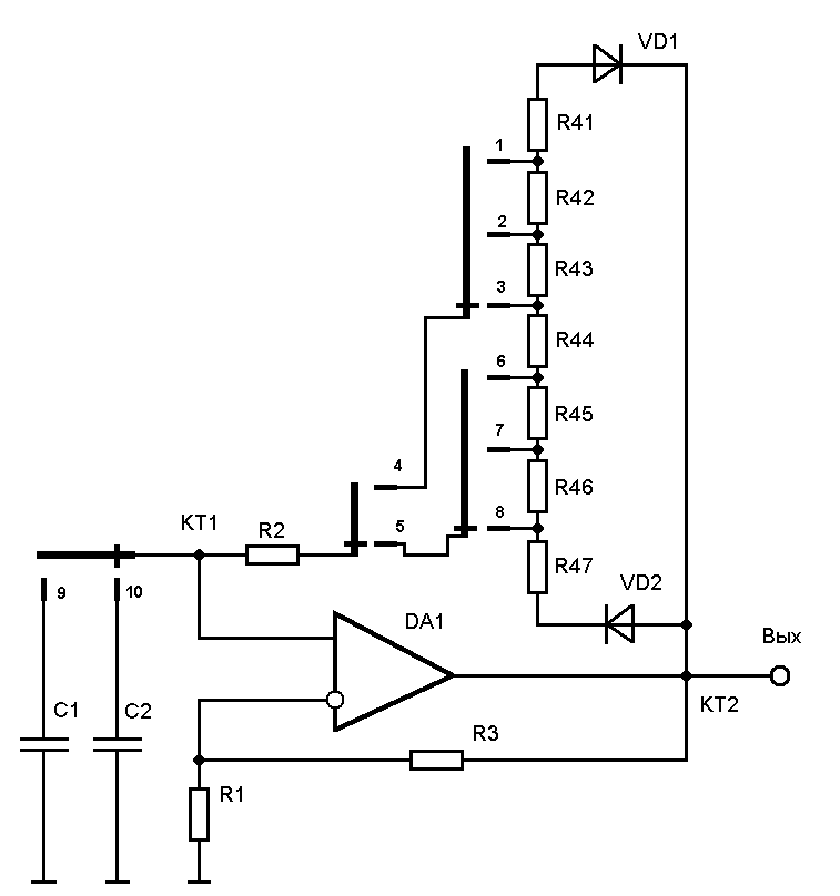
Собираем схему мультивибратора . комутаторы: 2,8,5. комутаторы 9 или 10
1,1 = (R2+R41+R42+R43+R44+R45+R46) C1= 6.75mS
tu1,1= 1,1ln(1+(2R1/R3) = 7.41mS
2,1 = (R2+R47) C1 = 1.005mS
tu2,1= 2,1ln(1+(2R1/R3) =1.103mS
f1=1/t1,1+t2,1 = 0.12кГц
КТ3
КТ2



КТ1
1,2 = (R2+R41+R42+R43+R44+R45+R46) C2= 2.115 mS
tu1,2= 1,2ln(1+(2R1/R3) = 2.31 mS
2,2 = (R2+R47) C2 = 0.3149 mS
tu2,2 = 2,2ln(1+(2R1/R3) = 0.34 mS
f2=1/t1,2+t2,2 = 0.38 кГц
Таблица 1. передаточная характеристика инвертирующего У.П.Т.
U G1[в] | -1,5 | -1 | -0,5 | 0 | 0,5 | 1 | 1,5 |
Uвых[в] | 4,62 | 4,558 | 2,415 | 0,1 | -2,22 | -3,027 | -3,39 |
Таблица 2. передаточная характеристика компаратора
U G1[в] | -1,5 | -1 | -0,5 | -0,1 | 0 | 0,1 | 0,5 | 1 | 1,5 |
Uвых[в] | 4,62 | 4,62 | 4,625 | 4,625 | 0 | -3,042 | -3,035 | -3,04 | -3,04 |
Таблица 3. передаточная характеристика гистерезисного компаратора
U G1[в]
-1
-0,6
-0,4
-0,1
0
0,1
0,4
0,6
1
Uвых[в]
4,62
4,62
4,62
4,62
4,62
4,62
4,62
-3,04
-3,04
U G1[в]
1
0,6
0,4
0,1
0
-0,1
-0,4
-0,6
-1
Uвых[в]
-3,04
-3,04
-3,04
-3,04
-3,04
-3,04
4,62
4,62
4,62

Передаточная характеристика гистерезисного компаратора
Передаточная характеристика компаратора


Передаточная характеристика У.П.Т.

мультивибратор
R1
100k R2 2k R3 100k R41 4.7k R42 5.1k R43 6.8k R44 8.2k R45 8.2k R46 12k R 47 4.7k C 1 0.15мкф C 2 0,047мкф VD1,2 Кд522 DA 1 553уд1

УПТ и компаратор
R1
2k R2 10k R3 2k R4 10k R5 10k R6 10k R7 100oм R8 91k R9 24k DA 1 140уд1
Передаточная характеристика гистерезисного компаратора


Передаточная характеристика компаратора

Вместе с этим смотрят:
11-этажный жилой дом с мансардой
14-этажный 84-квартирный жилой дом
16-этажный жилой дом с монолитным каркасом в г. Краснодаре
180-квартирный жилой дом в г. Тихорецке
2-этажный 3-секционный 18-квартирный жилой дом в г. Мирном