Переходные процессы в линейных цепях
Типовой расчет по Электротехнике.
(Переходные процессы в линейных цепях.)
Студент Ухачёв Р.С.
Группа Ф-9-94
Преподаватель Кузнецов Э.В.
Вариант 14
Москва 1996
Типовой расчет по дисциплине
Основы теории цепей для студентов гр. Ф-9-94
Содержание работы
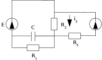
В коммутируемой цепи содержатся источники постоянных э.д.с. E или тока J, источники гармонической э.д.с. e=Emsin(wt +j) или тока j=Jmsin(wt +j) c частотой w =1000 c-1 или источник с заданной линейной зависимостью напряжения или тока от времени, три коммутируемых в заданные моменты времени ключа . Непосредственно перед первой коммутацией в цепи имеется установившийся режим.
Рассчитать:
1. Классическим методом ток, указанный на схеме, на трех интервалах, соответствующих коммутациям ключей, при наличии в цепи постоянных и синусоидальных источников .
2. Операторным методом тот же ток.
3. Любым методом на четвертом интервале ток i1=(t) после замены синусоидального источника источником с заданной зависимостью напряжения или тока от времени.
Задание
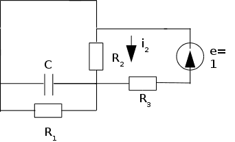
1. Схема замещения анализируемой цепи и значения параметров выбираются на рис. 1 и в таблице 1 в соответствии с номером варианта N-номером в списке учебной группы. Остальные параметры рассчитываются по формулам E=10N (В), Em=10N (В), J=0,4N (А), Jm=0,4N (А), j =30N (В°). Для всех вариантов L=20 мГн, C=100 мкФ. Зависимости токов и напряжений источников, включаемых в начале четвертого интервала, приведены на рис. 2.
2. Ключи коммутируются по порядку их номеров через одинаковые интервалы времени Dt=T/6, где T=2|/wсв -период свободных колебаний. Для апериодического процесса Dt =1/|, где -наименьший по модулю корень характеристического уравнения. Четвертый интервал начинается также через Dt после коммутации последнего ключа.
Указания
1. Для каждого интервала времени сначала рекомендуется провести расчет классическим методом, а затем-операторным. При совпадении результатов расчета обоими методами можно приступать к расчету переходного процесса на следующем интервале времени.
2. Результаты расчетов следует оформить с помощью ПЭВМ в отчете, содержащем описание задания, формулы, числовые значения, графики искомых функций.
Типовой расчёт по Элекротехнике вариант №14
Исходные данные:
R1=95 Ом R2=5 Ом R3=4 Ом
C=100 мкФ L=20 мГн
e=140sin(1000t+4200) В

1. Расчёт ПП для первой коммутации:
Ucпр=E=140В iCпр=0 А i1пр=i2пр=E/(R1+R2)=1,4 A
1.2 Расчёт классическим методом:
Замкнули К1 t=0 i2(0)=0 Uc(0)=E=140В
{ i1R1=Uc
{ i2=0 (1.2.1)
{ CU'c+i1=i2
решив (1.2.1) получим i1=1,47A i2=0A U'c=-14700B/c
Составим характеристическое ур-е: Zвх(р)=0
=0 или 0,000019p2+0,0675p+100=0
p1=-177,632+703.394j p2=-177,632-703.394j
Т.к. Uc(t)=Ucсв(t)+Ucпр(t) (1.2.2)
Ucсв=A1ep1t+A2ep2t Ucпр=ER1/(R1+R2)=133B
найдём константы A1 и A2 из системы
Uc(0)=A1+A2+133=0 или A1+A2=7 A1=3,5+9,565j
U'c(0)=A1p1+A2p2=0 A1p1+A2p2=-14700 A2=3,5-9,565j
Подставив данные в (1.2.2) получим Uc(t)=e-177,632t(7cos(703.394t)-19.14sin(703.394t))+133 B
ic(t)=CU'c(t)=-e-177,632t(1.471cos(703.394t)+0.152sin(703.394t)) A
i1(t)=Uc/R1=
A
i2(t)=ic(t)+i1(t)=
A
1.2 Расчёт операторным методом:
{ I2(pL+R2)+Ic/pC=Li2(0)+E/p-Uc(0)/p
{ I2-Ic-I1=0
{ I1R1=Ic/pC-Uc(0)/p
решив систему для I2,Ic,I1имеем вектор решений


далее используя обратные преобразования Лапласа получим окончательно
ic(t)=CU'c(t)=-e-177,632t(1.471cos(703.394t)+0.152sin(703.394t)) A
i1(t)=Uc/R1=
A
i2(t)=ic(t)+i1(t)=
A

2. Расчёт ПП для второй коммутации:
Возьмём интервал времени Dt=T/6=|p|/3wсв=0,001с
тогда Uc(Dt)=133,939 В
2.2Расчёт классическим методом:
Составим характеристическое ур-е: Zвх(р)=0
=0 p=-2105,63
Ucпр(t)=133 В Ucсв(Dt)=Ae-2106,63t
Uc(Dt)=A=0.939 В
Uc(t)=0.939e-2106,63t+133 В
ic(t)=CU'c(t)=-0,198e-2106,63t A
i1(t)=Uc(t)/R1=0,0099e-2106,63t+1,4 A
i2(t)=ic(t)+i1(t)=-0,188e-2106,63t+1,4 A
2.3 Расчёт операторным методом:
{ I1R1=Ic/pC+Uc(Dt)/p
{ I2=I1+Ic
{ I1R1+I2R2=E/p
решив систему для I1,I2,Iсимеем вектор решений

Обратные преобразования Лапласа дают окончательно
ic(t)=CU'c(t)=-0,198e-2106,63t A
i1(t)=Uc(t)/R1=0,0099e-2106,63t+1,4 A
i2(t)=ic(t)+i1(t)=-0,188e-2106,63t+1,4 A
3 . Расчёт ПП для третьей коммутации:
3.1Расчёт классическим методом:

Принуждённые составляющие токов
рассчитаем как суперпозицию от
постоянного и синусоидального источника
3.2 Расчёт на постоянном токе:
| i1R1+i2R2=E
{ i2R2+i3R3=0 ---> i1=1.44sin(1000t)
| i1+i3=i2
3.3 Расчёт на синусоидальном токе:
{ I1R2+I3R3=E=140ej 73,27
{ I2R2-jXcIc=0
{ I1R1+jXcIc=0
{ I2-I1-I3-Ic=0
i2=14.85sin(1000t+0.83)A
i1=0.02sin(1000t+0.29) A
Суперпозиция даёт для i1пр=
Ucпр(t)=i1пр/R1
Uc(t)= Ucпр(t)+Aept
Составим характеристическое ур-е: Zвх(р)=0

p=
Dt=1/|p|=0.00022 c
Uc(Dt)=133.6 В
A=3.2
i2(t)=(E-Uc(t))/R2
2(t)=
A

3.4Расчёт операторным методом:
e=140sin(1000t+4200)

{ I1R1=Ic/pC+Uc(0)/p
{ I2R2+I3R3=E(p) =>I1,I2,I3,Ic
{ I1R1+I2R2=E/p
{ I2-I3-I1-Ic=0
I2(p)=
Используя обратные преобразования Лапласа получим окончательно
i2(t)=
A
4. Расчёт ПП после замены синусоидального источника источником с заданной линейной
зависимостью ЭДС от времени.


































Начальные условия Uc(0)=0
Для расчёта воспользуемся операторным методом
{ I2R2+I3R3=1/p
{ I1R1=Ic/pC+Uc(0)/p =>I1,I2,I3,Ic
{ I1R1+I2R2=0
{ I2-I3-I1-Ic=0

Обратные преобразования Лапласа дают i2(t)=h(t)=
A
Запишем интеграл Дюамеля:

fв(t)=140-140t/t
f’в(t)=-140/t
Графики тока i2(t) для 1-й,2-й и 3-ей коммутации:



E
Вместе с этим смотрят:
11-этажный жилой дом с мансардой
14-этажный 84-квартирный жилой дом
16-этажный жилой дом с монолитным каркасом в г. Краснодаре
180-квартирный жилой дом в г. Тихорецке
2-этажный 3-секционный 18-квартирный жилой дом в г. Мирном