Проектирование червячного редуктора

Технические данные.

Спроектировать машинный агрегат для привода.

Расчетные данные:

Р = 5 кВт

Т = 10000 Н*м

tзак = 4 мин.

Dy = 1000 мм

h = 12

Dy = 1000 м

Введение.

Во всех отраслях народного хозяйства производственные процессы осуществляются машинами или аппаратами с машинными средствами механизации. Поэтому уровень народного хозяйства в большей степени определяется уровнем машиностроения. Современные машины многократно повышают производительность физического труда человека. Машины настолько прочно вошли в жизнь общества, что в настоящее время трудно найти такой предмет или продукт потребления, который был бы изготовлен или доставлен к месту потребления без помощи машин. Без машин было бы невозможно современное развитие наук, медицины, искусства и других нынешних достижений человечества требующих новейших инструментов и материалов, были бы невозможны быстрые темпы строительства, а так же не могли бы удовлетворятся потребности населения в предметах широкого потребления. В настоящее время проводятся мероприятия по повышению уровня и качества продукции машиностроения.

Кинематический расчет привода.

1. Выбор двигателя.

Nвых = Nвых/

Uобщ = Uчерв = 50

nвых = Dy/h = 1000/12 = 83.3 83.3/t=83.3/4= 20.8 об/мин

V = Dy/t = 1000/4 = 250 м/с

n= об/мин

2. Тип двигателя 4А132S6/965

II Расчет червячной передачи.

1.

Выбираем материал передачи

а) Червяк тАУ сталь 45С закалкой до тв. HRC45

б) Колесо тАУ бронза БрА9ЖЗЛ

2. Принимаем: , где

, и = 98 Мпа

значит МПа,

3. , , ,

Размеры червячного колеса.

Делительный диаметр червяка: d1=q*m=12,5*8=100

da1=d1+2m=100+2*8=116

df1=d1+2,4m=100-2,4*8=80 мм

d2=50*m=50*8=400 мм

da2=d2+2(1+x)m=400+2(1+0)*8=416 мм

dam2=da2+b*m/(Z1+2)=416+6*8/3=432 мм

df2=d2-2m(1.2-x)=400-1*8(1.2-0)=380 мм

b1(11+0.06 Z2)*m=(11+0.06*50)*8=112 мм

b2=a=0.355=88 мм

проверочный расчет на прочность

VS=V1/cos

V1=n1d2/60=3.14*965*0.1/60=5 м/с

V2=n2d2/60=3.14*19.3*0.4/60=0.4 м/с

V1=V1/cos=5/cos4.35=5

H=4.8*105/d2*

max=2*I=2*430=860 МПа

dw1=m(q+2x)=8(12.5+2*0)=100 мм

K=1, x3=1, x=1

H=4.8*105/100=560

КПД передачи warctg[Z1/(q+2)]=5.19

=tg5.19/tg(5.19+1.33)=tg5.19/0.114=0.7*100%=70

Силы в зацеплении. Окружная сила на колесе.

Ft2-Fa1=2T2/d2=2*2178/0.4=10890 H

Окружная сила на червяке.

Ft1=Fa2=2T2/(dw1*U*)=2*2178/(0.1*50*0.7)=1244.5 H

Радиальная сила: F2=0.364*Fk2=0.364*10890=3963.9 H

Проверка зубчатого колеса по напряжению изгиба

F=

K=1.0; Kv=1; w=5.19; m=8; dw1=0.1; YF=1.45

Zбс=Z2/cos3=50/cos35.19=50

FtE2=KED*Ft2; KED=KFE; N=60*n2Ln=60*19.3*1=1158

KEF=0.68=0.32

FtE2=0.32*10890=3484.8 H

F=1.1*1.45*cos5.19*3484.8/1.3*8*0.1=481Fmax

Тепловой расчет

P1=0.1T1n2/=0.1*2178*19.3/0.7=6005 Bт

Tраб=(1-0.7)*6005/13*1.14(1-0.9)+200=93.5

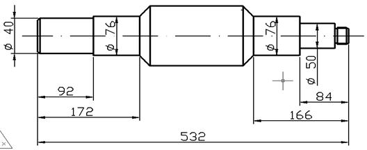
Эскизное проектирование валов.

Из условия прочности на кручение определяем минимальный диаметр вала

dmin(7тАж8),

где T5 тАУ номинальный момент.

dmin8=30 мм

d1=(0.8тАж1.2)dв.ув=12*30=36 мм

d2=d1+2t,

где t тАУ высота буртика. Выбираем из таблицы 1(с.25)

d2=36+2*2.2=40 мм

Диаметр вала под подшипником округляем кратным пяти.

d3=d2+3r,

где r тАУ радиус фаски подшипника

d3=40+3*2=46 мм

Определяем расстояние между подшипниками вала червяка

L=0.9d2=0.9*400=180 мм

Конструирование корпуса и крышек.

Рассчитаем стакан.

Толщину стенки б принимают в зависимости от диаметра отверстия D под подшипник: D=108; б=8тАж10 мм

Толщина фланца б21,2 б=1,2*10=12 мм

Диаметр d и число винтов для крепления стакана к корпусу назначают в зависимости от диаметра отверстия под подшипник D: D=108 мм; d=10 мм; число винтов=6.

Принимая Сd, h=(1.0тАж1.2) d=1.2*10=12 мм

Получаем минимальный диаметр фланца стакана Dср=Da+(4тАж4.4)d=132+4*10=172 мм

Рассчитаем крышку под подшипник.

В зависимости от диаметра отверстия под подшипник D=268 мм выбираем из таблицы 1 (с. 128) толщину стенки б=8 мм; диаметр винтов d=12 мм; и число винтов крепления к корпусу z=6.

Рассчитаем крышку под подшипник на валу червяка.

D=108 мм; б=7 мм; d=10 мм; z=6

Nб=1,6тАж1,8

Первичный расчет вала.

=25 МПа

Вал передает момент F2=33.5 Н*мм

Ft1=1007 H; F21=366.5 H

MA=Rby(b+b)-frb=0

Rby=Frb/2b=366.5/2=183.25 H

MB=Frb-Ray(b+b)=0

Ray=Frb/2b=183.25 H

Проверка: y=-Ray+F2-Rby=-183.25+366.5-183.5=0

Изгибающие моменты в вертикальной плоскости

= -183.25*43=7879.75 Н*м

Определим опорные реакции в горизонтальной плоскости

MA=Ft*b+Rbx*(b+b)+Sa=0

Rbx=== -819.65 H

MB= -Ft1b-Rax(b+b)+S(a+2b)=0

Rax==114.75

Изгибающие моменты в горизонтальной плоскости.

MтАЩix= -S*a= -27189 Н*м

MтАЭix= -Rbx*b=35244 Н*м

Суммарный изгибающий момент.

Mu==36114.12 Н*м

Определяем эквивалентные моменты

Mэкв.==49259,3 Н*мм

RA==233.52 Н*мм

RB= =839.88 Н*мм

Коэффициент запаса [S]=1.3тАж2

По условиям работы принимаем

V=1.0; kб=1.3; ki=1.0; x=1.0

Определяем величину эквивалентной динамической нагрузки.

P=XVFrkбki=1.0*1.0*233.5*1.3*1.0=303.55 H

C=P

C=158800 H

=523.14

lgLhlg523.14+(lg1000-lg36);

lgLh=3*2.7+3.0-1.5563=9.5437

откуда Lh=17800

L==523.143

Расчет долговечности подшипников.

Подшипник №7230

h0 условиями работы принимаем

j=1.0; kб=1,3; kT=1,0; X=1

Определяем величину эквивалентной динамической нагрузки:

P=XVFrkбkT=1.0*1.0*366.5*1.3*1.0=476.5 H

C=P

Определяем долговечность подшипника в часах. Динамическая грузоподъемность его C=158.8 кН=158800 Н. Поэтому, исходя из предыдущего равенства, можно написать следующее уравнение:

=333.3

логарифмируя, найдем

lgLh=lg333.3+(lg1000-lg36);

lgLh=3*0.8876+3.0-1.5563=4.1065;

откуда Lh=12770 часов

Если долговечность выражать в миллионах оборотов, то

L=333.33=3702*106 млн. об.

Подшипник №7210

Принимаем V=1.0; kб=1.3; kT=1.0; X=1.0

P=1.0*1.0*2500*1.3*1.0=3250 H

C=P

L=15.93=4019 млн. об.

Расчет соединения вал-ступица

Выбираем по СТ СЭВ 189-75 шпонку призматическую, обыкновенную (исполнение А) со следующими размерами:

B=10 мм; h=8 мм; l=50 мм.

Находим допустимое напряжение слития [бcv]=100тАж120 МПа

Определяем рабочую длину шпонки

LP=l-b=50-10=40 мм

Бсм==тАЩ

Где Е тАУ передаваемый момент

Т=Т1=54,45 Н*м

t1=5 мм тАУ глубина паза шпонки.

бсм==22,7 МПа

бсмсм] условие выполняется

Расчитаем сварное соединение из условия

==123,86 МПа

[] =0.63[бр]=0,63*500=315 МПа

Расчет болтового крепления редуктора.

число плоскостей стоиса i=1

коэффициент k=1.2

F3=

F==5421.5 H

F3==8*5421.5=43372 H

d1

Для стали 45 (35) б=360 МПа

Бр=0,25*360=90 МПа

d1=15.25 мм

Выбираем:

Шпилька d1=16 мм ГОСТ 22034-76

Гайка шестигранная с размером Влпод ключВ» d1=16 мм ГОСТ 2524-70

Шайба пружинная d1=16 ГОСТ 6402-70.

Выбор смазки.

Определяем вязкость масла:

при скорости скольжения VS=3.98 м/с и контактном напряжении [бн]=160 МПа

=20*10-6 м2/с соответствует масло марки U20A.

Для подшипников в опорах червячного колеса принимаются пластические смазки.

Они лучше жирных, защищают от коррозии.

Марка пластичной смазки согласно ГОСТ 6267-59 Циатим тАУ 201

Требования по испытанию.

1. Уровень масла не должен превышать 1/3 радиуса червяка и не ниже высоты зуба червяка.

2. Редуктор обкатывают без нагрузки

3. После 80 часов обкатки слить масло и очистить картер дизельным топливом, затем залить свежее масло.

4. Удары при работе редуктора не допустимы.

Литература:

1. Дунаев П.Ф., Леликов О.П. ВлКонструирование узлов и деталей машин.В» М. Высшая школа 1985г.

2. Чернавский С.А. ВлКурсовое проектирование деталей машинВ», М.;машиностроение,1984г.

3. Ничилорчик С.Н., Корженцевский М.И. ВлДетали машинВ», Мн. 1981г.

4. Гузенков П.Г. ВлДетали машинВ», М. Высшая школа 1982г.

Вместе с этим смотрят:


11-этажный жилой дом с мансардой


14-этажный 84-квартирный жилой дом


16-этажный жилой дом с монолитным каркасом в г. Краснодаре


180-квартирный жилой дом в г. Тихорецке


2-этажный 3-секционный 18-квартирный жилой дом в г. Мирном