Расчёт мостового сооружения
Исходные данные для расчетов
Размеры и монтажный вес балок по типовым проектам Инв. №710/5
l, м | h, м | с1, м | l, м | Pкб, кН | Pаб, кН |
13,3 | 0,90 | 0,30 | 12,70 | 128,57 | 118,59 |
Размеры поперечного профиля автодорожных мостов СНиП 2.05.03тАУ84
Категория дороги | Общее число полос движения | Габарит | Ширина, м | |
Полосы безопасности | Проезжей части | |||
III | 2 | 10 | 1,5 | 7,0 |
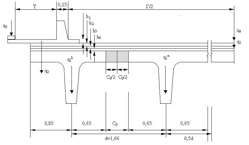
9. Вычисление постоянных нагрузок на 1 погонный метр главной балки.
Нормативная постоянная нагрузка на 1 погонный метр балки от ее собственного веса и веса стыка, объединяющего соседние балки, кН/м.
Для крайней балки:

Для любой промежуточной балки:

где
- соответственно монтажный вес крайней и промежуточной балок, кН
- полная длина балки, м
- толщина плиты, м
d тАУ расстояние между осями балок, м
С0тАУ ширина стыка между соседними балками, м
- удельный вес железобетона (24,5
)

Рис. 12.1 Схема к определению постоянной нагрузки на крайнюю и промежуточную балки.
Нормативный вес 1 погонного метра типовых железобетонных блоков тротуаров пониженного типа (Инв. № 384/42)
q2 = 6,7 кН/м при ширине тротуара Т=1,5м
Нормативный вес 1 погонного метра типовых металлических перил (Инв. № 384/42)
q3= 0,42 кН/м
Нормативный вес 1 погонного метра асфальтобетонного покрытия шириной Г кН/м

где h1тАУ толщина покрытия (0,07 тАУ 0,08м)
1тАУ удельный вес асфальтобетона (23 кН/м3)
Г тАУ габарит моста, м
Нормативный вес 1 погонного метра трехслойного основания под покрытие шириной Г кН/м.

где h2 тАУ толщина защитного слоя бетона (0,4м);
h3 тАУ толщина слоев гидроизоляции (0,01м);
h4 тАУ толщина выравнивающего слоя бетона (0,03м);
2тАУудельный вес защитного слоя бетона (23,5кН/м3);
3 тАУудельный вес слоя изоляции (15кН/м3);
4 тАУудельный вес выравнивающего слоя бетона (23,5кН/м3);
Примечание: Поперечный уклон на мосту рекомендуется создавать установкой балок на подферменники разной высоты или приданием уклона ригелю опоры.
9.1 Суммарная постоянная нормативная нагрузка на 1 погонный метр балки.

- Суммарная постоянная расчетная нагрузка на 1 погонный метр балки
Расчетная постоянная нагрузка получается умножением постоянной нормативной нагрузки на соответствующие коэффициенты надежности по нагрузке, (
);
Для крайней балки, кН/м:

где
- коэффициент надежности по нагрузке для всех постоянных нагрузок кроме q4 и q5.
- коэффициент надежности по нагрузке для трехслойного основания под покрытие (q5).
- коэффициент надежности для асфальтобетонного покрытия, равной 1,5 для автодорожных и 2,0 для городских мостов.
10. Определение коэффициентов динамичности и коэффициентов поперечной установки.
Очевидно, что временная нагрузка, находящаяся на пролетном строении моста (А-II, НК-80, толпа на тротуарах), не одинаково нагружает каждую балку пролетного строения. Кроме того, при движении она создает дополнение к статической динамическую нагрузку.
При расчетах балок пролетных строений мостов динамическое воздействие временной нагрузки учитывается коэффициентом динамичности (1+), а неравномерность нагружения балок тАУ коэффициентом поперечной установки ().
Коэффициент поперечной установки показывает, какая часть всей временной нагрузки приходится на конкретную балку пролетного строения.
В практике проектирования мостов применяют несколько методов вычисления коэффициента поперечной установки.
При пролетных строениях из балок без диафрагм для определения коэффициента поперечной установки можно применять метод упругих опор. Этот метод предполагает, что балки пролетного строения являются упруго проседающими опорами, а плита балок рассматривается как многопролетная (поперек пролетного строения) неразрезная балка. Распределения временной нагрузки между балками зависит от жесткости балок и плиты, пролета балок и плиты.
- Коэффициенты динамичности для автодорожных и городских мостов.
Для автомобильной нагрузки А-II:
, но не менее 1,0

где - длина загружения линии влияния принимается равной расчетному пролету (l) балки при определении изгибающего момента в середине пролета балки.
Для колесной нагрузки НК-80:

(для промежуточных значений - по интерполяции)
Для толпы на тротуарах:

- Коэффициенты поперечной установки.
Вначале необходимо вычислить геометрические характеристики поперечного сечения балки в середине пролета. Для этого фактическое сечение балки заменяем расчетными (рис.13.1)

Рис. 13.1 Схема к определению геометрических характеристик балки:
а тАУ фактическое сечение балки;
б тАУ расчетное сечение балки.
Расчетная толщина ребра балки:

Расчетная ширина плиты балки на стадии эксплуатации.
Ширина плиты балки (
), вводимая в расчет, должна быть не более
и не больше расстояния между осями балок, т.е. сначала вычисляем максимальную величину
.

где hп тАУ фактическая толщина плиты балки, см
Если эта величина будет больше или равна расстоянию между осями балок (
), то расчетную ширину плиты принимаем равной d.
где d тАУ расстояние между осями балок (166 см)
Свес плиты, считая от конца вута, см

где
- вводимая в расчет ширина плиты, см
Расчетная толщина плиты с учетом вутов, см:

где 1,2, 3, 4 тАУ площади участков плиты, приводимые к равновеликой площади прямоугольника шириной, равной
и высотой
.
Для балок по типовым альбомам 710/1 и 710/5 (рис. 13.1)
При этом ширина свесов плиты не должна быть больше шести ее толщин, т.е.
.
Площадь поперечного расчетного сечения балки, см2:

где h1 тАУ высота ребра балки (
), см
h тАУ полная высота балки, см
Статический момент сечения балки относительно оси I-I проходящей через верхнюю грань плиты, см3:

Расстояние с верха балки до центра тяжести сечения, см:



Момент инерции сечения балки относительно оси II-II (рис.3.1) проходящей через его центр тяжести, см:


Момент инерции сечения плиты, шириной один метр, см4:

где bпл=100 см
Для вычисления давлений на главную балку от единичной силы, перемещаемой поперек пролетного строения от одной крайней главной балки до другой, по которым в зависимости от коэффициента , характеризующего отношение жестокостей главной балки и плиты главных балок в пролетном строении, находят ординаты давлений на одну из главных балок.

где d тАУ расстояние между осями главных балок, м;
l тАУ расчетный пролет главной балки, м;
Ординаты давлений на главную балку в масштабе откладывают под схемой пролетного строения и концы ординат соединяют прямыми линиями, и таким образом строят линию влияния давлений на главную балку.
В таблицах /7/ ординаты давлений на главную балку обозначают буквой с цифрами индексами (
), из которых первая цифра обозначает номер балки, для которой находят ординаты давлений, вторая тАУ номер балки, над которой находится единичный груз (Р=1).
Ординаты линии влияния под левой и правой консолями пролетного строения (
) вычисляют по формуле:

где dк, d тАУ расстояние между осями главных балок и длина консоли плиты крайних балок.
Примечание. Для пролетных строений из балок по типовым альбомам инв. 710/1 и 710/5, dк=0,85м, d=1,66 м.
При вычислении
под левой консолью пролетного строения единичную силу (Р=1) располагают над левой крайней балкой, а единичный момент (М=1) прикладывают на консоль этой же балки.
Величины ординат
и
давлений на главную балку N2соответственно от единичной силы и единичного момента находят по таблицам /7/, а ранее принятые обозначения индексов () и (r) сохраняются, т.е. n тАУ означает номер балки, для которой строят линию влияния, и r тАУ номер балки, к которой приложены единичные силы.
При вычислении
под правой консолью пролетного строения поступают иначе. Единичную силу прикладывают к правой крайней балке, а единичный момент оставляют приложенным к консоли левой крайней балки, но давление от единичного момента (
) в виду симметричности пролетного строения и особенности построения таблиц находят не для балки N2, а для балки ей симметричной в пролетном строении. В этом случае значение индексов () и (r), ранее принятые, для ординаты давления на главную балку от единичного груза (
) сохраняются, а для ординаты давления от единичного момента (
) изменяются. Значение (n) принимается равное номеру балки, симметричной той, для которой строится линия влияния, а (r) тАУ равное номеру левой крайней балки, т.е. нулю.
Например, в пролетном строении, имеющим 7 балок и присвоении крайней левой балке номера ВлнольВ» для вычисления ординаты линии влияния под левой консолью индексы n и r будет иметь следующие значения:
Для крайней балки №0


Найденные ординаты откладываются под соответствующими консолями и их концы соединяются прямой линией с концами уже построенной линии влияния.
Далее над линией влияния в пределах ширины пролетного строения устанавливается временная нагрузка с соблюдением требований СниП 2.05.03-84 по установке временных нагрузок по ширине моста, т.е. автомобильная нагрузка А-II одна или две полосы может быть установлена на мосту с соблюдением и без соблюдения полосы безопасности, нагрузка НК-80 только с соблюдением полосы безопасности и только на одной полосе движения. Ордината линии влияния под равнодействующей временной нагрузки будет равна коэффициенту поперечной установки для данной нагрузки.
Например: Пользуясь линией влияния для крайней балки №0, найти КПУ для временных нагрузок.
Для НК-80

Для толпы на одном тротуаре (левом)

Для автомобильной равномерной части нагрузки А тАУ II, установленной без соблюдения полосы безопасности.
Для автомобильной равномерной части нагрузки А тАУ II, установленной без соблюдения полосы безопасности для тележки А тАУ II.

Для автомобильной равномерной части нагрузки А тАУ II, установленной c соблюдения полосы безопасности.
Для автомобильной равномерной части нагрузки А тАУ II, установленной c соблюдения полосы безопасности для тележки А тАУ II.

11. Расчетные усилия в сечениях главной балки
Расчетную временную нагрузку на главную балку получают умножением нормативной нагрузки на соответствующие коэффициенты надежности на нагрузке (
), коэффициенты динамичности (1+) и коэффициенты поперечной установки ().
Коэффициенты надежности по нагрузке (
) для временных вертикальных нагрузок в СНиП 2.05.03-84, табл.14 имеют следующие величины:
Для нагрузки НКтАУ80 ________________________________1,0;
Для нагрузки от толпы на тротуаре при
учете совместно с другими нагрузками_________________1,2;
Для равномерной части нагрузки АтАУII __________________1,2;
Для тележки нагрузки АтАУII ___________________________
, но не менее 1,2
где - длина загружения линии влияния одного знака
При расчете элементов пролетных строений автодорожных мостов (главные балки, диафрагмы) должны рассматриваться три основные сочетания постоянных и временных нагрузок (СниП 2.05.03-84 п.2.12):
Первое тАУ постоянная нагрузка плюс НК-80;
Второе тАУ постоянная нагрузка плюс А-II (один или два ряда) без соблюдения полосы безопасности;
Третье тАУ постоянная нагрузка плюс А-II с соблюдением полосы безопасности и плюс толпа на тротуарах.
При этом число полос нагрузки, размещаемой на мосту, не должно превышать установленного числа полос движения.
Расстояние между осями смежных полос нагрузки должны быть не менее 3,0м.
При многополосном движении в каждом направлении и отсутствии разделительной полосы на мосту ось крайней (внутренней) полосы нагрузки каждого направления не должна быть расположена ближе 1,5м и от осевой линии или линии, разделяющей направления движения. При этом на мосту размещается столько полос движения, сколько их поместится над линией влияния давлений на главную балку одного знака.
11.1 Расчетный изгибающий момент в середине пролета главной балки.
При вычислении изгибающего момента удобно пользоваться линией влияния моментов для расчетного сечения, загруженной действующими равномерно распределенными и сосредоточенными нагрузками (рис. 14.1).

Рис.1 4.1 Схема к определению изгибающего момента в середине пролета балки: а тАУ расчетная схема балки; б тАУ линия влияния изгибающего момента в середине пролета балки и ее загружение; l тАУ расчетный пролет балки,
- ординаты линии влияния под осями тележки АтАУII, P тАУ давление одной оси тележки, - площадь линии влияния, q тАУ все виды равномерно распределенной нагрузки.
Изгибающий момент в середине пролета балки
вычисляем для трех сочетаний загружения, кНм.
Первое загружение тАУ постоянная нагрузка плюс НК тАУ 80


где
тАУ расчетная постоянная нагрузка на 1 погонный метр главной балки, кНм
тАУ эквивалентная равномерно распределенная нагрузка от НК тАУ 80, кНм
тАУ коэффициент поперечной установки для НК тАУ 80
тАУ коэффициент динамичности
тАУ площадь линии влияния, м2
Второе загружение тАУ постоянная нагрузка плюс нагрузка А тАУ II без соблюдения полосы безопасности (одна или две и более поло, но не больше общего числа полос движения)
где q11 и Р11 тАУ соответственно равномерная часть нагрузки А тАУ II и давление одной оси тележки А тАУ II
тАУ ординаты линии влияния
тАУ коэффициент надежности по нагрузке для равномерной части А тАУ II и тележки соответственно
Третье загружение тАУ постоянная нагрузка, плюс А тАУ II с соблюдением полосы безопасности и плюс толпа на одном или двух тротуарах.

где
тАУ КПУ для нагрузки А тАУ II, установленной на мосту с соблюдением полосы безопасности;
qТО тАУ 3,92 тАУ 0,0196=3,92-0,19621,3=3,50, но не менее 1,96кН/м2 тАУ равномерная нагрузка на один м2 тротуара от толпы;
тАУ длина загружения линии влияния, =l ;
Т тАУ ширина тротуара в метрах.
Из трех значений момента (
) за расчетный принимаем большее.
Расчет балки на прочность по изгибающему моменту в середине пролета.
При выполнении курсового проекта расчет по прочности сводится к определению количества растянутой арматуры, ее размещение в ребре балки и вычислению несущей способности балки при заданных геометрических размерах поперечного сечения.
Вначале необходимо назначить класс бетона и арматуры, которые будут использованы для изготовления рассчитываемой балки. Выписать их основные характеристики, указать расчетный пролет балки (l), основные размеры расчетного сечения (
).
Далее предварительно назначаем расстояние от низа балки до центра тяжести растянутой арматуры (Q), равным 10 тАУ 15 см.
Вычисляем далее рабочую высоту сечения балки, см

где h тАУ высота балки, см
Требуемую площадь сечения растянутой арматуры, определяем по формуле, полагая, что высота сжатой зоны бетона будет равна расчетной высоте плиты балки.

где
тАУ расчетный изгибающий момент
R тАУ расчетное сопротивление арматуры для первой группы предельных составлений
Для армирования ребра балки рекомендуется применять арматуру диаметром 28 или 32 мм. Площадь поперечного сечения одного стержня (А1) принимают по таблицам или вычисляют как для круга диаметром, равным номинальному диаметру арматуры.
Требуемое число стержней принятого диаметра (d) будет равно:

Полученное число стержней округляем до большего ближайшего четного числа, принимаем 12 штук.
В ребре балки принятую арматуру размещают обычно в два ряда по ширине ребра (симметрично относительно продольной оси балки) и в несколько рядов по высоте балки. Обычно вертикальные ряды арматуры объединяют сваркой в два плоских каркаса. В случае расположения арматуры в таких каркасах более чем в три ряда по высоте необходимо через каждые три ряда устраивать просвет, равные диаметру арматуры. Просветы образуют установкой арматурных коротышей (длиной, равной шести диаметрам арматуры, 6d) в местах отгибов, а также через 1м по длине каркаса.
Толщина защитного слоя бетона с боков и от низа ребра балки должна быть не менее 3 см.
Принятое число стержней располагаем в ребре балки, объединив их в два плоских каркаса.


Рис. 15.1. Схема к определению центра тяжести арматуры и рабочей высоты сечения балки: а1 тАУ а2 тАУ расстояние от низа балки до центра тяжести стержней;
тАУ наружные диаметры арматуры,
с=3 см тАУ защитный слой бетона.
После размещения арматуры уточняем положение ее центра тяжести, см.

где 
тАУ наружные диаметры стержней арматуры, см
тАУ площадь поперечного сечения одного стержня, см2
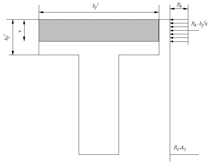
Далее из уравнения равновесия внутренних усилий (
) находим высоту сжатой зоны бетона, предполагая, что граница сжатой зоны бетона в пределах полки.

гдеR тАУ призменная прочность бетона для предельных состояний первой группы.
Здесь дальше может быть два случая расчета таврового сечения.
Первый случай тАУ когда
и второй тАУ когда
.

Рис.15.2. Схема к расчету балки таврового сечения.
Если
, находим высоту растянутой части сечения балки (h-x). Далее одну пятую ее высоты
сопоставляют с расстояниями рядов арматуры от низа балки, т.е. с величинами а1, а2, а3, а4тАжаi. Если для iтАУго ряда арматуры аiокажется более чем
, то для этого ряда и каждого вышележащего необходимо вычислить коэффициент условий работы арматуры по формуле:
Для iтАУго ряда: 
Для i+1 ряда: 
и т.д. до последнего ряда арматуры.
Далее с учетом снижения расчетного сопротивления арматуры (R) iтАУго и вышележащих рядов с умножением его на соответствующие коэффициенты ma6 , необходимо еще раз уточнить положение центра тяжести арматуры. Это удобнее сделать, если на коэффициенты ma6умножить площади поперечного сечения арматуры соответствующих рядов.
Уточненная площадь сечения всей арматуры (Аs, y) будет равна:

Уточненное положение центра тяжести арматуры:

Полезная высота сечения балки, см

Высота сжатой зоны бетона (с учетом ma6).
Находим из уравнения равновесия внутренних сил, см.

Относительная высота сжатой зоны бетона:

Граничная относительная высота сжатой зоны бетона:

где 1=R=365МПа тАУ для ненапрягаемой арматуры, МПа
2=500 МПа тАУ предельное напряжение в арматуре сжатой зоны, зависящее от предельной сжимаемости бетона.
Если
, то несущая способность балки таврового сечения определяется как прямоугольного высотой h и шириной
.

Если
, прочность балки достаточна.
При
, высоту сжатой зоны бетона ограничивают величиной, равной:
.
Второй случай расчета (
)
В случае если
, то высоту сжатой зоны бетона находят также из уравнения равновесия внутренних сил:

Дальше повторяют все этапы расчета как для первого случая.
Окончательно несущую способность уже как для таврового сечения балки находят по формуле:

Если
, то прочность балки достаточна.
Если это условие не выполняется и
, то необходимо увеличить класс бетона и арматуры или увеличить высоту балки и повторить расчет.
Определение мест отгибов рабочей арматуры (построение эпюры материалов).
Количество арматуры в ребре балкиопределялось для сечеВнния в середине пролета, где действует максимальный изгибающий момент. К опорам в разрезных балках момент уменьшается до нуля. В этом случае всю рабочую арматуру доводить до опоры нецелесообразно.
При изготовлении конструкций в целях экономии стали, часть арматуры обрывают в пролете или отгибают, а сжатую зову бетона и таким образом используют ее для восприятия поперечных сил.
При отгибе или обрыве арматуры необходимо доводить до опоры не менее 1/3 принятого количества стержней и не менее двух.
Стержни, обрываемые или отгибаемые в пролете, должны заходить за место теоретического обрыва (отгиба) в сторону опоры на величину заделки арматуры. Для арматуры класса А тАУ II при классе бетона В 30 и выше lдолжна составить не менее 22d и 25d при классе бетона В 20 тАУ B 27,5 (d тАУ номинальный диаметр арматуры). Для арматуВнры класса А тАУ III длину заделки l следует увеличивать соответственно на 5d.
Места теоретического отгиба (обрыва) арматуры определяются при проектировании конструкции по эпюре расчетного момента.
Полагая, что балка нагружена равномерно распределенной нагрузкой по всему пролету, эпюра изгибающих моментов будет параболической. Ордината параболы в середине пролета балки будет равна расчетному изгибающему моменту
, а в любом сечении пролета балки может, определена аналитически по зависимости:

где х тАУ расстояние от опоры до расчетного сечения, м
l тАУ расчетный пролет балки, м
тАУ расчетный изгибающий момент в середине пролета балки, кНм
При 
С помощью вычисленных моментов (Мх) строят эпюру действующих расчетных изгибающих моментов, откладывая их в масштабе на чертеже.
В таком же масштабе откладывают моменты М1 тАУ М5. Они будут равны произведению площади поперечного сечения стержня (
) на расчетное сопротивление арматуры (R) и на плечо внутренней пары сил (z), равное расстоянию от центра сжатой зоны бетона до центра тяжести стержня соответствующего ряда. Для тех рядов стержней, которые расположены выше
, расчетное сопротивление (R) должно быть умножено на коэффициент ma6, вычисленный для каждого ряда арматуры.
Для рядов арматуры, лежащей ниже
, коэффициент ma6принимается равным единице.
Точки пересечения линии расчетных изгибающих моментов с линией несущей способности балки (2) без двух стержней верхнего ряда, далее без двух стержней четвертого ряда и без двух стержней третьего ряда будут местами теоретического отгиба (обрыва) соответствующих стержней.

Места фактического отгиба (обрыва) стержней намечают на фасаде ребра балки, отступя от места теоретического отгиба на величину заделки (l3). горизонтальный и вертикальный масштабы фасада балки должны быть одинаковыми. Стержни отгибают в сжатую зону бетона под углом 30 - 60 (45) к продольной оси балки.
На участках длиной 2h0 от опорного сечения любое сечение, перпендикулярное продольной оси, должно пересекать не менее одного наклонного стержня. Если это условие не выполняется, необходимо в таком сечении установить дополнительные наклонные стержни.

Рис. 15.3 Схема к вычислению изгибающих моментов М1 тАУ М5.
Концы отгибаемых стержней в балках пролетных строений мостов обычно приваривают к монтажным продольным стержням в сжатой зоне бетона.
Дополнительные наклонные стержни должны прикрепляться к продольным рабочим стержням односторонним сварным швом длиной 12d (двухсторонним тАУ 6d) и высотой не менее 4 мм.
К одному стержню арматуры допускается приварить с каждого конца балки не долее двух наклонных стержней.
По рисунку определяется расстояние от оси опирания балки до начала отгибов стержней, которое должно быть воспроизведено при проверке несущей способности балки по поперечной силе.
Вместе с этим смотрят:
11-этажный жилой дом с мансардой
14-этажный 84-квартирный жилой дом
16-этажный жилой дом с монолитным каркасом в г. Краснодаре
180-квартирный жилой дом в г. Тихорецке
2-этажный 3-секционный 18-квартирный жилой дом в г. Мирном