Синтез управляющего автомата модели LEGO транспортной тележки и моделирование ее движения
Кубанский государственный технологический университет
КаВнфедра авВнтоВнмаВнтиВнзаВнции техВнноВнлоВнгиВнчеВнских проВнцесВнсов
Задание на контрольную работу
По дисВнциВнпВнлине “АвВнтоВнмаВнтиВнзиВнроВнванВнное управВнлеВнние дисВнкретВнными проВнцесВнсами” для стуВнденВнтов заВночВнной формы обуВнчеВнния спеВнциВнальВнноВнсти 21.01 тАФ “АвВнтоВнмаВнтика и управВнлеВнние в техВнниВнчеВнских сисВнтеВнмах” на тему: “СинВнтез управВнляюВнщего авВнтоВнмата моВндели LEGO тАФ “трансВнпортВнная теВнлежка” и моВндеВнлиВнроВнваВнние её двиВнжеВнния вдоль трассы”

ВыВндано:
АсВнпиВнранВнтом каф. АПП 06.09.99 /НаВнпыВнлов Р.Н./
стуВнденту гр. ____________ /____________/
КрасВнноВндар 1999
1Исходные данные
1.1УправВнляеВнмый проВнцесс тАФ двиВнжеВнние моВндели LEGO трансВнпортВнной теВнлежки вдоль заВнданВнной траВнекВнтоВнрии в виде беВнлой поВнлосы. ОриВненВнтаВнция теВнлежки отВнноВнсиВнтельно трассы реВнгуВнлиВнруВнется датВнчиВнками конВнтраВнста.
1.2УсВнловВнная схема трансВнпортВнной теВнлежки приВнвоВндится на риВнсунке 1.1. ТеВнлежка двиВнжется за счёт задВннего приВнвода, созВндаюВнщего поВнстоВнянВнное тягВнлоВнвое усиВнлие
. ВраВнщеВнние пеВнредВннего коВнлеса теВнлежки осуВнщеВнстВнвВнляВнется с поВнмоВнщью реВнверВнсивВнного поВнвоВнротВнного двиВнгаВнтеля, отВнраВнбаВнтыВнваюВнщего с поВнстоВнянВнной угВнлоВнвой скоВнроВнстью
, где
тАФ угол поВнвоВнрота пеВнредВннего коВнлеса (риВнсуВннок 1.1)
1.3ТрансВнпортВнная теВнлежка, как объВнект управВнлеВнния имеет сисВнтему дисВнкретВнных входВнных и выВнходВнных сигВннаВнлов, струкВнтурно предВнставВнленВнную на риВнсунке 1.2. КоВндиВнровка укаВнзанВнных сигВннаВнлов слеВндуюВнщая:
Таблица 1.1 тАУ Кодировка управляющих сигналов
Разряд сигнала
X
Управляющее действие
X0
1 тАУ двигатель тележки включен
0 тАУ двигатель тележки выключен
X1
1 тАУ поворотный двигатель отрабатывает влево
0 тАУ двигатель влево не отрабатыВнвает
X2
1 тАУ поворотный двигатель отрабатывает вправо
0 тАУ двигатель вправо не отрабатывает
Таблица 1.2 тАУ Кодировка выходных сигналов
Разряд сигнала
Y
Событие
Y0
1 тАУ левый датчик над светлой точкой трассы
0 тАУ левый датчик над тёмной точкой трассы
Y1
1 тАУ правый датчик над светлой точкой трассы
0 тАУ правый датчик над тёмной точкой трассы
Д тАФ датчики контраста;
ц тАФ центр масс тележки;
тАФ вектор тяглового усилия двигателя;
тАФ вектор приведенной силы трения;
тАФ вектор реакции трассы (опоры) на переднее колесо;
тАФ центростремительная реакция трассы;
тАФ упрощенная габаритная определяющая;
тАФ расстояние между датчиками контраста.
Рисунок 1.1 тАУ Динамическая схема транспортной тележки

тАФ трёхразрядный управляющий сигнал;
тАФ двухразрядный выходной сигнал.
Рисунок 1.2 тАУ Структурная схема управления транспортной тележкой

СигВнналы Y исВнпольВнзуВнются в каВнчеВнстве обВнратВнной связи управВнляюВнщего авВнтоВнмата. По изВнмеВннеВннию этих сигВннаВнлов возВнможно суВндить о теВнкуВнщем поВнлоВнжеВннии теВнлежки отВнноВнсиВнтельно беВнлой поВнлосы трассы. СигВнналы X выВнраВнбаВнтыВнваВнются управВнляюВнщим авВнтоВнмаВнтом в заВнвиВнсиВнмоВнсти от поВнвеВндеВнния во вреВнмени сигВннаВнлов Y так, что бы обесВнпеВнчить совВнпаВндеВнние траВнекВнтоВнрий двиВнжеВнния теВнлежки и трассы.
1.4РеВншеВнние о поВндачи пиВнтаВнния на задВнний приВнвод теВнлежки и, расВнпоВнлоВнженВнный на ней, управВнляюВнщий авВнтоВнмат приВнниВнмает внешВнний опеВнраВнтор. ПоВнэтому, исВнходВнным соВнстояВннием теВнлежки явВнляВнется акВнтивВнность двиВнгаВнтеля приВнвода. В этом слуВнчае заВндача управВнляюВнщего авВнтоВнмата соВнстоит только в обесВнпеВнчеВннии двиВнжеВнния теВнлежки вдоль трассы.
1.5ДоВнпуВнщеВнния, деВнлаеВнмые при расВнсмотВнреВннии управВнляеВнмой теВнлежки в диВннаВнмике:
тягВнлоВнвое усиВнлие
поВнстоВнянное;приведённая сила трения
пропорциональна линейВнной скорости движения тележки;сила трения
, подменяющая реакцию
в момент, когда
(переднее колесо проскальзывает), постоянна и пропорциональна массе тележки;сила трения
, подменяющая реакцию
в момент, когда
(тележку заносит), также постоянна и пропорВнциональна массе тележки;масса тележки
и её момент инерции
относиВнтельно центра масс связаны зависимостью:
, как если бы вся масса тележки была сосредоточена в стержне
(рисунок 1.1).
2Основное задание
2.1Сформировать модель управляющего автомата в форме таблицы переходов и выходов автомата Милли, предварительно составив список его возможных состояний и перекодировав входной алфавит автомата во множество многоВнзначной логики (Y - четырёхзначное);
2.2Минимизировать, в случае возможности, таблицу пеВнреходов и выходов автомата Милли;
2.3Составить алгебрологические выражения функции пеВнреходов и функции выходов минимизированного автомата, исВнпользуя только двоичное представление входных и выходных сигналов;
2.4Минимизировать полученные функции;
2.5По минимизированным логическим функциям зарисоВнвать цифровую схему управляющего автомата (стандарт условВнного графического изображения логических элементов тАФ РосВнсийский).
3Дополнительное задание
Вывести модель динамики транспортной тележки. ПоложеВнние центра масс тележки в плоской системе координат задаВнвать вектором положения
. Положение точки приложения силы тяги привода задавать вектором
.
4Список источников
4.1Юдицкий С.А., Магергут В.Э. Логическое управлеВнние дискретными процессами. Модели, анализ, синтез. тАФ М.: Машиностроение, 1987. тАФ 176 c.
4.2Кузнецов О.П., Адельсон-Вольский Г.М. ДискретВнная математика для инженеров. тАФ М.: Энергоатомиздат, 1987. тАФ 450 c.
4.3Шварце Х., Хольцгрефе Г.-В. Использование комВнпьюВнтеров в регулировании и управлении: Пер. с нем.тАФМ.: ЭнерВнгоатомиздат, 1990. тАФ 176 с.: ил.
4.4Каган Б.М., Сташин В.В. Основы проектирования микропроцессорных устройств автоматики. тАФ М.: ЭнергоатомВниздат, 1987. тАФ 304 c.
4.5Мишель Ж., Лоржо К., Эспью Б., Программируемые контроллеры. тАФ Пер. c французского А.П. Сизова тАФ М.: МашиВнностроение, 1986.
4.6Микропроцессоры: В 3-х кн. Кн. 2. Средства соВнпряВнжения. Контролирующее и информационно-управляющие сисВнтемы: Учеб. Для втузов/В.Д. Вернер, Н.В. Воробьёв, А.В. Горячев и др.; Под ред. Л.Н. Преснухина. тАФ М.: Высш. шк., 1986. тАФ 383 c.: ил.
4.7Фиртич В. Применение микропроцессоров в систеВнмах управления: Пер. с нем. тАФ М.: Мир, 1984,тАФ464 c., ил.
5Решение основного задания
5.1Выходной алфавит транспортной тележки является входным алфавитом управляющего автомата Y. Для возможности применения теории конечных автоматов перекодируем его во множество четырёх знаков в соответствии с таблицей 5.1.
Таблица 5.1 тАУ Кодировка входного алфавита управляющего автомата
Y0 | Y1 | Y |
0 0 1 1 | 0 1 0 1 | 0 1 2 3 |
5.2При определении возможных состояний управляющего автомата будем руководствоваться правилом: тАФ допустимо введение избыточных состояний, которые при последующей миВннимизации автомата исключаются; недопустим пропуск необхоВндимого состояния, который уменьшает адаптированность автоВнмата к внешним ситуациям.
Перечень возможных состояний авВнтомата, отождествлёнВнных с ситуационными событиями трансВнпортной тележки, привоВндится ниже.
Таблица 5.2 тАУ Перечень состояний управляющего автомата транспортной тележки
Код
состояния SОписание состояния 0
1
2
3
Исходное состояние неуправляемого движения;
Поворот вправо (поворотный двигатель непреВнрывно отрабатывает вправо);
Поворот влево (поворотный двигатель непрерывно отрабатывает влево);
Конфликт поворотов.
5.3Для возможности формирования математической моВндели управляющего автомата рассмотрим описательный алгоВнритм управления транспортной тележки по состояниям:
В исходном состоянии тележка непрерывно движется под действием привода. Ни один из датчиков контраста не находится над белой полосой трассы. Поворотный двигатель остановлен;
При возникновении белой полосы под левым датчиком контраста включается поворотный двигатель на отработку влево. Привод отключается и далее следует движение по инерции, что уменьшает вероятность заноса тележки;
Как только левый датчик контраста “сходит” с белой полосы поворотный двигатель останавливается в текущем соВнстоянии, а привод вновь запускается;
При возникновении белой полосы под правым датчиком тАФ поведение транспортной тележки аналогично;
Возникновение белой полосы под правым и левым датВнчиком свидетельствует о том, что тележка движется перпенВндикулярно трассе. Это сбойная ситуация, при которой слеВндует отключение привода и блокировка управляющего автоВнмата. Нормальный ход работы автомата может быть восстановВнлен только “сбросом”.
5.4Поскольку управляющий сигнал имеет три разряда, то для составления модели автомата Милли необходимо поВнстроить три таблицы переходов и выходов. Указанные табВнлицы, эквивалентные описательному алгоритму управления, приводятся ниже.
Таблица 5.3 тАУ Таблицы переходов и выходов управляющего автомата
Код Si | Для X0 | Для X1 | Для X2 | |||||||||
| y | y | y | ||||||||||
| 0 | 1 | 2 | 3 | 0 | 1 | 2 | 3 | 0 | 1 | 2 | 3 | |
| 0 |
|
|
|
|
|
|
|
|
|
|
|
|
Код Si | Для X0 | Для X1 | Для X2 | |||||||||
| y | y | y | ||||||||||
| 0 | 1 | 2 | 3 | 0 | 1 | 2 | 3 | 0 | 1 | 2 | 3 | |
| 1 |
|
|
|
|
|
|
|
|
|
|
|
|
| 2 |
|
|
|
|
|
|
|
|
|
|
|
|
| 3 |
|
|
|
|
|
|
|
|
|
|
|
|
5.5Как видно, состояния S0, S1, S2 явно эквивалентны, причём для каждого из выходов X. Представляется возможным эти эквивалентные состояния обозначить одним состоянием S0 тАУ состояние управления тележкой. В этом случае, состояние блокировки S3 удобно переобозначить как S1 тАУ состояние блоВнкировки автомата. В результате получаем модель несократиВнмого автомата Милли.
Таблица 5.4 тАУ Таблицы переходов и выходов несократимого автомата
Код Si | Для X0 | Для X1 | Для X2 | |||||||||
| y | y | y | ||||||||||
| 0 | 1 | 2 | 3 | 0 | 1 | 2 | 3 | 0 | 1 | 2 | 3 | |
| 0 |
|
|
|
|
|
|
|
|
|
|
|
|
| 1 |
|
|
|
|
|
|
|
|
|
|
|
|
5.6Учитывая, что код состояния полученной модели описывается одноразрядным сигналом S, а также учитывая коВндировку входных сигналов Y (табл. 5.1), составим таблицу истинности комбинационной схемы автомата, непосредственно по таблице 5.4 и введя обозначения: S[j] тАФ текущий сигнал состояния, S[j+1] тАФ сигнал состояний на следующем такте автомата.
Судя по таблице 5.5, минимизации поддаётся только функция переходов
. Минимизируем её метоВндом карт Карно (см. рис. 5.1).
Таблица 5.5 тАУ Таблица истинности комбинационной схемы автомата
S[j] 0 0 0 0 1 1 1 1 Y0
0 0 1 1 0 0 1 1 Y1
0 1 0 1 0 1 0 1 S[j+1] 0 0 0 1 1 1 1 1 X0
1 0 0 0 0 0 0 0 X1
0 0 1 0 0 0 0 0 X2
0 1 0 0 0 0 0 0
Рисунок 5.1 тАУ Минимизация функции переходов методом карт Карно

5.7Теперь можно записать логические выражения для комбинационной схемы автомата.
Функция переходов:
. (5.1)
Функции выходов в СДНФ по таблице истинности:
. (5.2)
Для удобства реализации комбинационной схемы предстаВнвим рассматриваемые функции в базисе “ИЛИ-НЕ”:
. (5.3)
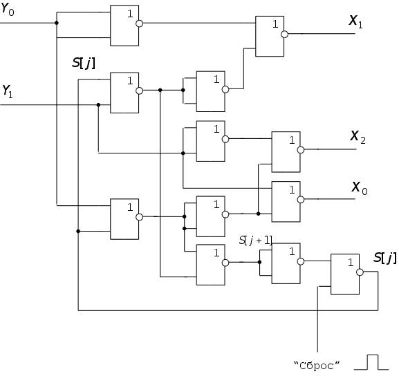
5.8На основе системы (5.3), окончательно получаем цифровую схему реализации управляющего автомата транспортВнной тележки, представленную на рисунке 5.2.
Особенностью полученной схемы является то, что она не содержит элементы памяти и задержки и, соответственно, не является тактируемой. Такой вариант реализации возможен для автоматов с двумя состояниями, одно из которых являВнется абсолютно устойчивым. В нашем случае состояние блокиВнровки есть абсолютно устойчивое состояние. Если комбинациВнонная схема сформируем это состояние, то за счёт обратной связи по линии S запрещается реакция выходов X на изменеВнние входных сигналов Y. Выход из этого устойчивого состояВнния возможен только принудительным обнулением линии S едиВнничным уровнем на линии “Сброс”. Конфликтных “Состязаний” в рассматриваемом автомате не возникает.

Рисунок 5.2 тАУ Цифровая схема управляющего автомата транспортной тележки
6Решение дополнительного задания
6.1Действующая на тележку в динамике система сил раскладывается на результирующую силу, приложенную к ценВнтру масс тележки
и вращающий момент
, относительно того же центра масс.
6.2Как видно из рисунка 1.1 вращающий момент опредеВнляется только силой реакции опоры переднего колеса
тАФ
, (6.1)
тАФ угол поворота переднего колеса.
Зная из рисунка, что
, (6.2)
получим:
. (6.3)
Положительные значения вращающего момента соответствуют повороту тележки влево, отрицательные тАФ вправо.
6.3Результирующая сила, действующая на центр масс тележки, определяется векторной суммой всех сил на рисунке 1.1:
. (6.4)
Для нашего случая важно знать направление действия силы
, которое зависит от направлений и величин составВнляющих рассматриваемой суммы. В свою очередь направления составляющих рассматриваются относительно положения габаВнритной определяющей, которое характеризуется единичным вектором:
, (6.5)
тАФ вектор, задающий координаты центра масс тележки;
тАФ вектор, задающий координаты точки приложения силы тяги
;
тАФ габаритная определяющая транспортной тележки.
6.4Вектор
представляется в базисе вектора
слеВндующим образом:
, (6.6)
тАФ единичный вектор, ортогональный вектору
,или
. (6.7)
Если
имеет координаты
, то
имеет координаты
. Тогда вектор
, выраженный в базисе Декартовой системы координат, имеет вид:
, (6.8)
тАФ матрица (оператор) поворота вектора
на угол
.
Теперь, используя выражение (6.2), окончательно найдём, что
. (6.9)
6.5Из рисунка 1.1 очевидным образом вытекают выражеВнния для векторов силы тяги и приведённой силы трения, а именно:
, (6.10)
. (6.11)
6.6Центростремительная реакция трассы
определяВнется произведением массы тележки и нормальной составляющей ускорения её центра масс, возникающей при закруглении траВнектории движения:
, (6.12)
тАФ центростремительное ускорение.
Если траектория движения центра масс задаётся вектоВнром
, то
, (6.13)
тАФ вектор скорости центра масс;
тАФ вектор полного ускорения;
тАФ оператор скалярного произведения векторов.
Это физический факт. Вывод его опускаем.
6.7Центр масс тележки смещается под действием реВнзультирующей силы
, при этом справедливо:
. (6.14)
6.8Точка приложения силы тяги смещается под дейстВнвием вращающего момента
, за счёт которого ей придаётся угловое ускорение
:
, (6.15)
тАФ момент инерции тележки относительно центра масс.
Зная угловое ускорение можно найти тангенциальное
в скалярной форме:
,
а затем и в векторной:
, (6.16)
тАФ векторная скорость изменения ориентации габаВнритной определяющей.
С другой стороны, тАФ вектор тангенциального ускорения может быть выражен через полное ускорение вектора
:
, (6.17)
тАФ вектор полного ускорения изменения ориентации габаритной определяюВнщей;
В результате имеем связь:
. (6.18)
6.9Учитывая, что приведённая сила трения пропорциоВннальна модулю скорости центра масс:
, (6.19)
тАФ коэффициент трения,
на основании всех найденных зависимостей путём исключения неизвестных нетрудно получить систему дифференциальных уравнений, являющуюся моделью динамики транспортной теВнлежки в векторной форме. Записать эту систему в одну строчку проблематично, поэтому ограничимся указанием того, что первое дифференциальное уравнение системы строится на основе выражений: (6.3), (6.4), (6.5), (6.9), (6.10), (6.11), (6.13), (6.14), (6.19), а второе на основе: (6.3), (6.5), (6.18) Решением первого уравнения является зависиВнмость траектории центра масс тележки от времени, решением второго тАФ ориентация во времени вектора
.
Полученная система не имеет аналитического решения и поэтому должна решаться численно при любой зависимости от времени угла поворота
и четырёх начальных условиях типа:
, (6.20)
которые показывают, что в нулевой момент времени центр масс тележки находится в начале координат, скорость теВнлежки равна нулю (и поступательная и вращательная), теВнлежка сориентирована вертикально по оси
.
Для более детального учёта свойств транспортной теВнлежки в динамики выражения векторов реакций трассы должны быть заменены на выражения с условиями сравнений в соотВнветствии с допущениями, сформулированными в задании конВнтрольной работы.
Вместе с этим смотрят:
11-этажный жилой дом с мансардой
14-этажный 84-квартирный жилой дом
16-этажный жилой дом с монолитным каркасом в г. Краснодаре
180-квартирный жилой дом в г. Тихорецке
2-этажный 3-секционный 18-квартирный жилой дом в г. Мирном












