Расчет и конструирование фундаментов
Курсовой проект
Выполнил: _____________.
Белорусская Государственная Политехническая Академия , Кафедра: ВлГеотехника и экология в строительствеВ»
Минск 2001
Введение
В данном курсовом проекте по дисциплине Механика грунтов, основания и фундаменты рассчитаны и запроектированы фундаменты мелкого заложения и свайные фундаменты. Приведены необходимые данные по инженерно-геологическим изысканиям, схемы сооружений и действующие нагрузки по расчетным сечениям. Расчет оснований и фундаментов произведен в соответствии с нормативными документами
СниП 2.02.01-83 Основания и фундаменты
СниП 2.02.03-85 Свайные фундаменты
СниП 2.03.01-84 Бетонные и железобетонные конструкции
2. Фундаменты мелкого заложения на естественном основании
2.1 Анализ физико-механических свойств грунтов пятна застройки
Исходные данные для каждого из пластов, вскрытых тремя скважинами:
Таблица 1
| Номер пласта | Мощность пласта по скважинам | Плотность частиц грунта rs , т/м3 | Плотность грунта r, т/м3 | Влаж-ность W,% | Пределы пластичности | Угол внутреннего трения jВ° | Удельное сцепление С , кПа | |||
| 1 | 2 | 3 | Wl , % | Wp , % | ||||||
| 1 | 5 | 6 | 4 | 2,67 | 2,10 | 8 | - | - | 40 | - |
| 2 | 4 | 5 | 6 | 2,68 | 2,03 | 22 | 25 | 15 | 27 | 13 |
| 3 | 13 | 12 | 12 | 2,65 | 2,08 | 17 | - | - | 29 | - |
Для каждого из пластов, вскрытого скважинами должны быть определены расчетные характеристики.
а) число пластичности: Jp=Wl-Wp ,
Для пласта 1 нет, т.к. песок
Для II пласта: Jp=Wl-Wp=25-15=10
Для III пласта: нет, т.к. песок
б) плотность сухого грунта: ![]()
Для I пласта:
т/м3
Для II пласта:
т/м3
Для III пласта:
т/м3
в) пористость и коэффициент пористости грунта:
, ![]()
Для I пласта:
, ![]()
Для II пласта:
, ![]()
Для III пласта:
, ![]()
г) показатель текучести для глинистых грунтов: ![]()
Для II пласта: ![]()
д) степень влажности грунта: ![]()
Где:
r - пластичность грунта т/м3;
rs - пластичность частиц грунта т/м3;
rw - плотность воды, принимаем 1.0;
W - природная весовая влажность грунта, %;
Wl - влажность на границе текучести;
Wp - влажность на границе пластичности;
Для I пласта Для II пласта: Для III пласта: Полученные данные о свойствах грунтов вносим в Таблицу 2 Таблица Коэффициент пористости е Определим модуль деформации: b - коэффициент зависящий от коэффициента Пуассона m: Где e1 тАУ начальный коэффициент пористости; cc тАУ коэффициент сжимаемости; e1 тАУ коэффициент пористости при P1=100 кПа e2 тАУ коэффициент пористости при P2=200 кПа e3 тАУ коэффициент пористости при P3=300 кПа 0,56-0,525 200 0,48-0,457 200 200 2.2. Минимальную глубины заложения подошвы фундамента предварительно назначают по конструктивным соображениям. Глубина заложения подошвы фундамента из условий возможного пучения грунтов при промерзании назначается в соответствии с табл.2 СНиП 2.02.01-83. Если пучение грунтов основания возможно, то глубина заложения фундаментов для наружных стен отапливаемых сооружений принимается не менее расчетной глубины промерзания df , определяемой по формуле: df=kh×dfn , где dfn тАУ нормативная глубина промерзания kh - коэффициент влияния теплового режима здания Принимаем глубину заложения фундамента d=1,5м. Планировку выполняем подсыпкой грунта до отметки 209.000м и уплотнение его виброплащадкой до плотности r=1,0т/м3. 2.3. Выбор типа фундамента и определение его размеров При расчете оснований по деформациям необходимо, чтобы среднее давление Р под подошвой центрально нагруженного фундамента не превышало расчетного сопротивления грунта R. Для внецентренно нагруженного фундамента предварительно проверяются три условия: PMAX£1.2R ; P Расчетное сопротивление грунта основания R в кПа определяется по формуле: Где gc1 и gc2 - коэффициенты условий работы, принимаемые по табл.3 СНиП 2.02.01-83 или методическое пособие (прил14); K=1- коэффициент зависящий от прочностных характеристик грунта; Mg, Mq, Mc тАУ коэффициенты принимаемые по табл.4 СНиП 2.02.01-83 или методическое пособие (прил.15); b - ширина подошвы фундамента, м; db тАУ глубина подвала - расстояние от уровня планировки до пола подвала; d| - глубина заложения фундамента бесподвальных помещений KZ тАУ коэффициент зависящий от прочностных характеристик грунта ( принимаем KZ=1 ); g||тАЩ- осредненное расчетное значение удельного веса грунтов, залегающих выше подошвы фундамента; g|| - то же для грунтов, залегающих ниже подошвы фундамента, кН/м3 ; c|| - расчетное значение удельного сцепления грунта, залегающего под подошвой фундамента, кПа. gс1=1,4 gс2=1,2; К=1; Мg=2,46; Мq=10,85; Mc=11,73; Kz=1 т.к. b<10м С||=0 кПа , т.к. песок. db=0 , т.к. нет подвала. d1=1.5 Удельный вес грунта - g=r´g=10´r g =gобр.зас=rобр.зас.*10=18кН/м3; g1=2,1*10=21 кН/м3; g2=2,03*10=20,3 кН/м3; g3=20,8 кН/м3; Давление под подошвой фундамента: No,|| - расчетная нагрузка на уровне отреза фундамента, кН; Mo,|| - расчетный изгибающий момент, кН×м; d - глубина заложения фундамента, м; gm тАУ осредненный удельный вес - 20¸22 кН/м3. A тАУ площадь подошвы фундамента, м2 W тАУ момент сопротивления площади подошвы фундамента в направлении действия момента, м3 Принимаем, что большая сторона фундамента равна a=1.1b, тогда А=1.1b*b=1.1b2 и Находим значения Pmax, 1.2R при b=1;1,5; 2; 3; 4; и строим график зависимости между b и Pmax,1.2R. Точка пересечения, дает нам искомую величину b. Pb=1.5max= 1.2Rb=1м=141,094*1+590,59кПа Условия соблюдаются при b=1,9; a=2,1; W=1,4; A=3,97 Pmax=378.423кН; < 1.2R=550кПа P=192.762кН; < R=458кПа Pmin=7,1кН; >0 2.4. Вычисление вероятной осадки фундамента Расчет осадки фундамента производится по формуле: S Где S тАУ конечная осадка отдельного фундамента, определяемая расчетом; Su тАУ предельная величина деформации основания фундамента зданий и сооружений, принимаемая по СниП 2.02.01-83; Определим осадку методом послойного суммирования. Расчет начинается с построения эпюр природного и дополнительного давлений. Ординаты эпюры природного давления грунта: szg=ågi×hi , i=1 где gi тАУ удельный вес грунта i-го слоя, Кн/м3; hi тАУ толщина слоя грунта, м; g=10×r т/м3. Tак как в выделенной толще залегает горизонт подземных вод, то удельный вес грунта определяется с учетом гидростатического взвешивания: gs=10×rs , rs тАУ плотность частиц грунта, т/м3; e тАУ коэффициент пористости грунта; gs тАУ удельный вес частиц грунта, Кн/м3. gsb|||=(26,7-10)(1-0,37)=10,521 Кн/м3 Ординаты эпюры природного давления откладываем влево от оси симметрии. Дополнительное вертикальное напряжение szр для любого сечения, расположенного на глубине z от подошвы фундамента, определяется по формуле: szр=a×P0 где a - коэффициент, принимаемый по табл.1 СниП 2.02.01-83; P0 тАУ Дополнительное вертикальное давление под подошвой фундамента определяется как разность между средним давлением по оси фундамента и вертикальным напряжением от собственного веса грунта на уровне подошвы фундамента: Давление непосредственно под подошвой фундамента: Расчет осадки отдельного фундамента на основании в виде упругого линейно деформируемого полупространства с условным ограничением величины сжимаемой зоны производится по формуле: где S тАУ конечная осадка отдельного фундамента, см; hi тАУ толщина i-го слоя грунта основания, см; Ei тАУ модуль деформации i-го слоя грунта, кПа; b - безразмерный коэффициент, равный 0.8; szpi тАУ среднее значение дополнительного вертикального нормального напряжения в i-м слое грунта, равное полусумме напряжений на верхней Zi-1 и нижней Zi границах слоя, кПа. Условие соблюдается, т.к. S=4,8см 3. Свайные фундаменты 3.1. Основные положения по расчету и проектированию свайных фундаментов Фундаменты из забивных свай рассчитываются в соответствии с требованиями СНиП 2.02.03-85 по двум предельным состояниям: - по предельному состоянию первой группы ( по несущей способности): по прочности тАУ сваи и ростверки, по устойчивости тАУ основания свайных фундаментов; - по предельному состоянию второй группы ( по деформациям ) тАУ основания свайных фундаментов. Глубина заложения подошвы свайного ростверка назначается в зависимости от: наличия подвалов и подземных коммуникаций; геологических и гидрогеологических условий площадки строительства ( виды грунтов, их состояние, положение подземных вод и т. д. ); глубины заложения фундаментов прилегающих зданий и сооружений; возможности пучения грунтов при промерзании. Рыхлый насыпной грунт из мелкого песка с органическими примесями r=1,3(0.9) т/м3, j=12В° Торф коричневый водонасыщенный, Jl=0.6,r=(1,2)0.6 т/м3, j=8В° Слой суглинка Jl=0,3 r=1,8(1,15) т/м3, Е=14000 кПа, j=22В°, С=50 кПа глина Jl=0,2 r=2,1 т/м3, Е=20000 кПа, j=20В°, С=100 кПа Горизонт подземных вод от поверхности земли , м В скобках указана плотность грунта во взвешанном состоянии. Мощность пласта в колонне изм-ся от кровли до его подошвы. 3.2. Расчет и конструирование свайных фундаментов Прежде всего необходимо выбрать тип сваи, назначить ее длину и размеры поперечного сечения. Длину сваи определяют как сумму L=L1+L2+L3. L1 тАУ глубина заделки сваи в ростверк, которая принимается для свайных фундаментов с вертикальными нагрузками не менее 5 см. L2 тАУ расстояние от подошвы плиты до кровли несущего слоя. L3 тАУ заглубление в несущий слой. Принимаем железобетонные сваи, квадратного сечения размером 300х300 мм. L=0.15+7.3+1=8,45=9м. Несущая способность Fd ( в кН ) висячей сваи по грунту определяется как сумма сопротивления грунтов основания под нижним концом сваи и по боковой поверхности ее: Fd=gc×( gcr×R×A+U×ågcf×fi×li ), Где gc тАУкоэффициент условий работы сваи в грунте, принимаемый gc=1.0. gcr и gcf - коэффициенты условий работы грунта соответственно под нижним концом и по боковой поверхности сваи ( табл. 3 СНиП 2.02.03-86 ); для свай, погруженных забивкой молотами, gcr =1.0 и gcf =1.0; А тАУ площадь опирания на грунт сваи, в м2, принимаемый по площади поперечного сечения сваи; R тАУ расчетное сопротивление грунта под нижним концом сваи, кПа; U тАУ периметр поперечного сечения сваи, м; fi тАУ расчетное сопротивление i-го слоя грунта основания по боковой поверхности сваи, кПа; li тАУ толщина i-го слоя грунта, м. При определении fi пласты грунтов расчленяются на слои толщиной не более 2м. A=0.3*0.3=0.09 м. gс=1; gCR=1; gсf=1; R=4825кПа U=0.3*4=1.2 м. Fd=1×( 1×4825×0,09+1,2×(1,5*26,5+1,5*30+0+2*42+1,5*44+1,5*45+0,5*65))=835,95 кН Расчетная нагрузка Р, допускаемая на сваю, определяются из зависимости: где gк тАУ коэффициент надежности, принимаемый равным 1,4. Определим кол-во свай по формуле: где Проверка несущей способности сваи: N Для внецентренно нагруженого свайного фундамента необходима проверка нагрузки yi тАУ расстояние от главной оси свайного поля до оси каждой сваи, м; Np,| - расчетный вес ростверка, кН; n тАУ количество свай в кусте. Определим отказ сваи, необходимый для контроля несущей способности сваи. h - коэффициент, принимаемый равным 1500 кН/м2 ; А тАУ площадь поперечного сечения сваи, м2 ; A=0.09 м2 ; Ed тАУ расчетная энергия удара молота, кДж; Ed=32 кДж; m1 тАУ полный вес молота, кН; m1=35,0 кН; m2 тАУ вес сваи с наголовником, кН; m2=18.3 кН; m3 тАУ вес подбабка, кН; m3=18 кН; e - коэффициент восстановления энергии удара, e2=0,2; Ed=0,9×G×H, G тАУ вес ударной части молота, кН; H - расчетная высота падения ударной части молота, м; 3.3. Расчет основания свайного фундамента по деформациям При расчете осадки свайный фундамент рассматривается как условный массивный фундамент, в состав которого входят ростверк, сваи и грунт. h тАУ длина сваи, м; Давление Р в кПа по подошве условного фундамента определяется с учетом веса условного массива: Где A1 тАУ площадь подошвы условного фундамента, м2; Nd1 тАУ суммарный вес условного массива и нагрузок, приложенных на уровне обреза ростверка, кН. Nd1=N0+G1+ G2+ G3 . Здесь N0 тАУ нагрузка, приложенная на уровне обреза ростверка; G1 тАУ вес ростверка; G2 тАУ вес свай=4*(8,3*0,09)*25=75; G3 тАУ вес грунта в объеме выделенного условного массива G3=13*3+6*2+11,5*5+21*1=129,5. Nd1=240+29+75+129,5=473,5 кН. Давление Р от расчетных нагрузок не должно превышать расчетного сопротивления грунта R, то есть необходимо соблюдение условий P Расчетное сопротивление грунтов R для свайных фундаментов будет представлено в следующей форме: gс1=1,25; gс2=1 ; К=1; Мg=0,51; Мq=3,06; Mc=5,66; Kz=1 т.к. b<10м С||=100 , т.к. грунт глина db=2 , глубина подвала тАУ расстояние от уравня планировки до пола подвала (для сооружений с подвалом шириной В£20м и глубиной более двух метров принимается db=2) . Удельный вес грунта - g=r´g=10´r g1=1,3*10=13,0 кН/м3; g2=0,6*10=6кН/м3; g3=18 кН/м3; g4=21 кН/м3; P=169кПа Условия выполняются. 3.4. Вычисление вероятной осадки свайного фундамента. Расчет осадки фундамента производится по формуле: S Где S тАУ конечная осадка отдельного фундамента, определяемая расчетом; Su тАУ предельная величина деформации основания фундамента зданий и сооружений, принимаемая по СниП 2.02.01-83; Определим осадку методом послойного суммирования. Расчет начинается с построения эпюр природного и дополнительного давлений. Ординаты эпюры природного давления грунта: szg=ågi×hi , i=1 где gi тАУ удельный вес грунта i-го слоя, Кн/м3; hi тАУ толщина слоя грунта, м; g=10×r т/м3. rВопо заданию для свайных фундаментов. Ординаты эпюры природного давления откладываем влево от оси симметрии. Дополнительное вертикальное напряжение szр для любого сечения, расположенного на глубине z от подошвы фундамента, определяется по формуле: szр=a×P0 где a - коэффициент, принимаемый по табл.1 СниП 2.02.01-83; P0 тАУ Дополнительное вертикальное давление под подошвой фундамента определяется : Давление непосредственно под подошвой фундамента: Расчет осадки отдельного фундамента на основании в виде упругого линейно деформируемого полупространства с условным ограничением величины сжимаемой зоны производится по формуле: где S тАУ конечная осадка отдельного фундамента, см; hi тАУ толщина i-го слоя грунта основания, см; Ei тАУ модуль деформации i-го слоя грунта, кПа; b - безразмерный коэффициент, равный 0.8; szpi тАУ среднее значение дополнительного вертикального нормального напряжения в i-м слое грунта, равное полусумме напряжений на верхней Zi-1 и нижней Zi границах слоя, кПа. S=0,70см 3.5. Устройство ограждающей стенки. Расчет козловой системы в качестве ограждения котлована сводиться к определению давления грунта в состоянии покоя на глубине (Н+1м), т.е. примерно на 1м ниже уровня пола подвала (дно котлована): Это давление полностью воспринимается козловой системой из свай. При этом вертикальные сваи работают на сжатие, а наклонные, - анкерные, на выдергивание. Расчет устойчивости производиться на восприятие опрокидывающего момента на 1 погонный метр ограждения от бокового давления грунта в состоянии покоя и пригрузки на поверхности в 20кПа от веса механизмов(боковое давление от пригрузки тАУ q=20кПа(1-sinj). Опрокидывающий момент по глубине(Н+1) составит: Усилие в ряду вертикальных свай на 1 погонный метр ограждающей стены равно: Усилие на погонный метр ряда наклонных свай: Вместе с этим смотрят: 32-я Стрелковая дивизия (результаты поисковой работы группы "Память" МИВлГУ)
пески влажные (0,5![]()
Пески насыщенные водой (Sr>0.8)ПОКАЗАТЕЛИ Значения показателей для слоев 1 2 3 Плотность частиц грунта rs , т/м3 2.67 2,68 2,65 Плотность грунта r, т/м3 2,1 2,03 2,08 Природная влажность W , % 8 22 17 Степень влажности Sr 0,55 0,97 0,92 Число пластичности Jp - 10 - Показатель текучести Jl - 0,7 - 0,39 0,61 0,49 Наименование грунта и его физическое состояние Песок гравелистый плотный Суглинок мягкопластичный Песок пылеватый плотный Угол внутреннего трения jВ° 40 27 29 Удельное сцепление С , кПа - 13 -
кПа ,
кПа ,
кПа![]()
![]()
Cс1= =0.000175 кПа
Cс2= =0.000115 кПа
Cс3= 0,349-0,327 =0.00011 кПа

![]()
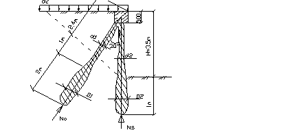
Выбор глубины заложения подошвы фундамента

![]()

кПа
;![]()
; ![]()
![]()
Где: Р, Рmax, Pmin тАУ соответственно среднее, максимальное и минимальное давление на грунт под подошвой фундамента
; gm=21 кН/м3; d=1,5м.![]()
кН; ![]()
принимая b=1,6м, считаем А, W, Pmax, Pmin, и проверяем условия.
![]()
кПа
кПа
кПа
кПа![]()
![]()

Описание грунтов Мощность слоя, м 3.0 2,0 5,0 14,0 1,5 
№ h z f 1 1,5 0,75 26,5 2 1,5 2,25 30 3 2,00 4 0 4 2,00 6 42 5 1,50 7,75 44 6 1,50 9,25 45 7 0,5 10,5 65
кН; ![]()
,![]()
кН; < P=597 кН![]()

![]()
![]()
,![]()
кПа.
кН/м3; 
кПа
кПа
кПа
кПа
кПа
кПа![]()
![]()

![]()

![]()
![]()
![]()
Что бы грунт между сваями не высыпался за счет арочного эффекта, расстояние между вертикальными сваями нужно принять по 0,6м. Анкерные сваи рассчитываем на трение по боковой поверхности:![]()
![]()

gcf тАУ коэффициент надежности=1,6.
кН, т.к. стойки сваи расположены через 0,6м, то усилие на одну сваю
кН.
Несущая способность сваи будет ![]()
т.к. свая анкерная работает на растяжение, то дополнительно сваи армируют стержнем Æ10A III. Определим длину корня анкерной сваи исходя из того, что свая работает на трение по боковой поверхности: Fs=gс*u*e*gcf fi li![]()
![]()
Принимаем длину корня ts=2,0м. Тогда несущая способность анкерной сваи: Fs=1.6*0.628*1*(36.5+38)=74кН > 53.6кН. т.к. свая работает на расстояние то её необходимо армировать стержнем, диаметр которого определили из условия: ![]()
Принимаем арматуру Æ14 А III с площадью сечения As=1.539 cм2.
3.6. Последовательность выполнения работ на строительной площадке.
В данном курсовом проекте рассматривается два фундамента:
столбчатый на естественном основании и ленточный свайный.
При проектировании столбчатого фундамента на естественном основании проанализировав физико-механические свойства грунтов и построив геолого-литологического разрез по линии 1-3 скважин определили, что после подготовительных работ таких как расчистка строительной площадки от мусора, деревьев и кустов, срезки и удаления растительного слоя производят планировку строительной площадки бульдозером с поворотным отвалом, до отметки 210.000м (от уровня моря). По контуру котлована выполняем приямки для сбора и удаления атмосферных осадков с помощью насосов. Последующий монтаж строительных конструкций таких как фундаменты, колонны, ограждающие конструкции, стропильные фермы и плиты покрытия выполняются бригадами монтажников с использованием монтажных кранов с телескопической стрелой на пневмоколесном ходу. Обратную подсыпку выполняют бульдозерами и последующую уплотнение грунта вибро-площадкой в частности в рассматриваемом варианте тАУ песок плотности r=1,0 т/м3.
По данным физико-механических свойств грунтов( вариант свайного фундамента). Мы сделали вывод, что верхние слои грунта не могут не смогут воспринимать нагрузку от тяжелой техники. Для монтажа конструкций рекомендуется выполнять строительство в зимний период времени, или если это невозможно то рекомендуется выполнить песчаную подсыпку, по ней ж/б плиты. Забивку свай выполняют с помощью трубчатого дизель-молота марки С-859. После проверки действительного отказа сваи выполняется ж/б ростверк по всем требованиям расчетов и последующее возведение кирпичных стен. Обратную подсыпку выполняют бульдозерами и последующую уплотнение грунта катками.