Анализ прохождения периодического сигнала через LC-фильтр с потерями
Произошедшая научно-техническая революция затронула все виды деятельности человека даже такие как медицина, наука, сельское хозяйство, а также промышленность. С появлением компьютеров появилась необходимость кадровой переподготовки. Специалисты во всех областях знаний стали осваивать работу на персональном компьютере.
Работа на ЭВМ имеет много преимуществ. Самое основное и главное преимущество-быстродействие и точность. Человеку больше не требовалось производить различные вычисления вручную. Ему нужно было только запрограммировать компьютер, а тот за минимальное время все рассчитает. Это позволяло при минимальных затратах времени экономить множество труда и здоровья. При появлении персональных ЭВМ процесс использования новейших знаний и технологий намного улучшился. С помощью специальных программ инженеры могли теоретически (без практических исследований и опытов) проанализировать и рассчитать все интересующие их процессы и явления, происходящие в различных сферах нашей деятельности.
Компьютеризация коснулась и инженерную сферу деятельности. На заводах и предприятиях стали вводить автоматические системы, которые стали выполнять работу человека без его непосредственного участия. Это нововведение сэкономило много времени и сил. Но, чтобы эти системы нормально функционировали, нужно было их правильно запрограммировать и задавать им точные данные. Вот почему инженеры изучают различные компьютерные программы, такие как Autoсad, Mathсad, Exel, Electronic WorkBench, КОМПАС и многие другие.
2. Анализ заданной ЭДС.
Задача анализа ЭДС включает в себя следующие пункты:
1) Разложение гармонической функции в ряд Фурье
2) Поиск ширины спектра ЭДС
1.1) Любую функцию
, удовлетворяющую условиям Дирихле, можно представить в виде ряда Фурье:
, (1)
где
(2)
- среднее значение функции за период или постоянная составляющая, называемая иногда нулевой гармоникой спектра.
(3а)
и
(3б)
- амплитуды косинусоидальных и синусоидальных составляющих ряда соответственно.
- амплитуда k-ой гармоники спектра. (4)
- начальная фаза k-ой гармоники. (5)
- периодическая функция, удовлетворяющая условиям Дирихле.
- угловая частота (рад/с). (6)
F тАУ циклическая (Гц) частота первой гармоники спектра или основная частота.
Т тАУ период повторения функции
.
- любой произвольно выбранный момент времени условно принятый за нулевой.
Непосредственный анализ эдс по рис.3-10 показывает, что она имеет три участка: 1)Прямая, равная E, лежащая в отрезке времени от 0 до
;2) Прямая, равная тАУE1, лежащая в отрезке времени от
до
; 3) Прямая, равная Е, лежащая в отрезке времени от
до Т. Поэтому уравнение эдс может быть записано в виде
,
где
(7)
Для данной эдс (7) по формулам (2),(3а),(3б) имеем интегральные выражения:
, (8)
, (9)
(10)
- где ![]()
Возьмём интегралы используя интегрированную среду Mathcad (далее просто Mathcad). После подстановки пределов интегрирования и алгебраических преобразований получаем выражения
,
,
,
-6.2832
Подставив конкретные значения в формулы (1),(4) получим:
![]()
![]()
Так как функция чётная получим


Рис.1 График e(t)
1.2) Теоретически спектр периодической функции бесконечен. Однако на практике под шириной спектра понимают диапазон частот
, в пределах которого суммарная мощность гармоник составляет 90% или более от полной средней мощности сигнала за период.
Среднюю за период мощность сигнала можно найти по формуле:
, (11)
- где
- напряжение или ток.
При использовании ряда Фурье среднюю за период мощность сигнала, переносимою постоянной составляющей и первыми n гармониками, можно найти по формуле
(12)
по заданному отношению
с помощью формул (11) и (12) можно найти номер максимальной гармоники
и рассчитать ширину спектра как
или
.
С помощью Mathcad рассчитаем по формуле (11) полную мощность эдс:
![]()
Вычисляя последовательно по формуле (10) амплитуды гармоник и вклад каждой из них в общую мощность, можно найти ширину спектра сигнала.
| Номер гармоники | Амплитуда гармоники | Мощность гармоники | Суммарная мощность |
|
| 0 | 0.7600E | 0.5776 | 0.5776 | 0.4272 |
| 1 | 0.8233E | 0.3389 | 0.9165 | 0.6779 |
| 2 | 0.6661E | 0.2218 | 1.1384 | 0.8420 |
| 3 | 0.4442E | 0.0986 | 1.2371 | 0.9150 |
Таким образом, постоянная составляющая и первая гармоника переносят более 90% полной мощности сигнала. Поэтому n=1 и ширину спектра сигнала нужно принять равной
nF=1*1,0=1 кГц.
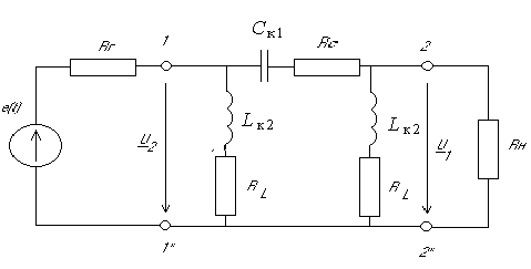
3. Расчет номинальных величин элементов
В задании дана схема П-образного ФВЧ. У данного фильтра в крайних вертикальных ветвях включены индуктивности L2, а в горизонтальной ветви ёмкость С1. Поэтому ёмкость конденсатора Ск1 равна С1, а индуктивности катушек Lк2 =2L2.
Теперь по данным табл. 4.1 необходимо рассчитать частоту среза
и по формулам
,
значение индуктивности и ёмкостей для
. После подстановки и расчётов с помощью Mathcad получаем
,
. Далее выбираем величину ёмкости из стандартного ряда номинальных величин
. Отсюда имеем значения реальных(конструктивных) элементов
,
.
Теперь следует уточнить частоту среза:
,
и характеристическое сопротивление
.
На частоте среза
паразитные сопротивления потерь составляют:
в последовательной схеме замещения конденсатора
и
![]()
у катушки индуктивности.
Схема замещения примет следующий вид:


Рис.2 Схема замещения
4. Расчет А-параметров схемы ФВЧ.
Используя литературу[1], найдем уравнения А-параметров для симметричного П-образного четырехполюсника.
,
,
,
,
- где
, 
После подстановки числовых значений известных величин и расчётов в Mathcad получаем окончательные выражения А-параметров в алгебраической форме:
![]()

![]()
Вычисляем значения А-параметров на частотах среза:
1)
: ![]()
![]()
![]()
2)
: ![]()
![]()
![]()
5. Коэффициент передачи
Зависимость коэффициента передача К от частоты имеет вид:
, где ![]()
![]()
Номинальная величина коэффициента передачи ФВЧ при
равна 1. Таким образом нормированное значение К совпадает с абсолютным.
Построим АЧХ коэффициента передачи на интервале ![]()

Рис.3 АЧХ коэффициента передачи
Таблица АЧХ коэффициента передачи К:
| 3770 | 6851 | 9933 | 13000 | 16100 | 19200 | 22300 | 25300 | 28400 | 31500 | 34600 |
|K| | 0.04789 | 0.1712 | 0.4064 | 0.7925 | 1.255 | 1.491 | 1.476 | 1.396 | 1.317 | 1.256 | 1.210 |
Построим ФЧХ коэффициента передачи на интервале ![]()

Рис.4 ФЧХ коэффициента передачи
Таблица ФХЧ коэффициента передачи К:
| 3770 | 6851 | 9933 | 13000 | 16100 | 19200 | 22300 | 25300 | 28400 | 31500 | 34600 |
| 2.970 | 2.814 | 2.597 | 2.269 | 1.799 | 1.313 | 0.9651 | 0.7527 | 0.6112 | 0.5153 | 0.4464 |
6. Граничные частоты.
Для нахождения граничных частот на заданном уровне затухания (3 и 40 дБ) воспользуемся формулой:
;
Решая данное уравнение с помощью Mathcad и подставляя значения В1 = 3 дБ и В2 = 40 дБ методом получим:
![]()
![]()
![]()
![]()
7. Входное и выходное сопротивления фильтра
Входное сопротивление четырехполюсника есть отношение входного напряжения к входному току, или
![]()
Следовательно, АЧХ входного сопротивления имеет вид:

Рис.5 АЧХ входного сопротивления.
Таблица АЧХ входного сопротивления:
| 3770 | 6851 | 9933 | 13000 | 16100 | 19200 | 22300 | 25300 | 28400 | 31500 | 34600 |
| 1434 | 3015 | 6278 | 12130 | 5546 | 3937 | 3815 | 4057 | 4399 | 4752 | 5091 |
ФЧХ входного сопротивления имеет вид:
Рис.6 ФЧХ входного сопротивления
| 3770 | 6851 | 9933 | 13000 | 16100 | 19200 | 22300 | 25300 | 28400 | 31500 | 34600 |
| 1.560 | 1.547 | 1.431 | 0.4552 | 0.0753 | 0.1499 | 0.3632 | 0.4831 | 0.5476 | 0.5780 | 0.5891 |
Таблица ФЧХ входного сопротивления:
Вследствие того, что данный в условии четырехполюсник (ФВЧ) симметричный функция выходного сопротивления будет следующей:
![]()
- где
.
Следовательно АЧХ выходного сопротивления имеет вид:

Рис.7 АЧХ выходного сопротивления.
Таблица АЧХ выходного сопротивления:
| 3770 | 6851 | 9933 | 13000 | 16100 | 19200 | 22300 | 25300 | 28400 | 31500 | 34600 |
| 1431 | 2930 | 5305 | 10450 | 33780 | 29980 | 12650 | 8330 | 6279 | 5100 | 4328 |
ФЧХ выходного сопротивления будет иметь следующею зависимость от частоты:

Рис.8 ФЧХ выходного сопротивления.
Таблица ФЧХ выходного сопротивления:
| 3770 | 6851 | 9933 | 13000 | 16100 | 19200 | 22300 | 25300 | 28400 | 31500 | 34600 |
| 1.559 | 1.553 | 1.553 | 1.471 | 1.119 | -1.029 | -1.285 | -1.335 | -1.351 | -1.355 | -1.352 |
8.Расчет формы входного и выходного напряжений.
Для расчета входного напряжения надо найти его спектр на входном сопротивлении схемы :

- спектр входной эдс (первые 3 гармоники)

Рис.8Спеткр входной ЭДС.
, где
.
Выполнив расчёты в Mathcad получим спектр выходного напряжения:
![]()
- где
![]()
Построим график формы входного напряжения:

Рис.9 Форма входного Напряжения
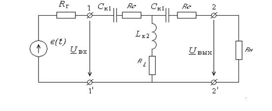
Для поиска формы напряжения на выходе схемы нужно найти его спектр на сопротивлении нагрузки. А чтобы получить этот спектр, надо найти коэффициент передачи схемы от точек подключения идеальной ЭДС до точек присоединения нагрузки Zн:
![]()
Для получения
надо найти параметры
сложного четырехполюсника, образованного каскадным соединением Rг и ФВЧ.


Находим коэффициент передачи
:
![]()
- где ![]()
Таким образом, зная спектр входной ЭДС (f(t)) и представляя коэффициент передачи KE в комплексной форме, можно найти спектр напряжения на выходе:
![]()

Рис.10 Форма выходного напряжения
9. Изменение параметров схемы
В данном варианте требуется рассмотреть изменение характеристик схемы при изменении величины сопротивления нагрузки. ![]()
Согласно примечанию к таблице приложения 1величины элементов фильтра и его характеристическое сопротивление останутся прежними. Из выше приведенных формул следует, что изменятся коэффициент передачи, входное напряжение, формы входного и выходного напряжений, поэтому эти характеристики следует рассчитать повторно.
9.1. Коэффициент передачи
Зависимость коэффициента передача К от частоты имеет вид:
, где ![]()
![]()
Номинальная величина коэффициента передачи ФВЧ при
равна 1. Таким образом нормированное значение К совпадает с абсолютным.
Построим АЧХ коэффициента передачи на интервале ![]()
Рис.11 АЧХ коэффициента передачи
Таблица АЧХ коэффициента передачи К:
| 3770 | 6851 | 9933 | 13000 | 16100 | 19200 | 22300 | 25300 | 28400 | 31500 | 34600 |
|K| | 0.0436 | 0.1284 | 0.2317 | 0.3349 | 0.4302 | 0.5129 | 0.5830 | 0.6398 | 0.6888 | 0.7296 | 0.7636 |
Построим ФЧХ коэффициента передачи на интервале ![]()

Рис.12 ФЧХ коэффициента передачи
Таблица ФЧХ коэффициента передачи К:
| 3770 | 6851 | 9933 | 13000 | 16100 | 19200 | 22300 | 25300 | 28400 | 31500 | 34600 |
| 2.683 | 2.357 | 2.077 | 1.843 | 1.645 | 1.480 | 1.341 | 1.226 | 1.125 | 1.038 | 0.9619 |
9.2. Граничные частоты.
Для нахождения граничных частот на заданном уровне пропускания (3 и 40 дБ) воспользуемся формулой:
;
Решая данное уравнение с помощью Mathcad и подставляя значения В1 = 3 дБ и В2 = 40 дБ методом получим:
![]()
![]()
![]()
![]()
9.3. Входное сопротивление фильтра
Входное сопротивление четырехполюсника есть отношение входного напряжения
к входному току, или
![]()
Следовательно, АЧХ входного сопротивления имеет вид:

Рис.13 АЧХ входного сопротивления.
Таблица АЧХ входного сопротивления:
| 3770 | 6851 | 9933 | 13000 | 16100 | 19200 | 22300 | 25300 | 28400 | 31500 | 34600 |
|Zвх| | 1434 | 2975 | 5555 | 10610 | 14620 | 10780 | 7925 | 6447 | 5548 | 4974 | 4581 |
ФЧХ входного сопротивления имеет вид:

Рис.14 ФЧХ входного сопротивления.
Таблица ФЧХ входного сопротивления:
| 3770 | 6851 | 9933 | 13000 | 16100 | 19200 | 22300 | 25300 | 28400 | 31500 | 34600 |
Arg(|Zвх|) | 1.559 | 1.541 | 1.452 | 1.127 | 0.333 | 0.2221 | 0.4038 | 0.4583 | 0.4699 | 0.4630 | 0.4482 |
9.4.Расчет формы входного и выходного напряжений.
Для расчета входного напряжения надо найти его спектр на входном сопротивлении схемы :

- спектр входной эдс (первые 2 гармоники)
, где
.
Выполнив расчёты в Mathcad получим спектр выходного напряжения:
![]()
- где
![]()
Построим график формы входного напряжения:

Рис.15. Форма входного сигнала
Для поиска формы напряжения на выходе схемы нужно найти его спектр на сопротивлении нагрузки. А чтобы получить этот спектр, надо найти коэффициент передачи схемы от точек подключения идеальной ЭДС до точек присоединения нагрузки Zн:
![]()
Для получения
надо найти параметры
сложного четырехполюсника, образованного каскадным соединением Rг и ФВЧ.


Находим коэффициент передачи
:
![]()
- где ![]()
Таким образом, зная спектр входной ЭДС (f(t)) и представляя коэффициент передачи KE в комплексной форме, можно найти спектр напряжения на выходе:
![]()

Заключение.
Таким образом в данной курсовой работе с помощью интегрированной среды Mathcad был выполнен расчёт: А-параметров фильтра как четырёхполюсника, номинальных величин элементов схемы, коэффициента передачи четырёхполюсника по напряжению, входного и выходного сопротивлений фильтра, входного и выходного напряжений П-образного фильтра высоких частот после подключения его к ЭДС в виде последовательных импульсов.
Из расчётов и графиков видно что при
:
1. АЧХ коэффициента передачи в интервале
возрастает от 0 до 0.711, далее с ростом частоты АЧХ принимает значение
. АЧХ коэффициента передачи показывает, что в реальных условиях работы фильтра при постоянном сопротивлении нагрузки наблюдается подавление сигналов и в полосе пропускания , а их подавление в полосе задерживания меньше, чем было бы при согласованной нагрузке(
).
2. АЧХ входного сопротивления в интервале
возрастает от 1528 Ом до 14680 Ом, далее с ростом частоты АЧХ входного сопротивления уменьшается до 4680 Ом.
3. АЧХ выходного сопротивления в интервале
возрастает от 0,0014 Ом до 68900 Ом, далее с ростом частоты АЧХ выходного сопротивления уменьшается до 460 Ом.
4. Форма входного и выходного сигнала различаются. Различие имеет место из-за затухания гармоник которые имеют частоты совпадающие с полосой задерживания.
При изменении сопротивления нагрузки
:
1. Форма АЧХ и ФЧХ коэффициента передачи не изменяются, только лишь изменяются их численные значения.
2. С формой и численными значениями АЧХ входного сопротивления повторяется та же ситуация, как и с АЧХ коэффициента передачи.
11. Список литературы.
1 Основы теории цепей: Учебник для вузов ⁄ Г.В. Зевеке, П.А. Ионкин, А.В. Нетушил, С.В. Страхов. тАУ 5-е изд., перераб. тАУ М.: Энергоатомиздат, 1989. тАУ 528 с.: ил.
2 Атабеков Г. И. Теоретические основы электротехники. ч. 1. Линейные электрические цепи. тАУ изд. 3-е, перераб. и доп. тАУ М.-Л., Энергия, 1966. тАУ 320 с.: ил.
3 Гоноровский И.С. Радиотехнические цепи и сигналы: Учебник для радиотехнич. вузов и фак-тов. тАУ М.: Сов. радио, 1963. тАУ 696 с.: ил.
4 Кудрявцев Е.М. Mathcad 8. М.: ДМК, 2000. тАУ 320 с.: ил.
5 ГОСТ 2.004-88 ЕСКД. Общие требования к выполнению конструкторских и технологических документов на печатающих и графических устройствах вывода ЭВМ
6 ГОСТ 2.104-68 ЕСКД. Основные надписи
7 ГОСТ 2.105-95 ЕСКД. Общие требования к текстовым документам
Министерство образования и науки Российской Федерации
ГОУ ВПО Тульский государственный университет
КАФЕДРА РАДИОЭЛЕКТРОНИКИ
основы теории цепей
ЗАДАНИЕ НА КУРСОВУЮ РАБОТУ
Студенту гр. 220321 _Авдееву Д.Д__
1. Тема " Прохождение периодического сигнала через реактивный фильтр с потерями"
2. Срок представления курсовой работы к защите 20 мая 2004 г.
3. Исходные данные для проектирования:
3.1. Найдите свой вариант задания на КР, номер которого должен совпадать с двумя последними цифрами номера вашей зачётной книжки.
3.2. Получите формулы для расчёта: 1) А-параметров фильтра как четырёхполюсника, 2) коэффициента передачи четырёхполюсника по напряжению, 3) входного и выходного сопротивлений фильтра, 4) входного и выходного напряжений.
3.3. Рассчитайте, используя интегрированную среду для решения математических задач Mathcad или MATLAB: 1) ширину спектра сигнала, 2) номинальные величины элементов схемы, 3) номинальную величину коэффициента передачи чеВнтырёхВнполюсника, 4) фазочастотную характеристику (ФЧХ) и нормированную относительно номинальной величины коэффициента передачи АЧХ фильтра, 5) граничные частоты полосы пропускания на уровнях затухания 3 и 40 дБ, 6) зависимости модуля (АЧХ) и фазы (ФЧХ) входного сопротивления фильтра от частоты, 7) зависимости модуля (АЧХ) и фазы (ФЧХ) выходного сопротивления фильтра от частоты, 8) форму входного напряжения, 9) форму выходного напряжения фильтра, 10) изменив параметры схемы согласно данным таблицы "б) параметры эдс", повторите вычисления по тем из пунктов 2 ÷ 9, которых коснулись эти изменения, 11) сделайте выводы о влиянии изменившихся параметров на характеристики фильтра.
Результаты расчёта по пунктам 4, 6, 7, 8 и 9 выведите как в графической, так и в табличной формах.
4. Форма отчётности: 1) пояснительная записка, 2) графическая часть.
5. Содержание пояснительной записки к курсовой работе: титульный лист тАУ 1 стр., задание на курсовую работу тАУ 1 стр., аннотация (с основной надписью по форме 2 ) тАУ 1 стр., содержание (с основной надписью по форме 2а ) тАУ 1 стр., введение (с основной надписью по форме 2а ) тАУ 1÷2 стр., анализ задания, обзор литературных источников тАУ 2÷4 стр., разработка математических вопросов задания тАУ 15÷20 стр., заключение тАУ 1÷2 стр., список использованной литературы тАУ 1 стр.
6. Графическая часть: схема принципиальная электрическая, графики входной и выходной функций, АЧХ тАУ 1 лист формата А1.
Руководитель курсовой работы Л.А. Туманова
Задание принял к исполнению.
Студент гр. 2203321 __________________ ( )
(Подпись, дата)
Вместе с этим смотрят:
IP-телефония. Особенности цифровой офисной связи