Аналого-цифровое преобразование с промежуточным буфером при высокой скорости поступления данных
Кроме чисто ВлцифровогоВ» сопряжения (ключи, лампы и т. п.), часто требуется преобразовать аналоговый сигнал в число, пропорциональное амплитуде сигнала и наоборот. Это играет важную роль в тех случаях, когда компьютер или процессор регистрируют или контролируют ход эксперимента или технологического процесса, или всякий раз, когда цифровая техника используется для выполнения традиционно аналоговой работы. Аналого-цифровое преобразование следует использовать в областях, где для обеспечения помехоустойчивой и шумозащищенной передачи аналоговая информация преобразуется в промежуточную цифровую форму (например, Влцифровая звукотехникаВ» или импульсно-кодовая модуляция). Это требуется в самых разнообразных измерительных средствах (включая обычные настольные приборы типа цифровых универсальных измерительных прибором и более экзотические приборы, такие, как усреднители переходных процессов, Влловушки для выбросовВ» и осцилВнлографы с цифровой памятью), а также в устройствах генерации и обработки сигналов, таких, как цифровые синтезаторы колебаний и устройства шифрования данных.
И, наконец, техника преобразования является существенной составляющей способов формирования аналоговых изображений с помощью цифровых средств, например, показаний измерительных приборов или двух координатных изображений, создаваемых компьютером. Даже в относительно простой электронной аппаратуре существует масса возможностей для применения аналого-цифрового и цифро-аналогового преобразования.
1.Структурная схема
Структурная схема преобразователя аналогового сигнала в последовательный код содержит следующие элементы:
ОУ тАУ схема включения согласующего операционного усилителя
АЦП тАУ аналого-цифровой преобразователь (преобразователь аналогового сигнала в параллельный восьмиразрядный код)
ПК тАУ преобразователь параллельного восьмиразрядного кода в последовательный (буфер)
ГТИ тАУ задающий генератор тактовых импульсов
УУ тАУ устройство управления преобразователем

Рис.1. Структурная схема преобразователя
где
АС тАУ аналоговый сигнал (напряжение Uвх)
САС тАУ согласованный аналоговый сигнал
ПВК тАУ параллельный восьмиразрядный код
ЦК тАУ цифровой код (последовательный код)
ИС тАУ импульсы синхронизации (тактовые импульсы)
ИУ тАУ импульсы управления
BF - Буфер
2.Принципиальная схема
2.1 Выбор и обоснование принципиальной схемы
В настоящее время, при разработке проектов радиоэлектронных устройств, приоритетными являются разработки, предусматривающие интегральное исполнение. Исходя из этого, предлагается схема аналого-цифрового преобразователя, обладающая в интегральном исполнении (т.е. выполненная в одном кристалле) более высокими параметрами, чем при изготовлении на дискретных элементах. Перечень элементов представлен в приложении.
Генераторы тактовых импульсов строятся на микросхеме Кр531ГГ1.
Схема сопряжения содержит операционный усилитель типа К544УД2.
В качестве АЦП возьмем микросхему К1108ПВ1А.
Преобразователь параллельного цифрового кода в последовательный построим на микросхеме Hitachi MBF1250.
Однонаправленный шинный усилитель построим на микросхеме К155ЛП4.
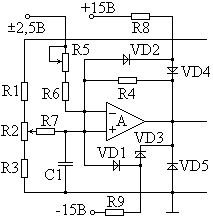
2.2 Схема включения согласующего операционного усилителя К544УД2
Мы используем схему подключения согласующего операционного усилителя для преобразования двухполярного входного напряжения. В ней используется инвертирующий режим усиления (по отношению к Uвх) и диодная схем защиты АЦП при перегрузках. Напряжение на входе АЦП связано с входным сигналом следующим соотношением
UIRN = - K×Uвх + (1 + K)×UREF1
где K = R4/(R5 + R6) тАУ коэффициент передачи усилителя
UREF1 тАУ опорное напряжение на не инвертирующем входе ОУ
(задается делителем R1-R3)
В нашем случае для диапазона преобразования Uвх = В±2,5В выбираются К = 0,58 и опорный уровень UREF1 = 0,905 В (при UREF = 2,5 В). Настройка коэффициента передачи осуществляется сопротивлением резистора R5, после чего резистором R2 устанавливается нуль на середину передаточной характеристики АЦП.
При Uвх =2,5В на АЦП появляется выходной код 00.00, а при Uвх=-2,5В тАУ код 11.11.
Таким образом, на выходе преобразователя получаем обратный смещенный двоичный код.
Схема защиты входа АЦП от перегрузок работает следующим образом. Диоды VD1 и VD2, включенные параллельно резистору обратной связи R4, образуют двухсторонний ограничитель. Диод VD4 и стабилитрон VD3, смещенные постоянным током от источников 15 и тАУ15В, задают уровни ограничения в отрицательной и положительной областях (относительно UREF1).
Диод VD5 обеспечивает защиту входа АЦП в случае отключения источников питания ОУ или выхода его из строя.
Данная схема включения согласующего ОУ универсальна и позволяет использовать АЦП К1108ПВ1А в режиме максимального быстродействия. При работе БИС АЦП с быстродействующим ОУ типа К544УД2, тщательном монтаже и оптимальной схеме коррекции ОУ время установления процессов в согласующей схеме на уровне 0,1% не превышает 1 мкс.

Рис.2. Схема включения согласующего ОУ
В данной схеме используются следующие элементы:
VD1, VD2, VD4, VD5 тАУ диоды типа КД520А
VD3 тАУ стабилитрон типа КС133А
А тАУ операционный усилитель типа К574УД1
Операционный усилитель типа К574УД1 имеет следующие характеристики
Ucc = В±15 В; Uвых ³ 10 мВ; Iвх £ 0,5 нА; Iпотр £ 10 мА
Потребляемая мощность составляет
Pпотр = 150 мВт
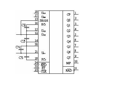
2.3 Аналого-цифровой преобразователь (АЦП)
Мы используем микросхему быстродействующего функционально законченного АЦП последовательного приближения К1108ПВ1А предназначенную для преобразования аналогового сигнала в двоичный параллельный цифровой код.
Микросхема расчитана на преобразование однополярного входного напряжения в диапазоне от 0 до 3 В, при максимальной частоте преобразования 1,33 МГц для восьмиразрядного режима.
Для работы АЦП К1108ПВ1А требуется несколько внешних керамических конденсаторов и источники напряжения Ucc1 = 5 В В± 5% и Ucc2 = -5,2 ВВ±5%. Мощность потребляемая от источников питания, не превышает 0,85 Вт. Конденсатор С5 необходим для частотной коррекции ОУ и фильтрации помех.
Для работы в восьмиразрядном режиме вход SE10/8 соединяется с шиной отрицательного источника питания Ucc2 .
Цикл преобразования в режиме восьмиразрядного АЦП состоит из 10 тактов (восемь рабочих в процессе кодирования и по одному служебному в начале и конце цикла преобразования).
Цикл начинается с первым отрицательным фронтом тактового импульса после поступления команды ST. Во время первого служебного такта осуществляется сброс регистров и установление напряжения на входе селектора опорных уровней.
В течение следующих восьми тактов происходит кодирование аналогового сигнала при условии, что он зафиксирован на входе АЦП.
На десятом такте код из регистра хранения переписывается в выходной регистр, после чего формируется сигнал готовности данных. Появление на выходе RAD сигнала логический 0 свидетельствует о смене информации в выходном регистре и ее хранении весь следующий цикл преобразования.
Для считывания информации необходимо подать на вход ERD сигнал логический 0.
Запуск АЦП считается устойчивым, если сигнал ST подается в течение одного периода тактовой частоты с момента начала очередного цикла (t = 1мкс).
К ТТЛ ЦИС микросхема К1108ПВ1А подключается без дополнительных устройств сопряжения.

Рис.3. ИС К1108ПВ1А
Назначение выводов ИС
1. Цифровой выход CP
2. Цифровой выход
3. Цифровой выход
4. Цифровой выход
5. Цифровой выход
6. Цифровой выход
7. Цифровой выход
8. Цифровой выход
9. Цифровой выход
10. Цифровой выход MP
11. Готовность данных RAD
12. Напряжение питания Ucc2
13. Укороченный цикл SE10/8
14. Общий (цифровая земля)
15. Напряжение питания Ucc2
16. Коррекция СУ EC1
17. Аналоговый вход UIRN
18. Внешний ИОН UREF
19. Коррекция ОУ ИОН FC2
20. Общий (аналоговая земля)
21. Напряжение питания Ucc1
22. Запуск ST
23. Тактовый вход CLK
24. Разрешение считывания ERD
Микросхема К1108ПВ1А имеет следующие характеристики
( Ucc1 = 5,25 В; Ucc1 = -5,25 В; U1вых ³ 2,4 В; U0вых £ 0,4 В; Iпотр сс1 £ 50 мА;
Iпотр сс2 £ 130 мА; I0вх £ 2,5 мА; I1вх £ 0,4 мА; I0вых ³ 3,2 мА; I1вых ³ 0,1 мА; tздр £ 60 нс )
Потребляемая мощность микросхемы К1108ПВ1А равна:
Pпотр £ 850 мВт
2.4 Буфер FIFO
Преобразователь параллельного цифрового кода в последовательный код построен на базе микросхемы Hitachi MBF1250. Микросхема Hitachi MBF1250 тАУ это буфер типа FIFO(First Input First Output) с размером матрицы 128Кx8 и, по сути дела представляет собой последовательно соединённые параллельные восьмиразрядные регистры сдвига. Микросхема работает в двух режимах: когда на входе управления появляется сигнал высокого уровня, он запускает первый генератор, систему управления АЦП, при этом происходит запись восьмиразрядных кодов из АЦП в буфер; во втором режиме, когда сигнал управления сообщает об отсутствии информации на входе АЦП, происходит остановка работы первого генератора и самого АЦП, при этом запускается второй генератор, синхронизирующий работу буфера, производящего выгрузку данных. Назначение выводов:

Рис.4. Буфер Hitachi MBF1250
1. Питание Ucc
2. Общий GND
3. Запись ВоWR Вход D4
4. Тактовый вход C Вход D5
5. Вход D6
6. Вход D7
7. Разрешение на чтение
8. Прямой выход Q7
9. Вход D0
10. Вход D1
11. Вход D2
12. Вход D3
13. Вход D4
14. Вход D5
15. Вход D6
16. Вход D7
19. Задержка такта DE
20. Последовательный вход DВо
2.5 Генераторы тактовых импульсов

Рис.5. ГТИ
ГТИ мы построили на базе ИС КР531ГГ1, которая представляет собой два независимых генератора. Если на вход U подать высокий уровень, а на DU низкий, то для фиксации частоты потребуется подсоединить между входами Свн внешний элемент-конденсатор. На выходах мультивибраторов получается меандр с частотой:
F0=0,0005/Cвн
Если на вход EI подать напряжение высокого уровня, то это запретит работу генератора. Один генератор мы будем использовать для работы АЦП и загрузке буфера, а другой при разгрузке буфера. Причём G1 работает с частотой 1МГц→Свн1=0,0005/1МГц=500пФ, а G2 работает с частотой 200кГц→Свн2=0,0005/200кГц=2500пФ.
2.6 Счетчик импульсов
Используем микросхему К555ИЕ9 (DD7) четырехразрядный двоично-десятичный счетчик с асинхронным сбросом, дешифрующим счетным выходом, с возможностью асинхронной установки в произвольное состояние от нуля до девяти.
Данный счетчик является составной частью системы управления АЦП и преобразователя параллельного кода в последовательный. Его задача состоит в счете от 0 до 9, преобразование последовательности тактовых импульсов в параллельный четырехразрядный код, для последующего преобразования его ТТЛ логикой в сигналы управления.
Тактовые импульсы подаются с генератора на вход С. Он работает по переднему фронту входного импульса (0Во1). Так как счетчик работает постоянно, то нас не интересует какое значение установится при его запуске, т.е. предварительный сброс счетчика в ноль не требуется, поэтому на вход R подадим потенциал высокого уровня.
Предварительная запись значения в счетчик по входам D1, D2, D3, D4 нас не интересует поэтому необходимо эти выводы микросхемы заземлить. Так как нет предварительной записи, то не требуется и вход разрешающий предварительную запись V2. На этот вывод подадим потенциал высокого уровня.
Вывод P2 выдает высокий уровень напряжения через каждые десять тактов, когда значение в счетчике равно девяти (Q1 = Q4 = 1 ; Q2 = Q3 = 0). В нашей схеме мы его не используем.
Вывод P1 используется для разрешения переноса импульса в следующий каскад (если соединяются несколько счетчиков последовательно). У нас только один счетчик поэтому на вывод P1 должно постоянно подаваться напряжение высокого уровня. На вход разрешения счета V1, в зависимости от режима работы АЦП, подаётся напряжение с сигнала управления. Высокий уровень разрешает работу счетчика, низкий блокирует. Выход R также подсоединяем к СУ. Низкий уровень обнулирует счетчик.
Выводы P1, V2 тАУ подаем высокий уровень напряжения
Выводы D1, D2, D3, D4 тАУ заземляем
Назначение выводов ИС К555ИЕ9
1. Вход тАЬустановка LтАЭ R
2. Вход синхронизации С
3. Вход информационный D1
4. Вход информационный D2
5. Вход информационный D3
6. Вход информационный D4
7. Вход разрешения счета V1
8. Общий GND
9. Вход разрешения предварительной записи V2
10. Вход разрешения переноса P1
11. Выход четвертого разряда Q4
12. Выход третьего разряда Q3
13. Выход второго разряда Q2
14. Выход первого разряда Q1
15. Выход переноса
16. Питание Ucc

Рис.6. ИС К555ИЕ9
Микросхема К555ИЕ9 имеет следующие характеристики
( Ucc = 5,25 В; U1вых ³ 2,7 В; U0вых £ 0,5 В; Iпотр £ 31 мА; I0вх ³ -0,4 мА; I1вх £ 0,02 мА;
I0вых ³ 8 мА; I1вых £ -0,4 мА; tздр £ 39 нс )
Потребляемая мощность микросхемы К555ИЕ9 равна:
Pпотр = 162,75 мВт
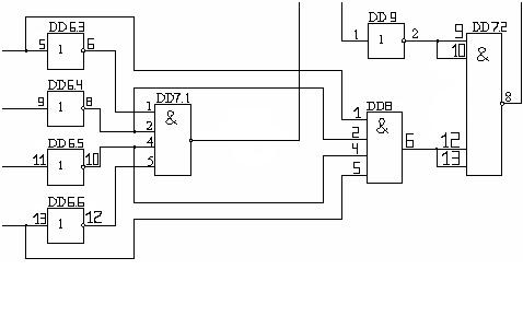
2.7 Устройство управления на логических элементах
Четырехразрядный код с двоично-десятичного счетчика подается на логические элементы. Если код равен нулю, то срабатывает первый элемент тАЬИтАЭ (DD3.1) и импульс подается на АЦП, на вход запуска ST. Так как с элемента тАЬИтАЭ (DD3.1) импульс идет не инвертированный, то перед ST необходимо поставить инвертор тАУ логический элемент тАЬНЕтАЭ (DD2.5).
Если на выходе счетчика появляется код равный девяти, то срабатывает второй элемент тАЬИтАЭ (DD3.2). Подаем импульс с выхода тАЬИтАЭ (DD3.2) сразу на пять входов элемента тАЬИ-НЕтАЭ (DD4). Это совпадает с выходом на выводе RAD АЦП логического нуля. Инвертируем этот импульс элементом тАЬНЕтАЭ (DD2.6) и подаем на три оставшихся входа элемента тАЬИ-НЕтАЭ (DD4). Инвертированный импульс подается сразу на два вывода, на вывод ERD считывания данных с АЦП и вывод записи ВоWR регистра.

Рис.7. Устройство управления на логических элементах
Устройство управления на логических элементах содержит следующие микросхемы
К555ЛН1, К555ЛИ6, К555ЛА1
Назначение выводов ИС К555ЛН1
1. Вход данных
2. Выход данных
3. Вход данных
4. Выход данных
5. Вход данных
6. Выход данных
7. Общий GND
8. Выход данных
9. Вход данных
10. Выход данных
11. Вход данных
12. Выход данных
13. Вход данных
14. Питание Ucc

Рис.8. ИС К555ЛН1
Микросхема К555ЛН1 (инвертор) имеет следующие характеристики
( Ucc = 5,25 В; U1вых ³ 2,7 В; U0вых £ 0,5 В; Iпотр £ 2,4 мА; I0вх ³ -0,36 мА; I1вх £ 0,02 мА;
I0вых ³ 8 мА; I1вых £ -0,4 мА; tздр £ 28 нс )
Потребляемая мощность для одного логического элемента тАЬНЕтАЭ равна:
Pпотр = 12,6 мВт
Суммарная потребляемая мощность микросхемы К555ЛН1 равна:
Pпотр сум = 75,6 мВт

Рис.9. ИС К555ЛИ6
Назначение выводов ИС К555ЛИ6
1. Вход данных
2. Вход данных
3. Выход данных
4. Вход данных
5. Вход данных
6. Не используется
7. Общий GND
8. Выход данных
9. Вход данных
10. Вход данных
11. Не используется
12. Вход данных
13. Вход данных
14. Питание Ucc
Микросхема К555ЛИ6 имеет следующие характеристики
( Ucc = 5,25 В; U1вых ³ 2,7 В; U0вых £ 0,5 В; Iпотр £ 2,4 мА; I0вх ³ -0,36 мА; I1вх £ 0,02 мА;
I0вых ³ 8 мА; I1вых £ -0,4 мА; tздр £ 24 нс )
Потребляемая мощность для одного логического элемента тАЬИтАЭ равна:
Pпотр = 12,6 мВт
Суммарная потребляемая мощность микросхемы К555ЛИ6 равна:
Pпотр сум = 25,2 мВт

Рис.10. ИС К555ЛА1
Назначение выводов ИС К555ЛА1
1. Вход данных
2. Вход данных
3. Вход данных
4. Вход данных
5. Вход данных
6. Вход данных
7. Общий GND
8. Выход данных
9. Не используется
10. Не используется
11. Вход данных
12. Вход данных
13. Не используется
14. Питание Ucc
Микросхема К555ЛА1 имеет следующие характеристики
( Ucc = 5,25 В; U1вых ³ 2,7 В; U0вых £ 0,5 В; Iпотр £ 0,5 мА; I0вх ³ -0,4 мА; I1вх £ 0,02 мА;
I0вых ³ 8 мА; I1вых £ -0,4 мА; tздр £ 28 нс )
Потребляемая мощность микросхемы К555ЛА1 равна:
Pпотр = 2,625 мВт
Общая потребляемая мощность устройства управления на логических элементах равна:
Pпотр рез = 103,425 мВт
2.8 Буферный усилитель
Буферный усилитель построен на базе ИС К155ЛП4 и предназначен для усиления выходного последовательного кода с буфера.

Рис.11. ИС К155ЛП4.
3. Конструктивное исполнение системы
Все микросхемы и элементы системы преобразования и управления монтируются на стандартной печатной плате. В качестве материала для печатной платы используется фольгированный текстолит либо гетинакс.
Питание в виде +5,25 В, -5,25 В, +15 В, -15 В подаётся по разъёму XS1 ко всем микросхемам через конденсаторные фильтры для предохранения элементов от сгорания вследствие перепадов напряжения.
Микросхемы располагаются по координатной сетке с шагом, соответствующим шагу между выводами микросхем.
Для предотвращения окисления контактов, печатная плата покрывается нитролаком либо канифольным лаком.
4. Заключение
В результате проделанной работы мы получили высокоскоростной преобразователь аналогового сигнала в цифровой код. Были разработаны структурная и принципиальная схемы преобразователя, а так же системы управления преобразователя. Принципиальная схема содержит 10 микросхем, 1 операционный усилитель, 5 диодов, 9 резисторов, 7 конденсаторов. Все элементы являются хорошо распространенными и доступными для использования.
5. Библиографический список литературы
1. Федорков Б.Г., Телец В.А. Микросхемы ЦАП и АЦП: функционирование, параметры, применение.-М.; Энергоатомиздат, 1990.
2. Ерофеев Ю.Н. Импульсные устройства.-М.; Высшая школа, 1989.
3. Шило В.Л. Популярные цифровые микросхемы.-М.; Радио и связь, 1987.
4. Мальцев П.П., Долидзе Н.С., Критенко М.И. Цифровые интегральные микросхемы: Справочник.-М.; Радио и связь, 1994.
5. Аванесян Г.Р., Левшин В.П. Интегральные микросхемы ТТЛ, ТТЛШ: Справочник.-М.; Машиностроение, 1993.
6. Гусев В.Г., Гусев Ю.М. Электроника.-М.; Высшая школа, 1991.
7. Интегральные микросхемы: Справочник / Б.В.Тарабрин, Л.Ф.Лунин, Ю.Н. Смирнов и др.; Под ред. Б.В.Тарабрина.-М. Радио и связь, 1984.
8. Справочник по полупроводниковым диодам, транзисторам и интегральным схемам / Под ред. Н.Н.Горюнова.-М.; Энергия, 1977.
Вместе с этим смотрят:
IP-телефония. Особенности цифровой офисной связи