Биотелеметрические сигналы и их калибровка
1. Теоретическая часть
Биотелеметрические сигналы (биоэлектрические сигналы электрокардиограмм, псевмограмм и др.) после прохождения по электрическому тракту или радиоканалу могут иметь разную амплитуду, что не позволяет судить об их абсолютной амплитуде. Поэтом для получения количественных сведений об уровне сигналов необходимо производить их калибровку.
Калибровка сигнала может быть осуществлена синхронно, асинхронно с сигналом и при необходимости в ждущем режиме.
В качестве калибратора биотелеметрических сигналов обычно применяют мультивибраторы. Мультивибратор может быть как симметричным, так и несимметричным. У симметричного мультивибратора коллекторные сопротивления в обоих плечах одинаковы, одинаковы базовые сопротивления и ёмкости.
Известно много вариантов мультивибратор на электронных лампах, транзисторах, тиристорах и интегральных схемах. Наиболее широко применяются мультивибраторы, построенные на транзисторах
Мультивибраторы на биполярных транзисторах наиболее часто выполняют по симметричной схеме с коллекторно-базовыми связями (рис. 1а). Как и для триггера, симметричность означает идентичность симметрично расположенных элементов, т. е. RK1=RK2, RБ1=RБ2, СБ1=СБ2, параметры транзисторов одинаковы. Как видно из рисунка, мультивибратор состоит из двух усилительных каскадов с ОЭ, выходное напряжение каждого из которых подается на вход другого. В схеме мультивибратора использованы транзисторы р-п-р-типа.
При подсоединении схемы к источнику питания Ек оба транзистора пропускают коллекторные точки, поскольку на базы через резисторы RБ1 и RБ2 подается отрицательное смещение. Однако такое состояние схемы неустойчивое. Из-за наличия в схеме положительной обратной связи выполняется условие βКу >1 и двухкаскадный усилитель самовозбуждается. Начинается процесс регенерации тАФ быстрое увеличение тока одного транзистора и уменьшение тока другого транзистора.
Пусть в результате любого случайного изменения напряжений на базах или коллекторах несколько увеличится ток IK1 транзистора VT1. При этом увеличится падение напряжения на резисторе RK1 и коллектор транзистора VT1 получит приращение положительного потенциала. Поскольку напряжение на конденсаторе СБ1 не может мгновенно измениться, это приращение прикладывается к базе транзистора VT2, подзапирая его.

Рис. 1. Симметричный мультивибратор на биполярных транзисторах:
a тАУ схема; б тАФ временные диаграммы
Коллекторный ток IK2 при этом уменьшается, напряжение на коллекторе транзистора VT2 становится более отрицательным и, передаваясь через конденсатор СБ2 на базу транзистора VT1, еще больше открывает его, увеличивая ток IK1. Этот процесс протекает лавинообразно и заканчивается тем, что транзистор VT1 входит в режим насыщения, а транзистор VT2 тАФ в режим отсечки. Схема переходит в одно из своих временно устойчивых состояний равновесия (квазиустойчивое состояние). При этом открытое состояние транзистора VT1 обеспечивается смещением от источника питания Ек через резистор RБ1, а запертое состояние транзистора VT2 тАФ положительным напряжением на конденсаторе СБ1 (UCб1 = UБ2 > 0), который через открытый транзистор VT1 включен в промежуток база тАФ эмиттер транзистора VT2.
2. Расчетная часть
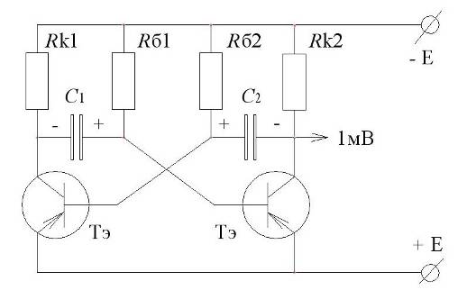
Расчет мультивибратора (рис. 2) при заданном напряжении источника питания E производится в следующем порядке.

Рис. 2. Схема мультивибратора, применяемого в качестве калибратора биотелеметрических сигналов
Для ускорения расчетов приводимая ниже последовательность расчета сопровождаются примером, а котором выбрано напряжение питания устройства E = 6 В, длительность калибровочного импульса равна tu= 0,15 с, а период повторения калибровочного импульса тАУ Т = 2 с.
1. Определим требуемую скважность Qтреб. Калибровочного импульса (скважностью называется отношение периода импульсов к их длительности):

![]()
Калибратор может обеспечить определенную максимальную скважность Qмакс, ограниченную коэффициентом усиления β используемых транзисторов:
![]()
Отсюда β >3Q, следовательно, для обеспечения Qтреб значение β должно быть:
![]()
![]()
![]()
Как видим, к коэффициенту усиления предъявлены достаточно высокие требования.
2. По справочнику выбираем тип низкочастотного транзистора с достаточно высоким коэффициентом усиления. В нашем случае выбрали низкочастотный транзистор марки МП37Б, с подходящим коэффициентом усиления. На рис. 3 представлена вольт-амперная характеристика выбранного транзистора.

Рис. 3. Вольтамперная характеристика МП37Б транзистора
3. Выбираем сопротивления резисторов в коллекторной цепи Rk1 и Rk2 (обычно Rk1 = Rk2).
Значение резистора Rk1 с одной стороны должно быть таким, чтобы сила коллекторного тока Jk, была значительно больше силы тока JkБ закрытого транзистора. С другой стороны, выбор большого тока Jk недопустимо с позиции увеличения энергозатрат источника питания и, соответственно, уменьшения продолжительности работы передающего устройства.
Выбор малых значений Jk также ограничено снижением значения рабочего коэффициента усиления транзистора, ибо
;
Многие требования к выбору силы тока могут быть выполнены при ее значении 1тАж2 мА. Тогда,

4. Выбираем параметры времязадающей цепи RC при τ1 = τu = 0,15 с. Значении постоянного времени RC цепи определяется по формуле:
![]()
4. 1. Определим значение Rб1:
Для полного открывания транзистора необходимо, чтобы:
![]()
Приняв βмин=30, получаем
![]()
Однако, поскольку значение потребляемого тока базовой цепи значительно меньше коллекторной, то правомерно Rб1 выбрать из другого условия:
![]()
4. 2. Определим значение емкости конденсатора C1.
Из приведенной ранее формулы следует, что:

4. 3. Подбираем тип конденсатора.
Конденсаторы бумажного типа требуемой емкости сравнительно громоздки и непригодны для малогабаритного передатчика. Поэтому используем электролитический конденсатор, приблизительно равный расчетному номиналу. C1= 6,8 мкФ.
5. Осуществляем расчет второй времязадающей цепи Rб2, С2.
Период повторения калибровочного импульса:
![]()
Поскольку τ2 >> τ1, то можно принять τ2 = 2 с.
5. 1. Сначала следует выбрать значение Rб2. Значение Rб2 выбираем из условия обеспечения минимального допустимого значения силы базового тока

Выбирая Jк = 1 мА, βmax = 50, получаем
![]()
![]()
Тогда,

5. 2. На основе известного выражения определяется

Выбираем значение емкости ближайшее к существующим номиналам, т.е. С2=10 мкФ.
Таким образом, согласно расчетам для обеспечения длительности и периодичности калибровочного импульса требуется детали со следующими характеристиками:
1. Транзисторы типа p-n-p с коэффициентом усиления β > 50.
2. Резисторы Rk1=Rk2=6 кОм, Rб1=60 кОм, Rб2=300 кОм.
3. Электролитические конденсаторы С1=6,8 мкФ, С2=10 мкФ.
Список литературы
1. Попов, П.А. Характеристики транзисторов, Москва тАУ 1963, стр.25
2. Опадчий, Ю.Ф. Аналоговая и цифровая электроника, Москва тАУ 2002, стр.168.
Вместе с этим смотрят:
IP-телефония. Особенности цифровой офисной связи