Испытание стержней на устойчивость
Министерство образования Российской Федерации
Государственное образовательное учреждение
высшего профессионального образования
Череповецкий Государственный Университет
Кафедра Сопротивление материалов
Лабораторная работа № 1
ВлИспытание стержней на устойчивостьВ»
Выполнил студент
группы 5 ЭН тАУ 22
Малинин М.С.
Проверил профессор
Титов В.А.
г. Череповец
2007 г
Цель работы
Определение критической силы для центрального сжатого стержня и пределов применения расчетных формул
Задачи работы
В· Определить предельную гибкость
В· Определить фактическую гибкость для двух типов закрепления концов стержня
В· Сделать вывод о выборе формулы для определения критической силы
В· Определить критическую силу для двух типов закрепления концов стержня.
Основные теоретические положения
При осевом сжатии стержней, поперечные размеры которых малы по сравнению с длиной, может произойти потеря устойчивости стержня, т.е. стержень будет искривляться в плоскости наименьшей жесткости.
Наименьшее значение нагрузки, при которой прямолинейная форма равновесия стержня становится неустойчивой, называется критической силой.
В случае, когда потеря устойчивости происходит при напряжениях, не превосходящих предела пропорциональности, критическая сила Pкр определяется по формуле Эйлера: Pкр = π2 В· E В· Уmin / (μ В· l) 2
E тАУ модуль продольной упругости материала стержня;
Уmin тАУ минимальный осевой момент инерции поперечного сечения стержня;
μ тАУ коэффициент приведения длины, который зависит от способа закрепления концов стержня;
l тАУ длина стержня.
Если потеря устойчивости происходит при напряжениях, превосходящих предел пропорциональности, критическую силу вычисляют через критические напряжения σкр, которые определяют по формуле Ясинского:
σкр = a тАУ В· λ
где a и тАУ коэффициенты, зависящие от материала стержня
(для стали a = 310 МПа, b = 1,4 МПа)
λтАУ гибкость стержня.
Практически применимость той или другой формулы для вычисления критической силы устанавливают сравнением гибкости стержня λ с предельной гибкостью для материала стержняλпред, которые определяются по формулам:
λ = μ В· l / ίmin λпред = √ π2 В· E / σпц
где σпц - предел пропорциональности материала стержня
ίmin - минимальный радиус инерции площади F поперечного сечения стержня, определяемый по формуле: ίmin= √Уmin / F
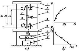
Схема установки

a) схема установки
b) график нагрузка тАУ прогиб
c) определение критической нагрузки
Состав установки
1. Верхняя траверса
2. Верхний зажим для закрепления стержня
3. Четыре стойки
4. Нижний зажим для закрепления стержня
5. Нижняя траверса
6. Индикатор
7. Динамометр
8. Силовой механизм
9. Стержень
10. Индикатор для измерения прогибов стержня
Данные о стержне приμ = 1: l = 87 см, h = 5,1 мм, b = 4,05 см
Данные о стержне приμ = 0,7: l = 84,25 см, h = 5,1 мм, b = 4,05 см
Результат измерений
| μ = 1 | ||||||||||
| Нагрузка P | мм | 0 | 42 | 85 | 130 | 172 | ||||
| Н | 0 | 200 | 400 | 600 | 800 | |||||
| Прогиб fg, мм В· 10 -2 | 92 | 111 | 145 | 191 | 354 | |||||
| μ = 0,7 | ||||||||||
| Нагрузка P | мм | 90 | 172 | 200 | 346 | 432 | ||||
| Н | 400 | 800 | 1200 | 1600 | 2000 | |||||
| Прогиб fg, мм В· 10 -2 | 9 | 21 | 50 | 99 | 338 | |||||
Вместе с этим смотрят:
Авангардизм як явище архiтектури ХХ столiття
Автоматическая автозаправочная станция на 250 заправок в сутки
Анализ деятельности строительного предприятия "Луна-Ра-строй"
Анализ проектных решений 20-ти квартирного жилого дома