Конструирование и расчет балочной клетки и колонны при проектировании рабочей площадки производственного здания
Курсовая работа
ВлКонструирование и расчет балочной клетки и колонны при проектировании рабочей площадки производственного зданияВ»
Содержание
1. Компоновка балочной клетки и выбор стали
2. Нормальный тип балочной клетки
2.1 Расчет железобетонного настила
2.2 Расчет балки настила
3. Усложненный тип балочной клетки
3.1 Расчет балки настила
3.2 Расчет вспомогательной балки
4. Выбор оптимального варианта балочной клетки
5. Расчет главной балки
5.1 Определение усилий
5.2 Компоновка сечения
5.3 Проверка прочности принятого сечения балки
5.4 Изменение сечения балки по длине
5.5 Проверка общей устойчивости балки
5.6 Проверка местной устойчивости элементов балки
5.7 Проверка жесткости главной балки
5.8 Расчет соединения пояса со стенкой
5.9 Конструирование и расчет опорной части главной балки
5.10 Проектирование монтажного стыка главной балки
6. Расчет колонн
6.1 Расчет колонны на устойчивость относительно материальной оси xтАУx
6.2 Расчет колонны на устойчивость относительно свободной оси y-y
6.3 Расчет планок
6.4 Конструирование и расчет оголовка сквозной колонны
6.5 Конструирование и расчет базы колонны
Список литературы
1. Компоновка балочной клетки и выбор стали
Исходные данные приняты по заданию.
В рабочих площадках применяют нормальный и усложненный тип балочных клеток. Нормальный тип включает главные балки и опирающиеся на них балки настила, непосредственно поддерживающие настил. В усложненном типе добавляются вспомогательные балки, укладываемые на главные, на них опираются балки настила и настил. В качестве настила используются железобетонные плиты.
Выбор класса стали производится по СНиП [1, табл. 50*], Ry выбирается по [1, табл. 51*]. Выбираю сталь С 255, с расчетным сопротивлением Ry = 240 МПа.
2. Нормальный тип балочной клетки
Настил тАУ железобетонный.
Балки настила с шагом а1 = 1,5 м.

Рис. 1. Нормальный тип балочной клетки
2.1 Расчет железобетонного настила
При использовании в качестве несущего настила железобетонных плит их толщину принимаем расчетного пролета плиты lн и полезной нормативной нагрузки pn
Расчетный пролет настила, равный шагу балок настила lн = а1 = 1,5 м.
При нормативной полезной нагрузке pn = 20 кН/м2, принимаем толщину плиты tпл = 10 см. Нормативная нагрузка от веса железобетонной плиты (при плотности железобетона
)
.
2.2 Расчет балки настила
Определяем нормативные и расчетные нагрузки.
Нормативная нагрузка на балку принимается равномерно распределенной
.
Расчетная нагрузка
![]()
где gВжg = 1,1 тАУ коэффициент надежности по нагрузке для постоянной нагрузки от железобетонных плит.

Рис. 2. Расчетная схема балки настила
Нормативный изгибающий момент
.
Расчетный изгибающий момент
.
Максимальная поперечная сила
.
Требуемый момент сопротивления поперечного сечения балки при работе с учетом упругопластических деформаций
.
По сортаменту принимаем I 50Б2, имеющий ближайший больший момент сопротивления
статический момент полусечения Sx = 970,2 см3; момент инерции сечения Ix = 42390 см4; площадь сечения А = 102,8 см2; ширина пояса bf = 200 мм; толщина пояса tf = 14 мм;
Уточняем коэффициент с1, M и Q c учетом собственного веса балки настила
Площадь пояса
![]()
Площадь стенки
![]()
Отношение
![]()
По табл. определяем коэффициент с1 = 1,11.
Равномерно распределенная нагрузка от собственного веса балки настила длиной 1 м
.
Нормативная нагрузка на балку настила с учетом собственного веса
.
Расчетная нагрузка с учетом собственного веса
.
Нормативный изгибающий момент с учетом собственного веса
.
Расчетный изгибающий момент с учетом собственного веса
.
Проверяем принятое сечение.
Проверка прочности
![]()
Проверка жесткости
![]()
где fu = l/208 = 4,33 см при пролете l = 9 м.
Принятое сечение удовлетворяет условиям прочности и жесткости.
Определяем вес балки настила на 1м2 рабочей площадки
![]()
3. Усложненный тип балочной клетки
Настил тАУ железобетонный.
Балки настила с шагом а1 = 1,5 м.
Вспомогательные балки с шагом а2 = 5 м.

Рис. 3. Усложненный тип балочной клетки
3.1 Расчет балки настила
Толщина настила при шаге а1=1,5 м принимается как в нормальном типе балочной клетки (tн = 10 мм).
Пролет балки настила
.
Нормативная и расчетная нагрузки на балку настила принимаются как в нормальном типе балочной клетки: qn = 33,75 кН/м; q = 40,125 кН/м.

Рис. 4. Расчетная схема балки настила
Нормативный изгибающий момент
.
Расчетный изгибающий момент
.
Максимальная поперечная сила
.
Требуемый момент сопротивления поперечного сечения балки при работе с учетом упругопластических деформаций
.
По сортаменту принимаем I 35Б1, имеющий ближайший больший момент сопротивления
статический момент полусечения Sx = 328,6 см3; момент инерции сечения Ix = 10060 см4; площадь сечения А = 49,53 см2; ширина пояса bf = 155 мм; толщина пояса tf = 8,5 мм;
Уточняем коэффициент с1, M и Q c учетом собственного веса балки настила
Площадь пояса
![]()
Площадь стенки
![]()
Отношение
![]()
По табл. определяем коэффициент с1 = 1,1132.
Равномерно распределенная нагрузка от собственного веса балки настила длиной 1 м
.
Нормативная нагрузка на балку настила с учетом собственного веса
.
Расчетная нагрузка с учетом собственного веса
.
Нормативный изгибающий момент с учетом собственного веса
.
Расчетный изгибающий момент с учетом собственного веса
.
Проверяем принятое сечение.
Проверка прочности
![]()
Проверка жесткости
где fu = l/183 = 2,73 см при пролете l = 5 м.
Принятое сечение удовлетворяет условиям прочности и жесткости.
Определяем вес балки настила на 1м2 рабочей площадки
![]()
3.2 Расчет вспомогательной балки
Пролет вспомогательной балки l = 9 м.
Нагрузка на вспомогательную балку передается от балок настила в виде равномерно распределенной.

Рис. 5. Расчетная схема вспомогательной балки
Нормативная нагрузка на вспомогательную балку
.
Расчетная нагрузка
.
Нормативный изгибающий момент
.
Расчетный изгибающий момент
![]()
Требуемый момент сопротивления
.
По сортаменту принимаем I 90Б1, имеющий ближайший больший момент сопротивления
статический момент полусечения Sx = 3964 см3; момент инерции сечения Ix = 304400 см4; площадь сечения А = 247,1 см2; ширина пояса bf = 300 мм; толщина пояса tf = 18,5 мм;
Равномерно распределенная нагрузка от собственного веса вспомогательной балки длиной 1 м
.
Нормативная нагрузка на балку настила с учетом собственного веса
.
Расчетная нагрузка с учетом собственного веса
.
Нормативный изгибающий момент с учетом собственного веса
.
Расчетный изгибающий момент с учетом собственного веса
.
Проверяем принятое сечение.
Проверка прочности
![]()
Проверка жесткости
где fu = l/208 = 4,33 см при пролете l =9 м.
Принятое сечение удовлетворяет условиям прочности и жесткости.
Определяем вес вспомогательной балки на 1м2 рабочей площадки
![]()
4. Выбор оптимального варианта балочной клетки
Необходимо сравнить два варианта балочных клеток. Сравнение производится по расходу материала, а также по количеству балок, определяющему трудоемкость монтажа и стоимость перевозки. К дальнейшей разработке принимается наиболее рациональный вариант.
Анализ вариантов по показателям, представленных в табл. 1.
Таблица 1. Сравнение вариантов балочной клетки (расход на 1 м2 рабочей площадки)
| Наименование элемента | Нормальный тип | Усложненный тип | ||||||
Расход железобетона, м3/м2 | Расход стали, кг/м2 | Стоимость, руб./м2 | Коли-чество балок | Расход железобетона, м3/м2 | Расход стали, кг/м2 | Стои- мость руб./м2 | Ко- ли- чест- во ба- лок | |
| Настил | 0,1 | 0,1 | ||||||
Балки настила | 53,8 | 63 | 25,9 | 126 | ||||
| Вспомогательные балки | тАУ | |||||||
| Суммарный расход стали | 53,8 | 38,8 | 21 | |||||
| Суммарный расход железобетона | 0,1 | 0,1 | ||||||
Принимаем к дальнейшей разработке нормальный тип балочной клетки:
тАУ настил железобетонный, толщиной tн = 10 см;
тАУ балки настила стальные с шагом а1 = 1,5 м.
5. Расчет главной балки
Сечение сварной балки двутавровое симметричное, составленное из трех металлопрокатных листов. Выбираю сталь С 345, с расчетным сопротивлением Ry = 300 МПа (толщина проката 20÷40 мм).
5.1 Определение усилий
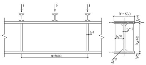
При частом расположении балок настила (шаг а1 = 1,5 м < l/5 = 15/5 = 3 м) сосредоточенную нагрузку, передаваемую на главную балку от балок настила, заменяем равномерно распределенной нагрузкой.
Расчетная схема главной балки представлена на рис.5.

Рис. 6. Расчетная схема главной балки
Нормативная нагрузка
.
Расчетная нагрузка
![]()
где b = 9 м тАУ шаг главных балок.
Расчетный изгибающий момент в середине пролета
![]()
Нормативный изгибающий момент
![]()
Расчетная поперечная сила в опорном сечении
![]()
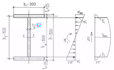
5.2Компоновка сечения

Рис. 7. Сечение главной балки
Балку рассчитываем в упругой стадии работы. Из условия прочности требуемый момент сопротивления балки
,
где Ry = 300 МПа при толщине проката более 20 мм;
Назначаем высоту сечения балки h, которая определяется максимально допустимым прогибом балки, связанным с жесткостью балки, экономическими соображениями и строительной высотой перекрытия Н, т.е. разностью отметок верха настила и верха габарита помещения под рабочей площадкой. Минимальная высота из условия жесткости

где fu = l/225 = 0,0044 при пролете l = 15 м тАУ предельный прогиб главной балки.
Высота разрезной главной балки принимается в пределах (1/10тАж1/13)l = =(1,5тАж1,15 м). Предварительно принимаем высоту балки h = 1,5 м.
Оптимальная высота балки из условия наименьшего расхода стали
![]()
здесь tw тАУ толщина стенки балки, предварительно определяемая по эмпирической зависимости tw = 7 + 3h/1000 = 7 + 3В·1500/1000 = 11,5 мм.
Принимаем tw = 12 мм.
Максимально возможная высота балки
hстр = H тАУ (tн + hбн + Δ) = (1080 тАУ800) тАУ (10 + 49,6 + 14) = 206,4 см,
где Δ= fu + (30 тАж100 мм) = 6,67 + 7,33 = 14 см тАУ размер, учитывающий предельный прогиб балки fu = 6,67 см и выступающие части, расположенные ниже нижнего пояса балки (толщина стыковых накладок, болты, элементы связей т.п.).
Требуемая площадь пояса

Ширина пояса bf = h/3 = 150/3 = 50 см.
Толщина пояса tf =
/ bf = 115,23/50 = 2,3 см.
Сравнивая полученные данные, окончательно назначаем высоту балки h = 1550 мм. Приняв толщину поясов tf = 25 мм, ширину поясов bf = 530 мм, стенку выполняем из листовой горячекатаной стали по ГОСТ 19903тАУ74 высотой hw = 1500 мм и толщиной tw = 12 мм.
![]()
Проверяем необходимость постановки продольных ребер жесткости. Условная гибкость стенки
![]()
следовательно, продольные ребра жесткости не требуются.
Проверяем местную устойчивость сжатого пояса, для чего отношение свеса пояса
= (530тАУ12)/2 = 259 мм к его толщине tf должно быть не более предельного, определяемого по СНиП [1], ![]()
Условие выполняется.
5.3 Проверка прочности принятого сечения балки
По назначенным размерам вычисляем фактические геометрические характеристики сечения:
тАУ момент инерции

тАУ момент сопротивления
![]()
тАУ площадь сечения
![]()
По найденной площади A и плотности стального проката ρ = 7850 кг/м3 определяем вес 1 пог. м балки
![]()
где k = 1,1 тАУ конструктивный коэффициент, учитывающий увеличение веса балки за счет ребер жесткости, накладок и т.п.
Уточняем расчетные значения изгибающего момента M и поперечной силы Q с учетом собственного веса главной балки, для этого определяем:
тАУ нормативную нагрузку
![]()
тАУ расчетную нагрузку
![]()
тАУ расчетный изгибающий момент
![]()
тАУ нормативный изгибающий момент
![]()
тАУ поперечную силу
![]()
Проверка прочности балки по нормальным напряжениям
![]()
Недонапряжение в балке составляет

что допустимо в составном сечении согласно СНиП [1].
Прочность балки обеспечена.
5.4 Изменение сечения балки по длине
Сечение составной балки, подобранное по максимальному изгибающему моменту в середине пролета, можно уменьшить в местах снижения моментов. Наибольший эффект дает симметричное изменение сечения на расстоянии x = l/6 от опор. Наиболее простым является изменение сечения за счет уменьшения ширины пояса (рис.7).

Рис. 8. Изменение сечения балки по длине
Стыкуем сжатый и растянутый пояса прямым сварным швом с выводом концов шва на подкладки с применением полуавтоматической сварки без использования физических способов контроля качества швов. Расчетное сопротивление таких сварных соединений при растяжении принимается пониженным
![]()
Для снижения концентрации напряжений при сварке встык элементов разной ширины на элементе большей ширины делаем скосы с уклоном 1:5. Определяем расчетный момент и перерезывающую силу на расстоянии ![]()
![]()
![]()
Определяем требуемые:
тАУмомент сопротивления измененного сечения, исходя из прочности сварного стыкового шва, работающего на растяжение,
![]()
Требуемая площадь пояса 
Толщина пояса bf1 =
/ tf = 74,08/2,5 = 29,63 см.
По конструктивным требования ширина пояса должна отвечать условиям:
тАУ ![]()
тАУ ![]()
тАУ ![]()
По сортаменту принимаем измененный пояс из универсальной стали сечением 300´25 мм, площадью ![]()
Вычисляем геометрические характеристики измененного сечения:
тАУ момент инерции
![]()
тАУ момент сопротивления
![]()
тАУ статический момент пояса относительно нейтральной оси х-х
![]()
тАУ статический момент половины сечения относительно оси х-х
![]()
Производим проверку прочности балки в месте изменения ее сечения в краевом участке стенки на уровне поясных швов на наиболее неблагоприятное совместное действие нормальных и касательных напряжений, для чего определяем:

Рис. 9. К проверке прочности балки
тАУ нормальные напряжения

тАУ касательные напряжения

тАУ приведенные напряжения

где 1,15 тАУ коэффициент, учитывающий локальное развитие пластических деформаций в стенке балки.
Проверка прочности на срез по касательным напряжениям

Прочность балки обеспечена.
5.5 Проверка общей устойчивости балки
Общая устойчивость балки считается обеспеченной при передаче нагрузки через сплошной жесткий настил, непрерывно опирающийся на сжатый пояс балки и надежно с ним связанный, а также, если соблюдается условие: отношение расчетной длины балки lef к ширине сжатого пояса bf не превышает критическое, определяемое по формуле

где lef = 1,5 м тАУ расстояние между точками закрепления сжатого пояса от поперечных смещений, равное шагу балок настила a1.
В середине пролета балки

В месте уменьшения сечения балки

Устойчивость балки обеспечена.
5.6 Проверка местной устойчивости элементов балки
5.6.1. Проверка местной устойчивости сжатого пояса не требуется, так как она была обеспечена надлежащим выбором отношения свеса пояса к толщине (см.п.5.2).
5.6.2. Проверка местной устойчивости стенки балки
Определяем условную гибкость стенки
![]()
,
следовательно, поперечные ребра жесткости необходимы. Расстояние между основными поперечными ребрами a не должно превышать 2hw при `lw > 3,2. Расстояние между ребрами назначаем
, что увязывается с шагом балок настила.

Рис. 10. Схема балки, укрепленная поперечными ребрами жесткости
Ширина выступающей части парного ребра
![]()
Толщина ребра![]()
Принимаем ребро жесткости из полосовой стали 90´7 мм. Ребра жесткости привариваются к стенке непрерывными угловыми швами минимальной толщины. Торцы ребер должны имеют скосы с размерами 30´30 мм.
Т.к.
, то требуется проверка стенки на местную устойчивость.
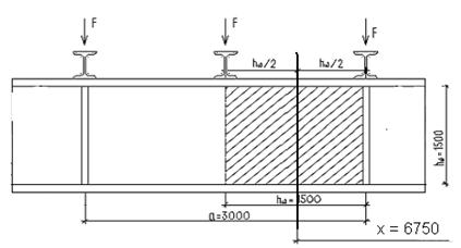
Проверяем местную устойчивость стенки в среднем отсеке (рис.11).
Так как а = 3 м > hw = 1,5 м, определяем Mср и Qср по середине условного отсека шириной, равной половине высоты стенки hw, для чего вычисляем величины моментов и поперечных сил в середине расчетного участка (хср = 6,75 м) :
![]()
![]()

Рис. 11. К проверке местной устойчивости стенки в среднем отсеке
Краевое напряжение сжатия в стенке
![]()
Среднее касательное напряжение в отсеке
![]()
Критическое нормальное напряжение
![]()
где cсr тАУ коэффициент, определяемый по [1, табл.21] в зависимости от значения коэффициента

который учитывает степень упругого защемления стенки в поясах;
Коэффициент cсr = 33,6614 (определен линейной интерполяцией).
.
Критическое касательное напряжение определяется по формуле

где
здесь d тАУ меньшая из сторон отсека
следовательно,
![]()
тАУ отношение большей стороны отсека к меньшей.

Рис. 12. Поэтажное сопряжение балок
![]()
где FтАУ расчетное значение сосредоточенной силы, при поэтажном сопряжении балок равное двум реакциям от балок настила
F=2Qmax=2В·184,374=368,75 кН;
условная длина распределения сосредоточенной нагрузки (b = 200 мм тАУ ширина пояса балки настила; tf = 25 мм тАУ толщина верхнего пояса главной балки).
При принятом шаге поперечных ребер жесткости а = 3 м, отношение ![]()
Отношение
тАУ предельного значения, определенного при
и
линейной интерполяцией по [1, табл.24].
Локальное критическое напряжение
![]()
где с1 = 58,3 тАУ коэффициент, определенный по [1, табл.23] в зависимости от δ;
![]()
Проверяем местную устойчивость стенки
.
Стенка устойчива.
5.7 Проверка жесткости главной балки
При равномерно распределенной нагрузке на балку
где α = 1,03 тАУ коэффициент, учитывающий увеличение прогиба балки за счет уменьшения ее жесткости у опор, вызванного изменением сечения балки по длине.
5.8 Расчет соединения пояса со стенкой
Соединение выполняется автоматической сваркой угловыми непрерывными швами одинаковой толщины по всей длине балки.
Сравниваем
![]()
Поясные швы при
рассчитываются по металлу шва по формуле
![]()
где
тАУусилие на единицу длины шва (1 см) от поперечной силы Qmax на опоре, сдвигающее пояс относительно стенки;
Sf тАУ статический момент пояса относительно нейтральной оси;
тАУ при расчете по металлу шва;
βz = 1,15 тАУ при расчете по металлу границы сплавления;
и
тАУ коэффициенты условий работы шва, равные 1;
тАУ расчетное сопротивление сварного соединения при расчете по металлу шва, принимаемое по [1,табл. 56*] в зависимости от марки сварочной проволоки, которую выбирают по [1,табл. 55*] для автоматической сварки стали принятого класса;
тАУ расчетное сопротивление сварного соединения при расчете по границе сплавления;
тАУ нормативное сопротивление основного металла, принимаемое по [1,табл.51*].
![]()
Определяем требуемый катет сварного шва

Согласно [1,табл.38*] при толщине более толстого из свариваемых элементов tf = 25 мм конструктивно принимаем минимальный катет шва для автоматической сварки ![]()
5.9 Конструирование и расчет опорной части главной балки
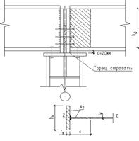
Передача нагрузки от главной балки, установленной сверху на колонну, осуществляется через торцевое опорное ребро. Торец ребра рассчитывается на смятие, для чего он острагивается. Выступающая часть а не должна быть больше 1,5th (рис. 13) и принимается 20 мм.

Рис. 13. К расчету опорной части балки
Опорная реакция ![]()
Определяем площадь смятия торца ребра
![]()
где
тАУ расчетное сопротивление торцевой поверхности принимается по [1,табл.51*].
Принимая ширину ребра, равной ширине пояса балки у опоры
определяем толщину ребра
![]()
По конструктивным соображениям рекомендуется толщину опорного ребра принимать
.
Принимаем опорное ребро из листа 300´16 мм с площадью Ah = 48 см2.
Местная устойчивость ребра проверяется по формуле
![]()
Ребро устойчиво.
Опорная часть главной балки из своей плоскости (относительно оси z-z) проверяется на устойчивость как условная центрально-сжатая стойка с расчетной длиной
. Расчетное сечение включает в себя площадь опорного ребра Ah и площадь устойчивого участка стенки, примыкающего к ребру, шириной
![]()
Определяем площадь стойки
![]()
Момент инерции
![]()
Радиус инерции
![]()
Гибкость
![]()
![]()
По формуле 8 [1] φ = 0,959 тАУ коэффициент продольного изгиба
Условие устойчивости центрально-сжатой стойки
![]()
Опорная часть балки устойчива.
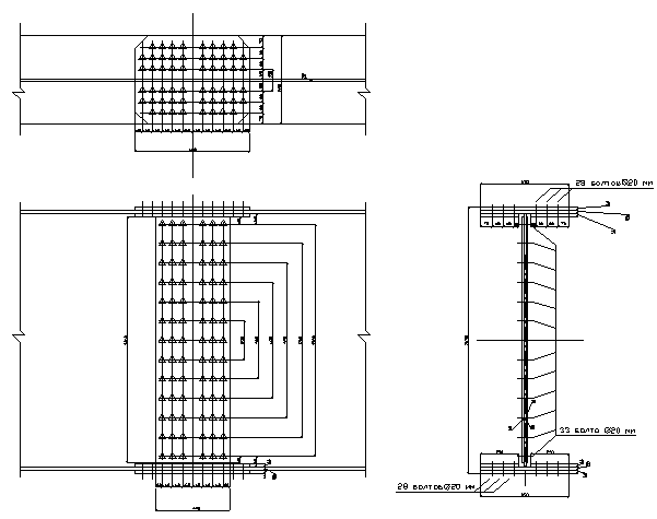
5.10 Проектирование монтажного стыка главной балки
5.10.1. Монтажный стык на сварке

Рис. 14. Монтажный стык главной балки на сварке
Стык элементов балки осуществляется стыковыми швами. Расчетные сопротивления сварных соединений для любого вида сварки принимаются: при сжатии соединения независимо от методов контроля качества швов Rwy = Ry; при растяжении и изгибе с физическим контролем качества швов тАУ Rwy = Ry, непроверенного физическими методами контроля тАУ Rwy = 0,85Ry.
На монтаже физические способы контроля затруднены, поэтому расчет растянутого стыкового соединения производится по его пониженному расчетному сопротивлению. Сжатый верхний пояс и стенка соединяются прямым швом, растянутый пояс тАУ косым швом для увеличения длины шва, так как действительное напряжение в поясе σ превышает Rwy.
Для обеспечения качественного соединения при ручной сварке, сваривая элементы толщиной более 10 мм, производится V-образная разделка кромок.
Для уменьшения сварочных напряжений соблюдается определенный порядок сварки (на рис.14 показанный цифрами): сначала свариваются поперечные стыковые швы стенки и поясов, имеющие наибольшую усадку, последними завариваются угловыми швами, имеющими небольшую продольную усадку, участки длиной по 500 мм, оставленные незаверенными на заводе. Это позволяет при монтаже совместить торцы свариваемых элементов отправочных марок, имеющих отклонение в размерах в пределах технологических допусков, и дает возможность поясным листам несколько вытянуться при усадке поперечных швов. Для ручной сварки монтажных стыков применяются электроды Э50.
5.10.2 Монтажный стык на высокопрочных болтах
Монтажные стыки на высокопрочных болтах выполняются с накладками: по три на каждом поясе и по две на стенке (рис.15).
Стык осуществляем высокопрочными болтами db = 20 мм из стали 40Х ВлселектВ», имеющей наименьшее временное сопротивление
.
Способ регулирования натяжения высокопрочных болтов принимаем по M (моменту закручивания). Расчетное усилие Qbh, которое может быть воспринято каждой поверхностью трения соединяемых элементов, стянутых одним высокопрочным болтом, определяется по формуле
![]()
где
тАУ расчетное сопротивление растяжению высокопрочного болта;
тАУ площадь сечения нетто болта db = 20 мм.
тАУ коэффициент трения, принимаемый в зависимости от обработки поверхности по [1,табл.36*] (принят газопламенный способ обработки поверхностей);
тАУ коэффициент надежности, принимаемый при статической нагрузке и разности номинальных диаметров отверстий и болтов
с использованием регулирования натяжения болтов по М при газопламенном способе обработки поверхностей;
gb тАУ коэффициент условий работы соединения, зависящий от количества болтов n, необходимых для восприятия расчетного усилия, и принимаемый равным 1,0 при n ³ 10.
Определяем
![]()
Расчёт стыков поясов и стенки производим раздельно. Приравнивая кривизну балки в целом
, где r тАУ радиус кривизны, кривизне ее составляющих: стенки Mw /(EIw) и поясов Mf /(EIf), находим изгибающие моменты в стенке Mw и поясах Mf, которые распределяются пропорционально их жесткостям, соответственно EIw и ЕIf. Момент инерции стенки
момент инерции поясов
![]()
Изгибающий момент в стенке
![]()
Изгибающий момент в поясах
![]()
Расчет стыка пояса. Расчетное усилие в поясе определяется по формуле
![]()
Количество болтов n на каждую сторону от центра стыка балки для прикрепления накладок пояса определяем по формуле
![]()
где ks = 2 тАУ количество поверхностей трения соединяемых элементов.
Принимаем 28 болтов и размещаем их согласно рис.15.
Диаметр отверстия d под болт делается на 3 мм больше db. Назначаем отверстие d = 23 мм.
Минимальное расстояние между центрами болтов (шаг болтов) аmin в расчетных соединениях определяется условиями прочности основного металла, принимается в любом направлении равным amin = 2,5d = 2,5В·23 = 57,5 мм.
Принимаем а = 60 мм.

Рис. 15. Монтажный стык главной балки на высокопрочных болтах
Максимальное расстояние между болтами определяется устойчивостью сжатых частей элементов в промежутках между болтами (в крайних рядах при отсутствии окаймляющих уголков amax ≤ 12t = 12*14 = 168 мм, где t тАУ толщина наиболее тонкого наружного элемента), и условием плотности соединения ![]()
Минимальное расстояние от центра болта до края элемента для высокопрочных болтов в любом направлении усилия
![]()
Принимаем с = 50 мм.
Ширина верхней накладки пояса bnf принимается равной ширине пояса
bf = 530 мм; ширина каждой нижней накладки пояса
![]()
Требуемая площадь сечения накладки определится
![]()
Толщина каждой накладки пояса определяется
![]()
Принимаем верхнюю накладку из листа 680´530´14 мм площадью сечения Аnf = 74,2 см2; и две нижних из листа 680´230´14 мм с площадью сечения![]()
Суммарная площадь накладок
![]()
Горизонтальные болты располагаем в 6 рядов на одной полунакладке.
Две вертикальные накладки, перекрывающие стенку балки, по длине (высоте) выполняются с учетом расстояния между краем накладки и поясом, которое включает в себя толщину горизонтальных поясных накладок tnf и конструктивный зазор D = 6тАж15 мм
![]()
Толщина одной вертикальной накладки tnw принимаем равной толщине стенки tw за вычетом 2 мм. tnw = 10 мм.
Максимальное расстояние между крайними горизонтальными рядами болтов с учетом с = 50 мм
![]()
Расчет стыка стенки. Расчетный момент, приходящийся на стенку, уравновешивается суммой внутренних пар усилий, действующих на болты. Максимальное горизонтальное усилие Nmax от изгибающего момента, действующее на каждый крайний наиболее напряженный болт, не должно быть больше несущей способности Qbh.
Условие прочности соединения
![]()
где ai тАУ соответствующие расстояния между парами сил, возникающих в болтах (рис.14);
m тАУ число вертикальных рядов болтов на полунакладке.
Для определения числа рядов болтов по вертикали k и назначения их шага а вычисляем коэффициент стыка
![]()
Находим число рядов при a = 2,19 по таблице.
Принимаем k = 11 и a = 2,2 > 2,19.
Определяем шаг болтов по вертикали
![]()
Необходимо увеличивать количество болтов в одном вертикальном ряду, т.к. а = 136 мм > 12tnw = 120 мм. Принимаю k = 13,
![]()
Шаг a округляется до 5 мм и он укладывается целое число раз в расстоянии между крайними рядами болтов amax. Окончательно принимаем 13 рядов болтов по высоте с шагом а = 115 мм.
Проверяем стык стенки

Условие выполняется.
6. Расчет колонн
Рассчитываются центрально-сжатые сквозные колонны. Стержень сквозной колонны состоит из двух ветвей (прокатных двутавров), связанных между собой соединительной решеткой в виде планок, которые обеспечивают совместную работу ветвей.
6.1 Расчет колонны на устойчивость относительно материальной оси
xтАУx
![]()
![]()
где lгеом тАУ геометрическая длина колонны от фундамента до низа главной балки, равная отметке настила рабочей площадки за вычетом фактической строительной высоты перекрытия, состоящей из высоты главной балки на опоре ho, высоты балок настила hбн и толщины настила tн, плюс заглубление базы колонны ниже отметки чистого пола, принимаемое 0,6м,
![]()
Коэффициент μх = 1 (принята расчетная схема Влшарнир-шарнирВ»)
Предварительно задались λx = 80, и определили φ = 0,686 по [1,табл.72].
Определяем требуемую площадь сечения одной ветви:
![]()
По Атр принимаю по сортаменту два двутавра I 55Б2 имеющих следующие характеристики:
Ab = 124,75 см2; A = 2Ab = 124,75×2 = 249,5 см2; ix = 22,43 см; iy1 = 4,7 см; Ix = 62790 см4;I y1 = 2760 см4;линейная плотность (масса 1пог.м) равна 97,9 кг/м; высота сечения Н = 54,7 см; толщина стенки d = 10 мм, ширина полки bb = 220 мм.
Проверяем устойчивость коло
Вместе с этим смотрят:
Авангардизм як явище архiтектури ХХ столiття
Автоматическая автозаправочная станция на 250 заправок в сутки
Анализ деятельности строительного предприятия "Луна-Ра-строй"
Анализ проектных решений 20-ти квартирного жилого дома