Воздействие радиационного излучения на операционные усилители
И. САМКОВ
Научный руководитель проф. Т.М. АГАХАНЯН
Московский государственный инженерно-физический институт (технический университет)
Обзор по теме
тАЬВоздействие ионизирующего излучения на ИОУ. Схемотехнические способы повышения радиационной стойкости ИОУ при воздействии импульсного ионизирующего излучения тАЭ
2006
СОДЕРЖАНИЕ
1.Основные радиационные эффекты в элементах интегральных микросхем. 1.1. Классификация радиационных эффектов. 1.2. Действие облучения на биполярные транзисторы 1.3. Действие облучения на униполярные транзисторы 1.4. Специфика эффектов в зависимости от конструктивно-технологических особенностей ИМС | 3 |
2. Радиационные эффекты в усилительных и дифференциальных каскадах 2.1. Усилительные каскады. 2.2. Дифференциальные каскады. 2.2.1. Моделирование эффектов в дифф-каскадах. 2.2.2. Влияние ИИ на шумовые характеристики. | 5 |
3. Радиационные эффекты в ИОУ 3.1. Воздействие ИИ на параметры ИОУ. 3.2. Критериальные параметры. 3.3. Проектирование радиационно-стойких ИОУ. 3.4. Прогнозирование эффектов воздействия ИИИ на ИОУ. 3.5. Имитационные испытания. 3.6. Уменьшение ВПР электронной аппаратуры. | 8 |
| 5. Список использованной литературы. | 15 |
Основные радиационные эффекты в элементах аналоговых интегральных микросхем.
Классификация радиационных эффектов.
Воздействие ионизирующих излучений (ИИ) на какое-либо вещество сопровождается выделением энергии частицей ИИ. Дальнейшая релаксация полученной энергии и распределение её по объёму вещества происходят в форме различных радиационных эффектов. Принято выделять два вида основных эффектов: смещения (обусловленные смещением атомов из своего нормального положения) и ионизации (связаны с образованием свободных носителей заряда под действием ИИ).
Реакция интегральных микросхем (ИМС) на ионизирующее излучение обусловлена, в первую очередь, зависимостью параметров её элементов от эффектов смещения и ионизации. В свою очередь, конкретный вид энерговыделения (однородное, равновесное и т.п.) может привоВндить к появлению различных эффектов в микросхеме, особенноВнсти проявления которых определяются специфическими для нее технологическими и схемотехническими решениями. По причине возникновения эти эффекты можно подразделить на первичные- обусловленные непосредственно энергией излучения, поглощенВнной в ИМС (дефекты смещения, модуляция проводимости и т.п.), и вторичные - обязанные своим происхождением инициированВнному излучением перераспределению энергии внутренних и стоВнронних источников (радиационное защелкивание, вторичный фоВнтотек, пробой и т.п.).
С точки зрения функционирования ИМС в аппаратуре в зависимости от соотношения между длительностью воздействия излучения Ти и временем релаксации вызванного им возбуждения в системе ТрелразлиВнчают остаточные (долговременные Трел>>Ти) и переходные (кратковременные Ти>Трел) изменения параметров приборов.
Ñ Одним из основных параметров, характеризующих переходВнные ионизационные эффекты в элементах ИМС при равновесном энерговыделении, является величина ионизационного тока р-n-переходов, который можно представить в виде двух составляюВнщих: 1)мгновенная составляющая, связанная с дрейфом избыточных носителей из обедненной области перехода;
2)запаздывающая составляющая, связанная с диффузией и дрейфом неравновесных носителей заряда из областей, прилегающих к обедненной области р--перехода. Соотношение амплитуд запаздывающей и мгновенной соВнставляющих определяется параметрами р- -перехода.
Ñ Долговременные изменения параметров транзисторов обуВнсловлены эффектами смещения и ионизации.
Эффекты смещеВнния, связанные с изменением кристаллической структуры полуВнпроводника вследствие перемещения атомов из своего положеВнния, вызывают изменение электрофизических свойств полупроВнводника: времени жизни, подвижности носителей заряда и их концентрации. Соответственно изменяются и параметры транзиВнсторов, определяемые указанными величинами.
Эффекты ионизации, связанные с накоплением заряда в диВнэлектрических слоях и изменением плотности поверхностных состояний при ионизации полупроводника, также приводят к деВнградации параметров транзисторов.
Действие облучения на транзисторы удобно установить на основании его физических параметров, характеризующих проВнцессы в транзисторной структуре.
Действие облучения на биполярные транзисторы.
Физические параметры биполярного транзистора можно разбить на четыре группы:
1)Параметры, характеризующие диффузию и дрейф неосновных носителей,
2)Параметры, характериВнзующие рекомбинацию и генерацию,
3)Параметры, определяющие изменение пространственного заряда в области p-n- переходов и его влияние на характеристики транзисторов (это зарядные емкости коллекторного и эмиттерного переходов, а также емкость изолирующих p-n-переходов)
4)Параметры, характеризующие падение напряжения в объеме полупроводника и включающие объемные сопротивления эмиттера, базы и коллектора, а при высоких уровнях инжекции также диффузионное падение напряжения (ЭДС Дембера).
Ионизирующие излучения влияют на все физические параметры транзиВнстора, однако перечень параметров, подлежащих учету, зависит от конкретных условий применения.
Действие облучения на униполярные транзисторы.
Влияние ионизирующего излуВнчения на параметры униполярных транзисторов как с управляющим p-n-переходом, так и МДП - структур в основном проявляВнется в виде изменений тока затвора I3, порогового напряжения Uзи.пор (для МДП - транзисторов с индуцированным каналом) или напряжения отсечки Uзи.отс(для транзисторов с управляющим р-п-переходом и со встроенным каналом) и крутизны характеристики транзистора Sст.Претерпевают изменение также дифференциальВнные параметры: сопротивление затвора rз, внутреннее сопротивВнление транзистора ri.
В отличие от биполярных транзисторов в униполярных транВнзисторах ток в канале образуется потоком основных носителей, поэтому заметные изменения характеристик униполярных транВнзисторов, обусловленные действием эффектов смещения, наблюВндаются при уровнях облучения, способных существенно повлиВнять на подвижность основных носителей и их концентрацию. Для кремниевых ИМС при облучении нейтронами это происходит при флюенсах, превышающих 1015-1016 нейтр./см2. Вместе с тем приповерхностный характер происходящих в МДП-транзисторах процессов обусловливает их сильную чувствительность к иониВнзационным эффектам, действие которых, прежде всего, свяВнзано с накоплением положительного пространственного заряда в слое подзатворного диэлектрика, модулирующего проводимость канала МДП-транзистора.
Специфика эффектов в зависимости от конструктивно-технологических особенностей ИМС.
Специфика проявления радиациВнонных эффектов во многом определяется конструктивно-технологическими особенностями ИМС и в некоторых случаях различается для схем низкой и высоВнкой степени интеграции. В частности, для интегральных структур малой и средней степени интеграции, к числу которых относятся аналоговые ИМС, можно пренебречь неравновесностью энергоВнвыделения, более слабо проявляются дозовые эффекты в бипоВнлярных структурах и т.п.
Уменьшение размеров структур в условиях радиационного воздействия также приводит к принципиальным изменениям физики работы приборов. Эти изменения связаны с тем, что: 1) характерные пространственные масштабы изменения электрического поля сопоставимы с длинами релаксации энергии и импульса электронов и длиной свободного пробега электронов; 2) характерные размеры рабочих областей приборов сравнимы с расстоянием между кластерами радиационных дефектов (КРД); 3) характерные размеры рабочих областей приборов сопоставимы с размерами КРД; 4) ионизирующее излучение разогревает электронный газ, который не успевает остывать за времена пролета рабочей области приборов; 5) при облучении нейтронами происходит перестройка протонированных изолирующих областей ИС, что сказывается на процессах протекания тока и фоточувствительности; 6) взаимодействие ионизирующих излучений (особенно лазерных) с нанометровыми металлическими объектами имеет особенности; 7) радиационные технологические процессы (например, геттерирование) существенно изменяют электрофизические характеристики полупроводника, что заметным образом сказывается на процессах формирования радиационных дефектов в субмикронных приборах; 8) электроны, разогнанные до энергий 0,5..1 эВ большими электрическими полями (~ 100 кВ/см) в субмикронных приборах, могут проникать сквозь КРД, что принципиально меняет подход к моделированию радиационной стойкости приборов.
Радиационные эффекты в усилительных и дифференциальных каскадах.
Усилительные каскады.
В качестве простейших усилительВнных каскадов применяют каскады с общим эмиттером (ОЭ) и общим истоком (ОИ). Отклонение тока коллектора ΔIк от своей номинальной величины, обусловленное действие стационарных эффектов смещения и ионизации, можно уменьшить увеличением глубины обратной связи, что приводит к уменьшению как коэфВнфициента нестабильности, так и чувствительности схемы.
Усилительные параметры каскада ОЭ: его коэффициент усиВнления по напряжению входное и выходное сопротивление измеВнняются главным образом из-за уменьшения коэффициента переВндачи тока базы bN.Высокочастотные параметры каскада ОЭ при облучении улучшаются из-за уменьшения b, tb и Ск.
В каскаде ОИ отклонение тока стока ΔIк от своей номинальВнной величины, вызываемое радиационными эффектами, опредеВнляется изменением смещения на затворе, сдвигом напряжения отсечки и изменением статической крутизны характеристики.
Усилительные характеристики каскада ОИ изменяются из-за изменений крутизны характеристики транзистора S, его входного и выходного сопротивлений. Постоянные времени
tвх В» СвхRг ; tвsх В» Сн.выхRсн
характеризующие высокочастотные свойства каскада ОИ, могут изменяться, если наблюдается заметное изменение паразитных емкостей Свх и Сн.вых которые складываются из межэлектродных емкостей транзистора, емкостей монтажных площадок и емкости нагрузки.
Дифференциальные каскады.
Принято считать, что стойкость аналоговых интегральных микросхем к спецвоздействиям опВнределяется, прежде всего, радиационными эфВнфектами во входных каскадах, в качестве котоВнрых, как правило, применяют дифференциальВнные каскады (за исключением трансимпедансных ИОУ). В дифференциальном каскаде приведенное ко входу отклоВннение выходного напряжения от своей номинальной величины, вызываемое действием эффектов смещения и ионизации, опредеВнляется формулой

(где Kвл.ип коэффициент влияния нестабильВнности напряжений источников питания, обусловленных радиациВнонными эффектами)
Представленное соотношение применимо для диффеВнренциальных каскадов, включенных в аналоговые ИМС с изоляВнцией диэлектрической пленкой. В ИМС с изоляцией р-п-переходом в ряде случаев требуется учет паразитного р-п-р-транзистора, образуемого базовым и коллекторным слоями рабоВнчего транзистора и подложкой ИМС.
Благодаря высокому коэффициенту поВндавления синфазных сигналов, образуемых переВнпадами ионизационных токов как на входах, так и на выходах, разность выходных напряжений и входной ток сдвига изВнменяются незначительно. Поэтому отклонение выходного напряжения от нуля определяется не входным дифференциальным каскадом, а реакцией последующих каскадов.
Существенно меняется входной ток смещения; это ток, который определяется не разностью токов, а их средним значениВнем, изменение которого определяется изменением bN. Отклонение выходного напряжения происходит также из-за радиационВнной нестабильности тока в эмиттерах.
В аналоговых ИМС с дифференциальным каскадом на входе в качестве пары используют униполярные транзисторы с управВнляющим p-n-переходом. При этом токи затворов определяются токами обратносмещенных p-n-переходов тАФ затворов. Как изВнвестно, МДП-транзисторы обладают меньшим входным током, чем транзисторы с управляющим p-n-переходом. Однако МДП-транзисторы очень чувствительны к импульсным помехам, поВнэтому при использовании их во входных каскадах требуется заВнщита входов диодами, токи утечки которых сводят на нет преВнимущества МДП-транзисторов. Необходимость диодной защиты отпадает в ИМС с внутрисхемной связью входа аналоговой части схемы с предшествующими схемами. При этом использование МДП-транзисторов в качестве дифференциальной пары позволяВнет заметно уменьшить Iвхсм и Iвх.сд определяемые токами утечки диэлектрических затворов.
Действие переходных ионизационных эффекВнтов можно оценить при помощи моделей диффеВнренциальных каскадов на биполярных транзисВнторах (рис. 1а) и униполярных транзисторах с упВнравляющим p-n-переходом (рис. 16).

Рис. 1. Модели дифференциальных каскадов для анализа переходных ионизационных эффектов: (а) - на биполярных транзисторах; (б) - на униполярных транзисторах с управляющим p-n-переходом.
В этих схемах фототоки источников стабилизированного тока I0 непосредственно не учитываются, так как их дейВнствие подавляется (так же как действие всяких синфазных помех). Косвенное влияние этих фоВнтотоков, приводящее к изменению тока I0 в эмитВнтерах или истоках транзисторных пар, удобно учитывать наряду с другими причинами изменеВнния этого тока, представив, что при облучении
ток I0 изменяется в (1 + aф) раз (где aф - коэффиВнциент изменения тока I0).
В модели на рис.1,а действие фототоков, обВнразуемых потоком носителей через коллекторВнные переходы, которые генерируются в базах транзисторных пар Т1 и Т2, учитываются посредВнством источников тока Iфкп1 и Iфкп2 (влиянием фоВнтотоков, образуемых потоком носителей через эмиттерные переходы Т1 и Т2, пренебрегаем). Фототоки, которые возникают в коллекторных слоях транзисторов Tl, T2 и прилегающих к ним областях подложки с изолирующими р-п-переходами, учитываются источниками токов, шунтируВнющих коллекторные и эмиттерные переходы паВнразитных транзисторов ТП1, ТП2и источниками фототоков Iфип1, Iфип2. Для упрощения моделей аналогичные паразитные транзисторы, связанВнные диффузионными резисторами, не показаны.
В модели на рис.1,б учтены фототоки, возниВнкающие в каналах транзисторов Tl, T2 и прилегающих к каналам слоях подложки и изолирующих р-n-переходах. Действие ионизирующих излучеВнний приводит к отклонению от нуля выходного напряжения дифференциального каскада.
Влияние ионизационных эффектов, вызываеВнмых воздействием электронного, высокоэнергеВнтического нейтронного и g-излучений, проявляВнется прежде всего в виде заметного увеличения токов утечки и канальных токов, что приводит к росту входных токов смещения Iвхсм и сдвига Iвхсд. Происходит также уменьшение коэффициента пеВнредачи тока базы bN, влияющее как на точностные характеристики каскада, так и на его усилительВнные параметры. Может происходить заметное изВнменение выходных потенциалов каскада вследстВнвие роста тока I0 стабилизированного источника.
Анализ влияния поверхностных ионизационВнных эффектов требует более подробной инфорВнмации о топологических и технологических осоВнбенностях изготовления элемента ИМС, а также об изменениях заряда в приповерхностных слоях. Для этого обычно используют тестовые структуры.
Как показывает анализ, приведенное к входу импульсное отклонение собственного выходного напряжения дифференциального каскада (а не всего ИОУ) от номинальной величины оказываВнются не столь заметными, несмотря на сущестВнвенное увеличение входных токов ИОУ при имВнпульсном воздействии.
В литературе отмечается, что отклонение выВнходного напряжения ИОУ от нуля при спецвозВндействии обусловлено не изменением выходных потенциалов дифференциальных каскадов, а в осВнновном происходит из-за нарушения режима по постоянному току выходных повторителей, приВнчем это отклонение имеет одну и ту же полярВнность, т.е. выходное напряжение отклоняется в сторону положительного источника питания. ЭксВнпериментально было проверено, действительно ли влияние фототоков в выходных повторителях явВнляется определяющим.
Влияние ИИ на шумовые характеристики дифф-каскада.
В каскадах на биполярных транзисторах в области средних и высших частот шумоВнвого спектра, где преобладают дробовой шум токораспределения iш.к и тепловой шум объемного сопротивления базы eш.б, при облучении уровень шумов возрастает в результате деградации коэффициента переВндачи тока базы b и увеличения объемных сопротивлений.
Влияние теплового шума сопроВнтивления коллекторного слоя eшк, а также шумовых сигналов паразитного транзистора iшфи, iшfи не так существенно. В области низВнших частот преобаладают шумы со спектром 1/f, атакже низкочастотные шумы фототоков. Анализ низкочастотных шуВнмов усложняется тем, что их изменение при облучении определяется не только объемными эффектами, но и поверхностными. Действие ионизирующих излучений приводит не тоолько к повышению уровня низкочастотных шумов, но также к увеличению граничной частоты fш, т.е. к сдвигу их спектральной плотности в область более высоких частот.
В дифференциальных каскадах на униполярных транзисторах в обВнласти средних и высших частот, где преобладают тепловой шум каВннала iшс и дробовой шум тока затвора iш.з шумы при облучении возВнрастают из-за уменьшения крутизны характеристики транзистора S и увеличения тока затвора вследствие роста тока генерации в управВнляющем р-n-переходе. Возрастают также низкочастотные шумы, обВнусловленные флуктуациями заряда токов генерациитАФрекомбинации в обедненном слое изолирующего р-n-перехода. При этот относительВнное увеличение шумового сопротивления практически не зависит от частоты.
Уровень собственных шумов каскада повышается из-за шумов фотоВнтоков, особенно при высоких импедансах источника сигнала.
Уровень шумов дифференциального каскада зависит также от схеВнмы подачи входного сигнала и съема выходного напряжения. На практиВнке нередко подают сигнал только на один из входов каскада По отношению к этому входу интенсивность первичного шумового наВнпряжения возрастает.
Сравнение дифференциальных каскадов на биполярных и униполярВнных транзисторах по их шумовым показателям в области средних часВнтот показывает, что в первых из них при работе от источников с Rг >> 103 Ом уровень шума выше. Следует иметь в виду, что каскады на униполярных транзисторах менее критичны к выбору оптимальВнного сопротивления источника входного сигнала, а поэтому измеВннение условия оптимальности при облучении не приводит к дополниВнтельному увеличению шума.
Радиационные эффекты в ИОУ.
Воздействие ИИ на параметры ИОУ.
Интегральные операционные усилители (ИОУ) представляют собой высококачественные прецизионные усилители, которые относятся к классу универсальных и многофункциональных аналоговых микроВнсхем. Радиационная стойкость аналоговых ИМС определяется не только влиянием ионизирующих излучений на характеристики элеменВнтов микросхемы, но она зависит также от структуры ИМС и схемотехнических особенностей. Поскольку больВншинство современных аналоговых ИМС построены по структуре ИОУ, то на их примере можно выяснить влияние радиационных эффектов на характеристики аналоговых микросхем.
Специализированные ИОУ частного применения, к числу коВнторых относятся микросхемы с повышенным входным сопротивВнлением, прецизионные и микромощные ИОУ, быстродействуюВнщие усилители [11], обычно более чувствительны к остаточным радиационным эффектам, так как схемотехнические и технологиВнческие меры, применяемые для достижения предельных возможВнностей по каким-либо параметрам, как правило, приводят к сниВнжению их радиационной стойкости. Особенно чувствительны к воздействию облучения ИОУ при работе в микрорежиме. Это объясняется тем, что в микрорежиме деградация параметров транзисторов происходит при более низких флюенсах.
Причиной нарушения нормальной работы ИОУ являются также переходные ионизационные эффекты, обусловленные обВнразованием мощных импульсов фототоков во всех областях криВнсталла, включая не только области, где формированы рабочие транзисторы, диодные структуры, диффузионные резисторы, но также изолирующие и приповерхностные слои ИМС. Изоляция р-n-переходами является серьезным недостатком ИОУ, работаюВнщих в полях ионизирующих излучений. Воздействие γ-излучения, электронного и высокоэнергетического нейтронного (ЕтАЮ > 14 МэВ) излучений приводит к образованию через изолиВнрующие p-n-переходы мощных фототоков, которые могут быть причиной нарушения электрической изоляции р- и n-областей, возрастания рассеиваемой мощности, возникновения тиристорного эффекта, пробоя как в рабочих, так и в паразитных транзистоВнрах. Значительный вклад в образование фототоков вносят участВнки подложки, прилегающие к изолирующим p-n-переходам. ПоВнэтому эти токи можно заметно уменьшить легированием подложки с тыльной стороны золотом, уменьшающим время жизни ноВнсителей в подложке. Наиболее эффективным способом уменьшеВнния фототоков является применение диэлектрической изоляции, а также использование пленочных резисторов вместо диффузионВнных.
Воздействие ионизирующего излучения сказывается также на частотных и импульсных характеристиках ИОУ в области маВнлых времен. При облучении, создающем объемные структурные повреждения, частота единичного усиления для некорректированного ИОУ меняется незначительно вплоть до флюенсов 1015 нейтр./см2 и более. Верхняя граничная частотадля больВншинства ИОУ возрастает, что объясняется уменьшением коэфВнфициентов усиления каскадов, вследствие чего уменьшается влияние паразитных емкостей. Эти изменения приводят к снижеВннию запаса устойчивости, oднако поскольку в реальных условиях последВнняя тоже уменьшается, то в итоге при облучении самовозбуждеВнние ИОУ маловероятно.
Критериальные параметры для оценки стойкости ОУ.
Как правило, нормативная документация (НД) на ИОУ устанавливает отклонение выходного наВнпряжения от нуля ΔUвхот, приведенного ко входу, в качестве критериального параметра при опредеВнлении уровня бессбойной работы (УБР) и времени потери работоспособности (ВIIP) при воздействии импульсного ИИ.
Типовая схема включения по НД для контроля параметра ΔUвх.отпоказана на рис.2, причем коэффициент усиления схемы КивыбираВнется в диапазоне от 10 до 1000 без должного обосВннования. Напряжение отклонения от нуля рассчиВнтывается по упрощенной формуле:
ΔUвх.от = ΔUвых/ Ku.
Критерий работоспособности ИОУ по параВнметру UBXдля определения УБР и ВПР задается выражением
ΔUвх.от £ ΔUвх.от норм или ΔUвых £ ΔUвх.от нормKu
Как показали эксперименты, в зависимости от технологии существенно различаются чувствительность к воздействию стационарного ИИ того или иного параметра однотипных ОУ, различаются зависимость АЧХ от величины поглощенной дозы, уровень катастрофического отказа, характер изменения напряжения смещения нуля и др. Так, например, уровень катастрофического отказа ОУ 140УД17 различается на порядок в зависимости от предприятия изготовителя. В связи с этим один и тот же тип ОУ мог соответствовать либо нет нормам ТУ. Т.о. очевидна невозможность прогнозирования радиационного поведения ОУ по результатам исследования схем того же типа, но другого конструктивно-технологического исполнения. Более того, подтверждается неинформативность использования одного и того же критериального параметра для сравнительной оценки радиационной стойкости всех ОУ, т.к. критериальный параметр, т.е. наиболее чувствительный к воздействию того или иного типа ИИ, определяется технологией изготовления микросхемы.
Ниже приведена таблица параметров, реагирующих на воздействие ИИ для некоторых усилителей.
| Марка ОУ | Параметры ОУ, подверженные радиации |
| OP 400 | +Ib, -Ib, Gain_2k, Slew Rate |
| OP 467 | +Ib, -Ib, Icc, Voh_2k |
| AD 620 | +Ib, -Ib, PSRR_pos, +Swing, all of gain_errors |
| AD 845 | Icc, P_PSRR_A, Vol |
| LF 147 | None |
| LF 155a | +Ib, -Ib |
| LMC 6464 | +Ib, -Ib, Ios, Voh_100k A-D, Vol_100k A-D, Slew Rate A-D, GBW A-D |
| OP 07 (0,14R(Si)/s) | VOS, P_IIB, N_IIB, IIOS, CMRR, P_AOL_2k, N_AOL_2k, Slew Rate |
| OP 07 (0,58R(Si)/s) | VOS, P_IIB, N_IIB, IIOS, CMRR, PSRR, VOUT, AOL, Slew Rate |
| OP 15 | VOS, +Ibias, -Ibias, Iio |
| OP 27 | VOS, P_IIB, N_IIB |
| OP 77 | VOS_0V, P_IIB_0V, N_IIB_0V |
| OP 270 | +Ib_A, -Ib_A, +Ib_B, -Ib_B, Ios_A, Ios_B, Open Loop Gain B |
| PA07M/883 | Voffset |
| LM 10 | VOS, P_IIB, N_IIB, IIOS, CMRR, PSRR, AOL, ASH, REF GAIN, V_FB, I_FB, Line Reg, Load Reg |
| OP 07A | VOS_0V, P_IIB_0V, N_IIB_0V, P_AOL, N_AOL, IIOS_0V, CMRR, +PSRR, -PSRR |
| AD 645 | vio |
Из представленного материала, подтверждаеВнмого многочисленными экспериментами, следует, что напряжение смещения нуля, определяемое как приведенное к входу выходное напряжение не явВнляется информативным параметром при опредеВнлении уровня бессбойной работы ИОУ при возВндействии импульсных спецфакторов. Более инВнформативным показателем стойкости ИОУ при воздействии ИИИ является время потери работоспособности (ВПР), определяемое по уменьшению отклонения выходного напряжеВнния до заданного уровня.
Выбор общего критерия работоспособности для определения УБР и ВПР, отражающего споВнсобность ИОУ усиливать сигнал с заданной точВнностью, можно осуществить только условно без привязки к конкретному применению ИОУ. ПряВнмая оценка по наихудшему случаю (например включение ИОУ без ОС) также неинформативВнна, так как при этом получаются заведомо завыВншенные значения ВПР. Однако предварительные оценки показывают, что в этом случае возможен пересчет полученных значений ВПР к конкретВнной схеме включения.
Проектирование радиационно-стойких ИОУ.
На этапе проектирования проблему повышеВнния радиационной стойкости аппаратуры наибоВнлее эффективно можно решить соответствуюВнщим выбором способа коррекции переходных и частотных характеристик усилителя. НаиВнлучшие результаты получаются при включении быстродействующего канала (см.рис.3) параллельно наибоВнлее инерционному каскаду интегрального операциВнонного усилителя, а наихудшие результаты при коррекции интегрирующим конденсатором Скор, подключаемым между выходом и входом каскада промежуточного усилителя в микросхеме.
Рис.3. Аналоговое устройство на АИМС с параллельным быВнстродействующим каналом:
а - структурная схема;
б - схема замещения
Включение быстродействующего канала при определенных условиях существенно повышает быстродействие интегрального операционного усилителя и, соответственно, частоту единичного усиления f1ис. Это позволяет, используя низкочастотную микросхему с повышенной радиационной стойкостью, спроектировать быстродействуюВнщий усилитель, способный работать нормально при заметно большем уровне ионизирующего изВнлучения. Этот способ коррекции одновременно позволяет на порядок и более сократить продолВнжительность ВПР усилителя. Реализация этого способа коррекции возможно только у интегрального операционноВнго усилителя с дополнительными выводами для подключения корректирующего конденсатора (как, например микросхема LM101A и ее аналог 153УД2). При этом быстродействующий канал, подключаемый к указанным выводам, строят на дискретных элементах. Указанными особенносВнтями реализации объясняется ограниченное приВнменение этого способа коррекции.
Включение корректирующего конденсатора Скор, во-первых, приводит к уменьшению импульсВнной добротности интегрального операционного усилителя в (1 + Скор/Сис)1/2раз и, соответственно чаВнстоты единичного усиления f1кор. При этом прихоВндится использовать более высокочастотные микВнросхемы, которые, как правило, обладают меньВншей радиационной стойкостью. Во-вторых, оно сопровождается заметным увеличением коэффиВнциента передаточной функции интегрального операционного усилителя
b1кор = СкорRкор.эк + b1ис величиной которого лимитируется (для предотВнвращения перегрузки по входу) наибольшая ампВнлитуда выходного напряжения усилителя.
Кроме этого происходит увеличение ВПР в b1кор / b1исраз (причем часто 1кор / b1ис> 10) Возрастает ампВнлитуда отклонения выходного напряжения при ИИИ. НеобхоВндимо учитывать еще один недостаток коррекции интегрирующим конденсатором, заключающимВнся в следующем. Если из-за радиационного возВндействия сопротивление Rкор.эк уменьшается наВнстолько, что оно становится меньше Rкор.эк < (b2исF)1/2/Cис, то выбранная микросхема оказывается непригодВнной для обеспечения заданного усиления Кuс треВнбуемым быстродействием. При этом требуВнется выбирать более высокочастотный интегВнральный операционный усилитель (независимо от того коррекция внутренняя или внешняя).
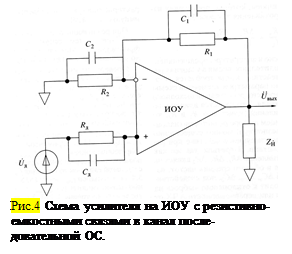
Наиболее простым и, одновременно, достаточно эффективным способом коррекции является вклюВнчение в канал обратной связи резистивно-емкостной цепи (см. рис.4).
Этот способ коррекции лиВншен тех недостатков, свойственных коррекции поВнсредством Скор, и по своей эффективности уступает только коррекции включением быстродействуюВнщего канала. Коррекция резистивно-емкостной цеВнпью особенно эффективно в усилителях на трансимпедансных ИОУ.
В настоящее время большинство ИОУ выпускаются с внутВнренней коррекцией, в которых Скор обеспечивает нормальную работу микросхемы с обратной свяВнзью при коэффициенте усиления Ки, не меньше указанном в справочнике значения (Ки= 1;2;5;10). При радиационном воздействии эффективность влияния Скор ослабляется из-за уменьшения Rкор.эк, что необходимо учитывать при проектировании усилителей, ориентируясь на большее значение Кии, соответственно, меньшую глубину обратной связи, с тем, чтобы исключить возможность самоВнвозбуждения ИОУ.
Отметим, что и в ИОУ с внутренней коррекцией целесообВнразно включение в канал обратной связи резисВнтивно-емкостной цепи, которая позволяет до некоВнторой степени исправить недостатки, обусловленВнные внутренней коррекцией. Такой подход просто необходим при использовании трансимпедансных усилителей с внутренней коррекцией.
Следующий вопрос, требующий решения на этапе схемотехнического синтеза, это - выбор виВнда обратной связи. Выбор ОС по наВнпряжению или по току решается в зависимости от назначения усилителя. В выходных усилителях, предназначенных для формирования импульсных сигналов с крутыми перепадами в высокоомной нагрузке с емкостной реакцией, лучшие результаты получаются при обратной связи по напряжения. В усилителях с токоВнвым выходом, формирующих мощные имВнпульсы тока с крутыми перепадами в низкоомной нагрузке с индуктивной реакцией, включают обВнратную связь по току.
Выбор последовательной ОС илипараллельной однозначно решается в пользу перВнвой из них по следующим причинам. Во-первых, при заданной глубине обратной связи F схема с последовательной обратной связью обеспечивает усиление на единицу больше, чем при параллельВнной обратной связи. В этом нетрудно убедиться, рассматривая приближенные формулы, опредеВнляющие коэффициенты усиления:
KunocВ» 1+R1/R2и KunocВ» 1+R1/Rд(*) где Rl и R2 - сопротивления резисторов в каналах обратной связи; Rд - выходное сопротивление датчика, напряжение которого усиливается. Из анализа соотношений (*) следует второй недостаток параллельной обратной связи, связанВнный с отклонением коэффициента усиления от номинальной величины, которое происходит из-за изменения сопротивления датчика Rд.
DKu/Ku = DR1/ R1 тАУDR2/ R2
Это особенно опасно в аппаратуре, предназначенВнной для работы в длительное время в условиях раВндиационного воздействия, когда требуется устаВнновить деградацию параметров элементов схемы в зависимости от времени регистрации выходного напряжения усилителя. Что касается влияния изВнменений сопротивлений резисторов R1 и R2,то при соответствующем выборе резисторов (наприВнмер, пленочные резисторы) можно существенно уменьшить их рассогласующее действие при раВндиационном воздействии. В-третьих, так же как деградация сопротивлений DRд, DR1DR2влияет на точность усиления в области средних частот, изВнменение емкостей DСД, DС1 DС2, под воздействиВнем радиации приводит к отклонению выброса на вершине импульса или неравномерности АЧХ от номинальной величины, причем если в схеме с поВнследовательной обратной связью отклонения DС1 и DС2можно существенно уменьшить, то деградаВнция DСД определяется видом датчика.
В-четвертых, в схеме с параллельной ОС имеется всего две степени свободы (С1и R1), тогда как при последовательной обратной связи их четыре: R1С1 R2, С2. Это существенное преимущество вообще, а в схемах, работающих при спецвоздействиях - в особенности, так как эти степени свободы позволяют проводить параВнметрическую оптимизацию схемы, обеспечивая тем самым значительное улучшение характерисВнтик усилителя в области малых времен или высВнших частот.
Преимущества последовательной обратной связи особенно ярко проявляются в предусилителях с противошумовой коррекцией и зарядо-чувствительных усилителях на малошумящих инВнтегральных операционных усилителях.
Насколько эффективны рекомендуемые спосоВнбы улучшения сигнальных характеристик усилиВнтелей, предназначенных для длительной эксплуаВнтации в условиях стационарного радиационного воздействия, можно иллюстрировать на примере импульсного усилителя с коэффициентном усилеВнния Ки = 10 на микросхеме 153УД2. Чтобы исклюВнчить самовозбуждение схемы потребовалось увеВнличить емкость корректирующего конденсатора (Скор = 70 пФ) и ограничить значение коэффициВнента de³Ö2 (F - глубина OC). При этом время нарастания фронта переходной характеристики tн= 0.7 мкс при выбросе на вершине импульса e1 = 4.3%.
При реал
Вместе с этим смотрят:
IP-телефония. Особенности цифровой офисной связи