Габаритный и электрический расчет многослойного ПП. Схема замещения
БЕЛОРУССКИЙ ГОСУДАРСТВЕННЫЙ УНИВЕРСИТЕТ НФОРМАТИКИ И РАДИОЭЛЕКТРОНИКИ
Кафедра ЭТТ
РЕФЕРАТ
На тему:
ВлГабаритный и электрический расчет многослойного ПП. Схема замещенияВ»
МИНСК, 2008
Исходные данные: Pa, вид колебаний, fo, марка пьезоэлектрического материала (ПЭМ) и его физические характеристики. Основными параметрами ПЭМ являются пьезомодули dij (Кл/м), диэлектрические проницаемости εij, модули упругости Eij, скорость звука C, tgδ, механическая добротность θm. Параметры ПП зависят от формы.
Расчет делится на две части:
1. Габаритный расчет.
2. Электрический расчет.
Габаритный расчет

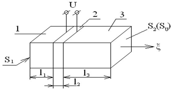
Рисунок 1 тАУ Преобразователь многослойный.
1. Выбираем размеры активного элемента
, (1)
где ηэа тАУ ожидаемый электродинамический КПД преобразователя,
l2 тАУ выбирается из справочника или условия механической прочности.
2. Для обеспечения стабильной работы преобразователя рабочую накладку рекомендуется выбирать из материала с малым волновым сопротивлением и высокой добротностью. Например, из сплава D16 (ρ ≈ 7,8 г/см3; C ≈ 5,2∙103 м/c).
3. Продольные размеры элементов многослойного преобразователя определяются из условия продольного резонанса
, (2)
где φi тАУ сдвиг фаз на каждом элементе пакета;
i тАУ индекс элемента пакета 1, 2. 3, тАж;
- волновое число i тАУтого элемента;
тАУ волновое сопротивление элемента.
Выбор размеров элементов ПП лучше начинать с
. (3)
. (4)
. (5)
l2 тАУ выбирается из справочника или условия механической прочности.
Поскольку в условиях резонанса разный сдвиг фаз равен π
. (6)
Общая длина преобразователя
. (7)
Эффективность работы преобразователя сильно зависит от положения пьезоэлемента (ПЭ) в системе узел тАУ пучность. Наиболее тяжелые условия с точки зрения механических нагрузок создаются при помещении ПЭ в узел колебаний (плоскость максимальных механических напряжений). В этом случае удельная мощность ограничивается прочностью керамики. Высокий КПД получается при размещении ПЭ на конце преобразователя. При этом уменьшается механическое напряжение в рабочем сечении, что позволяет увеличить Pэ. Однако при этом значительно возрастает входное сопротивление преобразователя, что требует увеличения питающего напряжения. При размещении ПЭ в узле колебаний (минимуме механических напряжений) и выполнении отражающей накладки из материала с большим волновым сопротивлением становится сильно заметным влияние дестабилизирующих факторов (температуры, нагрузки, системы крепления). Оптимальным считается размещение ПЭ между узловой плоскостью и торцом пакета. При этом прочность, КПД и стабильность будут достаточно высокими.
Электрический расчет ППДействующее переменное напряжение на резонансной частоте многослойного преобразователя с накладками можно определить по формуле
, (8)
где
- акустическое сопротивление нагрузки ПЭ.
, (9)
где
тАУ коэффициент нагрузки преобразователя;
- коэффициент электромеханической трансформации;
E тАУ модуль упругости.
Действующее значение тока
, (10)
где Zвх тАУ полный модуль входного сопротивления преобразователя.
, (11)
где
- емкостное сопротивление преобразователя.
, (12)
где
- собственная емкость преобразователя.
Полное активное сопротивление многослойного преобразователя, приведенного к параллельной схеме
. (13)
Здесь
- сопротивление диэлектрических потерь.
- механическое сопротивление преобразователя на резонансной частоте.
Мощность, потребляемая преобразователем
(14)
Конструкции многослойных ПП
Наиболее распространенныеконструкции многослойных ПЭ преобразователей изображены на рис. 2. Преобразователь состоит из двух пьезокерамических пластин 1, излучающей накладки 2, отражающей накладки 3, прокладок 4 из мягкой фольги и стягивающего болта 5. Для соединения применяется склеивание, пайка или шпилька, а резьбовые соединения делают прослабленными. Шпилька наиболее простое соединение. Усилие сжатия такого пакета должно превышать возникающие при работе ПП растягивающие механические напряжения в 1,2 тАУ 1,5 раза. Клеят эпоксидным клеем или паяют припоями с tпл < температуры Кюри ПЭ. Величина коэффициента отражения зависит от состояния контактирующих поверхностей накладок и керамики. Поэтому сопрягаемые поверхности тщательно полируются и притираются. При склеивании между ними не должно быть пузырьков воздуха. При работе преобразователь нагревается за счет электрических потерь. Особенно сильно пакет греется, если пластина ПЭ оказывается точно в узле колебаний, а металлические накладки имеют высокое волновое сопротивление. При нагреве резонансная частота преобразователя уходит (меняет свое значение). В большинстве случаев удобно иметь заземленные металлические накладки, так их легче крепить в оборудовании и не надо вводить деталей для электрической изоляции преобразователя. С этой целью активные элементы пакета набирают из нескольких деталей. Например, из двух шайб. Тогда между ними можно установить токоподводящую шайбу, а металлические накладки заземлить. При сборке пакета надо помнить, что соприкасающиеся стороны ПЭ элементов должны иметь одинаковый знак поляризации, например Вл+В». Если отсутствует маркировка заводская, то знак поляризации определяется экспериментально.

Рисунок 2 тАУ Конструкции многослойных преобразователей.
А) тАУ с фланцевым креплением; б) тАУ с центральным болтом; в) тАУ с центральным болтом Т-образной формы.
1 тАУ пьезокерамические пластины, 2 тАУ излучающая накладка, 3 тАУ отражающая накладка, 4 тАУ прокладка, 5 тАУ болт стягивающий, 6 тАУ контактны.
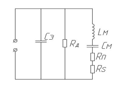
Схема замещения ПП
Каждый тип ПП описывается своей электромеханической схемой замещения. Тем не менее, все схемы могут быть пересчитаны в чисто электрическую схему одного вида.

Рисунок 3 тАУ Схема замещения ПП к электрическим величинам
Здесь:
LM тАУ индуктивность, эквивалентная колеблющейся массе ПКП;
СМ тАУ емкость, эквивалентная гибкости ПКП;
RП тАУ активное сопротивление, эквивалентное сопротивлению механических потерь;
RS тАУ активное сопротивление, эквивалентное сопротивлению излучения (нагрузки);
СЭ тАУ емкость, эквивалентная электрической емкости пьезоэлектрическогопакета.
Сопротивление механических потерь обусловлено внутренним трением частиц материала при колебаниях. Силы трения пропорциональны колебательным скоростям. Коэффициент пропорциональности между ними и есть механическое сопротивление, в котором выделяется мощность потерь. Для каждого элементарного объема колеблющейся массы верно соотношение:
, (15)
где Fтрi тАУ сила внутреннего трения i-го объема;
Vi тАУ колебательная скорость;
Rпi тАУ сопротивления потерь i-го объема.
Сопротивление излучения RS тАУ определяется параметрами излучателя и пропорционально волновому сопротивлению окружающей среды:
RSi = ∙ciρi(16)
Электрическая емкостьСЭ тАУ обусловлена геометрическими размерами и величиной диэлектрической проницаемости материала пьезоэлектрика:
, (17)
где S тАУ площадь металлизации пьезоэлектрика;
l тАУ толщина пьезоэлектрика.
ИндуктивностьLM тАУ используется как электрическая величина, которая определяет кинетическую энергию колеблющейся массы (пропорционально квадраты колебательной скорости).
Емкость СМ тАУ используется как электрический аналог потенциальной энергии колеблющейся массы (пропорциональна упругому смещению).
Резонансная характеристика ППЗависимость модуля полного входного сопротивления ПКП от частоты показана на рис.

Рисунок 4 тАУ Резонансная характеристика ПП.
Как видим, характеристика имеет два экстремума: Zbxmin на частоте f1 обусловлено последовательным резонансом цепочки LMCM. С ростом частоты Zmin стремится к Zbxmax на частоте f2. Этот максимум обусловлен резонансом параллельного контура, состоящего из емкости СЭ и цепочки LMCM, носящей индуктивный характер. Из-за наличия большой собственной емкости пьезоэлемента СЭ, резонансная частота f0 в общем случае не совпадает с экстремумом, находится где-то посередине.
ЛИТЕРАТУРА
1.Орлов П.И. Основы конструирования. Справочно-методическое пособие. В 2-х кн. Кн.1. /Под ред. П.Н.Учаева. тАФ 3-е изд. испр. тАФ М.: Машиностроение, 2000
2.Конструирование приборов: В 2-х кн. /Под ред. В.Краузе; Пер. с нем. В.Н.Пальянова; Под ред. О.Ф.Тищенко. тАФКн.1. М.: Машиностроение, 2006
3. Конструирование приборов: В 2-х кн. /Под ред. В.Краузе; Пер. с нем. В.Н.Пальянова; Под ред. О.Ф.Тищенко. тАФ Кн.2. М.: Машиностроение, 2005
4.Машиностроение. Энциклопедия / Ред. Совет: К.В. Фролов(пред.) и др.; Технологии, оборудование и системы управления в электронном машиностроении. Т 3-8 / Ю.Н. Панфилов, Л.К. Ковалев, В.А. Блохин и др.; Под общ. Ред. Ю.В. Панфилова., 2000
Вместе с этим смотрят:
IP-телефония. Особенности цифровой офисной связи