Дослiдження цифрових iнтегральних мiкросхем
Мiнiстерство освiти та науки Украiни
Тернопiльський державний технiчний унiверситет
iменi РЖвана Пулюя
Кафедра автоматизацii
Технологiчних цесiв
та виробництв
Лабораторна робота №
ВлДослiдження цифрових iнтегральних мiкросхем, якi реалiзують функцii
'АБО', 'I-НЕ, 'НЕ' та iх комбiнацiйВ»
Тернопiль-2008
Мета роботи тАУ Вивчити принципи роботи основних логiчних функцiй цифровоi технiки на прикладi базових елементiв серii К155, побудувати iх таблицi iстинностi. Ознайомитись iз правилами експлуатацii комплекту лабороторного обладнання типу К тАУ 32.

Рис.1. Умовнi позначення логiчних елементiв одноступiнчатоi логiки: а)-"РЖ" б)-"АБО" в)-"НЕ" г)-"РЖ-НЕ" д)-"АБО-НЕ"

Рис.2. Умовне позначення логiчного елемента "Виключаюче АБО"
Таблиця 1:

Таблиця 2:


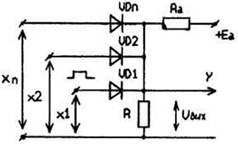
Рис.3. Схема логiчного елемента тАЬАБОтАЭ на дiодах

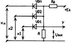
Рис.4. Схема логiчного елемента тАЬРЖтАЭ на дiодах.

Рис.5. Принципова схема логiчного елемента тАЬНЕ

Рис.6. Принципова схема побудови базових елементiв 155 серii

Рис.7. Схема логiчного елемента тАЬАБО-НЕтАЭ на унiполярних транзисторах
Експерементальна частина
| Для мiкросхеми D1 | ||||
| X1 | 0 | 1 | 0 | 1 |
| X2 | 0 | 0 | 1 | 1 |
| Y1 | 0 | 1 | 1 | 1 |
| Для мiкросхеми D2 | |||||
| X3 | 0 | 1 | 0 | 0 | 1 |
| X4 | 0 | 0 | 1 | 0 | 1 |
| X5 | 0 | 0 | 0 | 1 | 1 |
| Y2 | 1 | 1 | 1 | 1 | 0 |
| Для мiкросхеми D3 | ||
| X6 | 0 | 1 |
| Значення напруги на виходi | 0.5 | 3.93 |
| XS1 | 0 | 1 |
| Для мiкросхеми D4 | ||||
| X7 | 0 | 1 | 0 | 1 |
| X8 | 0 | 0 | 1 | 1 |
| Y3 | 0 | 1 | 1 | 0 |
| Для мiкросхеми D5 | ||||
| X9 | 0 | 1 | 0 | 1 |
| X10 | 0 | 0 | 1 | 1 |
| Y3 | 1 | 0 | 0 | 0 |
Висновки: на данiй лабораторнiй роботi ми ознайомились з елементами серii К155. До найпростiших логiчних елементiв вiдносяться такi, як 'АБО', 'I-НЕ, 'НЕ' а також iх комбiнацii. Ознайомилися з принципами роботи цих елементiв.
Вместе с этим смотрят:
IP-телефония. Особенности цифровой офисной связи