Замок кодово-сенсорный
Цифровые измерительные приборы (ЦИП) - это многопреВндельные, универсальные приборы, предназначенные для измереВнния различных электрических величин: переменного и постоянВнного тока и напряжения, ёмкости, индуктивности, временных параметров сигнала (частоты, периода, длительности импульсов) и регистрации формы сигнала, его спектра.
В цифровых измерительных приборах входная измеряемая анаВнлоговая (непрерывная) величина автоматически преобразуется в соответствующую дискретную величину с последующим представВнлением результата измерения в цифровой форме.
По принципу действия и конструктивному исполнению цифВнровые приборы разделяют на электромеханические и электронВнные. Электромеханические приборы имеют высокую точность, но малую скорость измерений. В электронных приборах используется современная база электроники.
Несмотря на схемные и конструктивные особенности, принВнцип построения цифровых приборов одинаков (см. рис. 1).

Рис. 1. Структурная схема цифрового прибора
Измеряемая величина X поступает на входное устройство приВнбора ВУ, где происходит масштабное преобразование. С входного устройства сигнал поступает на аналого-цифровой преобразоваВнтель АЦП, где аналоговый сигнал преобразуется в соответствуВнющий код, который отображается в виде числового значения на цифровом отсчетном устройстве ЦОУ. Для получения всех управляющих сигналов в цифровом приборе предусмотрено устройство управления (УУ) (на рис. 1 не показано).
Входное устройство цифрового прибора устроено аналогично электронному прибору, а в некоторых конструкциях на его входе используется фильтр для исключения помех. [4,83]
В зависимости от принципа аналого-цифрового преобразоваВнния (АЦП) цифровые измерительные приборы разделяют на устВнройства прямого преобразования и компенсационные (с уравновешиваВнющим преобразованием).
Основными элементами ЦИП явВнляются триггеры (электронное устройство с двумя устойчивыми состояниями), дешифраторы (преобразователь кода с одним осВннованием в код с другим основанием) и знаковые индикаторы (преобразователь
электрического сигнала в световой). НескольВнко знаковых индикаторов образуют цифровое отсчетное устройВнство. К наиболее важным характеристикам ЦИП относятся: разВнрешающая способность, входное сопротивление, быстродействие, точность, помехозащищенность. Разрешающая способность ЦИП определяется изменением цифрового отсчета, приходящегося на единицу младшего разряда. Входное сопротивление ЦИП характеВнризует мощность, потребляемую им от объекта измерения. БыстроВндействие ЦИП оценивается числом измерений в секунду. Точность измерений ЦИП отражает близость их результатов к истинному значению измеряемой величины. Класс точности ЦИП определяВнется пределом допускаемой относительной погрешности

где c, u, d - постоянные числа, характеризующие класс точности ЦИП соответственно в конце и начале диапазона;
Хк - конечВнное значение диапазона. Класс точности обозначается в виде дроби c/d, например класс 0,02/0,01.
Помехоустойчивость ЦИП определяется степенью подавления помех на его входе и характеризуется коэффициентом подавления помех
K=20lg(Enoм /U0),
где ЕП0М- амплитудное значение помехи на входе прибора; U0 - эквивалентное входное постоянное напряжение, вызывающее таВнкое же изменение показаний прибора, что и ЕПОМ.
Достоинства: высокая чувствительность (по напряжению постоВнянного тока 1 нВ, по напряжению переменного тока 1 мкВ, по постоянному току 1 нА, по переменному току 5 мкА, по сопротивВнлению постоянному току 10 мкОм, по частоте от долей Гц). ВысоВнкая точность измерения (ЦИП подразделяют на восемь классов точности: 0,005; 0,01; 0,02; 0,05; 0,1; 0,2; 0,5; 1,0). Удобство и объекВнтивность отсчета и регистрации; возможность дистанционной пеВнредачи результата измерения в виде кодовых сигналов без потери точности; возможность сочетания ЦИП с вычислительными маВншинами и другими автоматическими устройствами, высокая помеВнхозащищенность.
Недостатки: сложность устройств и, следовательно, высокая их стоимость, невысокая надежность.
Основные усилия разработчиков направлены на повышеВнние надежности и создание ЦИП с расширенными функциВнональными возможностями, обеспечивающих максиВнмум эксплуатационных удобств, что связано с широВнким применением микроэлектроники и микропроцессорной техВнники.
1. КОНЦЕПЦИЯ ПОСТРОЕНИЯ ВлИНТЕЛЛЕКТУАЛЬНЫХВ» ЗДАНИЙ
На сегодняшний день всё большее распространение получает термин Влинтеллектуальное зданиеВ» - то здание, оснащенное средствами автоматического контроля над всеми системами жизнеобеспечения. Комплекс жизнеобеспечения интеллектуального здания образуют следующие системы:
- защиты от проникновения с подсистемами: защиты периметра, контроля доступа в здание или отдельные помещения (кодовые замки, домофоны) и обнаружения незаконного проникновения внутрь и перемещения по зданию (различного рода сенсоры);
- внешнего и внутреннего видеонаблюдения (видеокамеры, видеосерверы);
- противопожарная (пожарные датчики, автоматические разбрызгиватели);
- контроля за расходом воды и электроэнергии (управляемые счетчики, предназначенные не только для визуального контроля, но и для передачи измеренных параметров на вышестоящий уровень АСУ;
- информационная (обеспечивает доступ к сетевым ресурсам);
- управления силовым оборудованием и освещением (освещение внутри здания, внешняя подсветка, лифты);
- климатического контроля и вентиляции;
- телефонная, с выходом в городскую телефонную сеть
и прочее специфическое оборудование, не влияющее на безопасность и функционирование здания.
Контроль над работой систем может быть распределенным или централизованным. Так, вахтер или местная охрана могут управлять системами видеонаблюдения, контроля доступа и защиты от проникновения; ответственный за пожарную безопасность - противопожарной системой, а администратор локальной сети - доступом пользователей сети здания к внешним и внутренним информационным ресурсам, например Интернету.
ВлИнтеллектуальноеВ» здание от автоматизированного отличается, главным образом, возможностью программировать управляющие системы таким образом, чтобы реакция на события внутри периметра здания происходила по заранее определенному сценарию. Любая из подсистем такого здания либо функционирует полностью автономно, фиксируя свои действия в журнале событий, либо оперативно взаимодействует с оператором, запрашивая у него подтверждение действий. [5]
Все системы жизнеобеспечения могут охватываться единой кабельной структурой, либо каждая из них будет построена на своих кабелях. Общей средой передачи информации может служить, например, коммутируемая сеть Ethernet. Однако надежность системы в целом в этом случае будет ниже, так как при повреждении кабельной проводки нарушается функционирование всех систем, подключенных к данному сегменту кабеля. Как правило, создается шесть независимых кабельных структур (информационная сеть здания - обычно Ethernet; замкнутая петля пожарной системы 2x2 провода; замкнутая петля системы защиты от проникновения; замкнутая петля сервисных служб - контроль освещения, расхода электроэнергии, воды; сеть передачи информации от системы видеонаблюдения; телефонная сеть здания.
В некоторых случаях на небольших или имеющих универсальный пожарно-охранный контроллер объектах может использоваться одна и та же кабельная проводка для противопожарной и охранной систем.
Система видеонаблюдения может быть совмещена с информационной сетью здания. В этом случае для ограничения доступа к видеоданным коммутаторы локальной сети здания (центральный и этажные коммутаторы, если таковые имеются) должны иметь функцию виртуальных локальных сетей (VLAN). Однако отдельные видеокамеры могут предоставляться для совместной эксплуатации.
В связи с бурным развитием IP-телефонии и новыми интеграционными возможностями телефонная сеть здания также иногда, особенно в офисах, объединяется с информационной сетью. Ведущие производители телекоммуникационного оборудования уже выпустили в продажу устройства, подобные телефонам, но подключающиеся к локальной сети.
Системы управления домовой автоматикой (СУДА), к которым можно отнести пожарную систему, охранную систему и сервисные службы, функционируют на всех уровнях модели открытых систем по единым принципам.
На физическом и канальном уровне СУДА представляет собой один или несколько сегментов, разделенных функционально и физически (территориально).
Важно отметить, что идеология построения ВлинтеллектуальныхВ» зданий может быть использована при проектировании систем управления жизнеобеспечением различных строений: жилых, офисных или промышленных.
Описанная структура представляет собой наиболее общий случай системы управления зданием. Конкретная реализация идеологии Влинтеллектуального зданияВ» в значительной мере зависит от требований заказчика.
Однако подобного рода разработки требуют не только больших временных затрат, но и финансовых вливаний. Разрабатываемый кодово-сенсорный замок в какой-то степени позволяет не допускать бесконтрольного посещения какого-либо объекта.
2. ВЫБОР И ОБОСНОВАНИЕ СТРУКТУРНОЙ СХЕМЫ
2.1. Источник питания
Структурная схема источника питания представлена на рис. 2.1.

Рис. 2.1. Структурная схема блока питания
ПТ тАУ понижающий трансформатор. Устанавливает уровень требуемого выходного напряжения. Снижает электробезопасность источника питания и потребителя.
ВБ тАУ выпрямительный блок. Используют элементы (в основном полупроводниковые диоды) обладающие вентельными свойствами, то есть односторонней проводимостью. Преобразуют синусоидальное напряжение в пульсирующее однополярное, которое содержит в своем составе постоянную составляющую, первую и высшую гармонические составляющие.
i тАУ сглаживающий фильтр. Предназначен для уменьшения пульсации выпрямленного напряжения.
С тАУ стабилизатор напряжения. Исключает влияние внешних и внутренних факторов на стабильность выходного напряжения (колебание входного напряжения, температуры, влажности, ВлстаренияВ» элементов).
Н тАУ нагрузка. Может носить активный, емкостной или индуктивный характер, который существенно влияет на работу источника питания.
2.2. Кодово-сенсорный замок.

Рис. 2.2. Структурная схема замка
СП тАУ сенсорная панель. Служит для набора правильной комбинации кода, чтобы открыть замок.
ИП тАУ источник питания. Предназначен для питания замка.
П тАУ преобразователь. Основное его предназначение тАУ преобразование правильной последовательности кода, набираемой на сенсорной панели в сигнал для срабатывания реле.
Р тАУ реле. Используется для приведения в движение при правильном наборе кода запорного механизма.
ЗМ тАУ запорный механизм. Служит для закрытия и открытия двери.
3. ВЫБОР И ОБОСНОВАНИЕ ПРИНЦИПИАЛЬНОЙ СХЕМЫ
3.1. Источник питания.
Для большинства цифровых устройств необходим источник питания. При большом потреблении мощности использование как источника гальванических батарей неэкономично. В этом случае постоянное напряжение получают путём трансформирования и выпрямления напряжения сети. Для этой цели в данной приборе используем (см. приложение ФИРЭ.ИИТ.КП602916/с.003) двухполупериодный выпрямитель со средней точкой трансформатора.
К достоинствам можно отнести - используются обе половины переменного напряжения. При этом вырабатывается пульсирующее колебание, в котором отсутствующие в однополупериодной схеме полуволны инвертируются и появляются между положительными полуволнами. Коэффициент пульсации составляет 0,67, для сравнения коэффициент пульсации однополупериодного выпрямителя 1,57.
Чтобы уменьшить пульсации, на выходе выпрямителя, в схему включаем сглаживающий Г - образный RC - фильтр.
Коэффициент сглаживания показывает, во сколько раз фильтр уменьшает пульсации выпрямленного напряжения.
,
где
,
,
,
- коэффициенты пульсаций и амплитудные значения напряжения на входе и выходе фильтра.

Схемы стабилизации используются во многих, но не во всех источниках питания. Для обеспечения устойчивости выходного напряжения постоянного тока в условиях изменяющейся нагрузки, колебаниях напряжения в сети используем стабилизатор в виде интегральной микросхемы.
Включим в схему резистор R1 являющимся датчиком тока в схеме защиты от перегрузок.
На выходе схемы установим конденсатор С2, служащий для снижения уровня пульсаций выходного напряжения, а так же повышения устойчивости стабилизатора.
С помощью переменного резистора R5 можно будет производить более точную регулировку выходного напряжения.
3.2. Кодово-сенсорныйзамок
Для приведения в действие исполнительного механизма замка досВнтаточно в определенной последовательности дотронуться пальцем сенВнсоров Е2..Е5. При этом необходимо касаться во время набоВнра кода сенсора Е1 либо пар сенсоров: Е2, Е1; ЕЗ, Е1; Е4, Е1; Е5, Е1. При касании сенсоров Е2, Е1 положительное напряжение через цепь Rl, VD1, сопротивление кожи, VD2, R2 поступит на вход элемента DD1.1. В результате триггер DD3.1 установится в ВлединичноеВ» состояВнние и подготовит элемент DD5.2. В связи с этим после касания сенсоВнров ЕЗ, Е1 триггер DD3.2 также установится в ВлединичноеВ» состояние.
Аналогично касание сенсоров El, E4 и El, E5 приведет к установке в ВлединичноеВ» состояние соответственно триггеры DD4.1 и DD4.2. УроВнвень логической 1 на прямом выходе триггера DD4.2 открывает ключ VT1, и реле К1 своими контакторами включает исполнительный мехаВннизм замка. В данном устройстве элементы DD6.1..DD6.3 служат для сброса всех триггеров при нарушении последовательности набора. Для этой же цели служат сенсоры Е6..Е10, при касании к любому из них все триггеры обнуляются.
Цепь R12, С6 играет двойную роль. Она предотвращает ложное срабаВнтывание замка при включении питания (устанавливает триггеры в ВлнулеВнвоеВ» состояние) и обеспечивает включение исполнительного механизма на определенное время, задаваемое постоянной времени цепи R12, Сб. Этого времени должно быть достаточно для того, чтобы засов замка, связанный с сердечником электромагнита, приготовился защелкнуться. Помещение закрывают, захлопывая двери, аналогично некоторым типам механических замков. Цепь Rl3, C7 предотвращает возможный сброс тригВнгера DD4.2 при включении электромагнита, поскольку замок и электроВнмагнит имеют общее питание.
Устройство собрано на микросхемах КМОП структуры, поэтому характеризуется малым потреблением электроэнерВнгии. В проектируемом кодовом замке используем микросхемы К561ЛА7, К561ЛА9, К561ЛЕ5, К561ТМ2.
В основе всех цифровых микросхем КМОП находятся элементы И, И, ИЛИ и коммутативный ключ. С помощью КК реализуются выходы с третьим состоянии очень большого выходного импеданса Z (практически разомкнуто). Полевые транзисторы можно соединять последовательно ВлстолбикомВ», поэтому элементы И, ИЛИ строятся по разным схемам.
Для КМОП принято, чтобы 1 отображалась высоким уровнем, а 0 тАУ низким.
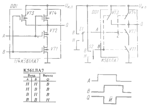
Один двухвходовый канал И из микросхемы К561ЛА7 (см. рис. 3.2.) содержит четыре разноканальных полевых транзистора: VT1 и VT2 тАУ n, а VT3, VT4 тАУ p тАУканальные. На эквивалентной ключевой схеме выходы А и В получают четыре возможных логических сигнала от переключателей S1 и S2.
Рис. 3.2. Принцип действия микросхемы К561ЛА7
Если последовательно перебрать все комбинации напряжений высоких и низких уровней, поступающих на входы А и В от S1 и S2, и рассмотреть уровни на выходе Q, получим таблицу состояний инвертора И. Когда от S1 и S2 на входы А и В поданы напряжения высокого уровня В, n тАУ каналы транзисторов VT1 и VT2 будут замкнуты, а каналы VT3 и VT4 разомкнуты. На выходе Q окажется напряжение низкого уровня Н. Если на вход А или В поступает хотя бы один низкий уровень, один из каналов VT3 или VT4 оказывается замкнутым и на выходе Q появляется напряжение высокого уровня. В результате вертикальная колонка данных на выходе соответствует функции И. Если на входы А и В подать два положительных импульса, сигнал на выходе Q будет соответствовать площади их совпадения (но с инверсией).
Устройство базового элемента ИЛИ (это один канал микросхемы К561ЛЕ5), как бы обратное по сравнению с элементом И: здесь параллельно соединены n тАУ канальные и последовательно p тАУ канальные транзисторы. На эквивалентной схеме (см. рис.) только совпадение низких входных уровней на входах А и В даст высокий уровень на выходе Q, так как в этот момент замыкаются оба верхних p тАУ канальных транзистора VT1 и VT2. Присутствие хотя бы одного высокого уровня В на входах А, В означает замыкание одного из параллельных n тАУ канальных транзисторов VT3, VT4.

Рис. 3.3. Устройство микросхемы К561ЛЕ5.
Состояние выхода Q в зависимости от уровней, последовательно поступающих от переключателей S1 и S2, дают столбик данных, соответствующих функции ИЛИ. Осциллограмма отклика на выходе ИЛИ показывает, что длительность действия инвертированного сигнала на выходе Q соответствует времени действия обоих входных сигналов.
Кроме указанных на схеме микросхем можно также применить ИМС серий К564, К561. Конденсаторы С1..С5 типа KM, C6..C8 типа К5О-16, , резисторы - МЛТ-0,25.
В качестве реле К1 используется реле РЭС59 (паспорт ХП4.500.021.01) с характеристиками Rном = 130 Ом, Iср = 11 мА, Iош = 1 мА, Uраб = 2.1тАж2.7 В и временными параметрами tср = 20 мс и tот = 12 мс.
Кодонабиратель представляет собой прямоугольную пластину из изоВнлирующего материала, на которой размещены 10 сенсоров. Если длина соединительных проводов между кодонабирателем и корпусом замка имеет значительную длину (более 300 мм), то для повышения помехоуВнстойчивости их желательно экранировать.
Собранный замок практически не требует налаживания. Может лишь возникнуть необходимость в более точном подборе величин резиВнсторов R12, R13. Для смены кода кодонабиратель соединяют с замком через переключатель.
4. РАiЁТНАЯ ЧАСТЬ.
4.1. Блок питания.
Определим значение тока через вторичную обмотку трансформатора по формуле:
, где
Iн тАУ максимальный ток нагрузки, 0,5 А.
Необходимо определить номинальную мощность:
, где [7]
U2 тАУ напряжение на вторичной обмотке, В;
I2 тАУ максимальный ток через вторичную обмотку трансформатора, А.
Действующие значения напряжений на вторичных обмотках трансформатора
![]()
Мощность же на вторичных обмотках находится по формуле
![]()
Коэффициент использования трансформатора составляет Ктр = 0,674. Имеем

Pн тАУ номинальная мощность, Вт.
Pтр тАУ мощность трансформатора, Вт
Найдём коэффициент трансформации по формуле

Рассчитаем необходимую площадь сечения сердечника магнитопровода
![]()
Подсчитаем число витков первичной и вторичной обмотках по формуле


где U1, U2 тАУ напряжения на первичной и вторичной обмотках соответственно.
S тАУ площадь сечения магнитопровода, см2.
Необходимо найти диаметр проводов обмоток трансформатора по формуле:
, где
I тАУ ток через обмотку, мА.
Получаем диаметр провода равный 0,6 мм.
После этого можно приступить к подбору трансформаторного железа и провода, изготовлению каркаса и выполнению обмоток. Но следует иметь в виду, что Ш тАУ образные трансформаторные пластины имеют неодинаковую площадь окна, поэтому нужно проверять, подойдут ли выбранные пластины для трансформатора.[7]
Для этого мощность трансформатора умножим на 50, получится необходимая площадь окна:
![]()
Полученное переменное напряжение и ток необходимо выпрямить.
По закону Ома определим сопротивление нагрузки

Преобразование переменного тока в постоянный производится при помощи полупроводниковых диодов.
Ток через диоды составляет

Выбираем два диода КД202Г, который обеспечивает выпрямленный ток Iпр = 3,5 А, выдерживающий обратное напряжение 70 В, прямое падение напряжения Uпр = 0,9 В, обратный ток Iобр = 0,8 мА, порог выпрямления Епор = 0,35 В.
Прямое сопротивление вентиля

Для сглаживания пульсаций, остающихся после выпрямления, используются схемы фильтрации. В схеме используем Г тАУ образный RC фильтр.
Найдём напряжение на входе фильтра
![]()
Определим сопротивление электрического фильтра по формуле:
![]()
Ёмкость конденсатора, входящего в состав фильтра находим как
, где
f тАУ частота сети, 50 Гц.
m тАУ отношение частоты пульсаций основной гармоники к частоте сети, 2.
Rф тАУ сопротивление электрического фильтра.
Rн тАУ сопротивление нагрузки.

В качестве интегрального стабилизатора для фиксации напряжения питания ДА1 выбираем К142ЕН1 с параметрами: Uвх = 15тАж30 В, Uвых = 3тАж12 В, максимальный пропускаемый ток Imax = 0,1 А, максимальная рассеиваемая мощность Pmax = 0,8 Вт, коэффициент нестабильности напряжения по выходу микросхемы Кнс= 0,5.
Выходной ток микросхемы ДА1 не соответствует заданному и для его повышения устанавливаем последовательно с нагрузкой регулирующий транзистор VТ1 c n тАУ p тАУ n проводимостью.
Ток транзистора определяем как
где
IвнтАУ ток, потребляемый схемой стабилизатора, составляет 0,006 А.
Определим минимальное напряжение на входе стабилизатора. Оно должно быть:
, где
Uп тАУ амплитуда пульсаций на входе стабилизатора;
Uкэ min тАУ минимальное падение напряжения на открытом транзисторе, 2 В.
![]()
Получаем
U01 min³ 9 + 2 + 1,1 = 12,1 В
Найдём номинальное входное напряжение на стабилизаторе по формуле:
,
где ![]()

Максимальная рассеиваемая мощность на транзисторе можно рассчитать как
![]()
По найденным значениям выбираем транзистор КТ827А со следующими параметрами Uк э max = 100В, Iк max = 20 A, Pkmax = 125Вт, h21 э min= 850, h21 э max= 18000.
Определим ток базы транзистора по формуле

что значительно меньше допустимого тока нагрузки микросхемы ДА1 тАУ 0,05 А.
Чтобы транзистор при номинальном токе нагрузки был закрыт и не влиял на работу стабилизатора, а открывался лишь при Iн = Iпор, пороговый ток должен заметно отличаться от номинального значения.
![]()
Сопротивление R1 определяет напряжение на эмиттерном переходе транзистора. Это напряжение пропорционально току нагрузки, поскольку резистор R3 включен последовательно с ней

Устанавливаем самодельный проволочный резистор из манганина.
Отношение R2/R3 выбираем таким, чтобы при номинальном токе нагрузки напряжение между выводами микросхемы 10 и 11 было близким к нулю.
U10-11 = UR1 + Uбэ1 - UR2 = UR3 - UвыхВ» 0
Принимаем R3 = 2,4 кОм
UR1 = Iн * R1 = 0,5 * 0,45 = 0,23 В
Uбэ1 = 0,5 В
UR2 = UR1 + Uбэ1 = 0,23 + 0,5 = 0,73 В
Ток делителя R2, R3

Выходной конденсатор С2 также как и С1 повышает устойчивость стабилизатора и уменьшает пульсации на выходе. Изготовитель микросхемы К142ЕН1 рекомендует ёмкость конденсатора С1 = 0,1 мкФ. Подобную ёмкость можно использовать и для конденсатора С2. Тип конденсаторов К73 тАУ 24.
5. ЗАПОРНЫЕ УСТРОЙСТВА
Запорное устройство, выполнение на базе соленоида. Рассчитано оно на рабочее напряжение. Представление о конструкции запирающего устройства дает его сборочный чертеж (в разрезе), показанный на рисунке 3. Характерная особенность запорного устройства - минимальная постоянная сила тяги (около 3 кг) при номинальном напряжении источника питания обмотки соленоида. Это достигнуто применением соленоида с конусным плунжером при минимальном зазоре магнитной цепи. Конструкция длинно-ходового соленоида позволяет получить практически постоянную силу тяги на всем пути плунжера. Оставлять на длительное время плунжер втянутым (обмотка под напряжением) не рекомендуется, так как соленоид потребляет значительный ток - около 1 А. Поэтому, чтобы он не перегревался, после открытия двери электронную часть кодового замка необходимо привести в исходное состояние. Применяемые запирающие устройства имеют, как правило, сходную механическую конструкцию и принцип действия.

Рис. 5.1. Запорное устройство:
1 тАФ стопорный винт плунжера; 2 тАФ переходник; 3 тАФ гайка поджимная; 4 тАФ хвостовик; 5 тАФ конический упор; 6 тАФ пружина; 7 тАФ стакан; 8 тАФ плунжер; 9 тАФ латунная трубка (толщина стенки не более 0,5 мм); 10 тАФ обмотка соленоида; 11 тАФ втулка; 12 тАФ корпус; 13 тАФ накладка
6. РАЗРАБОТКА И МЕТОД ИЗГОТОВЛЕНИЯ ПЕЧАТНЫХ ПЛАТ
В процессе изготовления плата подвергается действию химических реагентов: при больших размерах платы, возможно, ее коробление.
Размеры и очертания печатных проводников и элементов, контактных площадок, монтажных и контактных отверстий и тому подобное на чертежах печатных плат указывают с помощью координатной сетки в прямоугольной системе координат. Правила выполнения чертежей печатных плат (ГОСТ 2.417-68) предусматривается также нанесение координатной сетки в полярной системе координат и указание размеров при помощи размерных выносных линий. Допускается комбинированный способ нанесения размеров.
По ГОСТ 10317-72 шаг координатной сетки в двух взаимно перпендикулярных направлениях должен равняться 2,5мм. Для особо малогабаритной аппаратуры, а так же в исключительных, технически обоснованных, случаях применение дополнительного шага 1,25мм.
Схемные детали и печатные проводники размещают на координатной сетке в соответствии с принципиальной схемой. При этом необходимо более экономно использовать площадь платы и избегать пересечения схемой.
Элементы, имеющие большие габариты следует размещать вне платы, а соединение осуществлять монтажным проводом. Все навесные детали обычно располагают с одной стороны платы, а печатные проводники тАУ на другой. На сторону печатных проводников не должны выходить за крепежные детали, так как с этой стороны выполняется пайка. В ряде случаев целесообразно применить двухсторонний монтаж. Конденсаторы, резисторы, перемычки и другие навесные детали располагают параллельно координатной сетке. Расстояние между корпусами параллельно расположенных деталей должно быть не менее 1мм, а расстояние по торцу тАУ не менее 1,5мм. Центры отверстий для установки навесных деталей располагают в точках пересечения координатной сетки.
Конструирование печатной платы начинают с разработки эскиза, который выполняют в увеличенном масштабе (2:1, 4:1 и т.д.). Для всех элементов, входящих в схему, изготовляют в том же масштабе шаблоны из картона и размешают на поле чертежа. После выбора лучшего варианта их расположения, наносят соединительные проводники. Печатные проводники расположенные на другой стороне платы, показывают штриховыми линиями.
Затем составляют чертеж печатной платы. В узлах координатной сетки показывают окружности, соответствующие местам установки навесных навесных элементов.
На изображении печатной платы проводники, экраны, контактные площадки и другие печатные элементы штрихуют. Проводники, ширина которых на чертеже
менее 2мм., изображают сплошной утолщенной линией, равной примерно двум толщинам контурной. Контактные площадки, примыкающие к проводникам, изображены сплошной утолщенной линией, не штрихуют.
Наносим краской, лаком или специальным маркером позитивный рисунок схемы проводников. Последующим травлением в растворе хлорного железа удаляется медь с незащищенных участков, и на диэлектрике получается требуемая электрическая схема проводников.
Подготовка поверхности заготовки к нанесению рисунка заключается в очистке поверхности фольги. Зачистку целесообразно выполнять латунными или капроновыми щетками.
Химический метод при сравнительно простом технологическом процессе обеспечивают высокую прочность сцепления проводников с основанием, равномерную толщину проводников и их высокую электропроводность. В настоящее время химический метод является основными при изготовлении односторонних печатных плат. Недостатки этого метода необходимость в металлических втулках при двухстороннем монтаже и непроизводительный расход меди.
Все детали замка, кроме кодонабирателя, исполнительного мехаВннизма и блока питания, смонтированы на печатной плате из двухстоВнроннего фольгированного текстолита размером 90x55 мм (см. приложение ФИРЭ.ИИТ.КП602916/с.002). После сборки плату устанавливают в металлическом корпусе - экране.
ЛИТЕРАТУРА
1. В. М. Пестриков Домашний электрик и не толькотАжИзд. Нит. тАУ Издание 4-е
2. В. Л. Шило Популярные микросхемы КМОП Справочник., М.: ВлЯгуарВ» - 1993
3. Горячева Г. А., Добромыслов Е. Р. Конденсаторы: Справочник. тАУ М.: Радио и связь, 1984
4. Раннев Г. Г. Методы и средства измерений: М.: Издательский центр ВлАкадемияВ», 2003
5. http//" onclick="return false">
6. Калашников В. И., Нефедов С. В., Путилин А. Б. Информационно-измерительная техника и технологии: учеб. для вузов. тАУ М.: Высш. шк., 2002
7. http://" onclick="return false">
Вместе с этим смотрят:
IP-телефония. Особенности цифровой офисной связи