Поэтажный расчет статической балки
Министерство образования и науки Российской Федерации
Московский институт коммунального хозяйства и строительства
Контрольная работа
по дисциплине: Строительная механика
Студент:
Специальность: 290700
Шифр: ТВ
Проверил:
Москва 2009
Расчет многопролетной статически определимой балки
Определяем реакции опор и строим эпюры моментов М и поперечных сил Q.
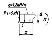
Изображаем расчетную схему

Рис.1 тАУ Расчетная схема.
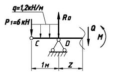
Выделяем главные балки АВ, DE и второстепенную ВС. Строим поэтажную схему.

Рис. 2 тАУ поэтажная схема.
Расчет балки верхнего этажа.

Определим реакции опор.
;
кН;
;
кН;
Проверка:
;
- верно;
Начало координат выбираем в крайней левой точке. Рассмотрим равновесие отсеченной части бруса:

В сечении возникают внутренние усилия:
![]()
;
;
;
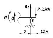
0 При z=0 получаем: При z=10 получаем: Последовательно рассчитываем балки нижнего этажа. Балка АВ. Начало координат выбираем в крайней правой точке. Рассмотрим равновесие отсеченной части бруса: В сечении возникают внутренние усилия: 0 При z=0 получаем: При z=10 получаем: Так как на участке действует равномерно распределенная нагрузка моменты вычисляем в трех точках. При z=5 получаем Балка СDE. Определим реакции опор. Проверка: Расчетная схема имеет четыре силовых участка. Рассмотрим первый участок. Начало координат расположим в точке С. Рассмотрим равновесие отсеченной части бруса. В сечении возникают внутренние усилия: 0 При z=0 получаем: При z=1 получаем: Второй участок. Начало координат расположим в точке D. Рассмотрим равновесие отсеченной части бруса. В сечении возникают внутренние усилия: 0 При z=0 получаем: При z=2,2 получаем: Третий участок. Начало координат расположим в крайней правой точке. Рассмотрим равновесие отсеченной части бруса.В сечении возникают внутренние усилия: 0 При z=0 получаем: При z=1,2 получаем: Четвертый участок. Начало координат расположим в точке Е. Рассмотрим равновесие отсеченной части бруса. В сечении возникают внутренние усилия: 0 При z=0 получаем: При z=1,2 получаем: Составляя эпюры, построенные для отдельных элементов, строим окончательные эпюры M и Q. Ориентируясь на поэтажную схему строим линии влияния для балки CDE, а затем учитываем влияние балки BC. Вычисление усилий по линиям влияний: Расчет плоской статически определимой фермы При действии узловой внешней нагрузки в стержнях возникают только продольные усилия (растяжение или сжатие). Расчет заключается в определении этих усилий. Рис . Расчетная схема. Определение усилий в стержнях фермы. Определяем опорные реакции. Так как ферма симметрична опорные реакции равны Определяем усилия в стержнях. Усилие N1-2 и усилие N1-А определим способом вырезания узлов. Рассмотрим узел 1. Так как рассматриваемая ферма с параллельными поясами усилие NА-2 определим способом проекций, проектируя все силы на вертикаль. Проводим сечение и рассматриваем равновесие левой части. Усилие NА-3 определим способом моментной точки. Проводим сечение и рассматриваем равновесие левой части, за моментную точку принимаем точку 2. N2-3 определим способом проекций, проектируя все силы на вертикаль. Проводим сечение и рассматриваем равновесие левой части. Усилие N2-4 определим способом моментной точки. Проводим сечение и рассматриваем равновесие левой части, за моментную точку принимаем точку 3. Усилие N3-5 определим способом моментной точки. Проводим сечение и рассматриваем равновесие левой части, за моментную точку принимаем точку 4. N3-4 определим способом проекций, проектируя все силы на вертикаль. Проводим сечение и рассматриваем равновесие левой части. Усилие N4-6 определим способом моментной точки. Проводим сечение и рассматриваем равновесие левой части, за моментную точку принимаем точку 5. N4-5 определим способом проекций, проектируя все силы на вертикаль. Проводим сечение и рассматриваем равновесие левой части. Усилие N5-7 определим способом моментной точки. Проводим сечение и рассматриваем равновесие левой части, за моментную точку принимаем точку 6. N5-6 определим способом проекций, проектируя все силы на вертикаль. Проводим сечение и рассматриваем равновесие левой части. Усилие N7-6 определим способом вырезания узлов. Рассмотрим узел 7. Так как в узле сходятся три стержня, два из которых лежат на одной прямой и узел не нагружен: Так как рассматриваемая ферма симметрична, то усилия стержней расположенных с правой стороны от стойки 6-7 будут соответственно равны симметричным, расположенным с левой стороны. Построение линий влияния усилий в стержнях фермы. Исходными служат линии влияния опорных реакций RА и RB. Проводим сечение I-I. Груз Р=1 справа от узла 7. Рассмотрим равновесие левой части фермы. Груз Р=1 слева от узла 5. Рассмотрим равновесие правой части фермы. Проводим сечение II-II. Груз Р=1 справа от узла 5. Рассмотрим равновесие левой части фермы. Груз Р=1 слева от узла 3. Рассмотрим равновесие правой части фермы. Вырезаем узел 7. а) сила в узле: б) сила вне узла Определение расчетных усилий в элементах фермы. Определяем усилия от временной нагрузки. Умножаем узловую временную нагрузку Pврем=1,7кН на положительные ординаты линии влияния для определения Nmax, и отрицательных для Nmin. Определение расчетных усилий. Расчетные усилия определяем по формулам: Nmax Nmin N4-5 N4-6 N5-7 N5-6 N6-7 Вместе с этим смотрят: Авангардизм як явище архiтектури ХХ столiття Автоматическая автозаправочная станция на 250 заправок в сутки Анализ деятельности строительного предприятия "Луна-Ра-строй" Анализ проектных решений 20-ти квартирного жилого дома
кН;
;
кН;
;
кН.

![]()
;
;
;
кН;
;
кН;
кН;
кН;
;
кН;
;
кН;
;
- верно;
![]()
;
;
;
кН;
;
кН;
кН;
![]()
;
;
кН;
кН;
кН;
кН;
![]()
;
;
;
кН;
кН;
кН;
кН;
![]()
;
;
;
кН;
кН;
кН;
кН;
кНм;
кН;
кН.
;
кН;
;
кН;
кН;
![]()
кН (сжат);![]()

;![]()
кН (сжат);
;
кН;
кН;
;
кН;
;
кН (сжат);
;
кН;
;![]()
кН (сжат);
;
кН (сжат);
;
кН;
;
кН;
;![]()
кН (сжат);
;
кН;

;
;
;
;
;
;![]()
;

![]()
;
;
кН;
кН;
кН;
кН;
кН;
кН;
кН;
;
;Номер стержня Усилия от постоянной нагрузки N Усиление от временной нагрузки Расчетное усилие N+ N- 1 1,7 -0,85 2,7 0,15 -8 - -6,8 -8 -14,8 9 7,65 - 16,65 9 -1,41 1,2 -2,399 -0,21 -3,809 0 1,7 - 1,7 0