Измерительный контроль в оптической микроскопии
БЕЛОРУССКИЙ ГОСУДАРСТВЕННЫЙ УНИВЕРСИТЕТ ИНФОРМАТИКИ И РАДИОЭЛЕКТРОНИКИ
Кафедра ЭТТ
РЕФЕРАТ
На тему:
"Измерительный контроль в оптической микроскопии"
МИНСК, 2008
1. Оптическая (световая) микроскопия
Простейшим микроскопом является двухлинзовый микроскоп. На рис.2. схематично показано как формируется микроскопическое изображение в системе двух собирающих линз. Первая из них - объектив, формирует действительное увеличенное изображение объекта АВ - АтАЩВтАЩ.

Рис.1. Классификация оптических методов НК

Рис.2. Схема двухлинзового микроскопа
1 - объектив; 2 - окуляр; 3 - измерительная шкала или сетка
Изображение А'В' затем рассматривается в окуляр (вторая линза), и окончательное изображение А"В", получаемое при этом, является мнимым. Формированию изображения в световом микроскопе сопутствуют, согласно теории Аббе, два эффекта, снижающих разрешающую способность: сначала дифракция света на микроскопических деталях объекта, затем, после прохождения дифрагированных лучей через линзу, их интерференция. Эти эффекты не позволяют изучать микрообъекты размером менее 10-6 м.
Чтобы изучать более малые микрообъекты применяют метод "тёмного поля" (рис.3). Его принцип состоит в том, что исследуемый прозрачный объект освещается косыми лучами, которые при отсутствии рассеяния или преломления не попадают в объектив микроскопа. Если же объект исследования содержит включения, также прозрачные, но с другим показателем преломления, то лучи, прошедшие через эти включения и изменившие своё направление, попадают в объектив и визуализируют их. Поскольку основная часть световых лучей минует объектив, поле зрения остаётся тёмным и на его фоне видны светлые изображения микровключений. В микроскопе, реализующем метод "тёмного поля" (ультрамикроскопе), видны частицы размером 2*10-9 м. Важными областями применения ультрамикроскопов является контроль чистоты атмосферы, воды, поверхностей и т.д. Однако недостатком таких микроскопов является невозможность измерения геометрических размеров микровключений и дефектов (они обнаруживаются, но чёткого очертания их формы не получается).

Рис.3. Образование темнопольного изображения при прямом (а) и косом (б) освещении объекта:
1 - осветитель; 2 - зеркало; 3 - затемняющая пластина; 4 - объектив;
5 - изображение светлого дефекта на тёмном поле
Одним из перспективных направлений повышения эффективности контроля ИЭТ является использование ультрафиолетовых (УФ) лучей. Основной эффект при этом заключается в повышении почти в два раза разрешающей способности УФ микроскопа по сравнению со световым. Имеет место и ещё один положительный эффект: повышение чёткости изображений. В основу метода положено явление сильного различия в поглощении УФ лучей различной длины волны различными веществами.
Снимая микроскопическое изображение одного и того же объекта несколько раз в УФ - лучах разной длины волны, можно получить набор микрофотографий, в разной степени отражающих различные детали объекта исследования. Затем чёрно-белые негативы (или позитивы) этих изображений с помощью хромоскопа проецируют на общий экран, поставив перед каждым изображением фильтр определённого цвета. В результате на экране получается многоцветное изображение, хорошо выявляющее детали объекта.
Регистрация микроскопических изображений в УФ лучах производится в основном двумя способами. В первом случае в плоскости формирования микроскопического изображения в УФ лучах помещают флюоресцирующий экран, люминофор которого при поглощении УФ лучей испускает световые лучи видимого диапазона. Во втором случае в плоскости изображения помещают фотокатод электронно-оптического преобразователя (ЭОП), испускающего под действием ультрафиолета фотоэлектроны. Фокусируя электроны в плоскости флуоресцирующего экрана ЭОПа можно получить видимое изображение исследуемого объекта.
2. Измерительный контроль в оптической (световой) микроскопии
При производстве комплектующих изделий для ЭА и СМЭ, в условиях наиболее распространённой в настоящее время планарно-эпитаксиальной технологии, неразрушающий 100% -ный контроль интегральных микросхем (ИМС) на этапах, предшествующих созданию на кристалле контактных площадок, может быть осуществлён по двум основным направлениям: измерение различного рода геометрических величин (длина, ширина, толщина, глубина, а также размеры и плотность поверхностных дефектов) и измерение ряда физико-химических параметров, к числу которых относятся удельное сопротивление, состав и структура материалов, образующих технологические слои, концентрация и подвижность носителей заряда.
Геометрические размеры элементов определяют параметры и свойства ИМС, а отклонение размеров элементов приводят не только к отклонениям технических характеристик ИМС, но и к выходу их из строя. До сих пор для контроля линейных размеров широко используются визуальный метод и универсальные (биологические и др.) микроскопы, не имеющие ни требуемой точности, ни необходимой производительности. При этом, как правило, отсутствует автоматизация процесса и документирование результатов измерений.
Визуальный метод может быть усовершенствован и условия наблюдений и измерений улучшены за счёт применения телевизионной и лазерной техники. При этом облегчается труд оператора, снижается его утомляемость, возможность появления промахов и грубых ошибок в измерениях, повышается производительность труда, что всегда важно при производственном контроле, однако точностные характеристики визуального метода остаются прежними. Телевизионные микроскопы для визуальных измерений и контроля фактически представляют собой простое сопряжение обычного оптического микроскопа с телевизионной установкой, где изображение рассматривается оператором не через окуляр, а на экране телевизионного монитора (рис.4).
В ряде случаев в производственном контроле использование таких микроскопов вместо оптических имеет преимущества, например при достаточно высокой общей освещённости производственного помещения. При этом утомляемость оператора при наблюдении и измерениях с использованием телевизионного экрана значительно ниже, так как не требуется постоянная аккомодация зрения, могут быть подобраны оптимальные яркость и контраст изображения - за счёт специальной обработки видеосигнала (фильтрация постоянной составляющей, коррекция чёткости, выбор оптимальной амплитудно-частотной характеристики усилителей и т.д.). Это особенно важно при наблюдении таких малоконтрастных объектов, какими являются ИМС. Кроме того, облегчаются общие условия наблюдения (дистанция, положение головы и тела, групповое наблюдение и т.д.).
С помощью телевизионного микроскопа можно производить визуальные наблюдения и измерения как в видимом, так и в ИК и УФ диапазонах спектра. Для реализации этого необходимо, чтобы мишень телевизионной трубки была чувствительна в соответствующем спектральном диапазоне, а спектр люминесценции выбирался с учётом требуемых условий наблюдения и контроля.
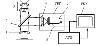
В настоящее время получили широкое распространение телевизионные измерители линейных размеров, которые могут быть построены по двум различным схемам: с проекцией изображения на передающую телевизионную трубку и со сканированием оптического луча. Первый тип телевизионных измерительных устройств является более распространённым. Он состоит из следующих основных блоков (рис.4): оптического микроскопа, телевизионной камеры, видеоконтрольного устройства и анализатора телевизионных изображений (АТИ). В функции АТИ входит обработка видеосигнала и измерения по нему геометрических параметров контролируемого объекта. На рис.5 и 6 отображены реальные телевизионные микроскопы с измерительными системами, позволяющие анализировать и обрабатывать изображения различных элементов ЭА с целью исследования структурных и физико-химических характеристик их материалов.

Рис.4. Телевизионный микроскоп
1 - микрообъектив, 2 - полупрозрачное зеркало, 3 - окуляр, 4 тАУ объектив телевизионной камеры, 5 - телевизионная передающая трубка, 6 тАУ блок формирования видеосигнала, ТВК - телевизионная камера, ВКУ - видеоконтрольное устройство, АТИ - анализатор телевизионных изображений
Другим типом телевизионных измерительных систем являются телевизионные микроскопы со сканированием оптическим лучом. Возможны два способа получения сканирующего оптического луча: с помощью специальной электронно-лучевой трубки с бегущим световым пятном (рис.7) и путём строчно-кадровой развёртки лазерного луча по поверхности исследуемого объекта и регистрации при этом отраженного света (Рис.8).
В настоящее время практически используются лазерные телевизионные микроскопы, предназначенные для использования в технологии микроэлектроники. Они позволяют осуществлять наблюдение на экране видеомонитора как обычное изображение поверхности кристалла ИМС, образующееся рассеянным на объекте светом, так и внутреннее изображение активных компонентов ИМС, являющееся результатом проявления внутреннего фотоэффекта, вызванного поглощением интенсивного лазерного излучения (Рис.9). Это изображение несет информацию о состоянии полупроводниковых структур и позволяет проанализировать отказы, возникающие внутри полупроводникового кристалла ИМС, бесконтактным способом с использованием своеобразного лазерного щупа-зонда.

Рис.7. Принципиальная схема телевизионного микроскопа с бегущим пятном:
1 - ЭЛТ с бегущим пятном; 2 - полупрозрачное зеркало (светоделитель); 3 - окуляр микроскопа; 4 - объектив; 5 - зеркало; 6 - объект контроля; 7 - ФЭУ; 8 - электронная система; 9 - ВКУ; 10 - реперная координатная сетка (эталонная шкала); 11 - электронный блок с фотоприёмником, корректирующий абберации микрообъектива и нелинейность развёртки
В основу данного метода неразрушающего контроля заложен процесс оптической генерации свободных носителей заряда в полупроводнике. При поглощении света с энергией кванта, превышающей ширину запрещённой зоны, в поверхностном слое полупроводника возникают свободные носители заряда обоих типов.

Рис.8. Схема лазерного сканирующего микроскопа:
1-лазер; 2-вертикальный и горизонтальный дефлекторы (качающиеся зеркала); 3-электропривод дефлекторов; 4-оптическая система (обращённый микроскоп); 5-исследуемая микросхема; 6-предметный столик; 7-электронный блок обработки видеосигнала; 8-ВКУ; 9-генератор развёрток; 10-ФЭУ

Рис.9. Фотоответное изображение планарного транзистора в кристалле ИМС:
а тАУ внешняя световая микрофотография n-p-n-транзистора; б тАУ фотоответное изображение перехода база-эмиттер при обратном включении (переход заперт) с напряжением UБЭ=-0,01 В; в тАУ UБЭ=-0,16 В
Если вблизи от области генерации находится потенциальный барьер любого происхождения (например, p-n-переход, барьер Шотки, граница поверхности), то избыточные электроны и дырки, дошедшие в результате диффузии до этого барьера, под действием внутреннего поля разделяются и двигаются в противоположных направлениях. При этом во внешней цепи возникает фото-ЭДС или фототок. С приближением светового зонда к области барьера фотоответ увеличивается пропорционально числу разведённых полем носителей и достигает максимума при освещении области объёмного заряда потенциального барьера.
Если сканировать поверхность полупроводниковой структуры оптическим зондом и регистрировать в каждой точке фототок, то картина распределения фототока, так называемое фотоответное изображение структуры, будет отражать расположение p-n-переходов и других потенциальных барьеров, что позволяет визуализировать различные дефекты активных элементов ИМС (рис.10). Этот метод может эффективно применяться для контроля состояния активных элементов (прямое и обратное включение транзисторов, логическое состояние триггеров) (рис.11). В сложных ИМС при снятии сигнала фотоответа в общей цепи характер фотоответного изображения элемента определяется не только его собственным состоянием, но и взаимосвязями с другими элементами (12). При этом появляется возможность получить информацию о состоянии практически всех активных элементов, доступ электрических зондов к которым практически затруднён или невозможен.

Рис.10. Фотоответное изображение транзисторов в фотоматрице (а):
б тАУ годный транзистор; в, г тАУ дефектные транзисторы

Рис.11. Фотоответное изображение транзисторов при прямом (а) и обратном (б) смещении и фотоответное изображение активных элементов триггера (в)

Рис.12. Принципиальная схема адресного формирователя БИС ЗУ (а) и его фотоответное изображение при пониженном (б) и нормальном (в) напряжении питания
СПИСОК ЛИТЕРАТУРЫ
1. Давыдов П.С. Техническая диагностика радиоэлектронных устройств и систем. - М.: Радио и связь, 2005. - 256 с.
2. Технические средства диагностирования: Справочник / Под общ. ред. В.В. Клюева. - М.: Машиностроение, 2005. - 672 с.
3. Приборы для неразрушающего контроля материалов и изделий. - Справочник. В 2-х кн. / Под ред. В.В. Клюева - М.: Машиностроение, 2006.
4. Г.А. Кейджян. Прогнозирование надежности микроэлектронной аппаратуры на основе БИС. - М.: Радио и связь, 2002.
Вместе с этим смотрят:
IP-телефония. Особенности цифровой офисной связи