Импульсный блок питания
Процесс в развитии науки и техники не стоит на месте. Большую роль в этом процессе играет технология, так как от правильно выбранной или разработанной технологии зависят и характеристики конкретного изделия и его стоимость.
Необходимость проектирования сложных радиоэлектронных средств (РЭС) и требования к сокращению сроков их проектирования и повышению качества проектных работ противоречивы. Удовлетворить их можно лишь при широком использовании вычислительной техники в процессе проектирования. В связи с этим автоматизированные методы проектирования РЭС различного назначения широко внедряются в практику радиопромышленности.
Проектирование устройств средств вычислительной техники (СВТ) представляет собой ряд этапов:
1. Этап технического предложения.
2. Этап эскизного проектирования.
3. Этап технического проектирования.
4. Рабочий проект.
Процесс автоматизации проектирования радиоэлектронных средств по содержанию и последовательности решаемых задач может быть весьма разнообразен в зависимости от функциональной и конструктивной сложности разрабатываемых радиотехнических систем, комплексов, устройств и узлов.
В основном проектировании лежат определённые принципы, такие, например, как ВлФункционально тАУ модульный принцип проектированияВ», который заключается в том, что вся электрическая схема разбивается на части (модули). Модули в свою очередь делятся по конструктивным уровням.
На этих принципах стало возможным создание и использование САПР, а, следовательно, появилась возможность проектировать более сложные изделия и более сложную элементную базу.
САПР
САПР тАУ это система автоматизированного проектирования. Эта система обладает следующими возможностями:
- возможность комплексного решения общей задачи проектирования, установление тесной связи между какими тАУ либо частными задачами;
- интерактивный режим проектирования, при котором осуществляется непрерывный процесс диалога Влчеловек тАУ машинаВ»;
- возможность проведения имитационного моделирования радиоэлектронных систем в условиях работы, близких к реальным;
- значительное усложнение программного и информационного обеспечения проектирования.
САПР состоят из совокупности средств методического, математического, лингвистического, программного, технического, реального и организационного обеспечений.
Характерные особенности САПР:
1. Возможность комплексного решения общей задачи проектирования, установление тесной связи между частными задачами.
2. ВлИнтерактивныйВ» режим программирования, при котором осуществляется непрерывный процесс диалога Влчеловек тАУ машинаВ».
3. Возможность имитационного моделирования радиоэлектронных систем в условиях работы, близких к реальным. Имитационное модулирование позволяет провести испытания различных вариантов решения и выбрать лучший, причём сделать это быстро и учесть всевозможные факторы и возмущения.
4. Значительное усложнение программного и информационного обеспечения проектирования.
5. Значительное усложнение технических средств САПР. Системы автоматизации проектирования требуют применения машин высокой производительности.
6. Замкнутость процесса автоматизированного проектирования, то есть проектировщик вводит в машину информацию на уровне замысла, а в результате диалогового процесса проектирования машина выдаёт технические решения и документацию.
1. Конструкторский раздел
1.1 Назначение и условия эксплуатации изделия.
Практика радиоконструирования предъявляет к источникам питания разнообразные и подчас противоречивые требования.
В одних случаях нужен мощный источник, в других тАУ например при пробном включении маломощных устройств, - выходной ток источника должен быть ограничен безопасным для них значением.
Выходное напряжение источника обычно стремятся поддерживать постоянным, однако при исследовании устойчивости электронных устройств к помехам по питанию это напряжение преднамеренно варьируют. Весьма широк интервал используемых значений выходного напряжения. Удовлетворить эти требования можно либо применением нескольких источников питания, либо созданием универсального блока, допускающего различные режимы работы и изменение в широких пределах значений выходных параметров.
Основные технические характеристики
Выходное регулируемое напряжение, В тАжтАжтАжтАжтАжтАжтАж 0тАж30
Выходной регулируемый ток, АтАжтАжтАжтАжтАжтАжтАжтАжтАжтАж. 0тАж5
Коэффициент стабилизациитАжтАжтАжтАжтАжтАжтАжтАжтАжтАжтАжтАж 5000
Амплитуда пульсаций выходного напряжения, мВтАжтАж. 0,1
Выходное сопротивление:
в режиме стабилизации напряжения, мОмтАж. 2
в режиме стабилизации тока, кОмтАжтАжтАжтАж.. 10
1.2 Выбор и описание элементной базы
При выборе элементовдля изготовления данного устройства необходимо учитывать электрические и эксплуатационные параметры, например: напряжение питания, мощность, температура окружающей среды и т.д. Также необходимо учесть размеры элементов, чтобы они не были громоздкими и не увеличивали габариты прибора.
Транзисторы
Биполярные транзисторы представляют собой полупроводниковые приборы с двумя р-п переходами, имеют три электрода (эмиттер, база, коллектор) и применяются для усиления и переключения электрических сигналов.
Среди транзисторов имеются приборы как общего назначения (в том числе, усилительные, переключательные и генераторные), так и специализированные, отличающиеся специфическим сочетанием параметров; для применения в схемах с автоматической регулировкой усиления, для работы в микроамперном диапазоне токов, двухэмиттерные, однопереходные, сдвоенные, счетверённые, с малой ёмкостью обратной связи, универсальные пары транзисторов, составные и лавинные транзисторы.
В данной схеме применяются транзисторы общего назначения.
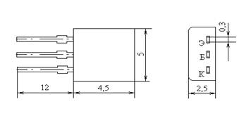
Транзистор КТ 373 Г

| Тип элемента | Iк max, mА | Iк,и max, mА | Uкэr max,В | Uкб maх,В | Uэб maх,В | Рк max,мВт | Т, | Т п max, | Т max, | h21э | Uкб,В | I э,мА | Uкэ нас,В | I кб,мкА | fгр,МГц |
| КТ373А | 50 | 200 | 30 | - | 5 | 150 | 55 | 150 | 85 | 100тАж 250 | 5 | 1 | 0,1 | 0,05 | 250 |
Транзистор КТ 817 В

| Тип элемента | Iк max, mА | Iк,и max, mА | Uкэr max,В | Uкб maх,В | Uэб maх,В | Рк max,мВт | Т, | Т п max, | Т max, | h21э | Uкб,В | I э,мА | Uкэ нас,В | I кб,мкА | fгр,МГц |
| КТ817В | 3 | 5 | 60 | - | 5 | 25 | 25 | 150 | 100 | 25 | 2 | 0,05 | 0,6 | 0,1 | 3 |
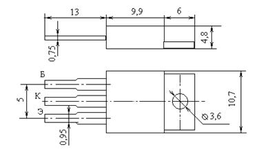
Транзистор КТ 819 Г

| Тип элемента | Iк max, mА | Iк,и max, mА | Uкэr max,В | Uкб maх,В | Uэб maх,В | Рк max,мВт | Т, | Т п max, | Т max, | h21э | Uкб,В | I э,мА | Uкэ нас,В | I кб,мкА | fгр,МГц |
| КТ819Г | 10 | 15 | 80 | - | 5 | 100 | 25 | 120 | 100 | 12 | 5 | 5 | 2 | 1 | 3 |
Диоды
Диоды используются для преобразования переменного тока промышленной частотой 50 ГцтАж50кГц в постоянный. Если частота переменного напряжения, приложенного к диоду, превышает fд ,то потери в диоде резко возрастают и он нагревается, что может привести выходу из строя диода.
Диод Д 242 А

| Тип элемента | Iпр max,А | tи, мкс | I,обр max, мкА,А | Uобр, max,В | Uпр, max,В | I,пр ,мкА А | fр, КГц | Т, |
| Д242А | 0,3 | 30000 | 3000 | 100 | 1,0 | 0,4 | 1,1 | -60тАж+130 |
Диод КД 521 А


Вместе с этим смотрят:
IP-телефония. Особенности цифровой офисной связи