Информационное микротабло
В последнее время все больше возникает необходимость в создании электронных устройств, функцией которых является доведение до широких масс населения различного рода информации. Особенное внимание при этом уделяется созданию таких устройств, которые подобную функцию осуществляют посредством автоматического вывода информации дисплеи различной модификации.
Целью данного курсового проекта является разработка электрической схемы устройства позволяющего отображать на матричном дисплее информацию о текущем времени, температуре и текстовую информацию в режиме тАЬбегущая строкатАЭ. В ходе работы также необходимо разработать все конструкционные элементы, которые потребуются для сборки данного устройства.
Существует немало различных вариантов построения подобного рода устройств. В данной же работе рассмотрен такой вариант, при котором решение поставленной задачи будет наиболее выгодно как с практической, так и с экономической точки зрения. В связи с этим параметры разработанного устройства позволяют устанавливать его лишь в помещениях с небольшой площадью, чтобы обеспечить хорошее восприятие информации представленной на табл
1 СТРУКТУРНАЯ СХЕМА И ПРИНЦИП РАБОТЫ ИНФОРМАЦИОННОГО МИКРОТАБЛО
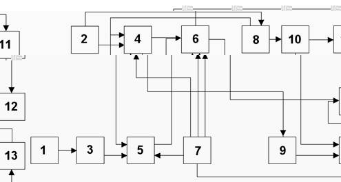
На основе изученной литературы приходим к выводу, что наилучшим вари-антом для решения поставленной задачи является схемное решение, подобное необходимому, представленное в литературе - [1]. После некоторых преобразо-ваний предложенной схемы приходим к варианту, который полностью подхо-дит для реализации схемы выполняющей необходимую функцию. Структурная схема данного устройства приведена на рис.1.
Структурная схема устройства.

Рис. 1.
1- Детектор температуры
2- Кварцевый генератор
3- Генератор импульсов
4- БИС часов
5- Счетчик
6- Дешифратор часов и температуры
7- Устройство управления
8- Счетчик адреса
9- Счетчик дней
10-Постоянное запоминающее устройство (ПЗУ) выполняющее функцию сдвига
11-Дешифратор
12- Индикатор
13- ПЗУ хранящее информацию о тексте, выводимом на табло
Рассмотрим принцип работы устройства на основе структурной схемы (рис.1). Знакомство с работой информационного микротабло начнем с кварце-вого генератора(2), частоту генерации которого задает кварц на 32768 Гц. Дан-ный генератор в сочетании с БИС часов(4) необходим для реализации часов. Для осуществления функции измерения температуры служат: детектор(1), ге-нератор(3) и счетчик(5). Основой детектора служит терморезистор, который изменяет свое сопротивление в зависимости от температуры. Сам же терморе-зистор включен в частотозадающую цепь генератора, таким образом, частота импульсов на выходе генератора зависит от температуры. Эти импульсы под-считывает счетчик, на выходе которого будет присутствовать двоичный код, зависящий от температуры. Выходы БИС часов и счетчика температуры под-ключены к единому дешифратору(6). С дешифратора информация идет на таб-ло. Для осуществления хранения текстовой информации служит ПЗУ(13), а для выдачи этой информации в режиме бегущая строка служит ПЗУ тАЬсдвигтАЭ(10). Счетчик адреса(8) управляет ПЗУ тАЬсдвигтАЭ. Счетчик дней(9) служит для привяз-ки определенной текстовой информации к определенному дню недели.
Управляет выводом информации устройство управления(7), которое пооче-редно подключает к табло блоки 6 и 13, таким образом, выводится информация то с дешифратора(6) то с ПЗУ(13). Также блок(7) управляет поочередным вы-водом (в момент, когда на табло выводится информация с блока 6) информации о времени и температуре.
Вся информация отображается на матричном дисплее(12), который состоит из 7 строк и 32 столбцов светодиодов. Для вывода одной буквы используется стандартное знакоместо 7 5 светодиодов (рис.2).
Стандартное знакоместо 7 5 светодиодов на примере символа ВлЖВ»

Рис.2.
Режимы работы устройства построенного на основе описанной выше структурной схемы приведены в (ТАБ. 1).
ТАБЛИЦА 1
| РЕЖИМЫ РАБОТЫ ИНФОРМАЦИОННОГО МИКРОТАБЛО | ||||
Номер программы | Двоичный код (DD10) | ВлБегущая строкаВ» | ВлДве шторкиВ» | ВлОдна шторкаВ» |
| 1 | 000 | Кафедра микроэлектроники приветствует Вас | Понед. | Время |
| 2 | 001 | Кафедре сорок лет | Вторник | Время |
| 3 | 010 | Микроэлектроника-катализатор научно технического прогресса | Среда | Время |
| 4 | 011 | Мы рады видеть способных учеников | Четверг | Время |
| 5 | 100 | Никто не даст Вам больше чем Вы возьмёте сами | Пятница | Время |
| 6 | 101 | No smoking - не курить | Суббота | Время |
| 7 | 110 | Бегущая строка, термометр | Воскр. | Время |
2 ЭЛЕКТРИЧЕСКАЯ СХЕМА ИНФОРМАЦИОННОГО МИКРОТАБЛО
Знакомство с работой принципиальной электрической схемы (Приложение 2) лучше всего начать с кварцевого генератора. Собран он на микросхеме DD1. Частоту генерации 32768 Гц задает кварц Z 1. Причем именно такое его вклю-чение при 5-вольтовом питании хорошо зарекомендовало себя на практике[1].
DD4 (К176ИЕ13) тАФ БИС часов. ВлСпециализацияВ» выводов у данной мик-росхемы: 4 тАФ сброс (обнуление) счетчиков, 3 тАФ суточный импульс. Переход рассматриваемой части микросхемы от высокого состояний к низкому осуще-ствляется при показаниях часов "00 ч 00 мин. Однако следует отметить, что при принудительном переходе через указанный ВлрубиконВ» (во время манипуляции кнопками ВлчасВ» и ВлминВ») импульс на выводе 3 DD4 отсутствует. Появляется он только при самостоятельном переходе через рубеж "00 ч 00 мин". Что касается назначения выводов 13, 14, 15, 1, то с них можно снять информацию о текущем времени в динамическом режиме.
Соединение DD1 с DD4 типовое, кроме подачи синхронизирующей часто-ты 1024 Гц. В приводимой схеме эта частота снимается не с DD1 (К176ИЕ12), а с вывода 5 счетчика DD8 (К561ИЕ16). Ну а конденсатор С7 защищает часы от импульсных помех, наводимых в электросети бытовыми электроприборами.
Микросхема DD5 подсчитывает импульсы, эквивалентные температуре окружающего воздуха. Причем DD4 и DD5 включаются поочередно (выходы не работающей в данный момент времени микросхемы переходят в высокоим-педансное состояние, т.е. попросту отключаются от шины счетчиков). DD5 та-кая же, как и в часах (К176ИЕ13). Но здесь, в DD5, использован только счетчик минут. Так как считать он может только до числа 59, то замеры температуры воздуха выполняются лишь в пределах от 0В°С до +59В°С.
Съем показаний происходит через каждую минуту. Цепочка С8, R6 фор-мирует импульс сброса счетчика DD5 на ВлнольВ», а три элемента DD3тАФболее длинный импульс, открывающий ключ DD2.4. На трех остальных элементах DD2 собран генератор, в частотозадающую цепь которого включен терморези-стор КМТ11 на 100 кОм. При повышении температуры окружающего воздуха последний уменьшает свое сопротивление, А это ведет к увеличению частоты генератора, выполненного на DD2.1-DD2.3. Счетчик DD5 через открытый ключ DD2.4 подсчитает выданные импульсы генератора. Их количество и будет со-ответствовать измеренной температуре воздуха.
При наладке термометра на ВлстандартныхВ» элементах не удается получить требуемую точность. Поэтому приходится вводить термокомпенсационные ре-зисторы СТ6-ЗБ, включая их в формирователь импульсов на микросхеме DD3. Следует заметить, что терморезисторы СТ6-ЗБ при нагреве увеличивают свое сопротивление (в отличие от КМТ11, у которых этот параметр уменьшается). В комплексе же схема теперь работает так, что время, в течение которого открыт ключ DD2.4, уже строже зависит от замеряемой температуры.
И еще одна особенность. Промышленность выпускает СТ6-ЗБ только в пределах 1 кОм.,.10 к0м, поэтому при калибровке термометра необходимо ус-танавливать несколько термокомпенсационных резисторов, соединенных по-следовательно. Электрическая схема термодатчика приведена на рис.3.
Термодатчик

Рис.3.
Счетчик DD5 синхронизирован частотой 1024 Гц. Неиспользованные вы-воды 9,11 этой микросхемы соединены с общим проводом.
Дешифратор часов и термометра единый тАУ DD6. Собран он на постоянном запоминающем устройстве объемом 2 кБайт. ЭтотАФмикросхема типа К573РФ2.
Память ПЗУ согласно замыслу разработки условно разделена на две стра-ницы. В одной из них находится информация для часов, а в другой тАФ для тер-мометра. Переключение страниц памяти происходит посредством счетчика DD7 (К561ИЕ8). Причем при логическом ВлОВ» на выходе 19 (вход А10) ПЗУ включена первая страница памяти. Здесь находится информация для часов. Кроме того, логический ВлОВ» будет присутствовать и на входах элемента DD3.1. и на выводе 2 микросхемы DD5. Значит, будет работать микросхема DD4, а DD5 отключится от шины. Следует отметить, что при отключении от шины она (микросхема) сохраняет свою работоспособность, подсчитывая импульсы.
За очередностью и временем ВлудержанияВ» сведений следит DD7, включая также поочередно ПЗУ DD6 и микросхему DD15 с текстовой информацией. Неработающее ПЗУ переходит в высокоимпедансное состояние (так же, как и пара DD4, DD5). Микросхема DD10 (К561 ИЕ10, использована только полови-на) определяет дни недели (считает до семи). Цикл укорочен тремя кремниевы-ми диодами VD3-VD5 и резистором R7. Суточный же импульс смены дней не-дели приходит от третьего вывода микросхемы DD4. Причем тАФ через кнопку первоначальной (ручной) установки. Выходы счетчика дней недели соединены с входами А8, A9, А10 микросхемы DD15. В ПЗУ записан текст. И очевидно, что определенный текст ВлпривязанВ» к дню недели. Кроме того, в данной разра-ботке предусмотрена установка этой микросхемы на панельку, что дает воз-можность записывать в ПЗУ любой текст.
Для обеспечения режима тАЭбегущая строкатАЭ, а также увеличения объема текстовой информации пришлось применить еще одно ПЗУ. Эта микросхема, имея специальную программу, управляет DD15 с текстовой информацией, обеспечивает режимы ВлБегущая строкаВ», ВлДве ВлшторкиВ», ВлОдна ВлшторкаВ». Для такой работы микросхема DD13 должна иметь соответствующий объем памяти (8 кБайт). Хотя можно обойтись и другим ПЗУ. Например, с объемом памяти от 2 кБайт до 32 кБайт (микросхема типа К573РФ4).
А вот микросхемой DD13 ВлСДВИГВ» управляет типовой счетчик адреса. Собран он на двух К561ИЕ16. Инверторы на микросхеме DD12 и одном эле-менте DD11, дешифраторы DD14, DD16 (К155ИДЗ), а также 32 транзисторных ключа управляют катодами матриц. Что касается VT1..VT32, то они увеличи-вают нагрузочную способность дешифраторов, повышая яркость свечения све-тодиодного дисплея. В данной разработке применена матрица со светодиодами красного свечения типа КИПМ-32.
3 ПРОГРАММЫ И КАРТЫ ПРОШИВКИ ПЗУ
Карта прошивки ПЗУ с текстовой информацией (DD6) создается в соот-ветствии с таблицей, отражающей соответствие каждой букве алфавита опре-деленного кода (ТАБ. 2).
ТАБЛИЦА 2
| СИМВОЛ | КОДЫ | СИМВОЛ | КОДЫ |
| А | 7Е 09 09 7Е 00 | Р | 7F 09 09 06 00 |
| Б | 7F 49 49 79 00 | С | 3E 41 41 22 00 |
| В | 7F 49 49 36 00 | Т | 01 01 7F 01 01 |
| Г | 7F 01 01 01 00 | У | 27 48 48 3F 00 |
| Д | 60 3F 21 3F 60 | Ф | 0E 0A 7F 0A 0E |
| Е | 7F 49 49 41 00 | Х | 63 14 08 14 63 |
| Ж | 63 14 7F 14 63 | Ц | 3F 20 20 3F 60 |
| З | 22 41 45 3A 00 | Ч | 0F 08 08 7F 00 |
| И | 7F 10 08 7F 00 | Ш | 7F 40 7C 40 7F |
| Й | 7F 20 11 08 7F | Щ | 3F 20 3E 20 7F |
| К | 7F 08 14 22 41 | Ъ | 01 7F 48 48 30 |
| Л | 40 7C 02 01 7F | Ы | 7F 48 48 30 7F |
| М | 7F 02 04 02 7F | Ь | 7F 48 48 30 00 |
| Н | 7F 08 08 7F 00 | Э | 22 49 49 3E 00 |
| О | 3E 41 41 3E 00 | Ю | 7F 08 3E 41 3E |
| П | 7F 01 01 7F 00 | Я | 46 29 19 7F 00 |
Вместе с этим смотрят:
IP-телефония. Особенности цифровой офисной связи