Исследование магнитного поля рассеяния при вихретоковом контроле
В электромагнитном методе неразрушающего контроля обычно используют два основных подхода к решению задачи обнаружения дефекта.
Основой первого подхода [1] к обнаружению поверхностных трещин с помощью вихревых токов является тот факт, что трещины препятствуют протеканию тока, при этом учитывается влияние скин-эффекта. В этом случае можно обнаружить те трещины, которые ориентированы вдоль линий магнитного поля. Однородные условия в контролируемом образце можно создать путем его намагничивания с помощью бесконечно длинного соленоида. Но, так как на практике любая намагничивающая катушка имеет конечную длину, следует учитывать магнитные поля рассеяния. Помимо этого стоит учитывать и размагничивающий эффект вихревых токов.
Второй подход [2] заключается в непосредственном использовании магнитного поля рассеяния, которое позволяет выявить приповерхностное изменение магнитного поля путем, например, нанесения на поверхность образца флуоресцентного (светящегося в темноте) ферромагнитного порошка. В этом случае можно обнаружить трещины, перпендикулярные линиям магнитного поля.
В данной работе исследуется особая схема расположения двух первичных (намагничивающих) катушек и одной вторичной (измерительной) катушек, при которой оба эти подхода могут проявиться вместе, а, следовательно, становится возможным получить более полную информацию о размерах дефекта. При другом расположении катушек и датчика относительно друг друга для правильного объяснения результатов очень важно понимать физику процесса. В этом случае, оказывается, удобно описывать поле с помощью математической модели. Часто применяются численные методы, где задействованы уравнения Максвелла в дифференциальной форме, включающие действительную и мнимую компоненты поля.
Сигналы, полученные в ходе моделирования данной схемы, пересчитываются в определенные информативные признаки, которые используются для построения искусственной нейронной сети, как системы, автоматически классифицирующей дефекты. Нейронные сети имеют большую популярность в различных сферах. Их успех определяется несколькими причинами, которые подробнее будут рассмотрены далее.
Актуальность поставленной задачи заключается в разработки наиболее точного метода классификации дефектов и сведение работы оператора к минимуму.
2. Вихревые токи
2.1 Первичная и вторичная катушки
Основной принцип вихретокового метода контроля можно объяснить с помощью простого примера: обнаружение поверхностных трещин в металлическом образце.
Считаем, что длинный металлический образец с круглым поперечным сечением помещен в однородное магнитное поле, линии которого направлены вдоль объекта контроля. Ввиду присутствия эффекта размагничивания образца вихревыми токами (скин-эффекта) магнитное поле в поперечном сечении не однородно. Оно гораздо сильнее у поверхности, нежели в центре, а, кроме того, в разных зонах поперечного сечения разной оказывается и фаза поля. Эта особенность зависит от частоты и физических свойств материала.
Наведенное во второй катушке (намотанной вокруг исследуемого образца) напряжение прямо пропорционально магнитному потоку в поперечном сечении этого образца. Между напряжением первичной намагничивающей катушки и напряжением, наведенным во вторичной катушке, существует разность фаз, обусловленная частотой и физическими свойствами образца.

Рисунок 1. Поперечное сечение металлического образца с радиально расположенной трещиной и без трещины
Ситуация во вторичной катушке изменится, если на поверхности образца появится радиальная трещина, протяженная вдоль объекта контроля. Размагничивающее действие вихревых токов уменьшается из-за того, что эти токи не могут пересекать трещину. Соответственно, увеличивается длина пути, который проходит магнитный поток в поперечном сечении образца, что в свою очередь вызывает увеличение наведенного во вторичной обмотке напряжения. По разнице наведенных напряжений можно судить о наличии дефекта в металлическом образце. На рис.1 схематично показано магнитное поле в поперечном сечении образца с радиальной трещиной и бездефектного образца. В области над дефектом наблюдается увеличение магнитного потока. Более темная область поперечного сечения соответствует меньшей разности фаз и более сильному магнитному полю.
Согласно этим объяснениям, зафиксировать разность напряжений невозможно в том случае, когда поверхностная трещина не препятствует протеканию вихревых токов. Следовательно, мы не сможем обнаружить очень узкий поверхностный дефект, расположенный вдоль оси образца (в этом случае направление вихревых токов неизменно).
2.2 Дифференциальное (встречное) включение вторичных катушек
Изменения напряжения, наведенного во вторичной катушке (в соответствии с рис.2) очень малы, поэтому используют дифференциальное (встречное) включение двух вторичных катушек: две встречно включенные катушки наматываются вокруг образца и их выводы подключаются таким образом, чтобы наведенные напряжения вычитались друг из друга. В том случае, если между наведенными напряжениями отсутствует разница, считается, что исследуемый образец не содержит дефектов. Как показано на рис.2, если в контролируемую область внезапно попадет край дефекта, от пары катушек мгновенно сформируется сигнал. Данный способ характеризуется высокой чувствительностью к обнаружению продольных поверхностных трещин в металлических образцах.

Рисунок 2. Два встречно включенных витка пары вторичных катушек
Несмотря на то, что этот метод весьма перспективен, у него есть и свои недостатки. К примеру, если трещина однородна по всей длине образца, магнитный поток будет увеличиваться равномерно, и подобное расположение катушек не даст нам обнаружить дефект начиная с того момента, когда наведенные в обеих вторичных катушках напряжения станут равными.
Также невозможно определить и местоположение трещины на округлой поверхности образца (даже если она имеет четко выраженные начало и конец).
2.3 Радиальный магнитный поток
При контроле металлического образца с однородной трещиной, которая начинается и заканчивается в четко определенных точках, было установлено наличие других эффектов. С помощью встречного включения вторичных катушек можно зафиксировать обе эти точки. В соответствии с законами электромагнетизма, увеличение магнитного потока в поперечном сечении, вызванное слабым действием вихревых токов, может быть зафиксировано другим способом. Если магнитный поток возрастает из-за наличия поверхностной трещины, линии магнитного потока должны входить в образец откуда-то извне. Существует сильный радиальный магнитный поток, протекающий извне образца в образец, и локализованный только в точке начала трещины. Причем измеряемый радиальный поток будет пропорционален сигналу от пары вторичных катушек, включенных встречно. Измерение радиального магнитного потока, показанного на рис.3, дает также дополнительную информацию. Становится возможным определить не только расположение начала и конца трещины, но и ее расположение на округлой поверхности образца.

Рисунок 3. Радиальный поток, входящий в образец в начале трещины и выходящий из образца в конце трещины
2.4 Поток магнитного рассеивания
Также стоит сказать о потоке магнитного рассеяния, который используется для обнаружения поверхностных трещин в намагниченных ферромагнитных образцах.
Физический принцип данного явления можно объяснить для двумерного случая обнаружения поверхностной трещины, когда однородное (или неоднородное) поле пересекает поверхностную трещину в ферромагнитной пластине (рис.4).

Рисунок 4. Поток магнитного рассеяния для двумерного случая в поперечном сечении ферромагнитной пластины
Считается, что однородное магнитное поле распространяется слева направо. Вблизи дефекта поток разделяется на две части. Одна часть потока пытается обогнуть трещину путем прохождения снизу, в то время как другая выходит за пределы материала и огибает трещину по воздуху, затем возвращаясь в образец вблизи правого края дефекта. Этот эффект наблюдается в ферромагнитных материалах и, в том случае, если поверхность пластины покрыта ферромагнитным порошком, становится возможным увидеть образующееся поле невооруженным глазом.
В случае, когда магнитное поле в ферромагнитном материале вызывается переменным током, дело обстоит примерно так же. Только в отличие от магнитного порошка для обнаружения образующегося магнитного потока может применяться подходящая вторичная катушка.
3. Решение прямой задачи НК
3.1 Постановка задачи
Исследовать модель для обнаружения продольной и поперечной трещины с помощью следующей конфигурации первичной катушки и вторичной катушек.

Рисунок 5. Две части намагничивающей катушки с датчиком Холла посередине
Первичная намагничивающая катушка изготовлена в виде двух одинаковых частей, удаленных друг от друга на критическое расстояние
. Между этими частями помещается вторичная катушка расположенный таким образом, чтобы наведенное напряжение вызывалось лишь радиальным магнитным потоком, протекающим через него.
Во вторичной катушке магнитные потоки, образующиеся от двух частей первичной катушки, вычитаются друг из друга, и, если образец однородный, то распределения радиального магнитного потока не возникает, и напряжение во вторичной катушке не наводится. Однако если в образце присутствует некая трещина, которая попадает внутрь одной из первичных катушек между двумя магнитными потоками появляется разница, и появление распределения наведенного напряжения свидетельствует о наличии дефекта.
В этом случае становится возможным обнаружить узкие продольные и поперечные поверхностные трещины, присутствующие в ферромагнитном материале.
Важно правильно выбрать критическое расстояние. Если расстояние между двумя частями первичной катушки будет слишком маленьким, изменение магнитного потока будет малым, а, следовательно, малым будет и изменение радиального магнитного потока. Если же расстояние будет слишком большим, то в распределении магнитных потоков не будет наблюдаться четко выраженного импульса.
Критическое расстояние должно быть таким, чтобы информация, полученная с помощью продольного магнитного поля в образце, могла быть оптимально использована по отношению к чувствительному элементу (радиальной катушке).
4.2 COMSOL Multiphysics
COMSOL Multiphysics - это мощная интерактивная среда для моделирования и расчетов большинства научных и инженерных задач основанных на дифференциальных уравнениях в частных производных (PDE) методом конечных элементов [3]. С этим программным пакетом есть возможность расширять стандартные модели, использующие одно дифференциальное уравнение (прикладной режим) в мультифизические модели для расчета связанных между собой физических явлений. Расчет не требует глубокого знания математической физики и метода конечных элементов. Это возможно благодаря встроенным физическим режимам, где коэффициенты PDE задаются в виде понятных физических свойств и условий, таких как: электрическая проводимость, плотность тока, относительная магнитная проницаемость, частота тока и т.п. в зависимости от выбранного физического раздела. Преобразование этих параметров в коэффициенты математических уравнений происходит автоматически. Взаимодействие с программой возможно стандартным способом тАУ через графический интерфейс пользователя (GUI), либо программированием с помощью скриптов на языке COMSOL Script или языке MATLAB.
Программа основана на системе дифференциальных уравнений в частных производных. Существует три математических способа задания таких систем:
В· Коэффициентная форма, предназначенная для линейных и близких к линейным моделям;
В· Генеральная форма, для нелинейных моделей;
В· Слабая форма (Weak form), для моделей с PDE на границах, ребрах или для моделей, использующих условия со смешанными производными и производными по времени.
Используя эти способы, можно изменять типы анализа, включая:
В· Стационарный и переходный анализ;
В· Линейный и нелинейный анализ;
В· Модальный анализ и анализ собственных частот.
Для решения PDE, COMSOL Multiphysics использует метод конечных элементов. Программное обеспечение запускает конечноэлементный анализ вместе с сеткой учитывающей геометрическую конфигурацию тел и контролем ошибок с использованием разнообразных численных решателей. Так как многие физические законы выражаются в форме PDE, становится возможным моделировать широкий спектр научных и инженерных явлений из многих областей физики таких как: акустика, химические реакции, диффузия, электромагнетизм, гидродинамика, фильтрование, тепломассоперенос, оптика, квантовая механика, полупроводниковые устройства, сопромат и многих других.
Кроме вышеперечисленного, программа позволяет с помощью переменных связи (coupling variables) соединять модели в разных геометриях и связывать между собой модели разных размерностей.
Для создания и расчета задачи определена следующая последовательность действий:
1. Выбор размерности модели, определение физического раздела, определение стационарности или нестационарности температурного поля;
2. Определение рабочей области и задание геометрии;
3. Ввод исходных данных, зависимости переменных от координат и времени;
4. Указываются электромагнитные свойства и начальные условия;
5. Указываются граничные условия;
6. Задаются параметры, и строится сетка;
7. Определение параметров решающего устройства, и запуск расчета;
8. Настройка режима отображения;
9. Наблюдение и анализ результатов.
3.3 Выбор физического раздела в среде COMSOL Multiphysics
Для построения и полного физического моделирования модели целесообразно выбрать двухмерную аксиальную симметрию (рис. 6). Физический раздел выбираем для решения квазистатической задачи с проводящими, магнитными и диэлектрическими материалами с направлением переменного электрического тока вдоль угловой составляющей. Данный раздел использует цилиндрическую систему координат (r, z, φ).

Рисунок 6. Определение физического раздела для моделирования модели
3.4 Задание геометрии
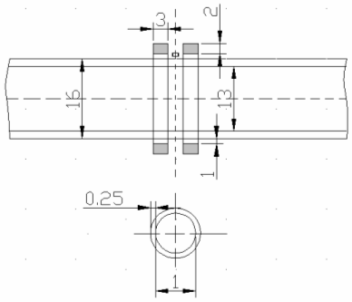
На рис. 7 изображены размеры исследуемой модели.

Рисунок 7. Геометрия модели
В среде COMSOL Multiphysics наша модель будет выглядеть следующим образом.

Рисунок 8. Искомая модель в среде COMSOL Multiphysics
3.5 Определение электромагнитных свойств материалов
Необходимо задать электромагнитные свойства материалов и некоторые константы, которые приведены в табл.1
Относительная магнитная проницаемость, (μr) | Электрическая проводимость, (σ, МСм/м) | Плотность тока, (J, А/мм2) | |
| Объект контроля | 1 | 2 | 0 |
| Первичные катушки | 1 | 0 | 1 |
Вместе с этим смотрят:
IP-телефония. Особенности цифровой офисной связи