Проектирование металлического каркаса
Федеральное агентство по образованию
Государственное образовательное учреждение высшего
профессионального образования
Кафедра: Строительных конструкций
Курсовой проект по дисциплине
ВлМеталлические конструкцииВ»
На тему: ВлПроектирование металлического каркаса
промышленного зданияВ»
Выполнил: ст. гр. ПГС
Маковецкий А.О.
Проверил :
Тонков Л.Ю.
Пермь 2009
План
1 Компоновка поперечной рамы здания
2 Вычисление величин нагрузок
2.1 Нагрузки от собственного веса конструкций здания
2.2 Нагрузка от стенового ограждения при навесных панелях
2.2.1 Эксцентриситет стенового ограждения верхней и нижней частей колонны
2.3 Снеговая нагрузка
3 Статический расчет поперечной рамы
4 Расчет ступенчатой колонны производственного здания
4.1 Расчет верхней части колонны
4.1.1 Определение расчетных длин колонны
4.1.2 Подбор сечения верхней части колонны
4.1.3 Проверка устойчивости верхней части колонны в плоскости действия момента
4.1.4 Проверка устойчивости верхней части колонны из плоскости действия момента
4.2 Подбор сечения нижней части колонны
4.2.1 Проверка устойчивости ветвей
4.2.2 Расчет решетки подкрановой части колонны
4.2.3 Проверка устойчивости колонны в плоскости действия момента как единого стержня
4.3 Узел сопряжения верхней и нижней частей колонны
4.4 Расчет и конструирование базы колонны
4.5 Расчет траверсы
4.6 Расчет анкерных болтов
4.6 Расчет анкерной плитки
5 Расчет фермы в осях А-Б
5.1 Геометрические размеры и расчётная схема фермы
5.2 Узловые нагрузки
5.3. Статический расчёт
5.4 Расчёт стержней на прочность и устойчивость
5.5 Набор сечений стержней
5.6 Подбор сечений стержней
5.7 Расчет длин швов
5.8 Расчет и конструирование узлов фермы
5.8 1 Нижний опорный узел
5.8.2 Верхний опорный узел
5.8.3 Промежуточный узел
6.Расчет подкрановой балки
6.1 Статический расчет
6.1.1 Определение расчетных усилий от колес кранов
6.1.2 Определение критического груза
6.1.3 Определение расстояний от колес до опор балки
6.1.4 Проверка правильности расстановки колес на балке
6.1.5 Определение наибольшего изгибающего момента
6.1.6 Определение наибольшей поперечной силы
6.1.7 Определение изгибающего момента и поперечной силы в ПБ от сил торможения
6.2 Подбор сечения подкрановой балки
6.2.1 Определение высоты подкрановой балки
6.2.2 Определение размеров поясов
6 2.3 Выбор элементов тормозной балки
6.2.4 Определение геометрических характеристик подкрановых конструкций
6.2.5 Соединение поясов со стенкой
6.2.6 Проверка общей устойчивости балки
6.2.7 Проверка местной устойчивости стенки ПБ
6.2.8 Расчет опорной части балки
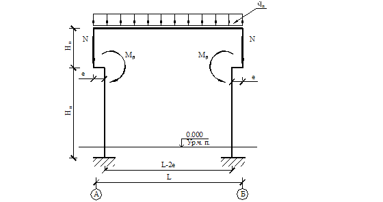
1. Компоновка поперечной рамы здания
Геометрическая схема поперечной рамы здания представлена на рисунке 1.1.

Рис. 1.1 Геометрическая схема поперечной рамы
Таблица 1.1.
Обозначения по рис. 1.1. | Формулы вычисления, мм. |
H2 |
|
| H |
|
h2 |
|
h1 |
|
| h |
|
H0 |
|
B0 |
|
Bv |
|
| λ |
|
Bн |
|
Lk |
|
2 Вычисление величин нагрузок.
2.1 Нагрузки от собственного веса конструкций здания.
Расчетная схема поперечной рамы здания на постоянную нагрузку представлена на рисунке 2.1.
Рис 2.1. Расчетная схема рамы на постоянную нагрузку
Таблица 2.1.
№ п/п | Элементы покрытия | Ед. Изм. | Нормативная нагрузка | Коэффиц. надёжности по нагрузке | Расчет. нагрузка |
| 1 | Защитный слой, t = 20 мм |
| 0,42 | 1,3 | 0,55 |
| 2 | Гидроизоляционный ковер |
| 0,2 | 1,3 | 0,26 |
| 3 | Утеплитель (пенопласт) t = 50 мм |
| 0,03 | 1,3 | 0,04 |
| 4 | Пароизоляция (1 слой рубероида) |
| 0,04 | 1,3 | 0,05 |
| 5 | Стальной профилированный лист |
| 0,14 | 1,05 | 0,15 |
| 6 | Стальные прогоны |
| 0,2 | 1,05 | 0,2 |
| 7 | Стропильные фермы |
| 0,3 | 1,05 | 0,3 |
| 8 | Связи по покрытию |
| 0,06 | 1,05 | 0,07 |
| 9 | Промышленные проводки |
| 0,3 | 1,3 | 0,5 |
| 1,39 | 1,62 | ||||
Другие элементы | |||||
| 10 | Верхняя часть колонны |
| 15 | 1,05 | 15,75 |
| 11 | Нижняя часть колонны |
| 60 | 1,05 | 63 |
| 12 | Связи между колоннами |
| 0,05 | 1,05 | 0,05 |
| 13 | Подкрановые конструкции |
| 40 | 1,05 | 42 |
| 14 | Трёхслойные металлические навесные панели t = 130 тАУ 150 мм |
| 0,4 | 1,05 | 0,4 |
| 15 | Ленточное остекление с одинарным переплётом |
| 0,4 | 1,1 | 0,5 |
| 16 | Стойки торцевого фахверка |
| 30 | 1,05 | 31 |
Погонная нагрузка на ригель рамы.
Нормативная нагрузка на ригель рамы:
.
Расчетная нагрузка на ригель рамы:
,
где В тАУ шаг рам.
Для бесфонарного здания и теплой кровлей следует сложить величины нагрузок с номерами следующих позиций (1-9) табл. 2.1. С незначительной погрешностью сюда можно включить нагрузку от веса промышленной проводки.
;
.
2.2 Нагрузка от стенового ограждения при навесных панелях
Эта нагрузка определяется отдельно для верхней и нижней частей колонны. Если стеновое ограждение по рядам колонн различное, то нагрузка от стенового ограждения определяется для каждого ряда колонн.
При определении нагрузки от стенового ограждения следует учитывать, что, как правило, цокольные панели опираются на фундаментные балки и ее вес не передается на колонны.
Если стеновое ограждение продольных стен одинаковое, то нагрузки на каждую стойку рамы соответственно для верхнего и нижнего участков колонны определяется по формулам:
;
,
где
тАУ расчетная нагрузка от одного квадратного метра стены и ленточного остекления соответственно.
тАУ высота стены и высота ленты остекления соответственно на участке от места изменения сечения колонны до верха продольной стены.
тАУ высота стены и высота ленты остекления соответственно на участке от места изменения сечения колонны до цокольной панели.
B тАУ ширина грузовой площади (при отсутствии стоек фахверка продольных стен равна шагу рам).
Для определения величины сейсмической нагрузки по методике, изложенной в [7], следует вычислить нагрузки:
тАУ от веса части здания выше нижней отметки ригеля;
тАУ от веса всех стоек фахверка (при их наличии);
тАУ веса участков стен в пределах высоты колонн по периметру здания (при самонесущих стенах тАУ продольных стен);
тАУ веса стен примыкающих к стойкам фахверка (при его наличии).
Все названные нагрузки следует учитывать с коэффициентом 0,9.
2.2.1 Эксцентриситет стенового ограждения верхней и нижней частей колонны
Эксцентриситет опирания стенового ограждения верхней и нижней частей колонны находится по формуле:
;
.
Нагрузку от веса части здания выше нижней отметки ригеля.

, Qст тАУ нагрузка от покрытия и стены соответственно;
L, Lz тАУ длина здания и пролет соответственно;
А1 тАУ площадь участков двух продольных стен от низа ригеля до верха продольных стен;
А2 тАУ площадь участков двух торцевых стен от низа ригеля до верха торцевых стен.
Нагрузка от веса стоек фахверка.
,
где
тАУ расчетная нагрузка от веса стойки фахверка торцевых стен.
тАУ число всех стоек фахверка.
Нагрузка от веса участков стен в пределах высоты колонн и веса связей по колоннам.
![]()
тАУ расчетная нагрузка от веса одного квадратного метра стеновой панели, остекления, связей соответственно.
А3, А4 тАУ площадь продольных и торцевых стен соответственно в пределах уровня колонн (без учета оконного остекления, при самонесущих стенах тАУ А4 = 0).
А5, А6 тАУ площадь оконного остекления продольных и торцевых стен соответственно (при самонесущих стенах тАУ А6 = 0).
тАУ длина и ширина здания соответственно.
Нагрузку от веса участков стен, примыкающих к стойкам фахверка.
![]()
где
тАУ расчетная нагрузка от веса одного квадратного метра стеновой панели и число стоек фахверка торцевых стен.
А9 тАУ грузовая площадь стеновой панели торцевой стены, приходящаяся на одну стойку фахверка.
2.3Снеговая нагрузка
Интенсивность расчетной снеговой нагрузки, согласно [3], определяется по формуле:
,
где В тАУ шаг рам, Sо тАУ нормативное значение веса снегового покрова на один квадратный метр горизонтальной поверхности земли, принимается по [4] в зависимости от района строительства (Sо = 1,5
),
тАУ коэффициент, зависящий от конфигурации кровли (
= 1 для кровель с уклоном менее 25 град. при отсутствии фонарей и перепадов высот).
тАУ коэффициент надежности по нагрузке (равен 1,4).
2.4 Нагрузки от мостовых кранов
При движении мостового крана на крановый рельс передаются силы трёх направлений, рисунок 2.2.

Рис. 2.2. Схема давления колеса на крановый рельс
Наибольшее вертикальное нормативное усилие Fк max определяется при крайнем положении тележки крана на мосту с грузом равным грузоподъемности крана, рисунок 2.3.

Рис. 2.3 Положение тележки крана при определении Fк max
Вертикальное давление на раму:

где
;
= 370 кН тАУ нормативное значение максимального давления от колеса мостового крана;
тАУ наименьшее нормативное значение давления от колеса крана;
тАУ вес крана с тележкой [1, прил. 1];
тАУ число колес по одну сторону крана;
тАУ сумма ординат линий влияния;
тАУ ширина тормозной балки или ремонтной площадки (равна 1,5 м);
тАУ нормативная нагрузка на тормозную балку (
).
тАУ коэффициент сочетания воздействия кранов.
Схема загружения при нахождения крановой нагрузки.

Рис. 2.4.
От вертикальных крановых нагрузок возникают сосредоточенные моменты, которые определяются по формулам:
![]()
где
тАУ эксцентриситет приложения вертикальной нагрузки от кранов.
Расчетное горизонтальное давление на колонну:
,
где
тАУ нормативная величина силы поперечного торможения крана. Для кранов с гибким подвесом груза величина
определяется по формуле:
,
где Q тАУ грузоподъемность крана;
GТ тАУ вес тележки крана.
2.5 Ветровая нагрузка
В соответствии с обозначениями (рис. 2.2.) величины ветровой нагрузки определяются по формулам:

где
тАУ коэффициент надежности по нагрузке (
= 1,4);
тАУ нормативное значение ветрового давления в зависимости от района строительства [4] (в данном случае = 0,38 для III р-на);
С тАУ аэродинамический коэффициент активного давления ветра, С = 0,8;
С3 тАУ аэродинамический коэффициент отсоса ветра, С3 = 0,6;
k тАУ коэффициент, учитывающий возрастание скоростного напора ветра по высоте.
В данном случае, берется из таблицы для типа местности А.
А11, А12 тАУ заштрихованные площади на эпюрах ветрового давления (рис. 2.5.) для активного давления и отсоса соответственно.
Сооружение считается расположенным в местности данного типа, если эта местность сохраняется с наветренной стороны сооружения на расстоянии 30×h тАУ при высоте сооружений h до 60 м и 2 км тАУ при большей высоте.
Схемы действия ветровой нагрузки на раму: расчетная и эквивалентная.

Рис. 2.5.
Нахождение величин qi (рис. 2.5.) для определения А11, А12 следует вычислять по формулам, подставляя вместо k соответствующие значения из табл. 2 [5]. Промежуточные значения k находятся интерполяцией.

;

;

;
;
;
![]()
3 Результаты статического расчета рамы
Исходные данные, используемые при расчете, см. табл. 3 .1
Таблица 3 .1 Исходные данные для расчета
┌────────────────────────────────────────┬─────────────┬─────────┐
│ Исходное данное │ Значение │ Ед.изм. │
├────────────────────────────────────────┼─────────────┼─────────┤
│ Пролет здания │ 24.0 │ м │
│ Длина температурного блока │ 96.0 │ м │
│ Шаг колонн │ 6.0 │ м │
│ Высота колонны │ 15.20 │ м │
│ Ширина надкрановой части колонны │ 0.45 │ м │
│ Ширина подкрановой части колонны │ 1.50 │ м │
│ Высота надкрановой части колонны │ 5.35 │ м │
│ Постоянная нагрузка: погонная на ригель; │ 9.7 │ кН/м │
│ от надкрановой части колонны; │ 15.7 │ кH │
│ от подкрановой части колонны │ 63.0 │ кН │
│ от веса подкрановых конструкций │ 42.0 │ кН │
│ Снеговая погонная нагрузка │ 12.8 │ кН/м │
│ Моменты Ммах; │ 741.8 │ кН*м │
│ Мmin │ 166.1 │ кН*м │
│ Вертикальное давление на раму: Dmax; │ 989.0 │ кН │
│ Dmin │ 222.0 │ кН │
│ Горизонтальное давление на колонну: Т │ 59.5 │ кН │
│ Грузоподемность крана │ 800.0 │ кН │
│ Активная сосредоточен. нагрузка от ветра │ 10.6 │ кН │
│ Активная погонная нагрузка от ветра │ 1.9 │ кН/м │
│ Пассивная сосредоточ. нагрузка от ветра │ 7.9 │ кН │
│ Пассивная погонная нагрузка от ветра │ 1.4 │ кН/м │
│ Отнош.жесткостей ригеля и верха колонны │ 23.0 │ │
│ Отнош.жесткостей низа и верха колонны │ 8.0 │ │
│ К-т В(к-т простр.жёсткости каркаса=F(B)) │ 0.0500 │ │
│ Эксцентриситеты опирания ригеля: левый; │ 0.5250 │ м │
│ правый │ 0.5250 │ м │
│ Высота подкрановой балки │ 1.0 │ м │
│ Давление колеса на рельс │ 370.0 │ кН │
│ Эксцентрисит.опир.стен: Eверхн.левый; │ 0.3200 │ м │
│ Енижн.левый; │ 0.8450 │ м │
│ Еверхн.правый │ 0.3200 │ м │
│ Енижн.правый │ 0.8450 │ м │
│ Нагрузка от веса стен: Gверхн.левой; │ 19.4 │ кН │
│ Gнижн.левой; │ 22.2 │ кН │
│ Gверхн.правой │ 19.4 │ кН │
│ Gнижн.правой │ 22.2 │ кН │
│ Данные из СНиП II-7-81: бальность пл-ки ;│ 7 │ │
│ повторяемость; │ 2 │ │
│ категория грунта │ 3 │ │
│ к-т К1 по табл.3 │ 0.25 │ │
│ к-т К2 по табл.4 │ 1.00 │ │
│ к-т по табл.5 │ 1.00 │ │
│ Для нижн.части сечен.колонны: площадь; │ 200.0 │ см2 │
│ момент инерции │ 970000.0 │ см4 │
│Нагр:от веса части здан.выше низа ригеля; │ 3670.3 │ кН │
│ от веса всех стоек фахверка; │ 167.4 │ кН │
│ от веса стен ниже ригеля(продольных) │ 743.0 │ кН │
│ от веса стен ниже ригеля(торцевых); │ 234.6 │ кН │
│ от Dmax моста одного крана(без тележки); │ 920.0 │ кН │
│ от веса мостов всех кранов пролёта │ 1840.0 │ кН │
Таблица 3 .2
Внутренние усилия в характерных сечениях рамы
┌─────┬──────────┬───────┬───────┬──────────┬──────────┬──────────┐
│N п.п│ Вид наг- │N сече-│К-т со-│Изгиб. мо-│Продольная│Поперечная│
│ │ рузки │ния │четания│мент М,кНм│сила N, кН│сила Q, кН│
├─────┼──────────┼───────┼───────┼─────────┼──────────┼──────────┤
│ 1 │ 2 │ 3 │ 4 │ 5 │ 6 │ 7 │
├─────┼──────────┼───────┼───────┼─────────┼──────────┼──────────┤
│ │ │ 1-1 │ 1 │ -74.5 │ -152.3 │ -3.1 │
│ 1 │Постоянная│ 2-2 │ 1 │ -56.0 │ -181.0 │ -3.1 │
│ │ │ 3-3 │ 1 │ 39.0 │ -223.0 │ -3.1 │
│ │ │ 4-4 │ 1 │ 87.9 │ -308.2 │ -3.1 │
│ │ │ 5-5 │ 1 │ -74.5 │ -152.3 │ 3.1 │
│ │ │ 6-6 │ 1 │ -56.0 │ -181.0 │ 3.1 │
│ │ │ 7-7 │ 1 │ 39.0 │ -223.0 │ 3.1 │
│ │ │ 8-8 │ 1 │ 87.9 │ -308.2 │ 3.1 │
│ │ │ 9-9 │ 1 │ 0.0 │ -3.1 │ 152.3 │
│ │ │ 10-10 │ 1 │ 0.0 │ -3.1 │ -152.3 │
├─────┼──────────┼───────┼───────┼─────────┼──────────┼──────────┤
│ │ │ 1-1 │ 1 │ 0.0 │ -192.0 │ 6.7 │
│ 2 │Снеговая │ 2-2 │ 1 │ -35.7 │ -192.0 │ 6.7 │
│ │ │ 3-3 │ 1 │ 65.1 │ -192.0 │ 6.7 │
│ │ │ 4-4 │ 1 │ -0.7 │ -192.0 │ 6.7 │
│ │ │ 5-5 │ 1 │ 0.0 │ -192.0 │ -6.7 │
│ │ │ 6-6 │ 1 │ -35.7 │ -192.0 │ -6.7 │
│ │ │ 7-7 │ 1 │ 65.1 │ -192.0 │ -6.7 │
│ │ │ 8-8 │ 1 │ -0.7 │ -192.0 │ -6.7 │
│ │ │ 9-9 │ 1 │ 0.0 │ 6.7 │ 192.0 │
│ │ │ 10-10 │ 1 │ 0.0 │ 6.7 │ -192.0 │
├─────┼──────────┼───────┼───────┼─────────┼──────────┼──────────┤
│ │ │ 1-1 │ 1 │ 0.0 │ 0.0 │ -35.8 │
│ 3 │Вертикаль-│ 2-2 │ 1 │ 191.5 │ 0.0 │ -35.8 │
│ │ная от кра│ 3-3 │ 1 │ -550.3 │ -989.0 │ -35.8 │
│ │нов (Dmax │ 4-4 │ 1 │ -197.8 │ -989.0 │ -35.8 │
│ │на левой │ 5-5 │ 1 │ 0.0 │ 0.0 │ 24.3 │
│ │стойке) │ 6-6 │ 1 │ 191.5 │ 0.0 │ 24.3 │
│ │ │ 7-7 │ 1 │ 25.4 │ -222.0 │ 24.3 │
│ │ │ 8-8 │ 1 │ 377.9 │ -222.0 │ 24.3 │
│ │ │ 9-9 │ 1 │ 0.0 │ -35.8 │ 0.0 │
│ │ │ 10-10 │ 1 │ 0.0 │ -35.8 │ 0.0 │
├─────┼──────────┼───────┼───────┼─────────┼──────────┼──────────┤
│ │ │ 1-1 │ 1 │ 0.0 │ 0.0 │ -24.3 │
│ 4 │Вертикаль-│ 2-2 │ 1 │ 191.5 │ 0.0 │ -24.3 │
│ │ная от кра│ 3-3 │ 1 │ 25.4 │ -222.0 │ -24.3 │
│ │нов (Dmax │ 4-4 │ 1 │ 377.9 │ -222.0 │ -24.3 │
│ │на правой │ 5-5 │ 1 │ 0.0 │ 0.0 │ 35.8 │
│ │стойке) │ 6-6 │ 1 │ 191.5 │ 0.0 │ 35.8 │
│ │ │ 7-7 │ 1 │ -550.3 │ -989.0 │ 35.8 │
│ │ │ 8-8 │ 1 │ -197.8 │ -989.0 │ 35.8 │
│ │ │ 9-9 │ 1 │ 0.0 │ -35.8 │ 0.0 │
│ │ │ 10-10 │ 1 │ 0.0 │ -35.8 │ 0.0 │
├─────┼──────────┼───────┼───────┼─────────┼──────────┼──────────┤
│ │ │ 1-1 │ 1 │ 0.0 │ 0.0 │ -19.3 │
│ 5 │Горизон- │ 2-2 │ 1 │ 44.0 │ 0.0 │ 40.1 │
│ │тальная от│ 3-3 │ 1 │ 44.0 │ 0.0 │ 40.1 │
│ │кранов (T │ 4-4 │ 1 │ -351.4 │ 0.0 │ 40.1 │
│ │на левой │ 5-5 │ 1 │ 0.0 │ 0.0 │ 7.9 │
│ │стойке) │ 6-6 │ 1 │ 42.2 │ 0.0 │ 7.9 │
│ │ │ 7-7 │ 1 │ 42.2 │ 0.0 │ 7.9 │
│ │ │ 8-8 │ 1 │ 119.8 │ 0.0 │ 7.9 │
│ │ │ 9-9 │ 1 │ 0.0 │ -19.3 │ 0.0 │
│ │ │ 10-10 │ 1 │ 0.0 │ -19.3 │ 0.0 │
├─────┼──────────┼───────┼───────┼─────────┼──────────┼──────────┤
│ │ │ 1-1 │ 1 │ 0.0 │ 0.0 │ -7.9 │
│ 6 │Горизон- │ 2-2 │ 1 │ 42.2 │ 0.0 │ -7.9 │
│ │тальная от│ 3-3 │ 1 │ 42.2 │ 0.0 │ -7.9 │
│ │кранов (T │ 4-4 │ 1 │ 119.8 │ 0.0 │ -7.9 │
│ │на правой │ 5-5 │ 1 │ 0.0 │ 0.0 │ 19.3 │
│ │стойке) │ 6-6 │ 1 │ 44.0 │ 0.0 │ -40.1 │
│ │ │ 7-7 │ 1 │ 44.0 │ 0.0 │ -40.1 │
│ │ │ 8-8 │ 1 │ -351.4 │ 0.0 │ -40.1 │
│ │ │ 9-9 │ 1 │ 0.0 │ -19.3 │ 0.0 │
│ │ │ 10-10 │ 1 │ 0.0 │ -19.3 │ 0.0 │
├─────┼──────────┼───────┼───────┼─────────┼──────────┼──────────┤
│ │ │ 1-1 │ 1 │ 0.0 │ 0.0 │ 8.1 │
│ 7 │Ветровая │ 2-2 │ 1 │ -70.7 │ 0.0 │ 18.3 │
│ │(ветер │ 3-3 │ 1 │ -70.7 │ 0.0 │ 18.3 │
│ │слева нап-│ 4-4 │ 1 │ -344.2 │ 0.0 │ 37.2 │
│ │раво) │ 5-5 │ 1 │ 0.0 │ 0.0 │ 10.4 │
│ │ │ 6-6 │ 1 │ 76.2 │ 0.0 │ 18.1 │
│ │ │ 7-7 │ 1 │ 76.2 │ 0.0 │ 18.1 │
│ │ │ 8-8 │ 1 │ 324.1 │ 0.0 │ 34.9 │
│ │ │ 9-9 │ 1 │ 0.0 │ -2.5 │ 0.0 │
│ │ │ 10-10 │ 1 │ 0.0 │ -2.5 │ 0.0 │
├─────┼──────────┼───────┼───────┼─────────┼──────────┼──────────┤
│ │ │ 1-1 │ 1 │ 0.0 │ 0.0 │ -10.4 │
│ 8 │Ветровая │ 2-2 │ 1 │ 76.2 │ 0.0 │ -18.1 │
│ │(ветер │ 3-3 │ 1 │ 76.2 │ 0.0 │ -18.1 │
│ │справа │ 4-4 │ 1 │ 324.1 │ 0.0 │ -34.9 │
│ │налево) │ 5-5 │ 1 │ 0.0 │ 0.0 │ -8.1 │
│ │ │ 6-6 │ 1 │ -70.7 │ 0.0 │ -18.3 │
│ │ │ 7-7 │ 1 │ -70.7 │ 0.0 │ -18.3 │
│ │ │ 8-8 │ 1 │ -344.2 │ 0.0 │ -37.2 │
│ │ │ 9-9 │ 1 │ 0.0 │ -2.5 │ 0.0 │
│ │ │ 10-10 │ 1 │ 0.0 │ -2.5 │ 0.0 │
├─────┼──────────┼───────┼───────┼─────────┼──────────┼──────────┤
│ │ │ 1-1 │ 1 │ 0.0 │ 0.0 │ 9.9 │
│ 9 │Сейсмичес-│ 2-2 │ 1 │ -57.1 │ 0.0 │ 11.5 │
│ │кая │ 3-3 │ 1 │ -57.1 │ 0.0 │ 11.5 │
│ │ │ 4-4 │ 1 │ -184.2 │ 0.0 │ 14.3 │
│ │ │ 5-5 │ 1 │ 0.0 │ 0.0 │ 9.9 │
│ │ │ 6-6 │ 1 │ 57.1 │ 0.0 │ 11.5 │
│ │ │ 7-7 │ 1 │ 57.1 │ 0.0 │ 11.5 │
│ │ │ 8-8 │ 1 │ 184.2 │ 0.0 │ 14.3 │
│ │ │ 9-9 │ 1 │ 0.0 │ -9.9 │ 0.0 │
│ │ │ 10-10 │ 1 │ 0.0 │ -9.9 │ 0.0 │
├─────┼──────────┼───────┼───────┼─────────┼──────────┼──────────┤
│ │ │ 1-1 │ 1 │ 0.0 │ 0.0 │ -9.4 │
│ 10 │Местная │ 2-2 │ 1 │ 50.3 │ 0.0 │ -9.4 │
│ │сейсмичес-│ 3-3 │ 1 │ 50.3 │ 0.0 │ 15.4 │
│ │кая (на │ 4-4 │ 1 │ -101.8 │ 0.0 │ 15.4 │
│ │левой │ 5-5 │ 1 │ 0.0 │ 0.0 │ 0.0 │
│ │стойке) │ 6-6 │ 1 │ 0.0 │ 0.0 │ 0.0 │
│ │ │ 7-7 │ 1 │ 0.0 │ 0.0 │ 0.0 │
│ │ │ 8-8 │ 1 │ 0.0 │ 0.0 │ 0.0 │
│ │ │ 9-9 │ 1 │ 0.0 │ 0.0 │ 0.0 │
│ │ │ 10-10 │ 1 │ 0.0 │ 0.0 │ 0.0 │
├─────┼──────────┼───────┼───────┼─────────┼──────────┼──────────┤
│ │ │ 1-1 │ 1 │ 0.0 │ 0.0 │ 0.0 │
│ 11 │Местная │ 2-2 │ 1 │ 0.0 │ 0.0 │ 0.0 │
│ │сейсмичес-│ 3-3 │ 1 │ 0.0 │ 0.0 │ 0.0 │
│ │кая (на │ 4-4 │ 1 │ 0.0 │ 0.0 │ 0.0 │
│ │правой │ 5-5 │ 1 │ 0.0 │ 0.0 │ 9.4 │
│ │стойке) │ 6-6 │ 1 │ 50.3 │ 0.0 │ 9.4 │
│ │ │ 7-7 │ 1 │ 50.3 │ 0.0 │ -15.4 │
│ │ │ 8-8 │ 1 │ -101.8 │ 0.0 │ -15.4 │
│ │ │ 9-9 │ 1 │ 0.0 │ 0.0 │ 0.0 │
│ │ │ 10-10 │ 1 │ 0.0 │ 0.0 │ 0.0 │
├─────┼──────────┼───────┼───────┼─────────┼──────────┼──────────┤
│ │ │ 1-1 │ 1 │ 0.0 │ 0.0 │ -3106.1 │
│ │ │ 2-2 │ 1 │ 16617.7 │ 0.0 │ -3106.1 │
│ 12 │Вертикаль-│ 3-3 │ 1 │ -47760.9 │ -85838.2 │ -3106.1 │
│ │ная от од-│ 4-4 │ 1 │ -17165.6 │ -85838.2 │ -3106.1 │
│ │ного крана│ 5-5 │ 1 │ 0.0 │ 0.0 │ 2113.3 │
│ │(Dmax на │ 6-6 │ 1 │ 16617.7 │ 0.0 │ 2113.3 │
│ │левой стой│ 7-7 │ 1 │ 3383.0 │ -19352.2 │ 265.5 │
│ │ке) │ 8-8 │ 1 │ 32796.7 │ -19268.0 │ 2113.3 │
│ │ │ 9-9 │ 1 │ 0.0 │ -3106.1 │ 0.0 │
│ │ │ 10-10 │ 1 │ 0.0 │ -3106.1 │ 0.0 │
├─────┼──────────┼───────┼───────┼─────────┼──────────┼──────────┤
│ │ │ 1-1 │ 1 │ 0.0 │ 0.0 │ -2113.3 │
│ │ │ 2-2 │ 1 │ 16617.7 │ 0.0 │ -2113.3 │
│ 13 │Вертикаль-│ 3-3 │ 1 │ 2201.4 │ -19268.0 │ -2113.3 │
│ │ная от од-│ 4-4 │ 1 │ 32796.7 │ -19268.0 │ -2113.3 │
│ │ного крана│ 5-5 │ 1 │ 0.0 │ 0.0 │ 3106.1 │
│ │(Dmax на │ 6-6 │ 1 │ 16617.7 │ 0.0 │ 3106.1 │
│ │правой │ 7-7 │ 1 │ -47760.9 │ -85838.2 │ 3106.1 │
│ │стойке) │ 8-8 │ 1 │ -17165.6 │ -85838.2 │ 3106.1 │
│ │ │ 9-9 │ 1 │ 0.0 │ -3106.1 │ 0.0 │
│ │ │ 10-10 │ 1 │ 0.0 │ -3106.1 │ 0.0 │
└─────┴──────────┴───────┴───────┴─────────┴──────────┴──────────┘
Примечание: положительное значение момента - внутри рамы.
Комбинации расчётных усилий см. в табл. 3 .3
Таблица 3 .3
Комбинации расчётных усилий
┌─────┬─────┬────────┬─────────────┬──────────┬──────────┬──────────┐
│N се-│Соче-│Экстрем.│Экстремальный│Изгиб. мо-│Продольная│Поперечная│
│чения│тания│усилие │путь │мент М,кНм│сила N, кН│сила Q, кН│
├─────┼─────┼────────┼─────────────┼───────┼──────────┼──────────┤
│ 1 │ 2 │ 3 │ 4 │ 5 │ 6 │ 7 │
├─────┼─────┼────────┼─────────────┼───────┼──────────┼──────────┤
│ │ │Mmax │ 1,2 │ -74.5 │ -344.3 │ 3.6 │
│1-1 │ос- │Mmin │ 1,2 │ -74.5 │ -344.3 │ 3.6 │
│ │нов- │Nmax │ 1,7 │ -74.5 │ -152.3 │ 5.0 │
│ │ные │Nmin,M>0│ │ 0.0 │ 0.0 │ 0.0 │
│ │ │Nmin,M<0│ 1,2 │ -74.5 │ -344.3 │ 3.6 │
│ │ │Qmax │ 1,2,7 │ -74.5 │ -325.1 │ 10.2 │
│ │ │Qmin │ 1,8,3,5+ │ -74.5 │ -152.3 │ -62.0 │
├─────┼─────┼────────┼─────────────┼───────┼──────────┼──────────┤
│ │ │Mmax │ 1,8,3,5+ │ 224.5 │ -181.0 │ -15.4 │
│2-2 │ос- │Mmin │ 1,2,7 │ -151.8 │ -353.8 │ 19.5 │
│ │нов- │Nmax │ 1,7 │ -126.7 │ -181.0 │ 15.3 │
│ │ные │Nmin,M>0│ 1,2,3,5+ │ 123.8 │ -353.8 │ 6.9 │
│ │ │Nmin,M<0│ 1,2 │ -91.8 │ -373.0 │ 3.6 │
│ │ │Qmax │ 1,2,7,4,5+ │ 60.1 │ -353.8 │ 33.7 │
│ │ │Qmin │ 1,8,3,5- │ 145.3 │ -181.0 │ -87.7 │
├─────┼─────┼────────┼─────────────┼───────┼──────────┼──────────┤
│ │ │Mmax │ 1,2,8,4,5+ │ 228.6 │ -595.6 │ 0.9 │
│3-3 │ос- │Mmin │ 1,7,3,5- │ -559.5 │ -1113.1 │ -54.9 │
│ │нов- │Nmax │ 1,7 │ -31.7 │ -223.0 │ 15.3 │
│ │ные │Nmin,M>0│ 1,2,4,5+ │ 160.0 │ -595.6 │ 17.2 │
│ │ │Nmin,M<0│ 1,2,3,5+ │ -358.1 │ -1285.9 │ 6.9 │
│ │ │Qmax │ 1,2,7,4,5+ │ 96.4 │ -595.6 │ 33.7 │
│ │ │Qmin │ 1,8,3,5- │ -427.3 │ -1113.1 │ -87.7 │
├─────┼─────┼────────┼─────────────┼───────┼──────────┼──────────┤
│ │ │Mmax │ 1,4,6,8 │ 827.5 │ -508.0 │ -63.5 │
│4-4 │ос- │Mmin │ 1,2,3,5,7 │ -725.6 │ -1489.2 │ 45.1 │
│ │нов- │Nmax │ 1 │ 87.9 │ -308.2 │ -3.1 │
│ │ные │Nmin,M>0│ 1,4,6 │ 527.0 │ -510.2 │ -31.8 │
│ │ │Nmin,M<0│ 1,2,3,5 │ -415.8 │ -1340.3 │ 7.5 │
│ │ │Qmax │ 1,2,3,5,7 │ -725.6 │ -1340.3 │ 40.6 │
│ │ │Qmin │ 1,3,5-,8 │ -100.7 │ -1167.5 │ -102.5 │
├─────┼─────┼────────┼──────────┼──────────┼──────────┼──────────┤
│ │ │Mmax │ 1,2 │ 0.0 │ 3.6 │ 344.3 │
│9-9 │ос- │Mmin │ 1,2 │ 0.0 │ 3.6 │ 344.3 │
│ │нов- │Nmax │ 1,2 │ 0.0 │ 3.6 │ 344.3 │
│ │ные │Nmin,M>0│ │ 0.0 │ 0.0 │ 0.0 │
│ │ │Nmin,M<0│ 1,7,3,5+ │ 0.0 │ -54.9 │ 152.3 │
│ │ │Qmax │ 1,2 │ 0.0 │ 3.6 │ 344.3 │
│ │ │Qmin │ 1,7 │ 0.0 │ -5.5 │ 152.3 │
├─────┼─────┼────────┼──────────┼──────────┼──────────┼──────────┤
│ │ │Mmax │ 1,2 │ 0.0 │ 3.6 │ -344.3 │
│10-10│ос- │Mmin │ 1,2 │ 0.0 │ 3.6 │ -344.3 │
│ │нов- │Nmax │ 1,2 │ 0.0 │ 3.6 │ -344.3 │
│ │ные │Nmin,M>0│ │ 0.0 │ 0.0 │ 0.0 │
│ │ │Nmin,M<0│ 1,7,3,5+ │ 0.0 │ -54.9 │ -152.3 │
│ │ │Qmax │ 1,7 │ 0.0 │ -5.5 │ -152.3 │
│ │ │Qmin │ 1,2 │ 0.0 │ 3.6 │ -344.3 │
├─────┼─────┼────────┼──────────┼──────────┼──────────┼──────────┤
│ │ │Mmax │1,2,9+ │ -67.0 │ -233.1 │ 10.5 │
│1-1 │осо- │Mmin │1,2,9+ │ -67.0 │ -233.1 │ 10.5 │
│ │бые │Nmax │1,2,9+ │ -67.0 │ -233.1 │ 10.5 │
│ │ │Nmin,M>0│ │ 0.0 │ 0.0 │ 0.0 │
│ │ │Nmin,M<0│1,2,9+ │ -67.0 │ -233.1 │ 10.5 │
│ │ │Qmax │1,2,9+,10- │ -67.0 │ -233.1 │ 19.9 │
│ │ │Qmin │1,2,9-,10+,12│ -67.0 │ -233.1 │ -1571.8 │
├─────┼─────┼────────┼──────────┼──────────┼──────────┼──────────┤
│ │ │Mmax │1,2,9-,10+,12│ 8348.0 │ -258.9 │ -1573.3 │
Вместе с этим смотрят:
Авангардизм як явище архiтектури ХХ столiття
Автоматическая автозаправочная станция на 250 заправок в сутки
Анализ деятельности строительного предприятия "Луна-Ра-строй"
Анализ проектных решений 20-ти квартирного жилого дома