Конструирование
Содержание
ВведениетАжтАжтАжтАжтАжтАжтАжтАжтАжтАжтАжтАжтАжтАжтАжтАжтАжтАжтАжтАжтАжтАжтАжтАжтАжтАж.
1. Общая частьтАжтАжтАжтАжтАжтАжтАжтАжтАжтАжтАжтАжтАжтАжтАжтАжтАжтАжтАжтАжтАжтАжтАж..
1.1. Анализ технического заданиятАжтАжтАжтАжтАжтАжтАжтАжтАжтАжтАжтАж...
1.2 .Описание схемы электрической принципиальнойтАжтАжтАжтАжтАжтАжтАж..
2. Расчетная частьтАжтАжтАжтАжтАжтАжтАжтАжтАжтАжтАжтАжтАжтАжтАжтАжтАжтАжтАжтАжтАж...
2.1. Расчет надёжноститАжтАжтАжтАжтАжтАжтАжтАжтАжтАжтАжтАжтАжтАжтАжтАжтАжтАжтАж.тАж.
3. Конструкторская частьтАжтАжтАжтАжтАжтАжтАжтАжтАжтАжтАжтАжтАжтАжтАжтАжтАжтАжтАж
3.1 Обоснование выбора элементов схемытАжтАжтАжтАжтАжтАжтАжтАжтАжтАжтАжтАж
3.1.1 Обоснование выбора транзисторовтАжтАжтАжтАжтАжтАжтАжтАжтАж...
3.1.2 Обоснование выбора диодовтАжтАжтАжтАжтАжтАжтАжтАжтАжтАжтАжтАжтАж
3.1.3 Обоснование выбора резисторовтАжтАжтАжтАжтАжтАжтАжтАжтАжтАжтАж.
3.1.4 Обоснование выбора конденсаторовтАжтАжтАжтАжтАжтАжтАжтАжтАж..
3.1.5 Обоснование выбора микросхемтАжтАжтАжтАжтАжтАжтАжтАжтАжтАжтАж..
3.2. Обоснование разработки трассировки печатной платытАжтАжтАжтАжтАж.
3.3. Обоснование разработки компоновки печатной платытАжтАжтАжтАжтАж.
ЛитературатАжтАжтАжтАжтАжтАжтАжтАжтАжтАжтАжтАжтАжтАжтАжтАжтАжтАжтАжтАжтАжтАжтАжтАжтАж..
ПриложениетАжтАжтАжтАжтАжтАжтАжтАжтАжтАжтАжтАжтАжтАжтАжтАжтАжтАжтАжтАжтАжтАжтАжтАжтАж.
Введение
К характерной особенности современной техники относится широкое внедрение методов и средств автоматики и телемеханики, вызванное переходом на автоматизированное управление. Непрерывно усложняются функции, выполняемые системами автоматизированного управления, а относительная значимость этих систем в процессе производства непрерывно возрастает.
Развитие автоматизации в народном хозяйстве и во всех областях человеческой деятельности идёт по пути постепенного увеличения комплекса машин и агрегатов, охватываемых одной или взаимосвязанными системами автоматизированного управления, и совершенствованием процессов управления отдельными машинами и агрегатами. Вначале обычно автоматизируется один агрегат или машина, затем группа машин и далее всё более крупный комплекс. Примером может служить переход от автоматизации станка к созданию автоматической линии, цеха-автомата, завода-автомата, группы автоматизированных заводов. Протяжённость коммуникаций возрастает.
В основе любой технической, биологической и социальной системы управления и функционирования лежат информационные процессы, связанные с первичным отбором, сбором, предварительной обработки информации, её передачей, хранением, обработкой, распределением, отображением, регистрацией, считыванием и исполнением команд управления.
Появляются специализированные устройства сбора, передачи, исполнения команд управления. Комплекс этих устройств с передачей информации на расстояние представляет собой систему телемеханики. С укрупнением систем управления и всё большей автоматизацией процессов переработки информации системы телемеханики перерастают в крупные автоматизированные информационные системы. Разработка которых для управления промышленными комплексами идёт в двух направлениях.
Первое направление связано с постепенным усложнением систем телемеханики за счёт как усложнения структур и увеличения потоков информации, так и увеличения удельного веса процессов обработки информации, второе- с внедрение вычислительной техники в управление производством и разработкой для целей оперативного управления комплекса устройств, называемых внешними устройствами вычислительных машин. Система внешних устройств ЭВМ, расположенных на расстоянии, представляет собой в основном систему телемеханики многопроводную или двухпроводную в зависимости от способов передачи информации (включая устройства передачи данных).
В связи с широким развёртыванием работ по созданию крупных автоматизированных информационных систем, работающих с цифровыми вычислительными машинами, получивших название автоматизированные системы управления (АСУ), значение систем телемеханики и потребность в них существенно возрастают. В тех случаях, когда объекты территориально разобщены и требуется автоматическая телепередача информации, системы телемеханики выполняют функции систем автоматического сбора и передачи для АСУ информации с нижних ступеней контроля и управления.
1. Общая часть
1.1. Анализ технического задания
Частота управляющих импульсов (Гц)тАжтАжтАжтАжтАжтАжтАжтАжтАжтАжтАж.30тАж35
Напряжение питания пульта управления (В)тАжтАжтАжтАжтАжтАжтАжтАж..4,5тАж6
Напряжение питания приёмника (В)тАжтАжтАжтАжтАжтАжтАжтАжтАжтАжтАжтАжтАж..220
Частота питающей сети (Гц)тАжтАжтАжтАжтАжтАжтАжтАжтАжтАжтАжтАжтАжтАжтАжтАжтАж.50
Максимальная мощность нагрузки (Вт)тАжтАжтАжтАжтАжтАжтАжтАжтАжтАжтАжтАж.100
Выключателем управляют с помоВнщью передатчика ИК импульсов (пульта), по команде которого выклюВнченная в момент ее подачи осветиВнтельная лампа будет включена, и наВноборот. В прибор встроен дополниВнтельный ИК передатчик, что избавляет от необходимости постоянно носить пульт с собой или тратить время на его поиски. Достаточно поднести к выключателю руку на расстояние приблизительно десять сантиметров, и он сработает.
Выключатель реагирует на имВнпульсное ИК-излучение, не расшифроВнвывая содержащийся в нем код. ПоВнэтому подойдет любой пульт ДУ от имВнпортного или отечественного элекВнтронного прибора (например, телевиВнзора), причем нажимать можно на кнопку любой команды.
1.2. Описание схемы электрической принципиальной
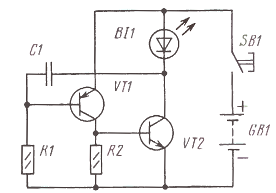
Схема самого простого варианта пульта управления показана на рис. 1.1. Это тАФ генератор импульсов на транзиВнсторах разной структуры, нагрузкой которого служит излучающий диод ИК-диапазона. Генератор питают от трех-четырех гальванических элеВнментов, команду подают кратковреВнменным нажатием на кнопку SB1.

Рис.1.1. Схема электрическая принципиальная ПДУ.
Схема выключателя показана на рис.1.2. Приемник ИК импульсов собран по схеме, подобной применяемой в блоках управления телевизоров "РуВнбин" и "Темп". На транзисторах VT1-VT4 собран усилитель импульсов, в коВнторые преобразует принятое ИК-излуВнчение фотодиод VD1, чувствительный к ИК луВнчам. Далее принятый сигнал проходит через активный фильтр с двойным Т-мостом, собранный на транзисторе VT5. Фильтр устраняет помехи от освеВнтительных ламп, излучение которых заВнхватывает ИК-область спектра и промодулировано удвоенной частотой сети переменного тока. Возможное иногда самовозбуждение этого фильтра устраняют заменой транзистора другим, с меньшим значением h21э.
Отфильтрованный сигнал, пройдя через усилитель-ограничитель на транзисторе VT6 и элементе DD1.1, поступает на накопитель (диод VD4 и цепь R19C12). Параметры элементов накопителя выбраны таким образом, что конденсатор С12 успевает заряВндиться до уровня срабатывания элеВнмента DD1.2 только за тритАФшесть принятых импульсов. Это предотвраВнщает срабатывание выключателя от одиночных световых импульсов: фотоВнграфических ламп-вспышек, грозовых разрядов. Разрядка конденсатора С12 занимает 1..2 с.
Узел на логических элементах DD1.2, DD1.3, DD1.6, благодаря обратВнной связи через конденсатор С13, формирует импульсы с крутыми переВнпадами уровня, поступающие на счетВнный вход триггера DD2. С каждым из них триггер изменяет состояние. При лог. 1 на выводе 1 триггера открыты транзисторы VT9, VT10 и тринистор VS1. Цепь лампы EL1 замкнута, освещение включено. Свечение двуцветноВнго светодиода HL1 - зеленое. В проВнтивном случае (лог. 1 на выводе 2 триггepa) освещение выключено, свечение светодиода HL1 - красное. В это же состояние приводит триггер импульс, формируемый цепью C19R24. Таким образом, устраняют самопроизвольное включение освещения после перебоя в подаче электроэнергии.

Встроенный ИК передатчик, соВнбранный на элементах DD1.4, DD1.5 генератор импульсов частотой 30..35 Гц позволяет пользоваться выключателем, не имея в руках пульта ДУ. Излучающий диод ВИ установлен рядом с фотодиодом VD1, но отделен от него светонепроницаемой перегоВнродкой. Излучение диода ВИ направлено в ту сторону, откуда фотодиод его принимает. Выключатель должен сраВнбатывать от ИК импульсов встроенноВнго передатчика, отраженных от ладоВнни, поднесенной на расстояние 5..20 см. Необходимую для этого мощность излучаемых импульсов усВнтанавливают, изменяя номинал резисВнтора R20.
2. Расчетная часть
2.1. Расчет надежности
Расчет надежности производят на этапе разработки объекта для определения времени наработки на отказ устройства. В результате расчета должны быть определены количественВнные характеристики надежности объектов. Расчет производится по известным данным об интенсивности отказов элементов, составВнляющих рассматриваемый объект; в частности, надежность каВнкой-либо сборочной единицы ЭВМ определяется значениями инВнтенсивности отказов ЭРЭ и элементов конструкции, составляющих сборочную единицу.
В настоящее время имеются обширные справочные данные по интенсивности отказов ЭРЭ. Эти данные приводятся для нормальВнных температурных условий и для определенного электрического режима ЭРЭ.
Для определения среднего времени наработки на отказ произведём расчет надёжности на этапе проектирования. Для расчета задаются ориентировочные данные. В качестве температуры окружающей среды может быть принято среднее значение температуры внутри блока.
Для различных элементов при расчетах надёжности служат различные параметры. Для резисторов и транзисторов это допустимая мощность рассеяния, для конденсаторов допустимое напряжение, для диодов прямой ток.
Коэффициенты нагрузок для элементов каждого типа по напряжению могут быть определены по величине напряжения источника питания. Так для конденсаторов номинальное напряжение рекомендуется брать в 1,5-2 раза выше напряжения источника питания.
Допустимую мощность рассеяния резисторов следует брать в качестве номинального параметра. Фактическое значение параметра надо брать на половину меньше.
Для конденсаторов номинальным параметром в расчете надежности считается допустимые значения напряжения на обкладках конденсатора. В большинстве схем этот параметр не указывается. Его следует выбирать исходя напряжения источника питания.
Для транзисторов номинальный параметр Рк берется и справочников.
Для диодов контролируемый параметр - величина прямого тока (из справочников).
При увеличении коэффициента нагрузки интенсивность возрастает. Она также возрастает, если элемент эксплуатируется в более жестких условиях: при повышенной температуре, влажности, при ударах и вибрациях. В стационарной аппаратуре, работающей в отапливаемых помещениях, наибольшее влияние на надежность аппаратуры имеет температура.
В таблицу 1 заносим данные из принципиальной схемы.
Таблица заполняется по колонкам. В 1-ую колонку заносится наименование элемента, его тип определяется по схеме. Часто в схемах не указывается тип конденсатора, а даётся только его ёмкость. В этом случае следует по ёмкости и выбрать подходящий тип конденсатора в справочнике. Тип элемента заносится во вторую колонку.
В колонку 4 заносится температура окружающей среды.
Далее следует заполнить колонку 6, пользуясь теми рекомендациями, которые были приведены выше.
Студенту, как правило, не известны фактические параметры элемента. Выбирать их надо, руководствуясь рекомендациями таблицы 2.1.
Таблица 2.1
| Наименование элемента. | Контролируемые параметры | k нагрузки | |
| Импульсный режим | Статический режим | ||
| Транзисторы |
| 0,5 | 0,2 |
| Диоды |
| 0,5 | 0,2 |
| Конденсаторы |
| 0,7 | 0,5 |
| Резисторы |
| 0,6 | 0,5 |
| Трансформаторы |
| 0,9 | 0,7 |
| Соединители |
| 0,8 | 0,5 |
| Микросхемы |
| ¾ | ¾ |
Зная kн определяем фактическое значение параметра и заполняем колонки 5 и 8.
Если kн в таблицу для элемента не указано, то следует ставить прочерк или брать kн=0,5.
Колонка 7 заполняется по справочнику.
Далее определяется коэффициент влияния (a), которое показывает как влияние на интенсивность отказов окружающая элемент температура в связи с коэффициентом нагрузки. Находят (a) по таблице 2.2.
Таблица 2.2.
| TВ°C | Значение a при k равном | ||||
| 0,1 | 0,3 | 0,5 | 0,8 | 1 | |
| Кремниевые полупроводниковые приборы | |||||
20 40 70 | 0,02 0,05 0,15 | 0,05 0,15 0,35 | 0,15 0,30 0,75 | 0,5 1 1 | 1 ¾ ¾ |
| Керамические конденсаторы | |||||
20 40 70 | 0,15 0,30 0,30 | 0,30 0,30 0,50 | 0,35 0,50 0,75 | 0,65 1,00 1,5 | 1 1,4 2,2 |
| Бумажные конденсаторы | |||||
20 40 70 | 0,35 0,50 0,7 | 0,55 0,60 1,0 | 0,70 0,80 1,4 | 0,85 1,00 1,8 | 1,0 1,2 2,3 |
| Электролитические конденсаторы | |||||
20 40 70 | 0,55 0,65 1,45 | 0,65 0,80 1,75 | 0,75 0,90 2,0 | 0,90 1,1 2,5 | 1,0 1,2 2,3 |
| Металлодиэлектрические или металлооксидные резисторы | |||||
20 40 70 | 0,40 0,45 0,50 | 0,50 0,60 0,75 | 0,65 0,80 1,00 | 0,85 1,1 1,5 | 1,00 1,35 2 |
| Силовые трансформаторы | |||||
20 40 70 | 0,40 0,42 1,5 | 0,43 0,50 2 | 0,45 0,60 3,1 | 0,55 0,90 6,0 | 1 1,5 10,00 |
Колонка 10 заполняется из соответствующей таблицы 2.3. (интенсивность отказов lо для температуры +20В°С).
Вместе с этим смотрят:
IP-телефония. Особенности цифровой офисной связи