Проектирование связного радиопередатчика с частотной модуляцией
Связные РПУ с частотной модуляцией проектируются для работы на одной фиксированной частотеВа или в диапазоне частот. В первом случае рабочая частота стабилизируется кварцевым резонатором, а для генерации ЧМ колебаний могут быть использованы как прямой метод управления частотой, так и косвенный. Структурная схема передатчика с использованием прямого метода ЧМ изображена на рис.1.
Рис.1. Структурная схема передатчика с прямой ЧМ
Модулирующее напряжение UW подается на варикап, с помощью которого модулируется по частоте кварцевый автогенератор (КГ). Кварцевый генератор работает на частотах 10тАУ15 МГц, затем его частота умножается в n раз до рабочего значения, сигнал подается на усилитель мощности (УМ) и через цепь связи в антенну.
Косвенный метод ЧМ основан на преобразовании фазовой модуляции (ФМ) в частотную при помощи введения в схему интегрирующего звена, т. е. фильтра низких частот (ФНЧ). Структурная схема передатчика с использованием косвенного метода получения ЧМ изображена на рис.2.

Рис.2. Структурная схема передатчика с использованием косвенного метода ЧМ
В качестве возбудителя диапазонного передатчика с ЧМ используется синтезатор сетки дискретных частот, ведомый генератор которого управляется двумя варикапами (рис.3).

Рис.3. Структурная схема ЧМ передатчика с синтезатором частоты
На варикап VD1 подается модулирующее напряжение UW, на варикап VD2 тАУ управляющее напряжение системы фазовой автоподстройки частоты (ФАПЧ). Разделение функций управленияВа объясняется тем, что девиация частоты под влиянием модулирующего сигнала относительно невелика (3тАУ5 кГц) в сравнении с диапазоном перестройки ведомого генератора (ГУН) управляющим сигналом с выхода системы ФАПЧ. ПоэтомуВа варикап VD1 связан с колебательным контуром ГУНа значительно слабее, чем VD2. Шаг сетки частот на выходе передатчика в зависимости от рабочего диапазона может быть 5; 10; 12,5; 25 кГц.
Для повышения устойчивости необходимо, чтобы мощный оконечный усилитель как можно меньше влиял на работу ГУНа, поэтому производят их развязку по частоте введением в структуру передатчика умножителя частоты. В таком случае шаг сетки синтезатора уменьшается в n раз, где n - коэффициент умножения частоты умножителя.
В данном курсовом проекте проведен анализ диапазонного передатчика ЧМ. В пояснительной записке представлены электрические расчеты оконечного каскада, цепи связи с фидером, автогенератора и частотного модулятора, приведены конструктивные расчеты оконечного каскада и цепи связи с фидером. К пояснительной записке прилагаются чертежи с изображениями полной электрической схемы и конструкцией оконечного каскада передатчика.
Основная часть
1. Выбор и обоснование структурной схемы передатчика
Исходя из технического задания, нужно спроектировать схему связного передатчика с ЧМ, работающего в некотором диапазоне частот. При этом данный передатчик должен обеспечивать выполнение всех характеристик, которые от него требуются по ТЗ, а так же быть как можно более простым, малогабаритным и дешевым.
![]() |
В качестве общей структурной схемы выберем схему с прямым получением ЧМ и с синтезатором частоты.
Рис.4. Структурная схема ЧМ передатчика
Модулирующий сигнал от микрофона усиливается в УНЧ. Далее осуществляется ограничение амплитуды, которое предотвращает увеличение девиации частоты за заданные пределы при ЧМ. ФНЧ, выполненный на интегрирующей RC-цепочке, ограничивает спектр сигнала до 3,5 кГц. Модулирующий сигнал, усиленный и прошедший цепи коррекции поступает на варикап ГУНа, где производится частотная модуляция несущего колебания.
ГУН выполним по схеме Клаппа, его центральная частота управляется с помощью второго варикапа, на который управляющий сигнал подается с цифрового синтезатора частоты, реализованного на микросхеме КФ1015ПЛ3А [8], описание которой приведено в конце данной пояснительной записки.
Работа ГУНа происходит по сигналу опорной частоты тАУ
МГц, задаваемой кварцевым генератором. Для шага сетки частот 6,25 кГц (до умножителя частоты) коэффициент деления опорной частоты составляет
, при этом пределы коэффициента деления тракта программируемого делителя частоты составляют от
Вадо
ВаЭти коэффициенты задаются посредством контроллера.
Промодулированный сигнал после ГУНа поступает на умножитель частоты (умножение в два раза), который переводит его в рабочий диапазон и, кроме этого, производит усиление. Далее сигнал усиливается в предварительных и предоконечном усилителях до уровня, необходимого для работы оконечного каскада. Оконечный каскад реализован в виде четырех идентичных модулей, выполненных по двухтактной схеме, причем схемы деления и сложения мощности от отдельных блоков, а также трансформации сопротивлений выполнены на отрезках длинных линий.
На выходе передатчика стоит ФНЧ, который подавляет уровень внеполосного излучения до заданного. Согласно ГОСТу этот уровень составляет -60 дБ для данной рабочей полосы и излучаемой мощности. Сигнал с ФНЧ поступает на фидерную 50-омную линию и далее в антенну.
Начнем расчет оконечного каскада с выбора рабочего транзистора.
2. Расчет оконечного каскада
2.1 Выбор транзистора
Оконечный каскад построен по модульному принципу со сложением мощностей от отдельных модулей. Каждый модуль представляет собой двухтактную схему. Количество модулей выбрано исходя из того, что, во-первых, оно должно быть четным тАУ для удобства реализации схемы сложения и деления мощностей; во-вторых, должны существовать транзисторы, реализующие мощность отдельного модуля. Количество модулей должно быть минимальным.
Как правило, для генерации заданной мощности в нагрузке в определенном диапазоне частот можно подобрать целый ряд транзисторов. Из группы транзисторов нужно выбрать тот, который обеспечивает наилучшие электрические характеристики усилителя мощности.
Коэффициент полезного действия каскада связан с величиной сопротивления насыщения транзистора - rнасВЧ. Чем меньше его величина, тем меньше остаточное напряжение в граничном режиме и выше КПД генератора.
Коэффициент усиления по мощности КР зависит от ряда параметров транзистора: коэффициента передачи тока базы тАУ b0, частоты единичного усиления fт и величины индуктивности эмиттерного вывода LЭ. При прочих равных условиях КР будет тем больше, чем выше значение b0, fT и меньше LЭ.
Исходя из этих условий, выбираем транзистор 2Т971А, имеющий следующие параметры:
Параметры идеализированных статических характеристик
Сопротивление насыщения транзистора на высокой частоте rнас ВЧ=0,15 Ом
Коэффициент усиления по току в схеме с ОЭ на низкой частоте (f→0) βо=8
Сопротивление материала базы 0,1 Ом
Высокочастотные параметры
Граничная частота усиления по току в схеме с ОЭ fт =570 МГц
Барьерная емкость коллекторного перехода Ск = 200 пФ
Индуктивность вывода эмиттера 0,18 нГн
Индуктивность вывода базы 0,56 нГн
Индуктивность вывода коллектора 0,1 нГн
Допустимые параметры
Предельное напряжение на коллекторе Uкэ доп = 50 В
Обратное напряжение на эмиттерном переходе Uбэ доп = 4 В
Постоянная составляющая коллекторного тока Iко. доп = 17А
Максимально допустимое значение коллекторного тока Iк. макс. доп=30А
Диапазон рабочих частот 50 тАУ200 МГц
Тепловые параметры
Максимально допустимая температура переходов транзистора tп.доп=160 ºС
Тепловое сопротивление переход тАУ корпус Rпк=0,6 ºС/Вт
Энергетические параметры
Pн = 150 Вт
Рвх=50 Вт
Ек=24 В
h=55тАУ84%
Кр=3тАУ9
Режим работы тАУ класс В.
Оценим мощность Р1, которую должен отдавать один транзистор, исходя из следующих параметров:
КПД выходного трансформатора тАУ ![]()
КПД фильтрующей системы тАУ ![]()
КПД устройства сложения мощностей тАУ ![]()
количество модулей в схеме сложения тАУ М = 4
количество транзисторов в модуле тАУ m = 2
Вт тАУ мощность модуля,
Вт тАУ мощность одного транзистора в модуле.
2.2 Расчет коллекторной цепи выходного каскада
Расчет коллекторной цепи проводится по методике, изложенной в [1],Ва для одного из транзисторов двухтактной схемы, работающего в критическом режиме с углом отсечки тАУ Q=90В° (класс В). При данном угле отсечки отсутствуют нечетные гармоники тока коллектора 3, 5 и высшего порядков, а четные гармоники компенсируются при сложении колебаний от двух плеч двухтактной схемы. Исходные данные для расчета следующие:
Вт тАУ колебательная мощность транзистора,
В тАУ напряжение питания коллектора,
ВатАУ коэффициенты Берга при Q=90В°,
rнас ВЧ=0,15 ОмВа тАУ сопротивление насыщения транзистора,
Iко. макс. доп = 17А тАУ предельный постоянный ток коллектора.
1. Амплитуда первой гармоники напряжения на коллекторе в критическом режиме
В
2. Максимальное напряжение на коллекторе при заданном Ек
В
3. Амплитуда первой гармоники коллекторного тока
А
4. Постоянная составляющая коллекторного тока и КПД
А;
![]()
5. Мощность, рассеиваемая на коллекторе транзистора
Вт
6. Сопротивление коллекторной нагрузки (для одного транзистора)
Ом
7. Блокировочная емкость
![]()
Поскольку оконечный каскад должен работать на 50-омный фидер, то сопротивление коллектора требует трансформации. Стандартный ряд трансформации сопротивлений 1/9;1/4;4/9. Для данной схемы этот коэффициент составит:
,
![]() |
получили стандартное отношение NTR= 1/9, тогда можно применить стандартную схему согласования активного элемента с нагрузкой с помощью ТДЛ.
Рис.5. ТДЛ сВа коэффициентом трансформации 1:3 по напряжению.
Здесь W = 16,5Ом. В дальнейшем проведем преобразование этой схемы к схеме ТДЛ для двухтактного каскада (введем симметрирующую линию).
Расчет конструктивных особенностей ТДЛ будет приведен ниже. Принципиальная схема представлена в Приложении В.
Перейдем к расчету входной цепи оконечного каскада.
2.3 Расчет входной цепи оконечного каскада
Расчет входной цепи проведем по методике, изложенной в [1]. В широкодиапазонных двухтактных генераторах при работе транзисторов с углом отсечки θ=90º (класс В) важно, чтобы в импульсах ток перекосов не было так, как при этом отсутствуют нечетные гармоники (3ω, 5ω,тАж) устранение перекосов в импульсах достигается включением шунтирующего добавочного сопротивления Rдоп между выводами базы и эмиттера транзистора. Сопротивление Rдоп выбирают так, чтобы выровнять постоянные времени эмиттерного перехода в закрытом и открытом состояниях.
Для расчета входной цепи потребуются следующие параметры транзистора 2Т971А:
![]()
1. Амплитуда тока базы
А,
где ![]()
2. Добавочное сопротивление и сопротивление ОС
![]()
![]()
3. Максимальное обратное напряжение на эмиттерном переходе
В
![]()
4. Постоянные составляющие базового и эмиттерного токов

5. Напряжение смещения на эмиттерном переходе

6. Значения
,
,
,![]()
![]() |

рис.6. Схема замещения входной цепи
7. Резистивная и реактивная составляющие входного сопротивления транзистора (Zвх=Rвх + jXвх)

8. Входная мощность
![]()
9. Коэффициент усиления по мощности
![]()
2.4 Расчет согласующего устройства входной цепи
Расчет входной цепи в предыдущем пункте показал, что входное сопротивление транзистора отличается от сопротивления коллекторной нагрузки. А поскольку на входе оконечного каскада используется аналогичная схема трансформации сопротивлений на длинных линиях (для распределения мощности по модулям), то необходимо включить во входную цепь согласующее устройство, которое бы преобразовало входное сопротивление транзистора (
) до значения сопротивления коллекторной нагрузки
. Для этих целей подойдет узкополосная Г-образная согласующая схема. Рассчитаем ее элементы:
ВатАУ требуемая добротность схемы;
![]()
ВатАУ элементы схемы согласования;
![]()
![]()
После данного согласования на входе двухтактного усилителя можно поставить ТДЛ, аналогичный выходному (см. рис. 7), но являющийся его зеркальным отображением (можно без симметрирующей линии).
Полная принципиальная схема оконечного каскада представлена в Приложении В.
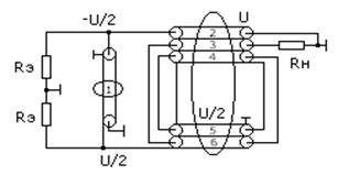
2.5 Конструктивный расчет ТДЛ
Трансформатор на выходе оконечного каскада (см. рис.7)ВаВа предназначен для согласования низкоомного выходного сопротивления оконечного каскада (5,46 Ом) со стандартным волновым сопротивлением 50 Ом. Для решения этой задачи подойдет схема с коэффициентом трансформации по сопротивлению 1/9. Она имеет следующие параметры:
![]() |
Рис.7. ТДЛ для двухтактного каскада
ВатАУ волновое сопротивление симметрирующей линии,
волновое сопротивление линий 2,3,6 (см. рис.7):
волновое сопротивление линий 4,5 (см. рис.7):
![]()
ВатАУ сопротивление нагрузки,
ВатАУ мощность в нагрузке (от двухтактной схемы).
Симметрирующую линию выполним на отдельном ферритовом кольце, а основные линии на одном кольце и с одинаковым количеством витков.
1. Амплитуда напряжения и тока в нагрузке, напряжение генератора

2. Напряжение, продольное напряжениеВа и ток в линиях (см. рис.7.)
ВатАУ на всех линиях;
ВатАУ ток во всех линиях;
тАУ напряжения на линиях.
3. Требуемая индуктивность линий
тАУ для всех линий
где a1=0,1 тАУ коэффициент, учитывающий неравномерность АЧХ ТДЛ (взят из табл. 5.1 [2] для фильтра первого порядка исходя из допустимой нерав6омерности АЧХ на fнВаТДЛ)
4. Выбор кабеля (табл. 3.3 в [1])
Марку кабеля выберем исходя из требуемого волнового сопротивления линий, которое составляет 16,5 Ом и 8,25 Ом, с возможным отклонением не более чем на 10тАУ20% в обе стороны. Выбираем полосковый кабель РП18-5-11 с волновым сопротивлением
Ваи полосковый кабель РП9-5-11 с волновым сопротивлением
.
Вместе с этим смотрят:
IP-телефония. Особенности цифровой офисной связи



