Проектирование схемы трехфазного регулируемого выпрямителя
Ведение
Управляемые (регулируемые) выпрямители
Регулируемыми выпрямителями называются преобразовательные устройства, совмещающие функцию выпрямления переменного напряжения с регулированием (или стабилизацией) напряжения на нагрузке. Простейшие схемы регулируемых выпрямителей образуются из соответствующих схем нерегулируемых выпрямителей при полной или частичной замене полупроводниковых выпрямительных диодов тиристорами.
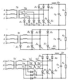
Наиболее эффективная схема трехфазного регулируемого выпрямителя, обладающего высокой экономичностью и сравнительно небольшими массогабаритными показателями сглаживающего фильтра, приведена на рис. 1. Мостовая схема на рис. 1,содержит три тиристора с объединенными катодами и три диода с объединенными анодами (Вл+В» диода).
В схемах трехфазных выпрямителей диод VD4, как и в случае однофазных выпрямителей, служит для обеспечения электрической цепи, по которой энергия, накопленная в дросселе фильтра, поступает в нагрузку при выключенных тиристорах выпрямителя.
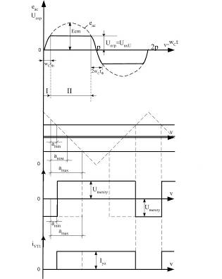
Временные диаграммы токов и напряжений в схеме регулируемого трехфазного выпрямителя приведены на рис. 2.
Регулировочная характеристика такого выпрямителя определяется выражением:
![]()
На рис. 3 построены регулировочные характеристики рассматриваемого выпрямителя, рассчитанные в соответствии с приведенной формулой. При построении данных характеристик по оси ординат откладывалось относительное значение напряжения на нагрузке. Кривая 1на рис. 3 соответствует однофазным регулируемым выпрямителям, кривая 2,3 тАФ трехфазному регулируемому выпрямителю. Приведенные на рис. 3 характеристики дают возможность определить требуемое значение напряжений на вторичных обмотках силового трансформатора, выбрать рабочий диапазон
, оценить коэффициент усиления выпрямителя в рабочем диапазоне.

Рисунок 3.
В режиме стабилизации выходного напряжения необходимо обеспечить работу выпрямителя на круто спадающем участке регулировочной характеристики за счет соответствующего выбора начального угла открывания тиристоров.
Среднее значение напряжения на входе фильтра UBcp (наибольшее из возможных значений UBcp) определяется выражением
![]()
где UKмакс и /нмакс тАФ максимальные значения напряжения на нагрузке и тока нагрузки; ΔUBтАФсуммарное падение напряжения на одновременно открытых диодах и тиристорах выпрямителя;
тАФ соответственно сопротивления дросселя фильтра и фазы выпрямителя.
Максимальный угол открывания тиристоров в регулируемом выпрямителе
Васоответствует максимальному напряжению питающей сети, минимально возможному значению выходного напряжения и минимальному току нагрузки. Значение
определяется по графикам на рис.3, по расчетному значению
![]()
Углы открывания тиристоров в регулируемом выпрямителе
определяют нижнюю и верхнюю границы рабочего диапазона данного устройства.
При увеличении
Ваи неизменном значении тока нагрузки (Iн=const) среднее и эффективное значения токов вторичной обмотки трансформатора и силовых тиристоров выпрямителя уменьшаются, а ток блокирующего диода возрастает.
Таким образом, в режиме стабилизации выходного напряжения наибольшие значения тока нагрузки силового трансформатора и тока через тиристоры соответствуют минимальному углу открывания тиристоров
. Наибольший ток диода VD4 соответствует режиму Unмакс, IHмнн и Iн.макс.
Зависимости коэффициента пульсаций
![]()
(где
тАФ амплитудное значение основной гармоники переменной составляющей напряжения на входе сглаживающего фильтра) от
Вав приведены на рис. 4. Кривая 1 на рис. 4 относится к однофазным регулируемым выпрямителям, кривые 2 и 3тАФ к трехфазным.
Нетрудно видеть, что с увеличением угла открывания тиристоров в регулируемом выпрямителе коэффициент пульсации резко возрастает. Поэтому расчет фильтра следует производить при максимальном значении
. Для уменьшения пульсаций напряжения на входе фильтра регулируемые выпрямители приходится усложнять за счет введения в них дополнительных силовых элементов. Ниже приведены некоторые схемы усовершенствованных регулируемых выпрямителей, нашедшие весьма широкое распространение в технике электропитания устройств автоматики и радиоэлектронной аппаратуры.

Рисунок 4.
Существуют различные усовершенствования рассматриваемой схемы, которые целесообразно использовать в том или ином случае, в зависимости от требований к параметрам схемы.
Некоторые из таких схем изображены на рис. 5. Здесь открывание очередного тиристора приводит к закрыванию соответствующего диода и увеличению напряжения на входе сглаживающего фильтра. Для выпрямителя с обмотками, соединенными в зигзаг, полностью исключена возможность подмагничнвания сердечника трансформатора.
Ориентировочные формыкривой напряжения на входе сглаживающего фильтра для рассматриваемых трехфазных регулируемых выпрямителей изображены на рис. 6.
Кривая на рисунке 6а соответствует случаю малых углов открывания тиристоров выпрямителя:
,
где ВаВаВаВаВаВаВаВаВаВаВаВаВаВаВаВаВаВаВаВаВа ![]()
кривая на рис. 6б тАУ случаю
, на рис. 6в -
.

Рисунок 5.

Рисунок 6.
1. Расчет силовой части выпрямителя
Силовую часть выполняем по мостовой несимметричной схеме с тремя тиристорами и нулевым вентилем (рисунок 1). Для сглаживания пульсаций выпрямленного напряжения на выходе выпрямителя устанавливается Г-образный LC-фильтр, применение которого обеспечивает жесткую внешнюю характеристику выпрямителя, а также благоприятный режим работы вентилей и трансформатора.

Рис. 1.
Временные диаграммы выпрямленного напряжения, токов в вентилях и в фазе вторичной обмотки трансформатора при работе выпрямителя на активно-индуктивную нагрузку и углах регулирования
,
,
Ваприведены на рисунке 2 а, б и в соответственно. При построении диаграмм предполагалось, что трансформатор и вентили тАУ идеальные, а индуктивность дросселя фильтра
.
Тиристоры VS1-VS3 образуют катодную группу вентилей, диоды VD1-VD3 тАУ анодную.В каждый момент времени ток проводят два вентиля: из катодной группы тот тиристор, на который подан сигнал управления и у которого в данный момент времени на аноде наиболее высокое положительное напряжение относительно катода, из анодной группы пропускает тот диод, у которого на катоде относительно анода наибольшее отрицательное напряжение. Коммутация диодов происходит в точках естественной коммутации. Напрямер, когда проводят VS1 и VD2, к нагрузке прикладывается линейное напряжение
. В т. 1 VD2 закрывается и в работу вступает VD3, т.к. на его катоде наиболее низкий потенциал, при этом к нагрузке прикладывается напряжение
. При открытии VS2 VS1 закрывается.
Выпрямленное напряжение имеет троекратные пульсации за период.
Уравнение нагрузочной характеристики имеет вид:
![]()
Рассмотрим режим работы
. В отличие от симметричной схемы, в нашей схеме не появляются отрицательные участки выпрямленного напряжения
. При прохождении отрицательной полуволны, например, тиристор VS1 будет оставаться открытым и проводить ток вместе с диодом VD1 той же фазы. В результате на интервале
Ванагрузка будет зашунтирована открытыми VS1 и VD1, который выполняет функцию нулевого вентиля. С целью уменьшения нагрузки на основные вентили и снижения потребляемой мощности на интервале,
включается диод VD0, который шунтирует нагрузку на интервале
. Другое назначение VD0 заключается в том, что хотя очень часто защиту УВ при перегрузке по току и к.з. в нагрузке осуществляют посредством снятия импульсов управления с тиристоров в момент перегрузки, однако в рассматриваемой схеме при RL-нагрузке при снятии сигнала управления с тиристоров и отсутствии VD0 не все тиристоры закрываются, тот тиристор, который проводил ток до снятия сигнала управления, продолжает его проводить. В результате
, несмотря на то, что импульсы управления не поступают. Для обеспечения запирания всех тиристоров включается VD0.


Рис. 2а.
.ВаВаВаВаВаВаВаВаВаВаВаВаВа ВаВаВаВаВаВаВаВа Рис. 2б. ![]()

Рис. 2в.
.
Определим коэффициенты изменения питающего напряжения
![]()
![]()
Определим (ориентировочно) активное сопротивление и индуктивность рассеяния фазы трансформатора, приведенные ко вторичной обмотке:
![]()

В нашем случае при соединении обмоток звезда-звезда, Kr=2,5, KL=10-3, S=3 и Bm=1 Тл при fc=400 Гц.
В качестве материала сердечника выбираем сталь Э330 толщиной 0,15мм, для которой ориентировочно принимаем Bm=1Тл.
Определим падение напряжения на активном сопротивлении трансформатора при минимальном и максимальном токах нагрузки:
![]()
![]()
Определим потери выпрямленного напряжения, обусловленные коммутацией, при минимальном и максимальном токе нагрузки:
![]()
![]()
Определим (ориентировочно) падение напряжения на активном сопротивлении дросселя фильтра при максимальном и минимальном значении тока нагрузки:
![]()
![]()
![]()
![]()
Максимальное среднее значение выпрямленного напряжения на входе фильтра (с учетом потерь на элементах):
![]()
- предварительное падение напряжения на тиристоре и диоде соответственно (при выборе элементов значения будут уточняться).
Минимальное фазное напряжение вторичной обмотки трансформатора при минимальном напряжении сети:
![]()
Номинальное и максимальное фазное напряжение вторичной обмотки:
![]()
![]()
Минимальное среднее значение напряжения на входе фильтра:
![]()
Максимальный угол регулирования:

Среднее значение напряжения на входе фильтра и угол регулирования в режиме, соответствующем максимальной токовой нагрузке нулевого вентиля:
![]()

Средний ток тиристоров и диодов выпрямителя в режиме максимальной токовой нагрузки:
при ![]()
![]()
при
Ваи наличии нулевого вентиля:
![]()
Действующее значение тока тиристоров и диодов в режиме максимальной нагрузки (при
):
![]()
Среднее и действующее значение тока нулевого вентиля в режиме
:
![]()

Обратное напряжение на вентилях выпрямителя:
![]()
На основании данных расчета из справочника выбираем:
а) оптронные тиристоры типа ТО142-80 шестого класса с параметрами: допустимое повторяющееся напряжение
, рекомендуемое рабочее напряжение
, предельный ток
, пороговое напряжение
, динамическое сопротивление в открытом состоянии
, импульсный отпирающий ток управления
, импульсное отпирающее напряжение управления
= 2,5 В, неотпирающий ток управления
.
б) диоды Д112-16 третьего класса с параметрами: повторяющееся импульсное напряжение
, предельный ток
, пороговое напряжение
, динамическое сопротивление
, диапазон рабочих температур (-50тАж+150В°С).
Мощность статических потерь в тиристоре:
![]()
Мощность статических потерь в диоде:
![]()
Мощность статических потерь в нулевом вентиле:
![]()
Требуемая площадь теплоотводящего радиатора для тиристора:
![]()
где
- коэффициент теплоотдачи, зависящий от конструкции материала и степени чернения теплоотвода; для черненного ребристого алюминиевого теплоотвода
.
- максимальная рабочая температура перехода, которая для надежности выбирается на 10тАж20В°С меньше
.
Ва- тепловое сопротивление между корпусом и теплоотводом, в нашем случае выбираем
. Для уменьшения теплового контактного сопротивления поверхности корпуса вентиля и радиатора в местах контакта смазываем теплопроводящей пастой КПТ-8.
Требуемая площадь радиатора для диода:
![]()
Требуемая площадь радиатора для нулевого вентиля:
![]()
Уточняем величины прямого падения напряжения на тиристоре и диоде:
![]()
![]()
Производим расчет сглаживающего фильтра. Коэффициент пульсаций
по основной гармонике на входе фильтра максимален при
, из графика на рис. 2.2 [1], находим
.
Коэффициент пульсаций выпрямленного напряжения на нагрузке (по основной гармонике):
![]()
Требуемый коэффициент сглаживания фильтра:
![]()
Определяем произведение LC, полагая, что коэффициент передачи постоянной составляющей фильтра
:
,
- число пульсаций за период.
Определяем индуктивность дросселя из условия получения индуктивной реакции фильтра в заданном диапазоне изменения тока нагрузки:
![]()
Определим амплитуду пульсаций по первой гармонике:
![]()
Действующее значение:
![]()
С учетом полученного значения L, максимального тока нагрузки, амплитуды пульсаций, делаем вывод, что стандартных дросселей, удовлетворяющих таким параметрам не существует, поэтому производим расчет дросселя фильтра с помощью данных из [3].
Для обеспечения лучшего сглаживания, рассчитаем дроссель с индуктивностью 10 мГн.
Выбираем Ш-образный сердечник из стали 3411(Э310). В=1,3 Тл, плотность тока j=5А/мм2;
КО=0,35, КС=0,95.
![]()
Выбираем магнитопровод ШЛ40х80 (ScKc=30см2, So=40см2).
Определим количество витков:
![]()
Сечение провода:
.
Определяем немагнитный зазор:
![]()
Определим результирующую индуктивность:
![]()
Вычислим сопротивление дпосселя:
![]()
Расчетное значение емкости фильтра:
![]()
Рабочее напряжение конденсатора:
![]()
Выбираем конденсатор с органическим диэлектриком К73-17-400В-0,47 мкф с параметрами: пределы отклонения от номинального значения
, допустимая амплитуда пульсаций на частоте 50 Гц и температуре 70В°С составляет
, в диапазоне частот от 50 Гц до 50 кГц допустимая амплитуда переменной составляющей рассчитывается по формуле:
,
Где K, n тАУ коэффициенты, зависящие соответственно от частоты пульсаций и тампературы окружающей среды. При температуре 60В°С согласно ТУ, n=0,9; при частоте пульсаций
, коэффициент К=0,093.
Найдем полученный коэффициент пульсаций:
,
что удовлетворяет требованиям технического задания.
Уточняем минимальное, номинальное и максимальное напряжения фазы вторичной обмотки:

![]()
![]()
Действующее значение тока в фазе вторичной обмотки трансформатора в режиме максимальной токовой отдачи (
).
![]()
При
:
.
Расчетная мощность вторичных обмоток трансформатора:
![]()
Расчетное значение тока первичной обмотки (без учета тока х.х. трансформатора):
![]()
- коэффициент трансформации.
Рассчитаем мощность первичных обмоток:
![]()
Типовая мощность трансформатора:
![]()
Расчет трансформатора производим по методике, описанной в [3], исходя из следующих начальных данных:
1. ![]()
![]()
![]()
![]()
![]()
![]()
2. Выбираем ленточный магнитопровод стали Э330 толщиной 0,15мм.
3. Из графиков на рис. 17 выбираем величины:
, В=1Тл,
, по таблице 1.6, 1.7 определяем Км=0,41, Кс=0,9.
Из выражения (1.1) определяем:
![]()
Из 1.3 определяем граничные значения а, см:
![]()
4. По таблице выбираем магнитопровод ЕЛ 32х64, размеры которого:
a=32мм, h=64мм, c=64мм, b=40мм, H=128мм, L=224мм
Активная площадь сечения Qса=11.5см2, средняя длина магнитной линии lCT=44.8см, величина QcQo=262см4, активный объем Vса=715см3, масса магнитопровода Gст=5450г.
5. Из графиков на рис. 1.8, 1.9 определяем удельные потери
, удельная намагничивающая мощность
.
По формуле (1.4) определяем потери в стали:
.
6. Из выражений (1.5) тАУ (1.7) определяем ток х.х. и его составляющие:
![]()
![]()
![]()
Определим ток первичной обмотки, полагая
:
![]()
Из (1.9) определяем абсолютное значение тока х.х.:
![]()
7. Из (1.12) Определяем поперечные сечения проводов обмоток:
![]()
![]()
Из таблицы 2.1 выбираем провод марки ПЭВ-1:
,
,
,
;
,
,
,
.
Действительная плотность тока в обмотках:
![]()
![]()
Средняя плотность токов в обмотках:
![]()
8. Из (1.13) определяем числа витков в обмотках:
![]()
![]()
9. Конструктивный расчет обмоток:
Из (1.15): ![]()
Из (1.16) число витков в каждом слое:
![]()
![]()
Из (1.17) определяем число рядов обмоток:
,
.
Из (1.19) определяем радиальные размеры обмоток:
![]()
![]()
Радиальный размер двух обмоток из (1.20):
![]()
Из (1.21) свободный промежуток в окне магнитопровода:
![]()
10. Определяем потери в проводах обмоток:
![]()
![]()
![]()
![]()
![]()
![]()
![]()
![]()
![]()
11. Из (1.28) определяем КПД трансформатора:
![]()
11. Из (1.29) - (1.31) определяем
:
![]()
![]()

Определим коэффициент мощности схемы при минимальном и максимальном углах регулирования:
При
:

При
:
.
2. Система управления выпрямителя
Система управления (СУ) выпрямителем предназначена для: а) формирования управляющих импульсов требуемой амплитуды и длительности; б) для жесткой синхронизации их с полупериодами фазных напряжений; в) для распределения управляющих импульсов по трем каналам в соответствии с числом фаз выпрямителя; г) для обеспечения плавного регулирования путем изменения угла управления
.
Принципиальная схема системы управления, в которой реализован метод ВлвертикальногоВ» управления, приведена в приложении 1. В качестве базовых элементов для построения схемы использованы операционные усилители общего назначения.
Временные диаграммы, поясняющие работу канала формирования импульсов управления тиристора фазы А приведены на рисунке 7.

Рисунок 7.
Формирование импульсов управления тиристорами фазы В и С происходит аналогично, так как все три канала выполнены по идентичным схемам.
Синусоидальное напряжение фазы а (eac), снимаемое с дополнительной (синхронизирующей) обмотки силового трансформатора TV1, поступает на вход синхронизатора, собранного по схеме симметричного двустороннего ограничителя на диодах VD1, VD2. Из-за нелинейности вольтамперных характеристик диодов, на выходе синхронизатора формируется трапецеидальное напряжение с амплитудой
, равной падению напряжения на открытом диоде и длительностью фронта
.
Прямой ток через диоды ограничивается резистором R1. Выходное напряжение ограничителя
Васинхронизирует работу генератора пилообразного напряжения (ГПН), собранного на операционном усилителе DA1. Запуск ГПН осуществляется в моменты перехода фазного синхронизирующего напряжения через ноль, благодаря чему импульсы управления фаз a, b, c сдвинуты между собой на угол
. На выходе интегратора формируется пилообразное напряжение
, период которого равен периоду сетевого напряжения, а амплитуда определяется постоянной интегрирования С1, R2.
Резистор R4 стабилизирует режим работы интегратора по постоянному току. С выхода ГПН пилообразное напряжение через разделительный конденсатор С2 поступает на инвертирующий вход компаратора DA2. На неинвертирующий вход подается напряжение управления, снимаемое с резистора R6. В моменты равенства указанных напряжений компаратор переключается из одного насыщенного состояния в противоположное, вследствие чего на его выходе формируется последовательность разнополярных импульсов с частотой питающей сети. Положительный импульс выходного напряжения компаратора через ограничивающий резистор R7 поступает в цепь базы транзистора VT1, выполняющего функцию выходного усилителя мощности. При отпирании транзистора в его коллекторной цепи протекает импульс управляющего тока амплитудой
, под действием которого светодиод оптрона излучает световой импульс и переводит силовой тиристор фазы А во включенное состояние. Для ограничения амплитуды управляющего тока включается резистор R8. В интервале времени, когда выходное напряжение компаратора отрицательно, транзистор VT1 закрыт.
3. Расчет системы управления выпрямителем
Расчет проводим по методике, изложенной в [1].
Расчет синхронизатора и генератора пилообразного напряжения.
1. В качестве диодов двустороннего ограничителя выбираем универсальные диоды типа 1N914А с параметрами: допустимый ток
; допустимое обратное напряжение
; диапазон рабочих температур: 213К(-60В°С)тАж393К(+120В°С). Используемые диоды должны иметь малое дифференциальное сопротивление в открытом состоянии. Дальнейший расчет ограничителя проводим при следующих допущениях: а) диоды VD1, VD2 имеют идентичные параметры; б) дифференциальное сопротивление открытого диода равно нулю, т.е. напряжение на нем не зависит от прямого тока и равно пороговому напряжению диода; в) амплитуда синхронного напряжения
значительно больше напряжения ограничения
; г) входные токи операционного усилителя и обратные токи диодов VD1, VD2 равны нулю.
2. Задаемся прямым током через диод ограничителя при минимальном напряжении сети
, по статической характеристике для
определяем прямое падение напряжения на диоде
.
3. Определим длительность фронта выходного напряжения ограничителя. При
, где
Ва- амплитуда синхронизирующего напряжения. Так как в реальных схемах
, можно считать, что
Ваи
, откуда
. С учетом допущений, принятых в п.1, мгновенное значение напряжения на выходе ограничителя:
ВаВаВаВаВаВаВаВаВаВаВаВа при ![]()
ВаВаВаВаВаВаВаВаВаВаВаВаВаВаВа при ![]()
Тогда выходное напряжение интегратора на интервале
Вабудет описываться следующими зависимостями:
при ![]()

при ![]()
,
где
Ва- напряжения на выходе интегратора вначале каждого участка.
Проинтегрировав последние соотношения, получим:
ВаВаВаВаВаВаВаВаВа при ![]()
ВаВаВаВаВаВаВаВаВаВаВаВаВаВаВаВаВаВа при ![]()
Из полученных выражений видно, что выходное напряжение интегратора изменяется по линейному закону. Этот участок тАУ рабочий, протяженность его должна быть выбрана так, чтобы в заданном диапазоне изменения напряжения сети и тока нагрузки на выходе компаратора обеспечить изменение угла регулирования от
.
Исходя из этих соображений, задаемся величиной
. Принимаем
, тогда требуемая амплитуда и действующее значение синхронизирующего напряжения сети:
![]()
![]()
4. Определим сопротивление резистора:
![]()
Выбираем стандартный резистор с сопротивлением 180 Ом.
5. Амплитуда и действующее значение синхронизирующего напряжения при максимальном напряжении сети:
![]()
![]()
6. Амплитуда прямого тока через диод ограничителя при максимальном напряжении сети:
![]()
7. Действующее значение тока в обмотке синхронизации при
:
![]()
8. Производим расчет интегратора DA1. В качестве операционного усилителя используем микросхему AD8079 от Analog Devices, Inc. с параметрами: напряжение питания
, максимальное входное напряжение
, выходное напряжение
, входной ток
, ЭДС смещения
, диапазон рабочих температур (-40тАж+85В°С).
9. Определяем постоянную интегрирования С1R2. Для этого предварительно определим напряжения
. При U=0 находим
, где
Ва- амплитуда пилообразного напряжения.
Напряжение
Ваопределим из условия периодичности напряжения на выходе интегратора:
![]()
![]()
ВаВаВаВаВаВаВаВаВаВаВаВаВаВаВаВаВаВаВаВаВаВаВаВаВаВаВаВаВаВаВаВаВаВаВаВаВа при ![]()
при ![]()
При
, получим:
,
откуда постоянная интегрирования:
![]()
Для обеспечения режима линейного интегрирования задаемся амплитудой напряжения на выходе интегратора из условия
, где
- минимальное выходное напряжение микросхемы AD8079.
Принимаем
, тогда:
![]()
10. Выбираем такой резистор R2, чтобы падение напряжения на нем, обусловленное входным током ОУ, составляло не более 5тАж10% входного напряжения. С другой стороны, номинал резистора R2 должен обеспечивать получение реализуемой емкости конденсатора С1. Принимаем
. Тогда сопротивление резистора R2:
![]()
Выбираем стандартный резистор с сопротивлением 10кОм.
11. Емкость интегрирующего конденсатора:
.
Для получения требуемой емкости соединяем параллельно два стандартных конденсатора емкостью 30нФ и 1,5нФ.
12. С целью стабилизации режима работы по постоянному току интегратор охвачен отрицательной обратной связью через резистор R4, сопротивление которого выбираем так, чтобы постоянная времени цепи С3, R4 была хотя бы на порядок больше постоянной интегрирования С3R2. Принимаем R4=10R2=100кОм.
13. Для уменьшения погрешности интегрирования, обусловленной входным током микросхемы, включаем резистор R3, сопротивление которого выбираем из условия:
![]()
Выбираем стандартный резистор с сопротивлением 9,1кОм.
Расчет компаратора напряжения.
1. Определим сопротивление резистора R5. Поскольку амплитуда пилообразного напряжения, действующая на инвертирующем входе компаратора,
, то по соображениям, приведенным в п. 10 раздела 3.1, находим:
![]()
Выбираем стандартный резистор с сопротивлением 18кОм.
2. Определяем емкость разделительного конденсатора С2. Конденсатор С2 не пропускает постоянную составляющую выходного напряжения интегратора, которая возникает из-за смещения ВлнуляВ», а также из-за неидентичности диодов VD1, VD2, на вход компаратора.
Емкость конденсатора выбираем из условия:
,
где
Ва- период синхронизирующего напряжения.
Примем ![]()
![]()
Выбираем стандартный конденсатор емкостью 1,5мкФ.
3. На неинвертирующий вход компаратора подаем напряжение управления
, снимаемое с резистора R6. Делитель напряжения R10, R11, R6 обеспечивает изменение угла регулирования в нужном диапазоне
. Напряжение, подаваемое на неинвертирующий вход компаратора и обеспечивающее минимальный угол регулирования
. Т.к.
,
то напряжение для угла регулирования
:
![]()
При
:

Значит, переменный резистор R6, изменяя свое сопротивление от 0 до максимального значения, должен устанавливать напряжение на неинвертирующем входе от -0,118В до 1,191В.
Тогда, сопротивление резистора R11, учитывая входной ток ОУ:
,
выбираем стандартный резистор сопротивлением 20кОм.
,
выбираем стандартный резистор сопротивлением 200кОм.
Питание системы управления осуществляется от вспомогательного источника, вырабатывающего двухполярное напряжение
ВаВ. Источник питается от сети напряжением 115В, 400 Гц и состоит из трансформатора TV2 типа ТА1-115-400 и диодного мостика, собранного на диодах 2Д106А.
Трансформатор имеет следующие параметры:
Сердечник ШЛ 6х10, номинальная мощность 7,5 ВА, максимальная мощность 10 ВА, ток первичной обмотки 0,14А, напряжение 6В снимается с выходов 13-14 или 15-16, токи вторичных обмоток 64мА.
Параметры диодов:
Максимальный прямой ток 0,3А, максимальный обратный ток 10мкА, максимальное обратное напряжение 100В, максимальное прямое напряжение 1В, рабочая частота до 30кГц, рабочая температура (-60тАж+125)В°С.
Расчет выходного усилителя.
1. Максимальный ток коллектора транзистора:
Ва- импульсный отпирающий ток управления оптронного тиристора.
2. Максимальное напряжение на коллекторе закрытого транзистора:
.
Параметры транзистора VT1 должны соответствовать требованиям:
,
,
, где
Ва- ток коллектора закрытого транзистора,
Ва- неотпирающий ток управления тиристора.
Выбираем транзистор КТ630Е с параметрами:
,
, допустимое обратное напряжение база-эмиттер
Вместе с этим смотрят:
IP-телефония. Особенности цифровой офисной связи