Разработка информационно-обучающей программы "Таймеры/счетчики и АЦП микроконтроллеров семейства AVR"
ВВЕДЕНИЕ
Сердцем (ядром) каждой электронно-вычислительной машины (ЭВМ) является микропроцессор либо микроконтроллер. Ряд ведущих мировых фирм, таких как Intel, Motorola, Siemens, Atmel порядка 10 лет разрабатывают и активно продвигают на рынке электронных компонентов серии специализированных однокристальных микропроцессоров и микроконтроллеров, специально предназначенные для встраивания в оборудование.
Микроконтроллеры AVR фирмы Atmel открывают одно из новых направлений в области разработки и архитектуры микроконтроллеров. Структура процессора AVR представляется как "высокопроизводительная RISC-архитектура с пониженным энергопотреблением" Гарвардского типа. Одним из основных достоинств этого контроллера является быстрое выполнение команд тАУ он выполняет команду за один такт. AVR имеет, вероятно, наиболее разносторонний по своим возможностям процессор из всех микроконтроллеров. Это означает, что при разработке приложений нужно потратить немного больше времени на планирование размещения данных в памяти и регистрах, чем для других микроконтроллеров. Но благодаря своей разносторонности AVR очень прост в программировании как для разработчиков прикладных программ на языке ассемблера так и для тех, кто пишет компиляторы языков высокого уровня.
Для того чтобы понять принцип работы микроконтроллера необходимо практически поработать с ним. Но ввиду того, что существует множество разновидностей микроконтроллеров, иметь экземпляр каждого практически невозможно. Поэтому необходимы наглядные пособия, которые ясно и доходчиво показывали и демонстрировали бы процесс работы микроконтроллера.
Целью данной работы является разработка информационно-обучающей программы "Таймеры/счетчики и АЦП микроконтроллеров семейства AVR".
Программа будет позволять вести самостоятельное изучение материала, как в локальной компьютерной сети ХНУРЭ, так и в сети Интернет. С помощью сети программа будет работать под управлением операционных систем: FreeBSD, Linux, Microsoft Windows 2000 и выше, которая оснащена какой либо из програм-браузеров MS Internet Explorer, Netscape Navigator, Opera, Konqueror.
1 АНАЛИЗ ИСХОДНОЙ ИНФОРМАЦИИ И ТРЕБОВАНИЙ ТЕХНИЧЕСКОГО ЗАДАНИЯ
1.1 Формулировка цели и постановка задачи
Необходимо разработать программу, которое давало бы представление о работе таймеров/счетчиков и аналого-цифрового преобразователя микроконтроллеров семейства AVR фирмы Atmel с подробным рассмотрением вопросов:
- таймеры/счетчики общего назначения;
- таймер/счетчик типа А;
- таймер/счетчик типа В;
- таймер/счетчик типа С;
- таймер/счетчик типа D;
- таймер/счетчик типа E;
- сторожевой таймер;
- аналого-цифровой преобразователь.
В связи с данными требованиями технического задания (ТЗ) и предлагаемых программных средств можно определить цель работы: создание обучающего компьютерного пособия "Таймеры-счетчики и АЦП микроконтроллеров семейства AVR" с учетом применения: широко используемого программного обеспечения; простоты доступа к информации; вложенности объема информации (использование гиперссылок); контроля качества изучения материала пособия.
Для реализации данной цели необходимо решить следующие задачи:
- из имеющихся систем и программных средств выбрать необходимые для реализации компьютерного электронного пособия;
- определить перечень рассматриваемых элементов пособия, которые отображали б реализацию предлагаемого теоретического материала;
- выполнить проверку работоспособности пособия по вложенности (использования гиперссылок) теоретической части, а также проверить правильность работы элемента пособия, определяющего контроль знаний в виде теста;
- минимизировать объем, занимаемый программой, для осуществления возможности оперативной пересылки по сети Internet.
1.2 Обзор аналогичных программных средств
После анализа задания, формулировки цели и задач работы необходимо ознакомится с имеющимися на сегодняшний день аналогичными программными средствами. Это позволит применить в разрабатываемом пособии лучшие из имеющихся средств реализации программ.
В результате исследования, проведенного при помощи глобальной сети Internet, было установлено, что на сегодняшний день количество аналогичных обучающих программных средств очень мало, и даже эти программы не решают все вопросы связанные с наглядностью и доступностью необходимой информации.
Материал, связанный с исследованием архитектурной организацией таймеров/счетчиков микроконтроллера и аналого-цифрового преобразователя сложный для восприятия и в связи с этим возникла необходимость в применении анимации, которую можно выполнить с использованием пакета Macromedia Flash.
Использование " onclick="return false">
Главными задачами программного продукта являются: быстрый и легкий переход от главы к главе; возможность работать на большом количестве компьютеров, под управлением различными ОС; использование возможностей мультимедиа. Для решения некоторых из них целесообразным является применение языка программирования HTML 4.0. Применяя скрипты, написанные на других языках программирования, возможности HTML значительно расширяются. Для таких задач как контроль знаний обучаемого компьютером уже оказывается недостаточным использование только лишь языка HTML с включениями скриптов на " onclick="return false">
Существует несколько видов технологии которая помогает решить эту проблему: PHP; ASP; Perl, для работы данной технологии на сервере нужно установить интерпретатор выбранного языка.
Из перечисленных выше видов технологии был выбран язык программирования PHP. По сравнению с остальными, данная технология обладает таким преимуществом, как простота реализации, имеет поддержку для пакета базы данных называемого mSQL. Это позволяет помещать информацию в базу данных или обращаться за этой информацией через простые SQL запросы, имеет возможность принимать файл, загружаемый из любого, отвечающего требованиям, web-браузера (позволяет передавать как текстовые так и двоичные файлы), с управлением доступом PHP и его логическими функциями, появляется возможность полного контроля над тем, кому позволено передавать файлы и что с этим файлом должно быть сделано, если он передан.
Выполнение PHP в виде модуля Apache тАУ это наиболее эффективный способ использования пакета. В случае если пакет выполняется в виде модуля, то это означает, что функциональные возможности PHР объединены с функциональными возможностями сервера Apache в одной программе.
Что касается программной оболочки (программы-браузера) для получения данных и отображения результатов, написанных на HTML, можно пользоваться MS Internet Explorer, Netscape Navigator, Opera, Konqueror.
Аппаратные средства для работы с информационно тАУ обучающей программой должны удовлетворять следующим требованиям: ЭВМ совместимая с IBM PC/AT, процессор Pentium II и выше, объём занимаемого ОЗУ не более 16Mb.
Программа должна работать под управлением операционных систем: FreeBSD, Linux, Microsoft Windows 2000 и выше.
Принимая во внимание вышесказанное, целью данной работы является разработка информационно-обучающей программы.
2. Пограммная модель и принципы работы таймеров/счетчиков микроконтроллеров семейства AVR
2.1 Структура таймера/счетчика
16-разрядный таймер/счетчик может получать тактовый сигнал (CK), CK после предварительного делителя и от внешнего вывода. Кроме того его можно остановить. В регистрах управления TCCR1A и TCCR1B находятся различные флаги, указывающие на переполнение, совпадение при сравнении и случаи захвата событий. В регистре масок прерываний TIMSK (Timer/Counter Interrupt Mask Register) устанавливаются разрешения/запрещения прерываний таймера/счетчика1. При внешнем тактировании таймера/счетчика1 внешний сигнал синхронизируется частотой тактового генератора CPU. Для правильной работы таймера/счетчика по внешнему тактовому сигналу минимальное время между двумя переключениями внешнего тактового сигнала должно быть не менее одного периода тактового сигнала CPU. Синхронизация внешнего тактового сигнала ведется нарастающим фронтом внутреннего тактового сигнала CPU.
Блок-схема таймера/счетчика приведена на рисунке 2.1.

Рисунок 2.1тАУ Блок-схема таймера/счетчика
Наилучшие точность и разрешение 16-разрядный таймер/счетчик обеспечивает при наименьшем коэффициенте предварительного деления. С другой стороны, высокий коэффициент предварительного деления удобен при реализации таймером/счетчиком 1 низкоскоростных функций или точной синхронизации редко происходящих действий. Таймер/счетчик поддерживает две функции сравнения выхода, используя регистр1 сравнения выходов A и B тАУOCR1A и OCR1B в качестве источников данных, сравниваемых с содержимым таймера/счетчика. Функции сравнения выхода включают очистку счетчика по совпадению сравнения A и воздействие на выводы сравнения выхода при обоих совпадениях сравнения.
Таймер/счетчик 1 может быть использован в качестве 8, 9 или 10-разрядного широтно-импульсного модулятора. В этом режиме счетчик и регистры OCR1A/OCR1B работают как сдвоенный самостоятельный ШИМ со сцентрированными импульсами, без формирования ложных импульсов. Функция захвата входа таймера/счетчика обеспечивает захват содержимого таймера/счетчика 1 в регистр захвата входа, запускаемый внешним событием на выводе входа захвата PD4/(IC1). Реальные установки захвата события определяются регистром управления таймером/счетчиком1 TCCR1B (Timer/Counter1 Control Register). Кроме того, для переключения входа захвата может быть использован аналоговый компаратор. Если разрешена функция подавления шума, действительные условия переключения события захвата тестируются четырьмя выборками, прежде чем захват будет активирован. Тестирование сигнала на входном выводе производится с частотой XTAL [1].
2.2 Таймеры/счетчики общего назначения
Таймер/счетчик Т/СХ (X = 0, 1, 2 тАУ цифра в имени таймера/счетчика) любого типа содержит базовый счетчик TCNTX, имеющий восемь или шестнадцать разрядов, и восьмиразрядный регистр управления TCCRX. Кроме того, в состав таймера/счетчика входят один или несколько разрядов регистра запросов, прерывания TIFR и столько же разрядов регистра маскирования прерываний TIMSK. Регистры TIFR и TIMSK являются общими для всех таймеров/счетчиков микроконтроллера.
Разряд регистра TIFR устанавливается в единичное состояние при формировании в таймере/счетчике определенного запроса прерывания. Запрос прерывания проходит в блок прерываний при единичном состоянии соответствующего разряда регистра TIMSК. Разряд регистра ТIFR сбрасывается в нулевое состояние аппаратно при переходе микроконтроллера к выполнению соответствующей прерывающей программы или программно при выполнении команды установки бита в единичное состояние.
В состав таймера/счетчика, выполняющего функцию сравнения/PWM, входит регистр сравнения OCRX, а в состав таймера/счетчика, выполняющего функцию захвата, тАУ регистр захвата ICRX. Разрядность регистров OCRX и ICRX равна разрядности базового счетчика TCNTX.
Для записи кода в шестнадцатиразрядный счетчик или регистр сначала выполняется команда записи (OUT) байта в старшую половину разрядов (Н), при этом поступавший из регистра общего назначения старший байт запоминается в регистре временного хранения. Затем выполняется команда записи (OUT) младшего байта в младшую половину разрядов (L), при этом оба байта одновременно записываются в счетчик или регистр.
Для чтения кода из шестнадцатиразрядного счетчика или регистра сначала выполняется команда чтения (IN) байта из младшей половины разрядов (L), при этом считанный младший байт поступает в регистр общего назначения, а старший байт запоминается в регистре временного хранения. Затем выполняется команда чтения байта из старшей половины разрядов (Н), при этом старший байт из регистра временного хранения поступает в указанный в команде регистр общего назначения [2].
2.3 Таймер/счетчик типа А
Таймер/счетчик типа А есть у микроконтроллеров всех типов кроме микроконтроллера типа m103. Он имеет имя Т/С0 (X = 0). Таймер/счетчик типа А формирует запрос прерывания Т/С0 OVF при переполнении восьмиразрядного базового счетчика TCNT0. Структурная схема таймера/счетчика типа А изображена на рисунке 2.2.

Рисунок 2.3 тАУ Структурная схема таймера/счетчика типа А
Тактовый сигнал микроконтроллера СК поступает в пересчетную схему (prescaler) ПС, представляющую собой десятиразрядный счетчик, где выполняется деление частоты тактового сигнала на 8, 64, 256 и 1024. Сигналы с четырех выходов пересчетной схемы поступают в схему управления СУ (мультиплексор). При наличии в микроконтроллере таймера/счетчика Т/С1 эти же сигналы поступают в Т/С1.
В схему управления поступают также тактовый сигнал СК и сигнал из внешнего источника, принимаемый на вход Т0. В качестве входа Т0 у микроконтроллеров типа 1200, 2313 и 4433 используется вывод порта PD4, у микроконтроллеров типа 2323, 2343 и серии ATtny тАУ вывод порта РВ2, а у микроконтроллеров типа 8515, 8535 и m163 тАУ вывод порта РВ0.
Схема управления в зависимости от комбинации состоянии разрядов CS00, CS01 и CS02 регистра управления TCCR0 передаст один из поступающих сигналов на счетный вход базового счетчика TCNT0, ведущего счет на сложение. Сигналы, используемые для счета в счетчике TCNT0 при разных комбинациях значений в разрядах регистра TCCR0, указаны в таблице 2.1.
Таблица 2.1 тАУ Сигналы, используемые для счета в счетчике TCNT0
| CS02 | CS01 | CS00 | сигнал |
0 0 0 0 1 1 1 1 | 0 0 1 1 0 0 1 1 | 0 1 0 1 0 1 0 1 | нет СК СК/8 СК/64 СК/256 СК/1024 Отрицательный фронт на ТО Положительный фронт на ТО |
При переполнении счетчика TCNT0 устанавливается в единичное состояние разряд TOV0 регистра TIFR и при единичном состоянии разряда ТОIЕ0 регистра TMSK в блок прерываний поступает запрос прерывания Т/С0 OVF.
В микроконтроллере типа t15 в работе таймера/счетчика типа А участвуют разряд PSR0 регистра SFIOR. При установке этого разряда в единичное состояние сбрасывается в исходное (нулевое) состояние пересчетная схема ПС. Разряд PSR0 возвращается в нулевое состояние аппаратно. В микроконтроллере тина m163 аналогичная операция выполняется при установке в единичное состояние разряда PSR10 регистра SFIOR [2].
2.4 Таймер/счетчик типа В
Таймер/счетчик типа В входит в состав периферийных устройств микроконтроллеров типа t15 (T/C1) и m103 (T/C2). Он формирует запрос прерывания Т/СХ OVF при переполнении восьмиразрядного базового счетчика TCNTX и выполняет функцию сравнения/PWM с формированием запроса прерывания Т/СХ СОМР. Структурная схема таймера/счетчика типа В изображена на рисунке 2.3.

Рисунок 2.3 тАУ Структурная схема таймера/счетчика типа В
Тактовый сигнал микроконтроллера СК поступает в пересчетную схему ПС, где частота сигнала делится на 8, 64, 256 и 1024. Сигналы с четырех выходов пересчетной схемы поступают в схему управления СУ1 и в таймер/счетчик Т/С1 типа Е. В схему управления СУ1 поступают также тактовый сигнал СК и сигнал из внешнего источника, принимаемый на вход Т2 (вывод порта PD7). При выполнении функции сравнения/PWM вывод порта РВ7 используется в качестве выхода OC2/PWM2 для выдачи сигнала, формируемого при совпадении сравниваемых кодов или сигнала PWM2.
Схема управления СУ1 в зависимости от комбинации состояний разрядов CS20, CS21 и CS22 регистра управления TCCR2 передает на счетный вход базового счетчика TCNT2 один из поступающих сигналов в соответствии с таблицей 2.1 при (Х = 2).
При переполнении базового счетчика устанавливается в единичное состояние разряд TOV2 регистра TIFR и при единичном состоянии разряда TOIE2 регистра TIMSK в блок прерываний поступает запрос прерывания Т/С2 OVF.
Режим работы таймера/счетчика определяется комбинацией состояний разрядов PWM2, СОМ21 и СОМ20 регистра TCCR2. При нулевом состоянии трех названных разрядов формируется только запрос прерывания Т/С2 OVF. При PWM2 = 0 и других комбинациях состоянии разрядов СОМ21 и СОМ20 выполняется функция сравнения. Код, формируемый в базовом счетчике TCNT2, с помощью компаратора К сравнивается с кодом, записанным в регистре OCR2. При совпадении кодов устанавливается определенное значение сигнала на выходе ОС2 (вывод порта РВ7), переводится в единичное состояние разряд OCF2 регистра TFR и при единичном состоянии разряда OCIE2 регистра TIMSK в блок прерываний поступает запрос прерывания Т/С2 СОМР. Значение сигнала, устанавливаемого на выходе ОС2 при совпадении кодов, определяется комбинацией состояний разрядов СОМ20 и СОМ21 регистра TCCR2 в соответствии с таблицей 2.2.
Таблица 2.2 тАУ Комбинации состояний разрядов СОМ20 и СОМ21 регистра TCCR2
| С0М21 | СОМ20 | Значение сигнала |
0 1 1 | 1 0 1 | Ваизменяетcя 0 1 |
Работа базового счетчика при выполнении функции сравнения зависит от состояния разряда СТС2 регистра TCCR2. При СТС2 = 0 базовый счетчик после совпадения кодов продолжает счет до переполнения и далее выполняет счет, начиная с 0. При СТС2 = 1 базовый счетчик при совпадении кодов сбрасывается в нулевое состояние и продолжает счет, начиная с 0. При PWM2 = 1 и СОМ21 = 1 выполняется функция PWM. Базовый счетчик ведет счет на сложение до получения кода максимального числа (255), переводится в режим счета на вычитание и в этом режиме ведет счет до получения кода минимального числа (0) и далее вновь переходит в режим счета на сложении. Акт переполнения (переход от кода числа 255 к коду числа 0) в данном случае отсутствует.
Запрос прерывания Т/С2 OVF формируется при переходе от числа 0 к числу 1.
Состояние разряда СОМ20 определяет вид изменения выходного сигнала при совпадении кодов в счетчике и регистре сравнения. На рисунке 1.4 изображены графики изменения числа в счетчике TCNT2 и временные диаграммы сигнала PWM на выходе ОС2 при заданном коде числа в регистре сравнения (OCR2) при разных состояниях разряда СОМ20.

Рисунок 2.4 тАУ Графики изменения числа в счетчике TCNT2 и временные диаграммы сигнала PWM на выходе ОС2
Период сигнала PWM (T) в 510 раз больше периода сигнала, поступающего на счетный вход базового счетчика.
При записи байта в регистр OCR2 (по команде с мнемокодом операции OUT) байт принимается в регистр временного хранения, из регистра которого переписывается в регистр OCR2 при появлении в базовом счетчике кода числа 255. При этом исключается появление в сигнале PWM импульса со случайной длительностью.
Таймер/счетчик типа В микроконтроллере типа t15 имеет имя Т/С1 (X = 1). Исходный сигнал для работы таймера/счетчика (РСК) имеет частоту 25,6 МГц при частоте тактового сигнала микроконтроллера 1,6 МГц (1/16 РСК). В регистре управления имеется дополнительный разряд CS13. Выбор сигнала для передачи на счетный вход базового счетчика определяется комбинацией состояний разрядов CS13, CS12, CS11 и CS10 в соответствии с таблицей 2.3. Вход для приема сигнала из внешнего источника отсутствует.
Таблица 2.3 тАУ комбинации состояний разрядов CS13, CS12, CS11 и CS10
| CS13 | CS12 | CS11 | CS10 | Сигнал |
0 0 0 0 0 0 0 0 1 1 1 1 1 1 1 1 | 0 0 0 0 1 1 1 1 0 0 0 0 1 1 1 1 | 0 0 1 1 0 0 1 1 0 0 1 1 0 0 1 1 | 0 1 0 1 0 1 0 1 0 1 0 1 0 1 0 1 | нет РСК(16СК) РСК/2 (8 СК) РСК/4 (4 СК) РСК/8 (2 СК) РСК/16(СК) СК/2 СК/4 С К/8 СК/16 СК/32 СК/64 СК/128 СК/256 СК/512 СК/1024 |
В состав таймера/счетчика входят два регистра сравнения тАУ OCR10 и OCR11. Регистр OCR10 используются при выполнении функции сравнения. Регистр OCR11 используется совместно с регистром OCR10 при выполнении функции PWM. Базовый счетчик работает в режиме счета на сложение и ведет счет от 0 до числа, код которого записан в регистре OCR11. Графики изменения числа в базовом счетчике и временные диаграммы сигнала PWM изображены на рисунке 2.5. Сигнал OC1/PWM выдается на вывод порта РВ1.

Рисунок 2.5 тАУ Графики изменения числа в базовом счетчике и временные диаграммы сигнала PWM
В микроконтроллере типа t15 в работе таймера/счетчика Т/С1 участвуют разряды FOC1A и PSR1 регистра SFOR.
В режиме сравнения при установке в единичное состояние разряда FOC1A на выходе ОС1 устанавливается требуемое значение сигнала немедленно, не дожидаясь совпадения кодов в базовом счетчике и регистре сравнения. При этом запрос прерывания Т/С1 СОМР не формируется и базовый счетчик не сбрасывается в пулевое состояние при СТС1 = 1. Разряд FOC1А сбрасывается в нулевое состояние аппаратно. В режиме PWM он не используется.
При установке в единичное состояние разряда PSR1 сбрасывается в исходное (нулевое) состояние пересчетная схема ПС. Разряд сбрасывается в нулевое состояние аппаратно [2].
2.5 Таймер/счетчик типа С
Таймер/счетчик типа С входит в состав периферийных устройств микроконтроллеров типа 8535 и m163 (Т/С2) и типа m103 (Т/СО). Он формирует запрос прерывания Т/СХ OVF при переполнении восьмиразрядного базового счетчика TCNTX, может выполнять функцию сравнения/PWM и работать в режиме счета реального времени. В структуру таймера/счетчика типа С входят все элементы таймера/счетчика типа В и, кроме того, регистр ASSR, мультиплексор М и внутренний генератор G. Дополнительные элементы изображены на рисунке 2.6.

Рисунок 2.6 тАУ Структурная схема таймера счетчика типа C
В качестве исходного сигнала для работы базового счетчика TCNT 0 может использоваться тактовый сигнал микроконтроллера СК или сигнал TOSC1 из дополнительного внутреннего генератора G, к которому через выводы TOSC1 и TOSC2 подключен кварцевый резонатор КР2.
При частоте резонатора 32768 Гц ("часовой" кварц) параметры процессов в таймере/счетчике с высокой точностью привязаны к единице измерения реального времени тАУ секунде.
При нулевом состоянии разряда AS0 регистра ASSR используется тактовый сигнал СК, при единичном состоянии тАУ сигнал генератора G (режим реального времени). Выбранный сигнал РСК0 с выхода мультиплексора М поступает в пересчетную схему ПС, в котором выполняется деление частоты на 8, 32, 64, 128, 256 и 1024.
Сигналы с шести выходов пересчетной схемы и сигнал с выхода мультиплексора поступают в схему управления СУ1. Выбор сигнала для передачи на счетный вход базового счетчика определяется комбинацией состояний разрядов CS00, CS01 и CS02 регистра управления TCCR0 в соответствии с таблицей 2.4
Таблица 2.4 тАУ Комбинации состояний разрядов CS00, CS01 и CS02 регистра управления TCCR0
| CS02 | CS01 | CS00 | Сигнал |
0 0 0 0 1 1 1 1 | 0 0 1 1 0 0 1 1 | 0 1 0 1 0 1 0 1 | нет РСК0 РСК0/8 РСК0/32 РСК0/64 РСК0/128 РСК0/256 РСК0/1024 |
При работе в режиме реального времени (AS0 = 1) процесс счета и базовом счетчике привязан к сигналу TOSC1, а запись в регистры TCCR0 и OCR0 и в счетчик TCNT0 тАУ к сигналу СК. Для исключения конфликтных ситуаций в счетчике TCNT0 в режиме реального времени используются регистры временного хранения. При записи кода (по команде OUT) байт принимается в соответствующий регистр временного хранения, при этом устанавливается в единичное состояние соответствующий разряд регистра ASSR тАУ TCN0UB при записи в счетчик TCNT0, OCR0UB при записи в регистр OCR0, TCR0UB при записи в регистр TCCR0. Перепись байта из регистра временного хранения в основной регистр или счетчик привязана к сигналу TOSC1, при этом соответствующий разряд регистра ASSR сбрасывается в нулевое состояние. Очередная запись в регистр или счетчик по команде OUT может производиться при нулевом состоянии соответствующего разряда регистра ASSR.
У микроконтроллеров типа 8535 и m163 для подключения кварцевого резонатора КР2 используются выводы порта РС6 и РС7, а у микро контроллеров типа m10З тАУ специальные выводы корпуса.
В таймере/счетчике типа С в микроконтроллере типа m163 (X = 2) в регистре TCCR2 имеется дополнительный разряд FOC2 и в регистре SFIOR тАУ дополнительный разряд PSD2.
В режиме сравнения при установке в единичное состояние разряда FOC2 сигнал на выходе ОС2 принимает требуемое значение немедленно, не дожидаясь совпадения сравниваемых кодов. При этом запрос прерывания Т/С2 СОМР не формируется и базовый счетчик не сбрасывается. Сброс разряда FOC2 в нулевое состояние выполняется аппаратно. В режиме PWM разряд FOC2 не используется.
При установке в единичное состояние разряда PSR2 сбрасывается в исходное (нулевое) состояние пересчетная схема ПС.
Сброс разряда PSR2 в нулевое состояние выполняется аппаратно [2].
2.6 Таймер/счетчик типа D
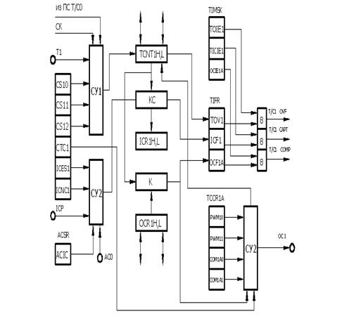
Таймер/счетчик типа D входит в состав периферийных устройств микроконтроллеров типа 2313 и 4433, и имеет имя Т/С1. Он содержит шестнадцатиразрядный базовый счетчик и выполняет функции захвата и сравнения/PWM, Структурная схема таймера/счетчика изображена на рисунке 2.7.

Рисунок 2.7 тАУ Структурная схема таймера счетчика типа D
На счетный вход шестнадцатиразрядного базового счетчика TCNT1H, L с выхода схемы управления СУ1 может поступать тактовый сигнал микроконтроллера СК, или один из четырех сигналов из пересчетной схемы, которая является общей для таймеров/счетчиков Т/СО и Т/С1 рисунок, или сигнал из внешнего источника, принимаемый на вход Т1. В качестве входа Т1 используется вывод порта PD5. Выбор сигнала определяется комбинацией состояний разрядов CS10, CS11 и CS12 регистра управления TCCR1B в соответствии с таблицей 2.1 (X = 1, Т0 = Т1). При переполнении базового счетчика устанавливается в единичное состояние разряд TOV1 регистра TIFR и при единичном состоянии разряд TOIE1 регистра TIMSK в блок прерываний поступает запрос прерывания T/C1 OVF.
Схема управления СУ2 управляет выполнением функции захвата, которая заключается в передаче кода, сформированного в базовом счетчике, через ключевую схему КС в шестнадцатиразрядный регистр захвата ICR1H, L. При этом устанавливается в единичное состояние разряд ICF1 регистра TIFR и при единичном состоянии разряда TICIE1 регистра TMSK в блок прерываний поступает запрос прерывания Т/С1 СAPT.
Захват выполняется при изменении значения внешнего сигнала, поступающего на вход ICP, или внутреннего сигнала АСО, поступающего из аналогового компаратора. Выбор сигнала определяется состоянием разряда ACIC регистра ACSR, который входит в состав аналогового компаратора. При ACIC = 0 используется внешний сигнал, при ACIC = 1 тАУ внутренний. Вид изменения сигнала, при котором выполняется захват, определяется состоянием разряда ICES1 регистра TCCR1B. При ICES1 = 0 захват выполняется при появлении отрицательного фронта сигнала, а при ICES1 = 1 тАУ положительного фронта.
В качестве входа ICP у микроконтроллера типа 2313 используется вывод порта PD6, а у микроконтроллера типа 4433 тАУ вывод порта РВО.
Разряд ICNC1 регистра TCCR1B управляет работой схемы подавления помех. При ICNC1 = 0 захват выполняется при каждом появлении фронта заданной полярности.
При ICNC1 = 1 захват происходит, если перед появлением фронта в течение четырех тактов сигнал сохраняет постоянное значение.
Схема управления СУ3 управляет выполнением функции сравнения/PWM. Функция сравнения заключается в выдаче определенного значения сигнала на выходе ОС1 при совпадении кодов в базовом счетчике и шестнадцатиразрядном регистре сравнения OCR1H, L, которое выявляется с помощью компаратора К. При этом также устанавливается в единичное состояние разряд OCF1A регистра TIFR и при единичном состоянии разряда OCIE1A регистра TIMSK в блок прерываний поступает запрос прерывания Т/С1 СОМР.
Функция PWM заключается в выдаче на выход ОС1 импульсного сигнала с заданным периодом повторения и заданной длительностью импульса. При этом также периодически формируется запрос прерывания Т/С1 СОМР.
Работа схемы СУЗ определяется комбинацией состояний разрядов PWM10, PWM11, СОМ1А0 и СОМ1А1 регистра управления TCCR1A. При нулевом состоянии всех четырех разрядов функция сравнения/PWM не выполняется и выход ОС1 отключен от вывода порта.
При PWM10 = 0, PWM11 = 0 и других комбинациях состояний разрядов СОМ1А0 и СОМ1А1 выполняется функция сравнения. Значение сигнала, устанавливаемое на выходе ОС1 при совпадении кодов, указано в таблице 2.5.
Таблица 2.5 тАУ Значение сигнала, устанавливаемое на выходе ОС1
| С0М1А1 | СОМ1А0 | Значение сигнала |
Ва0 1 1 | 1 0 1 | Изменяется 0 1 |
При выполнении функции сравнения режим работы базового счетчика зависит от состояния разряда СТС1 регистра управления TCCR1B. При СТС1 = 1 базовый счетчик при совпадении кодов сбрасывается в нулевое состояние и продолжает счет, начиная с нуля. При СТС1 = 0 он продолжает счет до переполнения и далее ведет счет, начиная с нуля.
При единичном состоянии хотя бы одного из разрядов PWM10 и PWM11 и единичном состоянии разряда СОМ1А1 выполняется функция PWM. В этом случае базовый счетчик ведет счет на сложение до получения числа 255 или 511 или 1023, переходит в режим счета на вычитание, ведет счет на вычитание до получения числа 0 и вновь возвращается в режим счета па сложение. Выбор максимального числа (Nmах), до которого ведется счет на сложение, определяется комбинацией состояний разрядов PWM11 и PWM10 регистра управления TCCR1A в соответствии с таблицей 2.6.
Таблица 2.6 тАУ Комбинации состояний разрядов PWM11 и PWM10 регистра управления TCCR1A
| PWM11 | PWM10 | Nmax |
0 1 1 | 1 0 1 | Ва255 511 1023 |
Сигнал PWM формируется путем изменения значения сигнала на выходе ОС1 при совпадении кодов в базовом счетчике и регистре OCR1 в процессе счета на сложение и на вычитание. Вид изменения сигнала зависит от состояния разряда СОМ1А0. На рисунке 2.8 изображены графики изменения числа в базовом счетчике (TCNT1) и временные диаграммы сигнала PWM при разных состояниях разряда СОМ1А0.

Рисунок 2.8 тАУ ВаГрафики изменения числа в базовом счетчике (TCNT1) и временные диаграммы сигнала PWM
Период сигнала PWM (T) зависит от максимального числа, до которого выполняется счет на сложение. При Nmax = 255 период в 510 раз больше периода следования импульсов на счетном входе базового счетчика. При Nmax = 511 и 1023 это отношение равно 1022 и 2046 соответственно.
Разряд СТС1 регистра TCCR1B в режиме PWM не используется. Запрос прерывания T/C1 OVF формируется при переходе базового счетчика от числа 0 к числу 1. При записи кода в регистр OCR1 код запоминается в регистре временного хранения. Перепись кода в регистр OCR1 выполняется при появлении в базовом счетчике максимального числа, что предотвращает появление в сигнале PWM импульса со случайной длительностью.
В качестве выхода ОС1 у микроконтроллера типа 2313 используется вывод порта РВЗ, а у микроконтроллера типа 4433 тАУ вывод порта PB1 [2].
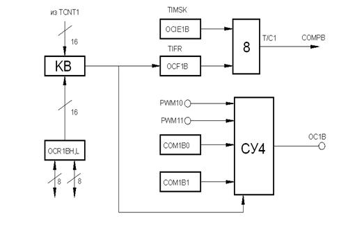
2.7 Таймер/счетчик типа Е
Таймер/счетчик типа Е входит в состав периферийных устройств микроконтроллеров типа 8515, 8535, m163 и m10З и имеет имя Т/С1. Он содержит шестнадцатиразрядный базовый счетчик и выполняет функцию сравнения/PWM в двух каналах (А и В) и функцию захвата.
В структуру таймера/счетчика типа Е входят все элементы структуры таймера/счетчика типа D. Элементы на схеме рисунке 2.7, используемые при выполнении функции сравнения/PWM, образуют канал А. Дополнительные элементы, образующие канал В, изображены на схеме рисунке 2.9.

Рисунок 2.9 тАУ Структурная схема таймера счетчика типа Е
Дополнительными элементами являются компаратор канала В (KB), регистр сравнения OCR1BH, L, два допо
Вместе с этим смотрят:
IP-телефония. Особенности цифровой офисной связи