Разработка передатчика для радиовещания в синхронной сети
Министерство Российской Федерации по связи и информатизации
Кафедра РПУ
Курсовой проект
по курсу Радиопередающие устройства
"Разработка передатчика для радиовещания в синхронной сети"
Выполнил:
ст-т гр Р-32
Шабанов Д.А.
Проверил:
Рыбочкин В.Е.
Новосибирск 2006
Содержание
1. Введение
2 Разработка структурной схемы передатчика
3. Расчет выходного каскада
3.1 Расчет в пиковой точке
3.1.1 Расчет анодной цепи
3.1.2 Расчет цепи управляющей и экранирующей сеток
3.2 Расчет в телефонной точке
3.3 Расчет генератора УМК на ЭВМ
4. Расчет предвыходного каскада
4.1 Расчет генератора на биполярных транзисторах при коллекторной модуляции в схеме с ОЭ
4.1.1 Расчет коллекторной цепи в максимальном режиме
4.1.2 Расчет базовой цепи в максимальном режиме
5. Расчет предварительного каскадов в максимальном режиме
5.1 Расчет коллекторной цепи в максимальном режиме
5.2 Расчет базовой цепи
6. Расчет промышленного КПД
Список используемой литературы
1. Введение
Для повышения эффективности работы передатчиков и улучшение слышимости РВ передач на низких и средних частотах были созданы и введены в эксплуатацию сети синхронного радиовещания, в которых большее число радиостанций, передающих одну и ту же программу, работает на одной общей частоте. Использование синхронных сетей радиовещания позволяет:
при меньших излучаемых мощностях обеспечить заданную напряженность поля в обслуживаемых зонах;
сократить расходы на эксплуатацию радиопередатчиков или не увеличивая расходов повысить напряженность поля в обслуживаемых зонах, и улучшить на приеме отношение сигнал-шум;
при использовании в синхронной сети достаточно маломощных передатчиков исключить в темное время суток свойственные мощным радиостанциям нелинейные и частотные искажения в зонах замирания;
повысить надежность сети радиовещания как в случаях возможных аварий отдельных передатчиков, так и при действии помех, создаваемых пространственным лучом мощных дальних станций, работающих в совмещенном канале;
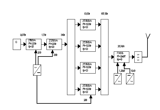
2 Разработка структурной схемы передатчика
Для выбора усилительного элемента в выходном каскаде, исходя из заданной мощности P~т =5кВт, находим максимальную мощность P~max, которая определяется выражением:

где m=1 глубина модуляции, hкс -коэффициент полезного действия колебательной системы. Примем hкс=75%, тогда
![]()
Тип генераторной лампы выбирается исходя из справочной мощности лампы P~лин, так как лампа работает в режиме УМК. По справочным данным выбираем лампу ГУ-83Б, которая имеет P~лин=28кВт.
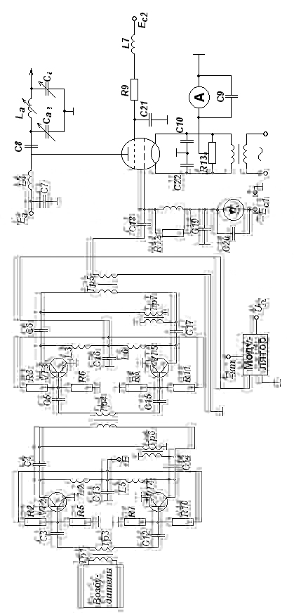
3. Расчет выходного каскада
Выходной каскад работает в режиме усиления модулированных колебаний (УМК). Он должен работать в недонапряженном режиме, так как в этом режиме будут наименьшие нелинейные искажения, с углами отсечки Q=90О Только при Q=90О и Q=180О получается линейное усиление, но при Q=180О требуется большая мощность.
В выходном каскаде используется лампа ГУ-83Б
P~max=26.7кВт Jн=155А S=65мА/В Pадоп=25кВт
Pmax=45кВт Сас1=1,2пФ Sкр=22мА/В Pс2доп=1,8кВт
Eа=12кВ Сск=38пФ D=0.004 Pс1 доп=0,4кВт
Eс2=1,5кВ Сс1к=330пФ fmax=1,6МГц mc1c2=5,8
Uн=8В γ=α1/ α0=1,5723 α1=0,5 α0=0,318
3.1 Расчет в пиковой точке
Произведем расчет максимального режима лампового усилителя.
3.1.1 Расчет анодной цепи
Максимальный коэффициент использования анодного напряжения:

Амплитуда колебательного анодного напряжения:
![]()
Амплитуда первой гармоники анодного тока:

Постоянная составляющая анодного тока:

Амплитуда импульса анодного тока:

где a1 - коэффициент Берга.
Мощность подводимая к анодной цепи генератора:
![]()
Мощность рассеиваемая на аноде лампы генератора:
![]()
Коэффициент полезного действия генератора по анодной цепи:
![]()
Проверка
![]()
Эквивалентное сопротивление анодной нагрузки:

Амплитуда сеточного напряжения:

где b1=0,5 - коэффициент Шулейкина.
Напряжение смещения на управляющей сетке:

3.1.2 Расчет цепи управляющей и экранирующей сеток
Пиковое напряжение на управляющей сетке:
![]()
Так как
Вато в цепи управляющей сетки тока нет.
Найдем минимальное значение напряжения на аноде:
![]()
Зная
ec1 max, eamin, Ec2 найдем импульс тока экранирующей сетки
![]()
Угол отсечки Q2 ориентировочно выбирается в пределах (0,5¸0,7) Q
Q2=0,55*Q=0,55*90=50O Тогда a0с2=0,183
Найдем постоянную составляющую тока экранной сетки
![]()
где К0с=2/3 - поправочный коэффициент
![]()
3.2 Расчет в телефонной точке
Для расчета в режиме несущей можно использовать формулы линейной интерполяции.
Амплитуда первой гармоники анодного тока:

где m - глубина модуляции. Постоянная составляющая анодного тока:

Амплитуда напряжения на аноде:

Амплитуда напряжения на сетке:

Колебательная мощность:

Мощность потребляемая лампой:

Мощность рассеиваемая на аноде лампы:
![]()
Мощность рассеиваемая на экранной сетке:

3.3 Расчет генератора УМК на ЭВМ
Мощность рассеиваемая на аноде достигает максимального значения в режиме несущей. Потребляемая генератором и колебательная мощности имеют максимальное значение в пиковой точке, причем колебательная мощность изменяется по квадратичному закону, а потребляемая по линейному.
КПД имеет максимальное значение только в пиковой точке, что не очень хорошо, так как передатчик 70% времени находится в режиме молчния, когда лампа работает в телефонной точке, где КПД низкий.
4. Расчет предвыходного каскада
Предвыходной каскад предназначен для предварительного усиления ВЧ сигнала до мощности необходимой для раскачки выходного каскада. Также в предвыходном каскаде осуществляется амплитудная модуляция к коллекторной цепи. Каскад строится на мосту сложения шести усилительных модулей для обеспечения бесперебойной работы передатчика при выходе из строя одного из модулей.
Каждый из модулей строится по двухтактной схеме на 8 транзисторах 2Т970А включенных по схеме с ОЭ.
Транзистор имеет следующие характеристики:
rнас=0.3 Ом eкэдоп=60В rб=0.2 Ом eбэдоп=4В
rЭ=0 Ом Jкодоп=13А b0=20-80 f1¸f2=0,9-1,6МГц
fT=700МГц f=100 МГц СК=120пФ Р~=100Вт
СЭ=600пФ Кр=30 LЭ=0,2нГн
Lб=0,5нГн Ек=28В LК=5нГн Q=76О
4.1 Расчет генератора на биполярных транзисторах при коллекторной модуляции в схеме с ОЭ
Мощность приходящаяся на 1 транзистор ступени в соответствии со структурной схемой.
P|~VT=83,5Вт
4.1.1 Расчет коллекторной цепи в максимальном режиме
Критический коэффициент использования коллекторного напряжения:

Напряжение на коллекторе:
![]()
Максимальное напряжение на коллекторе:
![]()
Амплитуда первой гармоники тока коллектора:

Постоянная составляющая тока коллектора:

Пиковое значение тока в цепи коллектора:

Выходное сопротивление по переменному току:

Мощность потребляемая транзистором:
![]()
![]()
Тогда ![]()
Коэффициент полезного действия:

4.1.2 Расчет базовой цепи в максимальном режиме
Балластный резистор в цепи базы:



Сопротивление базы: где ЕБ0=0,7В


Постоянная составляющая тока базы:

Постоянная составляющая тока эмиттера:
![]()
Напряжение смещения на базе:
![]()

Рассчитаем активную составляющую входного сопротивления транзистора:


Выходная мощность:

5. Расчет предварительного каскадов в максимальном режиме
5.1 Расчет коллекторной цепи в максимальном режиме
В каскаде собранном на транзисторах 2Т934Б мощность приходящаяся на 1 транзистор ступени составляет P|~=11Вт
Транзистор имеет следующие характеристики:
rнас=1Ом eкэдоп=70В Lб=3.1нГн Ек=28В
rб=0.2Ом eбэдоп=4В LК=2.5нГн Q=90О
rЭ=0 Ом Jкодоп=1 (1.5) А, b0=5-150 f1¸f2=100-400МГц
fT=600МГц f=100МГц, СК=10пФ Р~=12Вт
СЭ=110пФ Кр=30, LЭ=1,2нГн КПД=50%
Критический коэффициент использования коллекторного напряжения:

Напряжение на коллекторе:
![]()
Максимальное напряжение на коллекторе:
![]()
Амплитуда первой гармоники тока коллектора:

Постоянная составляющая тока коллектора:

Пиковое значение тока в цепи коллектора:

Выходное сопротивление по переменному току:

Мощность потребляемая транзистором:
![]()
Мощность рассеиваемая на коллекторе:
![]()
Коэффициент Полезного Действия:

5.2 Расчет базовой цепи



Балластный резистор в цепи базы:

Постоянная составляющая тока базы:

Постоянная составляющая тока эмиттера:
![]()
Напряжение смещения на базе:
![]()

Рассчитаем активную составляющую входного сопротивления транзистора:

Выходная мощность:

6. Расчет промышленного КПД
Общее выражение промышленного КПД представляет собой:

Потребляемая мощность анодными цепями всех каскадов передатчика:

Потребляемая мощность накальными цепями всех каскадов передатчика:

Потребляемая мощность цепями смещения всех каскадов передатчика:
![]()
Дополнительно потребляемая мощность системой охлаждения, УБС, ТУВ и возбудителем передатчика:
![]()



Список используемой литературы
1. Конспект лекций
2. Методические указания по курсовому и дипломному проектированию радиопередающих устройств на тему: "Расчет технико-экономических показателей проектируемого передатчика". Составитель Кривогузов А.С. Новосибирск.: НЭИС, 1985. - 20 с.
3. Синхронное радиовещание / под редакцией А.А. Пирогова. - М.: Радио и связь, 1989.
Вместе с этим смотрят:
IP-телефония. Особенности цифровой офисной связи