Расчет измерительных преобразователей. Полупроводниковый диод
Диодами называют двухэлектродные элементы электрической цепи, обладающие односторонней проводимостью тока. В полупроводниковых диодах односторонняя проводимость обуславливается применением полупроводниковой структуры, сочетающей в себе два слоя, один из которых обладает дырочной (p), а другой тАУ электронной (n) электропроводностью.
Полупроводниковый диод представляет собой прибор с двумя выводами и одним электронно-дырочным переходом.
1. Назначение и область применения
Назначение и применение полупроводниковых диодов в современной технике весьма разнообразно и зависит от вида конкретного диода. Основные виды диодов:
1) Выпрямительные диоды тАУ п/п диоды, предназначенные для выпрямления переменного тока. Основной характеристикой такого диода является коэффициент выпрямления равный отношению прямого и обратного токов при одном и том же напряжении. Чем выше коэффициент выпрямления, тем меньше потери и выше КПД выпрямителя.
2) Высокочастотные диоды (СВЧ-диоды) тАУ эти диоды предназначены для работы в устройствах высокой и сверхвысокой частоты. Они используются для модуляции и детектирования сверхвысокочастотных колебаний в диапазоне сотен мегагерц. В качестве высокочастотных обычно применяют точечные диоды, емкость электронно-дырочного перехода в которых составляет сотые и десятые доли пикофарад.
3) Варикапы тАУ это диоды, работа которых основана на изменении емкости электронно-дырочного перехода в зависимости прикладываемого обратного напряжения. Эти диоды применяются в качестве конденсаторов с управляемой емкостью.
4) Стабилитроны тАУ это диоды, используемые для стабилизации напряжения. В этих диодах используется наличие у диода критического обратного напряжения, при котором наступает электрический пробой.
5) Туннельные диоды - при больших концентрациях легирующих примесей заметно усиливается туннельный эффект p-n-перехода. При этом в ВАХ диода появляется участок с отрицательным сопротивлением, что позволяет использовать его в схемах генерации и усиления электрических колебаний.
6) Импульсные диоды тАУ это диоды, предназначенные для работы в импульсных схемах. В таких диодах перераспределение носителей зарядов в p-n-переходах при смене полярности напряжения происходит в десятые доли наносекунды. Чем меньше время переходных процессов, тем меньше искажается форма импульсов. Для ускорения переходных процессов уменьшают до возможного предела межэлектродную емкость, а также легируют область p-n-перехода небольшой присадкой золота.
2. Классификация и условные обозначения полупроводниковых диодов
Классификация диодов производится по следующим признакам:
1) По конструкции:
- плоскостные диоды;
- точечные диоды;
- микросплавные диоды.
2) По мощности:
- маломощные;
- средней мощности;
- мощные.
3) По частоте:
- низкочастотные;
- высокочастотные;
- СВЧ.
4) По функциональному назначению:
- выпрямительные диоды;
- импульсные диоды;
- стабилитроны;
- варикапы;
- светодиоды;
- тоннельные диоды
и так далее.
Условное обозначение диодов подразделяется на два вида:
- маркировка диодов;
- условное графическое обозначение (УГО) тАУ обозначение на принципиальных электрических схемах.
По старому ГОСТу все диоды обозначались буквой Д и цифрой, которая указывала на электрические параметры, находящиеся в справочнике.
Новый ГОСТ на маркировку диодов состоит из 4 обозначений:

I тАУ показывает материал полупроводника:
Г (1) тАУ германий; К (2) тАУ кремний; А (3) тАУ арсенид галлия; И (4) тАУ соединения индия.
II тАУ тип полупроводникового диода:
Д тАУ выпрямительные, ВЧ и импульсные диоды;
А тАУ диоды СВЧ;
C тАУ стабилитроны;
В тАУ варикапы;
И тАУ туннельные диоды;
Ф тАУ фотодиоды;
Л тАУ светодиоды;
Ц тАУ выпрямительные столбы и блоки.
III тАУ три цифры тАУ группа диодов по своим электрическим параметрам (приведены в таблице 1).
IV тАУ модификация диодов в данной (третьей) группе.

а) выпрямительные, высокочастотные, СВЧ, импульсные и диоды Гана; б) стабилитроны; в) варикапы; г) тоннельные диоды; д) диоды Шоттки; е) светодиоды; ж) фотодиоды; з) выпрямительные блоки
Рисунок 1 тАУ Условное графическое обозначение
Таблица 1. Кодовая маркировка полупроводниковых приборов в соответствии с ГОСТ 10862-72
| 1-й элемент | Исходный материал | 2-й элемент | Подкласс прибора | 3-й элемент | Группа внутри подкласса |
| Г или 1 | Германий | Д | Выпрямительные диоды | 101-399 | Диоды выпрямительные малой мощности (Iпр.ср.<0,3A) |
| К или 2 | Кремний | 201-299 | Диоды выпрямительные средней мощности (0,3 | ||
| А или 3 | Арсенид галлия или другие соединения галлия | 301-399 | Импульсные | ||
| 401-499 | Диоды импульсные с временем восстановления (tвос.обр.>150 нс) | ||||
| 501-599 | Диоды импульсные с временем восстановления 30 нс | ||||
| 601-699 | Диоды импульсные с временем восстановления 5 нс | ||||
| 701-799 | Диоды импульсные с временем восстановления 1 нс | ||||
| 801-899 | Диоды импульсные с временем восстановления <1 нс | ||||
| Ц | Выпрямительные столбы и блоки | 101-199 | Выпрямительные столбы малой мощности (Iпр.ср.<0,3A) | ||
| 201-299 | Выпрямительные столбы средней мощности (0,3 | ||||
| 301-399 | Выпрямительные блоки малой мощности (Iпр.ср.<0,3A) | ||||
| 401-499 | Выпрямительные блоки средней мощности (0,3 | ||||
| А | Сверхвысокочастотные диоды | 101-199 | Смесительные | ||
| 201-299 | Детекторные | ||||
| 301-399 | Модуляторные | ||||
| 401-499 | Параметрические | ||||
| 501-599 | Регулирующие | ||||
| 601-699 | Умножительные | ||||
| 701-799 | Генераторные | ||||
| B | Варикапы | 101-199 | Подстроечные | ||
| 201-299 | Умножительные | ||||
| И | Диоды туннельные и обращенные | 101-199 | Усилительные | ||
| 201-299 | Генераторные | ||||
| 301-399 | Переключающие | ||||
| 401-499 | Обращенные | ||||
| С | Стабилитроны и стабисторы | 201-299 | Стабилитроны малой мощности (до 0,3 Вт) от 10 до 99 В | ||
| 301-399 | Стабилитроны малой мощности (до 0,3 Вт) от 100 до 199 В | ||||
| 401-499 | Стабилитроны средней мощности (от 0,3 до 15 Вт) от 0,1 до 9,9 В | ||||
| 501-599 | Стабилитроны средней мощности (от 0,3 до 15 Вт) 10 от до 99 В | ||||
| 601-699 | Стабилитроны средней мощности (от 0,3 до 15 Вт) от 100 до 199 В | ||||
| 701-799 | Стабилитроны большой мощности (от 5 до 25 Вт) от 0,1 до 9,9 В | ||||
| 801-899 | Стабилитроны большой мощности (от 5 до 25 Вт) от 10 до 99В | ||||
| 901-999 | Стабилитроны большой мощности (от 5 до 25 Вт) от 100 до 199В | ||||
| Л | Излучатели | 101-199 | Инфракрасного излучения | ||
| 201-299 | Видимого излучения с яркостью менее 500 кд/м2 | ||||
| 301-399 | Видимого излучения с яркостью более 500 кд/м2 | ||||
| Н | Динисторы | 101-199 | Динисторы малой мощности со средним током в открытом состоянии менее 0,3 А | ||
| 201-299 | Динисторы средней мощности со средним током в открытом состоянии от 0,3 до 10 А | ||||
| У | Тиристоры | 101-199 | Тиристоры малой мощности со средним током в открытом состоянии менее 0,3 А | ||
| 201-299 | Тиристоры средней мощности со средним током в открытом состоянии от 0,3 до 10 А | ||||
| 301-399 | Запираемые тиристоры малой мощности с запираемым током менее 0,З А | ||||
| 401-499 | Запираемые тиристоры средней мощности с запираемым током от 0,3 до 10 А | ||||
| 501-599 | Симисторы малой .мощности с действующим током до 0,3 А | ||||
| 601-699 | Симисторы средней мощности с действующим током от 0,3 до 10 А |
3. Общий принцип действия
В полупроводнике n-типа основными носителями свободного заряда являются электроны; их концентрация значительно превышает концентрацию дырок (nn >> np). В полупроводнике p-типа основными носитялеми являются дырки (np >> nn). При контакте двух полупроводников n- и p-типов начинается процесс диффузии: дырки из p-области переходят в n-область, а электроны, наоборот, из n-области в p-область. В результате в n-области вблизи зоны контакта уменьшается концентрация электронов и возникает положительно заряженный слой. В p-области уменьшается концентрация дырок и возникает отрицательно заряженный слой. Таким образом, на границе полупроводников образуется двойной электрический слой, электрическое поле которого препятствует процессу диффузии электронов и дырок навстречу друг другу (рис.1). Пограничная область раздела полупроводников с разными типами проводимости (так называемый запирающий слой) обычно достигает толщины порядка десятков и сотен межатомных расстояний. Объемные заряды этого слоя создают между p- и n-областями запирающее напряжение Uз, приблизительно равное 0,35 В для германиевых nтАУp-переходов и 0,6 В для кремниевых.
nтАУp-переход обладает удивительным свойством односторонней проводимости.

Рисунок 1 - Образование запирающего слоя при контакте полупроводников p- и n-типов.
4. Конструкция полупроводниковых диодов
Основой плоскостных и точечных диодов является кристалл полупроводника n-типа проводимости, который называется базой транзистора. База припаивается к металлической пластинке, которая называется кристаллодержателем.
Для плоскостного диода на базу накладывается материал акцепторной примеси и в вакуумной печи при высокой температуре (порядка 500 В°С) происходит диффузия акцепторной примеси в базу диода, в результате чего образуется область p-типа проводимости и p-n переход большой плоскости (отсюда название). Вывод от p-области называется анодом, а вывод от n-области тАУ катодом (рис. 2).

Рисунок 2
Большая плоскость p-n перехода плоскостных диодов позволяет им работать при больших прямых токах, но за счёт большой барьерной ёмкости они будут низкочастотными.
Точечные диоды.

Рисунок 3
К базе точечного диода подводят вольфрамовую проволоку, легированную атомами акцепторной примеси, и через неё пропускают импульсы тока силой до 1А. В точке разогрева атомы акцепторной примеси переходят в базу, образуя p-область (рис. 4).

Рисунок 4
Получается p-n переход очень малой площади. За счёт этого точечные диоды будут высокочастотными, но могут работать лишь на малых прямых токах (десятки миллиампер).
Микросплавные диоды.
Их получают путём сплавления микрокристаллов полупроводников p- и n- типа проводимости. По своему характеру микросплавные диоды будут плоскостные, а по своим параметрам тАУ точечные.
5. Вольтамперная характеристика и основные параметры полупроводниковых диодов

Рисунок 5
Вольтамперная характеристика реального диода проходит ниже, чем у идеального p-n перехода: сказывается влияние сопротивления базы. После точки А вольтамперная характеристика будет представлять собой прямую линию, так как при напряжении Uа потенциальный барьер полностью компенсируется внешним полем. Кривая обратного тока ВАХ имеет наклон, так как за счёт возрастания обратного напряжения увеличивается генерация собственных носителей заряда.

Рисунок 6
- Максимально допустимый прямой ток Iпр.max.
- Прямое падение напряжения на диоде при максимальном прямом токе Uпр.max.
- Максимально допустимое обратное напряжение Uобр.max = (⅔ . .) ∙ Uэл.проб.
- Обратный ток при максимально допустимом обратном напряжении Iобр.max.
- Прямое и обратное статическое сопротивление диода при заданных прямом и обратном напряжениях:
![]()
- Прямое и обратное динамическое сопротивление диода:


6. Выпрямительные диоды
Общая характеристика выпрямительных диодов.
Выпрямительным диодом называется полупроводниковый диод, предназначенный для преобразования переменного тока в постоянный в силовых цепях, то есть в источниках питания. Выпрямительные диоды всегда плоскостные, они могут быть германиевые или кремниевые. Германиевые диоды лучше кремниевых тем, что имеют меньшее прямое падение напряжения. Кремниевые диоды превосходят германиевые по диапазону рабочих температур, по максимально допустимому обратному напряжению, а также имеют меньший обратный ток.
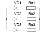
Если выпрямленный ток больше максимально допустимого прямого тока диода, то в этом случае допускается параллельное включение диодов (рис. 7).

Рисунок 7
Добавочные сопротивления Rд величиной от единиц до десятков Ом включаются с целью выравнивания токов в каждой из ветвей.
Если напряжение в цепи превосходит максимально допустимое обратное напряжение диода, то в этом случае допускается последовательное включение диодов (рис. 8).

Рисунок 8
Шунтирующие сопротивления величиной несколько сот кОм включают для выравнивания падения напряжения на каждом из диодов.
Включение выпрямительных диодов в схемах выпрямителей.
Диоды в схемах выпрямителей включаются по одно- и двухполупериодной схемам. Если взять один диод, то ток в нагрузке будет протекать за одну половину периода, поэтому такой выпрямитель называется однополупериодным. Его недостаток тАУ малый КПД.

Рисунок 9

Рисунок 10
Значительно чаще применяются двухполупериодные выпрямители.

Рисунок 11

Рисунок 12
В течение положительного полупериода напряжения Ua (+) диоды VD1 и VD4 открыты, а VD2 и VD3 тАУ закрыты. Ток будет протекать по пути: верхняя ветвь (+), диод VD1, нагрузка, диод VD4, нижняя ветвь (-).
В течение отрицательного полупериода напряжения Ua диоды VD1 и VD4 закрываются, а диоды VD2 и VD3 открываются. Ток будет протекать от (+), нижняя ветвь, диод VD3, нагрузка, диод VD2, верхняя ветвь (-).
Поэтому ток через нагрузку будет протекать в одном и том же направлении за оба полупериода. Схема выпрямителя называется двухполупериодной.
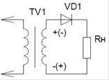
Если понижающий трансформатор имеет среднюю точку, то есть вывод от середины вторичной обмотки, то двухполупериодный выпрямитель может быть выполнен на двух диодах (рис. 13).

Рисунок 13
7. Стабилитроны, варикапы, светодиоды и фотодиоды
Стабилитроны.
Стабилитроном называется полупроводниковый диод, предназначенный для стабилизации уровня постоянного напряжения. Стабилизация тАУ поддержание какого-то уровня неизменным. По конструкции стабилитроны всегда плоскостные и кремниевые. Принцип действия стабилитрона основан на том, что на его вольтамперной характеристике имеется участок, на котором напряжение практически не зависит от величины протекающего тока.

Рисунок 14
Таким участком является участок электрического пробоя, а за счёт легирующих добавок в полупроводник ток электрического пробоя может изменяться в широком диапазоне, не переходя в тепловой пробой.
Так как участок электрического пробоя тАУ это обратное напряжение, то стабилитрон включается обратным включением (рис. 14).

Рисунок 15
Резистор Ro задаёт ток через стабилитрон таким образом, чтобы величина тока была близка к среднему значению между Iст.min и Iст.max. Такое значение тока называется номинальным током стабилизации.
Принцип действия.
При уменьшении входного напряжения ток через стабилитрон и падение напряжения на Ro может уменьшаться, а напряжения на стабилитроне и на нагрузке останутся постоянными, исходя из вольтамперной характеристики. При увеличении входного напряжения ток через стабилитрон и URo увеличивается, а напряжение на нагрузке всё равно остаётся постоянным и равным напряжению стабилизации.
Следовательно, стабилитрон поддерживает постоянство напряжения при изменении тока через него от Iст.min до Iст.max.
Основные параметры стабилитронов:
- Напряжение стабилизации Uст.
- Минимальное, максимальное и номинальное значение тока стабилизации Iст.min, Iст.max, Iст.ном. (рис. 16).

Рисунок 16
ΔUст. тАУ изменение напряжения стабилизации.
Дифференциальное сопротивление на участке стабилизации:

- Температурный коэффициент стабилизации

Рисунок 17

Стабилитроны, предназначенные для стабилизации малых напряжений, называются стабисторами.
Стабисторы тАУ для стабилизации напряжения менее 3В, и у них используется прямая ветвь ВАХ (рис. 18).

Рисунок 18
Применяются стабисторы в прямом включении.
Варикапы
Варикапом называется полупроводниковый диод, у которого в качестве основного параметра используется барьерная ёмкость, величина которой варьируется при изменении обратного напряжения. Следовательно, варикап применяется как конденсатор переменной ёмкости, управляемый напряжением.

Рисунок 19
Принцип действия.
Если к p-n переходу приложить обратное напряжение, то ширина потенциального барьера увеличивается.

При подключении обратного напряжения ширина перехода ΔХ увеличивается, следовательно, барьерная ёмкость будет уменьшаться. Основной характеристикой варикапов является вольт-фарадная характеристика С=f(Uобр).

Рисунок 20
Основные параметры варикапов:
- Максимальное, минимальное и номинальное значение ёмкости варикапа.
- Коэффициент перекрытия

- отношение максимальной ёмкости к минимальной.
- Максимальное рабочее напряжение варикапа.
Фотодиоды.
Фотодиодом называется фотогальванический приёмник излучения, светочувствительный элемент которого представляют собой структуру полупроводникового диода без внутреннего усиления.
Принцип действия.
При облучении полупроводника световым потоком Ф возрастает фотогенерация собственных носителей зарядов (рис. 21), что приводит к увеличению количества как основных, так и неосновных носителей зарядов.

Рисунок 21
Однако фотогенерация в значительной степени будет влиять на обратный ток, так как не основных носителей зарядов значительно меньше, чем основных.

Рисунок 22
Для фотодиодов Iобр тАУ это фототок. Зависимость фототока Iф от величины светового потока Iф=f(Ф) (рис. 22).

Рисунок 23
Спектральная характеристика тАУ это зависимость фототока от длины волны светового излучения Iф=f(λ).

Рисунок 24
Темновой ток тАУ ток через фотодиод при отсутствии светового потока и при заданном рабочем напряжении.
Интегральная чувствительность тАУ это отношение фототока к световому потоку
![]()
Рабочее напряжение тАУ это обратное напряжение, подаваемое на фотодиод, при котором все параметры фотодиода будут оптимальными.

Рисунок 25
Светодиоды.
Светодиодом называется полупроводниковый прибор, в котором происходит непосредственное преобразование электрической энергии в энергию светового излучения.
Принцип действия.
При прямом включении основные носители заряда переходят через p-n переход и там рекомбинируют. Рекомбинация связана с выделением энергии. Для большинства полупроводниковых материалов это энергия тепловая. Только для некоторых типов на основе арсенида галлия ширина запрещённой зоны ΔW достаточно велика, и длина волны лежит в видимой части спектра.

При обратном включении через p-n переход переходят неосновные носители заряда в область, где они становятся основными. Рекомбинация и свечение светодиода отсутствуют.
Основные характеристики:
а) Яркостная характеристика тАУ это мощностная зависимость излучения от прямого тока Pu=f(Iпр).

Рисунок 26
б) Спектральная характеристика тАУ это зависимость мощности излучения от длины волны Pu=f(λ).

Рисунок 27
Основные параметры: яркость свечения при максимальном прямом токе; полная мощность излучения Pu.max.
8. Импульсные, высокочастотные (ВЧ) и сверхвысокочастотные (СВЧ) диоды
Импульсные диоды.
Импульсные диоды предназначены для работы в импульсных цепях с длительностями импульсов от нескольких нс до нескольких мкс. Рассмотрим работу обычного p-n перехода при подаче на него импульсного напряжения.

Рисунок 28

Рисунок 29
В промежуток времени от 0 до t1 p-n переход закрыт (обратным напряжением пренебрегаем). В момент t1 p-n переход открывается, но ток через него и через нагрузку достигает своего максимального, то есть установившегося значения, не мгновенно, а за время tуст., которое необходимо для заряда барьерной ёмкости p-n перехода.
В момент времени t2 p-n переход почти мгновенно закрывается. Область p-проводимости оказывается насыщенной неосновными носителями зарядов, то есть электронами. Не успевшие рекомбинировать электроны под действием поля закрытого p-n перехода возвращаются в n-область, за счёт чего сильно возрастает обратный ток. По мере ухода электронов из p-области обратный ток уменьшается, и через время tвосст. p-n переход восстанавливает свои ВлзакрытыеВ» свойства. В импульсных диодах время восстановления и установления должны быть минимальными. С этой целью импульсные диоды конструктивно выполняются точечными или микросплавными. Толщина базы диода делается минимальной. Полупроводник легируют золотом для увеличения подвижности электронов.
Диоды ВЧ.
Это универсальные диоды, которые могут быть детекторными, модуляторными, импульсными при достаточных длительностях импульса, и даже выпрямительными при малых токах нагрузки. Основное отличие ВЧ диодов тАУ обратная ветвь вольтамперной характеристики плавно понижается (увеличивается обратный ток, постепенно переходя в область электрического пробоя) (рис. 30).

Рисунок 30
Такое понижение обратной ветви ВАХ объясняется усиленной термогенерацией собственных носителей зарядов на малой площади p-n перехода.
Микросплавные ВЧ диоды имеют бoльшую барьерную ёмкость, чем точечные, и для того, чтобы их можно было использовать на высоких частотах, вблизи p-n перехода понижают концентрацию акцепторной и донорной примеси.

Рисунок 31
Понижение концентр
Вместе с этим смотрят:
IP-телефония. Особенности цифровой офисной связи