Расчет кардиографа
1. Назначение и структура кардиографа
1.1 Принцип работы кардиографа
1.2 Общая структурная схема кардиографа
2. Расчёт блоков кардиографа
2.1 Схема выбора цифровых кодов элементов ЭКГ (ВЦК)
2.2 Расчёт фильтров НЧ И ВЧ
2.2.1 Рассчитаем фильтр низких частот Баттерворта третьего порядка с данными параметрами:
2.2.2 Рассчитаем фильтр верхних частот Баттерворта третьего порядка с данными параметрами:
2.3 Входной усилитель (на операционном усилителе)
2.4 Расчет АЦП
2.4.1 Находим необходимое число разрядов кода nm из условий заданной точности
2.4.2 Разработка общих параметров многоканального цифрового кардиографа
2.4.3 Расчет количества ИМС ОЗУ
2.5 Синтез логического устройства и его реализация
Выводы
Список литературы
Введение
Современные достижения физики, микроэлектроники и вычислительной техники произвели подлинную техническую революцию в методах исследования и построения медицинской аппаратуры для диагностики и терапии. Развитие оптических квантовых генераторов, интегральной схемотехники, средств хранения, отображения и обработки информации с использованием микропроцессорной техники, разработка новых сенсорных элементов и новых технологий определило существенный скачек по внедрению в медицинскую практику значительного числа новых электронных приборов и методов обработки информации.
Методами регистрации электрических сигналов исследуется сопротивление кожных покровов, полное сопротивление тканей, показатели дыхания, артериальное давление, пульсации вен, насыщение крови кислородом, состояние мозга, механические процессы в организме и другие явления.
Разработка ультразвуковых (УЗ), инфракрасных (ИК) приборов, а также приборов сверхвысокочастотных (СВЧ) и крайне высокочастотных (КВЧ) диапазонов расширила терапевтические и диагностические возможности медицинской аппаратуры. Тенденции развития современных медицинских аппаратов отражается в разработке и использовании многоканальных комбинированных приборов с автоматической цифровой обработкой и документированием информации на компьютерах.
Развитие научного и медицинского приборостроения позволяет значительно расширить возможности врачей путем измерения физических полей и излучений человеческого организма. Вот некоторые величины таких полей:
Оптическое излучение 10-12 Вт/см2
Акустическое излучение 10-11 Вт/см2∙МГц
Индукция магнитного поля 10-12 Тл
Инфракрасное излучение 10-3 Вт/см2
СВЧ излучение 10-11 Вт/см2∙ГГц
Напряжение электрического поля 10-5 Вт/см2
Среди большого числа разных приборов получения диагностической информации значительную часть занимают приборы, которые используют биоэлектрические сигналы. Эти сигналы имеют величину и обычно сопровождаются шумами наведением. Для управления приборами обработки информации эти сигналы необходимо усилить до значения нескольких вольт.
Усилители биоэлектрических сигналов применяются при исследовании биоэлектрической активности с последующим графическим отображением исследуемых колебаний или регистрацией их на магнитных носителях с целью последующей машинной обработки и анализа накопленной информации.
Электрические потенциалы возникают не только в нервных тканях и скелетных мышцах, но и во многих других органах и тканях: головном мозге, сетчатке глаза, костном мозге, железах внутренней и внешней секреции (потовых, слюнных, желудочно-кишечных).
1. Назначение и структура кардиографа
1.1 Принцип работы кардиографа
Электрокардиография (ЭКГ) - метод исследования электрической активности сердца. Электрические процессы сердца охватывают диапазон 0,15тАж300 Гц при уровне сигналов, отводимых с поверхности кожных покровов, 0,3тАж3 мВ.
Среди многочисленных инструментальных методов исследования состояния пациентов ведущее место справедливо принадлежит электрокардиографии.
Современные приборы ЭКГ непрерывно совершенствуются, используя успехи развития цифровой техники и разработки новых ИМС, запоминающих устройств (ЗУ) и микропроцессорных систем (МПС).
В клинической практике наиболее широко используют 12 отведении ЭКГ, запись которых обязательна при обследовании больного. Это 3 стандартных отведения, 3 усиленных однополюсных отведения от конечностей и 6 грудных отведений.
Для формирования трех усилительных однополюсных отведений, в качестве отрицательного электрода применяют объединенный электрод Гольдберга, который образуется при соединении двух конечностей через дополнительное сопротивление.
На рис.1.1 показан треугольник Эйнтховена и расположение трех осей усиленных однополюсных отведений от конечностей.



Рисунок 1.1 - треугольник Эйнтховена и расположение трех осей усиленных однополюсных отведений от конечностей
При грудных отведениях регистрируют разность потенциалов между положительным электродом, установленным на поверхности грудной клетки и отрицательным объединенным электродом Вильсона. Этот электрод образуется при соединении через дополнительные сопротивления трех конечностей (правой руки, левой руки и левой ноги), объединенный потенциал, которых близок к 0 (около 0,2 мВ).
Потенциалы грудных отведений обозначаются заглавными буквами V1тАжV6. Для расширения диагностических возможностей ЭКГ применяют 3 дополнительных грудных отведения V7, V8, V9 с установкой электродов на спинной левой поверхности грудной клетки. Анализ формы и амплитуды зубцов кардиограммы в различных отведениях позволяет проводить диагностику с учетом результирующего вектора желудочковой деполяризации сердца. Такую процедуру, несомненно, легче поводить по записанной на бумажную ленту многоканального ЭКГ. Любая ЭКГ состоит из зубцов, сегментов и интервалов, отражающих сложный процесс регистрации волны возбуждения по сердцу.
На кардиограмме выделяются зубцы P, Q, R, S и Т, которые могут изменятся в различных отведениях. Соотношение амплитуд зубцов позволяет определить положение вектора электрической оси сердца и величину угла α.
1.2 Общая структурная схема кардиографа
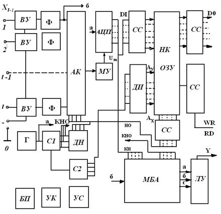
Многоканальный цифровой кардиометр (рис.1.2) предназначен для снятия ЭКГ одновременно по нескольким отведением, преобразования этих сигналов в цифровую форму и записи в ОЗУ для дальнейшего документирования и анализа. Особенностью МЦК является автоматическое измерение основных параметров ЭКГ и логическая обработка результатов измерений. МЦК может, выполнятся как отдельный переносной прибор, так и в виде входного блока стационарного кардиографа.

Рисунок 1.2 - Структурная схема кардиометра
Обозначение блоков кардиометра:
ВУ - входной усилитель;
КНО - код номера отведения;
Ф - фильтр нижних частот;
КИ - код информации;
НО - номер отведения;
АК - аналоговый коммутатор;
МУ - масштабный усилитель;
АЦП - аналогово-цифровой преобразователь;
Г - генератор;
С1 - счетчик-делитель отведения;
С2 - счетчик временных интервалов;
СС - схема согласования;
ДН - дешифратор номера отведения;
ДИ - дешифратор номеров интервалов;
НК - накопитель ОЗУ;
МБА - многоканальный блок анализа;
УК - узел калибровки;
УС - узел сигнализации;
ЛУ - логический узел;
БП - блок питания.
Положительные электроды отведений подключаются на l входов Х1l, сигналы которых усиливаются ВУ и через фильтр подаются на аналоговый коммутатор АК. В качестве фильтра нижних частот можно применять фильтр Баттерворта или другой тип такого звена. Коммутатор на АК подключает каждое из отведений с частотой fk= 100 Гц к АЦП, входные коды которого записываются в ОЗУ. Синхронное управление МЦК выполняется схемой синхронизации (СХС), состоящей из генератора Г задающей частоты fзд, счетчиков делителя С1, С2, дешифратора номеров ДН отведений и дешифратора ДН номеров временных интервалов ЭКГ. Если выбрать соотношение:
Ва(1.1)
то при коэффициенте счета ксч= l на выходах дешифратора ДН будут появляться импульсы с частотой 100 Гц, которые будут переключать сигналы l отведений. Эти же импульсы управляются адресами цифровых слов отведений для записи в ОЗУ.
Счетчик С2 управляет адресом ячеек ОЗУ по временным интервалам. Он изменяет адрес строки НК после записи строки цифровых слов и всех l отведений.
2. Расчёт блоков кардиографа
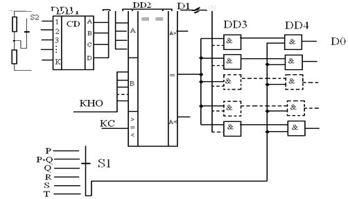
2.1 Схема выбора цифровых кодов элементов ЭКГ (ВЦК)
В процессе получения ЭКГ при цифровом преобразовании сигналов от нескольких отведений возникает необходимость выделить цифровые коды, соответствующие любому отведению и необходимому элементу кардиосигнала. Такую задачу решает схема, показанная на рис.2.1

Рисунок 2.1 - Структурная схема кардиометра
Схема позволяет переключателем S1 задать необходимый элемент ЭКГ и переключателем S2 задать номер необходимого отведения. При этом на выходах логических схем совпадений DD3 - DD4 будут появляться с частотой 100 Гц параллельные цифровые коды заданного элемента ЭКГ.
На схеме DD1 выполнен шифратор номера кода отведения, подаваемая на схему сравнения кодов DD2. На другие входы этой схемы поступает непрерывно изменяющийся код номера отведений КНО. При совпадении этих кодов на входе DD2 появляются импульсы, отпирающие клапаны DD3, на которые подается параллельный входной код DI (date input) с входа АЦП. Для выбора необходимого элемента ЭКГ применена вторая группа логических схем DD4. на нее подаются импульсы необходимого элемента через переключатель S1.
Таким образом, на входе схемы появляется параллельный цифровой код D0 (date output) выбранного участка ЭКГ по заданному номеру ответвления.
Таблица 2.1
| Схема | Используемая микросхема | Функциональное назначение |
| DD1 | К555ИВ3 | Приоритетный шифратор 10-4. |
| DD2 | 564ИП2 | Четырехразрядный компаратор. |
| DD3 | КР530ЛИ1 | Четыре логических элемента 2И |
| DD4 | КР530ЛИ1 | Четыре логических элемента 2И. |
Вместе с этим смотрят:
IP-телефония. Особенности цифровой офисной связи