Расчет соединительной линии звукового вещания
Учреждение Образования Республики Беларусь
Белорусский Государственный Университет
Информатики и Радиоэлектроники
Кафедра систем телекоммуникаций
Факультет телекоммуникаций
ПОЯСНИТЕЛЬНАЯ ЗАПИСКА
к курсовому проекту
на тему
тАЬРасчет соединительной линии звукового вещаниятАЭ
Выполнил: Р.Р. Климов
Руководитель: В.И. Шалатонин
Минск 2002
Содержание
Перечень исходных данных
Назначение СЛ
Принципы корректирования АЧХ Назначение КК
Принципы корректирования
Корректирование с помощью шунта
Корректирование с помощью разделительного трансформатора
Пупинизация
Способы уменьшения влияния внешних помех
Линейно-разделительные и защитные устройства
Обоснование места включения КК
Расчет затухания СЛ и КК
Расчет элементов КК
Литература
Приложение
Перечень исходных данных
Диаметр жил симметричной пары кабеля d=0.8мм
Длина СЛ Ваl=12 км
Параметры кабеля используемого в качестве соединительной линии приведены в таблице 1.
Таблица 1.
| f, Гц | R, Ом | C, нФ | L, мГн | G, мкСм/км |
| 50 | 72.2 | 33 | 0.551 | 0.5 |
| 100 | 72.2 | 33 | 0.551 | 0.75 |
| 300 | 72.2 | 33 | 0.551 | 1.1 |
| 1000 | 72.2 | 33 | 0.551 | 2.6 |
| 3000 | 72.2 | 33 | 0.551 | 9.8 |
| 10000 | 72.2 | 33 | 0.551 | 42.4 |
Остальные данные будут выбираться по справочной литературе по ходу выполнения проекта. Расчёт будем вести для характеристик, соответствующим нормам первого класса качества ГОСТ- 11515-75.
Назначение соединительной линии
Соединительные линии (СЛ) связывают между собой различные территориально разобщённые вещательные аппаратные. Они служат для передачи электрических сигналов вещательных программ из одной аппаратной в другую, а также для контроля дистанционного управления. Иногда по СЛ осуществляют также дистанционное питание необслуживаемых устройств и служебную телефонную связь.

СЛ связывают трансляционные пункты (ТП), находящиеся в зрелищных предприятиях (в театрах и концертных залах) и в спортивных комплексах, с трансляционной (ТА) или центральной аппаратной радиодома (ЦА РД); центральную аппаратную радиодома с коммутационно-распределительной аппаратурой (КРА); коммутационно-распределительную аппаратуру с междугородной вещательной аппаратной междугородной телефонной станцией (МВА МТС), передающим радиоцентром (РЦ) и центральной станцией местного узла проводного вещания (ЦС УПВ); центральную станцию местного узла проводного вещания с усилительными станциями проводного вещания (УПВ) и т.д.
Передавать вещательные сигналы на удаленные от центральной станции ОУС трудно: затухание длинных СЛ превышает норму, а получить необходимое количества прямых СЛ не всегда возможно. В этих случаях предполагается применять промежуточные усилители ПУ (рис.2), устанавливаемые в районных АТС. С их помощью можно осуществить дополнительное усиление сигнала, например, в СЛ, идущей к ОУС-1, разветвлять каналы подачи программ, например к ОУС-2 И ОУС-3, и тем самым экономить некоторое количество СЛ, а также дополнительно резервировать отдельные участки каналов подачи программ, например СЛ к ОУС-4 и ОУС-5.

Кроме промежуточных усилителей, предназначенных для усиления всех программ, на АТС устанавливают усилители сигналов обратного контроля, корректирующие контуры и устройства, служащие для разветвления каналов подачи программ на несколько направлений
В качестве СЛ чаще всего используют на условиях аренды пары городских телефонных кабелей. Поэтому каждая СЛ проходит через кроссировочные стойки (щиты переключений) городских телефонных станций (ГТС) и состоит по крайней мере из двух участков: от одной вещательной аппаратной до ГТС и от ГТС до другой вещательной аппаратной. На участках ЦС УПВ-ОУС (УПС) применяют пары телефонного кабеля с диаметром жил 0,5 и 0,7 мм. На участках КРА-ЕЦ, имеющих большую протяженность, используют пупинизированные кабели с диаметром жил 1,2 и 1,4 мм (пупинизация позволяет обойтись без частотной коррекции), кабели ТЗЭГ с диаметром жил 0,9 мм, ТДСГ с экранированными парами с диаметром жил 1,4 мм. На участках ТП-ЦА и ЦА РД-КРА в зависимости от местных условий используют либо пары специально проложенного вещательного кабеля, либо пары телефонного кабеля. Воздушные линии связи для организации вещательных СЛ не используют ввиду их меньшей надежности и худших параметров качества.
Для передачи сигналов вещательной программы из передвижных ТП применяют радиолинии дециметрового диапазона радиоволн.
Основные параметры качества СЛ:
номинальный диапазон частот
неравномерность амплитудно-частотной характеристики
коэффициент гармоник
защищенность от помех.
Под номинальным диапазоном частот понимают полосу частот от fmin до fmax, в пределах которой неравномерность АЧХ не превышает заданной величины. Неравномерность АЧХ оценивают либо изменениями коэффициента передачи К относительно коэффициента передачи
Вана частоте 1 кГц:
;
либо изменениями затухания СЛ в полосе частот fmin до fmax:
![]()
Очевидно, что первые два параметра тесно связаны между собою и не могут нормироваться отдельно.
Коэффициент гармоник служит мерой нелинейных искажений. Коэффициент гармоник равен отношению эффективного напряжения всех гармоник к эффективному напряжению измерительного синусоидального сигнала на выходе контролируемого канала (звена):

где n тАУ номера гармонических составляющих;
m тАУ номер наивысшей измеряемой гармоники;
Ваи
Ва- соответственно мощность и напряжение гармоники с номером n.
Соединительные линии с проводами из неферромагнитного материала, используемые в диапазоне звуковых частот, и корректирующие контуры, катушки индуктивности которых не имеют ферромагнитных сердечников, являются линейными электрическими цепями. Они не вносят нелинейных искажений.
Линейные трансформаторы (ЛТ), включенные на входе и выходе СЛ, в силу формы своей амплитудной характеристики, повторяющей кривую намагничивания, создают нелинейные искажения как при больших, так и при малых уровнях сигнала. Этой особенностью обладают и катушки индуктивности корректирующих контуров (КК) с ферромагнитными сердечниками. Уменьшения возникающих в этих элементах нелинейных искажений до приемлемой величины достигают конструктивными мерами и выбором уровней сигнала.
Источником нелинейных искажений являются также промежуточные усилители (ПУ). При нормировании коэффициента гармоник ПУ необходимо учитывать особенности корректирования АЧХ СЛ. Например, если АЧХ участка СЛ, следующего после ПУ, исправляют КК, включенным до ПУ, то наибольшая величина
ВаПУ может сместиться в область высших звуковых частот.
Особое положение складывается при передаче по СЛ вещательных сигналов при помощи модулированных по амплитуде токов высокой частоты. Различие затухания СЛ в области нижней и верхней боковых полос модуляции и наличие фазо-частотных искажений в этой области вызывают асимметрию спектра AM колебания, а это, в свою очередь, вызывает нелинейные искажения при последующем детектировании. При таком использовании СЛ нужно нормировать величину
.
Влияние помех оценивают с помощью понятия "защищенность":
![]()
где
Ва- номинальная мощность сигнала;
- номинальное действующее значение напряжения сигнала на частоте I кГц;
Ва- мощность помехи;
- действующее значение напряжения помехи.
Различают интегральную помеху, когда напряжение помех измеряют вольтметром с квадратичной характеристикой, и пcофометрический шум, когда напряжение помех измеряют псофометром - вольтметром с нормированными параметрами зарядно-разрядной цепи и взвешивающим фильтром, учитывающим различную чувствительность слуха к звукам разных частот. Для оценки влияния переходных помех, наводимых из одного канала в другой, пользуются понятием защищенности от внятной переходной помехи. Требуемая защищенность определяется уровнем помех в канале.
Норма на уровень помех в СЛ устанавливается с учетом помех, обусловленных линейными переходами от соседних пар кабеля, и помех от систем уплотнения СЛ, служащих для дистанционного управления и контроля, а также о учетом уровня вещательного сигнала, передаваемого по СЛ. В свою очередь, норма на уровень вещательного сигнала обусловлена применяемым способом корректирования АЧХ и допустимой величиной помехи от СЛ другим парам кабеля. Все нормы на параметры качества СЛ взаимосвязаны, поэтому их устанавливают совместно, комплексно.
Не все пары кабелей ГТС пригодны для передачи вещательных сигналов, поскольку обладают недостаточным переходным затуханием. Для организации вещательных СЛ выбирают те пары кабелей ГТС, которые обладают наибольшей величиной переходного затухания по отношению к соседним парам и наименьшей величиной асимметрии.
Нормы параметров качества СЛ в соответствии с ГОСТ 11515-75 приведены в табл.2.
Таблица 2.
Нормы параметров качества соединительной линии звукового вещания
| Параметры качества | Классы качества | |||
| Высший | Первый | Второй | ||
| Номинальный диапазон частот, Гц | 30-15000 | 50-1000 | 100-6300 | |
| В области частот от | +0.5 -1.0 -0.5 | +1.0 -2.0
| +1.0 -2.0
|
| Защищённость от интегральной помехи, дБ | 66 | 60 | 57 | |
| Защищённость от псофометрического шума, дБ | 64 | 60 | 57 | |
| Защищённость от внятной переходной помехи, дБ | 74 | 70 | 60 | |
Принципы корректирования АЧХ. Назначение корректирующих контуров
Звенья вещательных каналов вносят амплитудно-частотные искажения. Это означает, что их коэффициент передачи или затухание является функцией частоты и частотная характеристика коэффициента передачи отличается от горизонтальной прямой.
Во многих вещательных устройствах величину амплитудно-частотных искажений, проявляющихся как спад коэффициента передачи на крайних частотах, сводят к нормированному значению рациональным построением электрической схемы, выбором величин ее элементов и режима работы, применением отрицательной обратной связи. Но амплитудно-частотные характеристики некоторых звеньев вещательного канала, соединительных линий, устройств звукозаписи и звуковоспроизведения, междугородных линий, линий проводного вещания не имеют горизонтального участка. В этих случаях амплитудно-частотные искажения уменьшают, включая в вещательный канал особую цепьтАФкорректирующий контур КК.
Принципы корректирования
Амплитудно-частотная характеристика КК должна быть такой, чтобы общая амплитудно-частотная характеристика искажающего звена и. КК в заданной полосе частот от fmax до fmin была горизонтальной прямой. Итак, условие частотной коррекции искажающего звена:
Ваили
Вапри ![]()
где
Ваи
Ва- соответственно коэффициент затухание (передачи) искажающего звена и корректирующего контура.
К методам корректирования амплитудно-частотных искажений по техническим приемам и способам расчета близки методы частотных предыскажений. Частотными предыскажениями называют искусственное искажение спектра вещательного сигнала с целью улучшения ОСШ. Частотные предыскажения широко применяют в каналах подачи вещательных программ, например в соединительных линиях, в устройствах звукозаписи, в радиовещании с частотной модуляцией.
Поскольку СЛ включают в вещательный канал в различных произвольных комбинациях, их рассматривают как самостоятельные звенья канала. Нежелательна компенсация амплитудно-частотных искажений, вносимых СЛ, в других звеньях канала - ЛУ или ПУ, так как в том случае невозможно маневрировать усилителями и СЛ и присоединять к любому усилителю любую СЛ. Каждая СЛ должна быть скорректирована, независимо от других звеньев канала. Идентичность АЧХ скорректированных СЛ облегчает их эксплуатацию и взаимное резервирование. АЧХ скорректированной СЛ должна укладываться в пределы шаблона:

![]()
В СЛ применяют принципиально иные метода корректирования АЧХ, чем в линиях проводного вещания. Ввиду большого количества СЛ, последовательно включаемых в вещательный канал, требуется высокая точность корректирования (см. табл. 1).
Соединительные линии нагружены на активное сопротивление, величина которого соизмерима с модулем волнового сопротивления СЛ. В этих условиях затухание СЛ
Вамонотонно возрастает с частотой. Физически это явление может быть объяснено с помощью эквивалентной схемы.

Она справедлива, если длина линии не превосходит четверти длины волны передаваемого сигнала
, т.е. при электрически короткой линии. Сопротивление проводов линии
Вавместе с сопротивлением
, образованным сопротивлениями активных и емкостных утечек между проводами линии, и сопротивлением нагрузки
Ваобразуют делитель напряжения. С увеличением частоты модуль
Ваувеличивается, а модуль
Вауменьшается. Поэтому коэффициент передачи этой цепи с увеличением частоты уменьшается, а затухание растет.
Дополнительные амплитудно-частотные искажения возникают из-за изменения входного сопротивления соединительной линии по диапазону частот. Поскольку СЛ является нагрузкой ЛУ, изменения входного сопротивления СЛ приводят к изменению падения напряжения на внутреннем сопротивлении источника вещательного сигнала - ЛУ. Но при малой величине внутреннего сопротивления ЛУ эти искажения незначительны, и их не учитывают.
Для корректирования АЧХ СЛ используют особый четырехполюсник с сосредоточенными параметрами - корректирующий контур (КК). Его затухание
Вав рабочем диапазоне частот должно изменяться так, чтобы общее затухание СЛ и КК
Ване зависело от частоты. Предположение, что общее затухание СЛ и КК равно сумме затуханий
Ваи
Васправедливо лишь в том случае, когда входное сопротивление КК постоянно в рабочем диапазоне частот и равно сопротивлению нагрузки
. В противном случае при подключении КК к СЛ изменится нагрузка СЛ и изменится ее затухание.
Наибольшее затухание КК должен вносить на низшей рабочей частоте
. До частот 500-700 Гц затухание должно оставаться примерно постоянным, а затем плавно спадать до нуля на высшей рабочей частоте
.Физические свойства СЛ и КК различны; линия - четырехполюсник с распределенными параметрами, КК,- четырехполюсник с сосредоточенными параметрами. Поэтому достичь с помощью КК полной компенсации амплитудно-частотных искажений, вносимых СЛ, невозможно.
Чем больше будет взято точек на оси частот, для которых затухание КК должно совпасть с затуханием, полученным из идеализированной кривой
, тем сложнее схема КК.
КК должен иметь минимальное количество настраиваемых (подбираемых) элементов. На высшей частоте затухание КК должно приближаться к нулю. Включение КК не должно изменять частотной характеристики затухания сопряженного с ним звена, в данном случае, СЛ, иначе частотное корректирование превратиться в сложный и трудоемкий процесс эмпирического подбора элементов КК. При включении КК в конце СЛ следует применять КК с постоянным входным сопротивлением, а при включении в начале СЛ - с минимальным выходным сопротивлением. Уменьшение выходного сопротивления КК желательно и при включении КК в конце СЛ, так как при этом уменьшаются напряжения внешних помех наводимые на входную цепь усилителя, следующего после КК. Постоянство входного сопротивления полезно и в тех случаях, когда КК включен перед СЛ, так как это стабилизирует режим ЛУ.
Следовательно, КК должен иметь постоянное входное сопротивление, минимальное выходное сопротивление, минимальное затухание на высшей рабочей частоте и наименьшее количество настраиваемых элементов.
Основные схемы КК:

Простейший двухполюсник, включаемый в цепь последовательно с нагрузкой или параллельно нагрузке, не дает хорошего корректирования, так как входное сопротивление такого КК зависит от частоты и изменяет ход частотной характеристики СЛ.
Полный параллельный контур обладает постоянным входным сопротивлением и большим выходным сопротивлением, изменяющимся с частотой. Полный последовательный контур имеет постоянное входное сопротивление и небольшое выходное сопротивление, также изменяющееся с частотой. По этой причине полный последовательный контур наиболее пригоден для корректирования СЛ. Т-образный мостовой контур обеспечивает постоянство входного сопротивления, но его выходное сопротивление больше, чем у полного последовательного. Поэтому он менее подходит для корректирования СД, хотя в типовой аппаратуре встречается довольно часто.
Степень сложности двухполюсников
, и
Вазависит от требуемой точности корректирования. Если двухполюсники
Ваи с содержат по два элемента, причем
, образован параллельным соединением активного сопротивления и емкости,
Ва-последовательным соединением активного сопротивления и индуктивности, то расчетная характеристика затухания совпадет с идеализированной в двух точках тАУ на
Ва(практически, в области низших частот) и на
. Если
,
Ва- трехэлементные, то совпадение получается в трех точках. При повышении требований к точности корректирования АЧХ одного КК оказывается недостаточно. Тогда используют два и более КК, причем дополнительные КК служат для корректирования неравномерности АЧХ, остающейся после введения первого КК.
Усложнение КК по экономическим причинам нежелательно. Поэтому обычно ограничиваются условием совпадения идеализированной и расчетной кривой затухания КК в трех точках, в качестве которых берут
,
и одну промежуточную. Расчетные формулы существенно упрощаются, если в качестве промежуточной точки принять частоту
, на которой затухание КК равно половине максимального
.
Схемы двухполюсников
Ваи
Васинтезируют на основе следующих соображений.
В области низших частот сопротивления
Ваи
Вадолжны быть чисто активными. На высшей расчетной частоте
, должно обращаться в нуль, а
Ваприближаться к бесконечности. Этого можно достичь, выполнив
Вав виде последовательного, a
Вав виде параллельного колебательного контура. Резонансные частоты контуров должны быть равны и совпадать с высшей частотой рабочего диапазона
. Затухание КК в области низших частот определяется соотношением
Ваи
:
![]()
Крутизна частотной характеристики затухания КК растет с увеличением отношения
, соответственно при этом увеличивается частота половинного затухания
. Потери в колебательных контурах уменьшает точность корректирования на высших частотах. Поэтому катушки индуктивности
Ваи
Вадолжны иметь возможно меньшее активное сопротивление. Конденсаторы
Ваи
Вадолжны иметь малые диэлектрические потери.
К методам корректирования амплитудно-частотных искажений по техническим приемам и способам расчета относятся:
Корректирование с помощью шунта (согласующего сопротивления)
АЧХ электрически короткой воздушной корректируют путём включения в конце линии активного сопротивления
.

Включение
Ваувеличивает затухание линии, в результате чего режим линии на высших частотах приближается к режиму бегущей волны. Однако наличие
Васнижает коэффициент передачи на других частотах. Чтобы шунт действовал только в области высших частот, последовательно с
Вавводят ёмкость
, играющую роль своеобразного ключа, размыкающего цепь коррекции для токов средних и низших частот. Коэффициент передачи имеет наименьшую величину
Вана низшей частоте
, а наибольшую -
Вана
. После включения
Вакоэффициент передачи на высшей частоте уменьшается до некоторого значения
.
Элементы шунта выбирают на следующей основе. Полное сопротивление шунта
![]()
на
Вадолжно быть близко к
, а в области средних и низших частот в несколько раз превосходить
.Такие соотношения получаются в том случае, если выбрать постоянную времени шунта равной приблизительно одной трети периода
, соответствующего высшей частоте расчётной полосы пропускания:
![]()
При большой длине линии полезно согласовать линию на высших частотах. Для этого в конце линии включают сопротивление, равное эквивалентному сопротивлению на высших частотах с учётом распределённых нагрузок:
. Из-за больших величин сопротивлений нагрузок эквивалентное сопротивление
Вана
Ваблизко к волновому сопротивлению линии без нагрузки
. Применение этого метода в длинных линиях может привести к спаду частотной характеристики К на высших частотах. Чтобы уменьшить опасность спада АЧХ, полезно взять величину согласующего сопротивления больше
, т.е. допустить некоторое рассогласование.
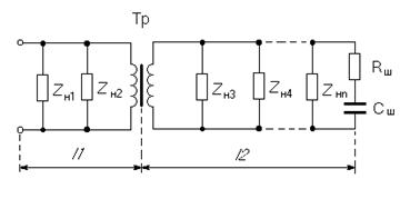
Корректирование с помощью разделительного трансформатора
Если длина воздушной линии велика и включение шунта приводит к спаду АЧХ в области высших частот, выходящему за допустимые пределы целесообразно применить дополнительную коррекцию с помощью трансформатора Тр, разделяющего линию на 2 участка: первый тАУ длиной
Ваи второй
Ва- электрически длинный.

Разделительный трансформатор служит для того, чтобы ослабить шунтирующее действие собственной проводимости второго участка. Он должен быть понижающим, чтобы уменьшить величину пересчитанного в первичную обмотку значения проводимости. Если коэффициент трансформации выбрать таким образом, чтобы получит значительное ослабление влияния проводимости на высших частотах, то режим участка
Вана высших частотах будет приближен к режиму холостого хода. В результате на участке
Ваполучится подъём частотной характеристик. К на высших частотах, который до некоторой степени скомпенсирует спад частотной характеристики К на высших частотах на участке
. Уменьшение рабочего напряжения на участке
, возникающее из-за включения понижающего трансформатора, компенсируют повышением напряжения на участке
. Величину коэффициента трансформации ограничивают величиной 0.5 (1:2). Уменьшение коэффициента трансформации от 0.5 до 0.25 даёт прибавку К менее чем на 25% (около 2 дБ). Дальнейшее снижение коэффициента трансформации выигрыша практически не даёт. К тому же при меньших значениях коэффициента трансформации пришлось бы чрезмерно повысить рабочее напряжение на участке
.
На втором участке на высших частотах благодаря наличию шунта
Васохраняется режим бегущей волны. Поэтому можно не опасаться появления узлов и пучностей напряжения на этом участке.
Пупинизация
Хевисайд показал, что минимальное значение коэффициента затухания
Ваполучилось бы в том случае, если бы удалось выполнить условие
Ваили ![]()
Неравномерность частотной характеристики затухания в этом случае также была бы наименьшей. В реальных линиях L/R Уменьшение R или С тАУ экономически не выгодно. Первый связан с возрастанием расхода металла при увеличении диаметра проводов или при применении более дорого металла тАУ меди вместо стали; второй тАУ с применением более сложных конструкций линий. Для уменьшения ёмкости необходимо увеличивать расстояние между проводами. На воздушных линиях это связано с применением траверс вместо штырей, на кабельных тАУ с увеличением толщины изоляции, следовательно, с увеличением диаметра кабеля. Можно приблизиться к условию, искусственно увеличив индуктивность линии. Физически обоснованием этого является следующее. Коэффициент затухания Формула в полосе звуковых частот является недостаточно точной, но она наглядно показывает зависимость затухания от L. С ростом L первое слагаемое уменьшается, а второе увеличивается. Существует некоторое оптимальное значение Существует несколько способов искусственного увеличения индуктивности линии: пупинизация, т.е. включение в линию через равные промежутки S сосредоточенных индуктивностей По электрическим свойствам пупинизированная линия аналогична ФНЧ. В полосе частот ниже так называемой предельной частоты пупинизации (в полосе пропускания) затухание линии мало, а выше этой частоты велико. где Коэффициент затухания пупинизированной линии в два с лишним раза меньше коэффициента затухания аналогичной по конструкции непупинизированной линии. Лишь на частотах, близких к предельной, он резко возрастает и становиться даже больше, чем у непупинизированной линии. Модуль характеристического сопротивления пупинизированной линии пости в три раза больше модуля волнового сопротивления аналогичной по конструкции непупинизированной линии и в рабочем диапазоне частот изменяется значительно меньше, чем Чтобы уменьшить амплитудно-частотные искажения при передаче по пупинизированной линии, обычно используют диапазон частот от 0 до Способы уменьшения влияния внешних помех Норма на относительный уровень помех в СЛ весьма жестка. Для различных видов она составляет от -63 до -85 дБ. Для того чтобы выполнить ее, приходится прибегать к различны
Вместе с этим смотрят: IP-телефония. Особенности цифровой офисной связи
Ваможно представить в виде двух составляющих -
Ваи
, первая из которых обусловлена потерями в проводах, а вторая тАУ в диэлектрике (изоляции):![]()
Вапри котором
Вапроходит через минимум.
, крарупизация - обматывание жил кабеля ферромагнитной проволокой или лентой. В технике проводного вещания получил распространение метод пупинизация.
![]()
Ва- индуктивность, приходящаяся на участок линии, равный шагу пупинизации S, а CS тАУ ёмкость между проводами на участке длиной S.
. Возрастание
Ваприводит к увеличению
Ваи при неизменном входном напряжении к уменьшению потребления мощности.![]()