Расчет устройства для измерения параметров реле
Принцип работы и основные технические характеристики электромеханических измерительных приборов во многом зависят от вида преобразователя, обеспечивающего преобразование энергии электрического измерительного сигнала в механическую энергию перемещения подвижной части измерительных приборов.
Общим для всех электромеханических измерительных приборов является то, что они состоят из неподвижной и подвижной частей и ряда общих деталей и узлов. Подвижная часть в большинстве преобразователей может совершать угловое перемещение вокруг неподвижной оси. Механический момент, возникающий в результате воздействия на преобразователь измерительного сигнала и обусловливающий поворот его подвижной части в соответствии со значением измеряемой величины, называется вращающим моментом MВР. Этот момент должен однозначно зависеть от преобразуемой величины X и в общем случае от угла a поворота подвижной части измерительного прибора:
MВР = f(X, a). ВаВаВаВаВаВаВаВаВаВаВаВаВаВаВаВаВаВаВаВаВаВаВаВаВаВаВаВаВаВаВаВаВаВаВаВаВаВаВаВаВаВаВаВаВаВаВаВаВаВаВаВаВаВаВаВаВаВаВаВаВаВаВаВаВаВаВаВаВаВаВаВаВаВаВаВаВаВаВаВаВаВаВаВа (1)
В зависимости от варианта преобразования различают приборы:
1) магнитоэлектрические;
2) электромагнитные
3) электростатические приборы;
3) электродинамические;
4) индукционно-измерительные.
Магнитоэлектрические преобразователи выделяются среди других групп электромеханических преобразователей широтой и разнообразием применения, высокими метрологическими характеристиками, а также многотипностью. Отечественной промышленностью серийно выпускаются магнитоэлектрические преобразователи вплоть до класса точности 0,05 и с минимальным током полного отклонения до 0,1 мкА.
Электростатические приборы обладают целым рядом отличительных особенностей, обусловливающих их значительные преимущества по сравнению с приборами других систем. Это, прежде всего, малое собственное потребление мощности от источника измеряемого напряжения, сравнительно высокая точность, возможность использования их в широком диапазоне частот (от 20 Гц до 35 МГц), незначительная зависимость показаний от частоты и формы кривой измеряемых напряжений, возможность использования для непосредственного измерения (без применения измерительных трансформаторов напряжения) высоких напряжений (до 300 кВ), независимость показаний от внешних магнитных полей и др. К основным недостаткам этих приборов относятся: сильная зависимость показаний от внешних электрических полей, малое значение вращающего момента и низкая чувствительность, неравномерная шкала и др.
Электростатические приборы наиболее широко используются в электроизмерительной технике в виде различных вольтметров. Кроме того, для измерения напряжения и других функционально связанных с ним величин (мощность, сопротивление и т.п.) используются так называемые электрометры электростатической системы.
Для измерения низких напряжений (от десятков до сотен вольт) используются преимущественно вольтметры, созданные на базе ИП с изменяющейся активной площадью пластин. При этом для обеспечения достаточной чувствительности расстояние между подвижными и неподвижными пластинами делается очень малым (десятые доли миллиметра) и при случайных ударах, толчках, вибрации и т.д. возникает опасность короткого замыкания пластин, а значит и источника измеряемого напряжения. Для предохранения преобразователя от выхода из строя вследствие протекания через него больших токов при коротком замыкании внутрь низковольтных вольтметров встраивается защитный резистор, ограничивающий эти токи.
Данный прибор будет использоваться в лаборатории электронной техники при проведении лабораторных работ.
1 Анализ технического задания
1.1 Анализ технического задания
На сегодняшнее время электромагнитные реле являются основными элементами в устройствах автоматики и телемеханики на транспорте. Несмотря на интенсивное развитие и широкое внедрение современных интегральных микросхем, микропроцессорной и вычислительной техники в устройства автоматики, электромагнитные реле продолжают оставаться главными и наиболее массовыми элементами систем регулирования движением на перегонах и станциях. В экономически развитых странах не только продолжают эксплуатироваться устройства автоматики, содержащие десятки миллионов электромагнитных реле, но и ведутся разработки новых типов реле. Такое широкое применение электромагнитных реле в устройствах автоматики на транспорте обусловлено их следующими преимуществами по сравнению с полупроводниковыми приборами:
- высокая надежность работы в сложных климатических условиях;
- полный электрический разрыв коммутируемых цепей при разомкнутых контактах, и малое, стабильное переходное сопротивление при замкнутых контактах;
- отсутствие гальванической связи между управляющими и выходными цепями, а также возможность одновременно коммутировать несколько независимых электрических цепей с различными напряжениями и токами;
- простота эксплуатации, не требующая для обслуживания высококвалифицированного персонала и применения сложных и дорогостоящих измерительных приборов;
- высокая помехозащищенность от атмосферных разрядов, тяговых токов, воздействия радиации, резких колебаний питающих напряжений.
Электромагнитные реле, эксплуатирующиеся в устройствах автоматики, должны удовлетворять большому количеству различных эксплуатационно-технических требований (ЭТТ), которые часто являются противоречивыми и полностью не могут быть удовлетворены в одной универсальной конструкции.
Все параметры электромагнитных реле можно разделить на три типа : электрические, временные и механические.
К электрическим параметрам электромагнитного реле относятся: напряжение (ток) срабатывания реле; напряжение (ток) отпускания реле; рабочее напряжение (ток) реле; напряжение (ток) перегрузки реле; сопротивление обмотки реле; переходное сопротивление замкнутых контактов; коэффициент запаса; коэффициент возврата (коэффициент безопасности).
К временным параметрам электромагнитного реле относятся: время срабатывания реле; время отпускания реле.
К механическим параметрам любых электромагнитных реле относятся: высота антимагнитного штифта; ход якоря; межконтактный зазор; контактное давление; неодновременность замыкания или размыкания контактов; совместный ход контактов.
Кроме перечисленных параметров, работу электромагнитного реле характеризуют механическая и тяговая характеристики. Механическая характеристика реле тАУ это зависимость механических усилий, преодолеваемых якорем при его движении, от хода якоря. Тяговая характеристика - это зависимость электромагнитной силы притяжения создаваемой электромагнитом реле, от величины воздушного зазора между якорем и сердечником при постоянной магнитодвижущей силе.
Анализ развития схемотехники современных устройств автоматики и за рубежом показывает, что электромагнитные реле будут применяться еще достаточно длительный период времени.
Это, прежде всего, связано с тем что, схемотехника устройств автоматики весьма консервативна, так как от ее работы зависит безопасность перевозочного процесса. Поэтому внедрение любого нового устройства или модернизация старого оборудования требуют тщательных испытаний на безопасность, как в лабораторных, так и эксплуатационных условиях. К тому же до сих пор не разработано полупроводниковых элементов, являющихся по надежности равноценной заменой электромагнитных реле первого класса надежности, обеспечивающих безопасность движения поездов.
Существует большое количество разновидностей и типов реле, но все они имеют две основные части:
1) воспринимающую часть, которая реагирует на изменение определенного вида физической энергии;
2) исполнительную часть, которая непосредственно производит скачкообразное изменение тока в выходной цепи.
В технике используется большое количество разновидностей и типов реле, отличающихся конструкцией, принципом работы и т.п. Поэтому в основу классификации реле можно брать различные признаки. По виду физической природы энергии, на которую реагирует воспринимающая часть, все реле можно разбить на следующие классы: электрические, механические, тепловые, оптические, пневматические, акустические, жидкостные и газовые.
Электрические реле тАУ это реле, воспринимающая часть которых реагирует на один из видов электрической энергии. Электрические реле, по принципу устройства воспринимающей части, делятся на: нейтральные; электромагнитные реле; поляризованные электромагнитные реле; магнитоэлектрические реле; электродинамические реле; индукционные реле; полупроводниковые реле. Нейтральным электромагнитным реле называют реле, действие которого основано на взаимодействии магнитного поля, создаваемого электромагнитом, и якоря, выполненного из ферромагнитного материала.
Действие нейтрального электромагнитного реле зависит только от значения тока, протекающего в обмотке электромагнитного реле, и не зависит от направления этого тока.
Электромагнитные реле, эксплуатирующиеся в устройствах автоматики, должны удовлетворять большому количеству различных эксплуатационно-технических требований (ЭТТ), которые часто являются противоречивыми и полностью не могут быть удовлетворены в одной универсальной конструкции.
Все параметры электромагнитных реле можно разделить на три типа : электрические, временные и механические.
К электрическим параметрам электромагнитного реле относятся: напряжение (ток) срабатывания реле; напряжение (ток) отпускания реле; рабочее напряжение (ток) реле; напряжение (ток) перегрузки реле; сопротивление обмотки реле; переходное сопротивление замкнутых контактов; коэффициент запаса; коэффициент возврата (коэффициент безопасности).
К временным параметрам электромагнитного реле относятся: время срабатывания реле; время отпускания реле; время перелета якоря из одного положения в другое.
К механическим параметрам любых электромагнитных реле относятся: высота антимагнитного штифта; ход якоря; межконтактный зазор; контактное давление; неодновременность замыкания или размыкания контактов; совместный ход контактов.
Кроме перечисленных параметров, работу электромагнитного реле характеризуют механическая и тяговая характеристики. Механическая характеристика реле тАУ это зависимость механических усилий, преодолеваемых якорем при его движении, от хода якоря. сердечником при постоянной магнитодвижущей силе.
1.2 Разработка структурной схемы

Рисунок 1- Структурная схема
Трансформатор представляет собой сердечник из тонких стальных изолированных одна от другой пластин, на котором помещаются две, а иногда и больше обмоток из изолированного провода. Обмотка, к которой присоединяется источник электрической энергии переменного тока, называется первичной обмоткой, остальные обмотки тАУ вторичными.
Если во вторичной обмотке трансформатора намотано в три раза больше витков, чем в первичной, то магнитное поле, созданное в сердечнике первичной обмоткой, пересекая витки вторичной обмотки, создаст в ней в три раза больше напряжение.
Применив трансформатор с обратным соотношением витков, можно так же легко и просто получить пониженное напряжение.
С допустимой для практики точностью можно считать, что отношение числа витков первичной обмотки к вторичной равно отношению приложенного напряжения к выходному.
Это отношение, называемое коэффициентом трансформации, обычно сокращают на меньшее из чисел, и тогда коэффициент трансформации получают в виде отношения единицы к некоторому числу (1:4; 1:50) или, наоборот, некоторого числа к единице (4:1; 50:1).
В радиоаппаратуре трансформаторы используются в первую очередь в питающих устройствах, позволяющих питать приемники от осветительной сети переменного тока.
Такие трансформаторы называются силовыми. Кроме того, трансформаторы используются для понижения и повышения напряжения различной частоты в усилителях и радиоприемниках.
Для низких (звуковых) частот эти трансформаторы изготовляются с сердечниками из листовой стали. Для токов сравнительно высокой частоты трансформаторы, как и катушки индуктивности, делаются или совсем без стальных сердечников или с сердечниками из магнетита, альсифера, карбонильного железа и других специальных металлов.
Иногда для экономии провода и стали применяют трансформаторы, в которых одна обмотка является частью другой, то есть гальванической развязки между входной и выходной цепью нет. Такие трансформаторы, называют автотрансформаторами, они могут повышать напряжение, для чего обмотка, включаемая в сеть, должна составлять часть обмотки, дающей выходное напряжение, и понижать его, для чего обмотка, с которой снимается напряжение, должна составлять часть сетевой обмотки.
Применение автотрансформаторов в радиоприемниках связано с некоторыми неудобствами, поэтому в любительских и улучшенных промышленных радиоприёмниках автотрансформаторы широкого распространения не получили. В основном они нашли применение в дешевых массовых промышленных приемниках, а также в качестве устройств для поддержания необходимого напряжения при питании радиоприемников от осветительной сети, напряжение которой подвержено колебаниям.
В данном устройстве представлен трансформатор переменного тока 220/25В.
Выпрямитель электрического тока тАФ преобразователь электрической энергии; механическое, электровакуумное, полупроводниковое или другое устройство, предназначенное для преобразования переменного входного электрического тока в постоянный выходной электрический ток.
Двухполупериодный выпрямитель может строиться по мостовой или полумостовой схеме (когда, например, в случае выпрямления однофазного тока, используется специальный трансформатор с выводом от средней точки вторичной обмотки и вдвое меньшим количеством выпрямляющих ток элементов). Такая схема ныне применяется редко, так как более металлоёмка и имеет большее эквивалентное активное внутреннее сопротивление, то есть большие потери на нагрев обмоток трансформатора. При построении двухполупериодного выпрямителя со сглаживающим конденсатором следует всегда помнить, что переменное напряжение всегда измеряется в ВлдействующемВ» значении, которое в 1,41 раза меньше его максимальной амплитуды, а выпрямленное напряжение на конденсаторе, в отсутствии нагрузки, будет всегда равно амплитудному. Это означает, что, например, при измеренном напряжении однофазного переменного тока 12 вольт до мостового однофазного выпрямителя со сглаживающим конденсатором, на конденсаторе, (в отсутствии нагрузки), будет напряжение до 17 вольт.
Под нагрузкой выпрямленное напряжение будет ниже, (но не ниже величины действующего напряжения переменного тока, если внутреннее сопротивление трансформатора тАФ источника переменного тока тАФ принять равным нулю) и зависеть от ёмкости сглаживающего конденсатора.
Соответственно, выбор величины переменного напряжения вторичной обмотки трансформатора, должен строиться исходя из максимальной допустимой величины подаваемого напряжения, а ёмкость сглаживающего конденсатора тАФ должна быть достаточно большой, чтобы напряжение под нагрузкой не снизилось меньше минимально допустимого.
На практике также учитывается неизбежное падение напряжения под нагрузкой тАФ на сопротивлении проводов, обмотке трансформатора, диодах выпрямительного моста, а также возможное отклонение от номинального величины питающего трансформатор напряжения электрической сети.
Электролитические конденсаторы применяются для сглаживания пульсаций, накопления энергии или фильтрации пульсирующего напряжения. Переменное напряжение вызывает потери мощности и нагрев конденсатора. Перегрев конденсатора, в свою очередь, является основным фактором, определяющим его срок службы. Срок службы имеет экспоненциальную зависимость от температуры. В конденсаторах с жидким электролитом перегрев приводит к усиленному испарению электролита, соответственно, увеличивается вероятность скорейшего выхода из строя.
Электролитические и оксидно-полупроводниковые конденсаторы. Такие конденсаторы отличаются от всех прочих типов, прежде всего своей огромной удельной ёмкостью. В качестве диэлектрика используется оксидный слой на металлическом аноде. Вторая обкладка (катод) тАФ это или электролит (в электролитических конденсаторах), или слой полупроводника (в оксидно-полупроводниковых), нанесённый непосредственно на оксидный слой. Анод изготовляется, в зависимости от типа конденсатора, из алюминиевой, ниобиевой или танталовой фольги или спечённого порошка.
Если соединить транзисторы, то полученная схема будет работать как один транзистор, причем его коэффициент β будет равен произведению коэффициентов β составляющих транзисторов. Этот прием полезен для схем, работающих с большими токами (например, для стабилизаторов напряжения или выходных каскадов усилителей мощности) или для входных каскадов усилителей, если необходимо обеспечить большой входной импеданс.
В таком соединении транзисторов падение напряжения между базой и эмиттером в два раза больше обычного, а напряжение насыщения равно по крайней мере падению напряжения на диоде (так как потенциал эмиттера транзистора VТ1 должен превышать потенциал эмиттера транзистора VТ2, на величину падения напряжения на диоде).
Кроме того, соединенные таким образом транзисторы ведут себя как один транзистор с достаточно малым быстродействием, так как транзистор VT1 не может быстро выключить транзистор VТ2. С учетом этого свойства обычно между базой и эмиттером транзистора VТ2 включают резистор. Резистор предотвращает смешение транзистора VТ2 в область проводимости за счет токов утечки транзисторов VТ1 и VТ2.
Сопротивление резистора выбирают так, чтобы токи утечки (измеряемые в наноамперах для малосигнальных транзисторов и в сотнях микроампер для мощных транзисторов) создавали на нем падение напряжения, не превышающее падения напряжения на диоде, и вместе с тем чтобы через него протекал ток малый по сравнению с базовым током транзистора VТ2.
2 Разработка схемы электрической принципиальной
2.1 Разработка схемы электрической принципиальной
В качестве источников питания в ряде случаев применяют простейшие выпрямители, состоящие из силового трансформатора и блока вентилей, собранного по определенной схеме выпрямления. Высокие технико-экономические показатели, простота конструкции, почти полное отсутствие обслуживания и эксплуатационная надежность обеспечивают широкое распространение подобных выпрямителей.
Нестабилизированные выпрямители могут использоваться как источники питания цепей управления, как стартерные выпрямители, а также для питания цеховых сетей постоянного тока.
Мощность выпрямителей без стабилизации выходного напряжения лежит в пределах от единиц до нескольких сотен киловатт, а выходное напряжение соответствует обычно стандартному ряду напряжений источников постоянного тока. Многие выпрямители имеют подрегулировку выходного напряжения, производимую с помощью ответвлений на обмотках силового трансформатора. Неглубокая (в пределах В±10%) подрегулировка выходного напряжения обеспечивается переключением ответвлений, размещенных на первичной обмотке трансформатора, более глубокое ступенчатое регулирование тАФ ответвлениями вторичной обмотки. Такое регулирование либо приводит к обесточиванию нагрузки на время переключения, либо требует установки сложных контакторных схем.
Внешняя характеристика выпрямителя определяется активными и индуктивными сопротивлениями питающиеся от обмоток силового трансформатора и прямым падением напряжения на вентилях. Несовпадение внешних характеристик однотипных выпрямителей затрудняет их параллельную работу. Четкая параллельная работа может быть достигнута только в стабилизированных выпрямителях.
Однако в частных случаях возможно включение двух нестабилизированных выпрямителей в параллель после выравнивания выходного напряжения в области номинального тока подбором сопротивления подводящего кабеля.
Последовательное соединение выпрямителей не вызывает затруднений.
Выпрямители с нестабилизированным выходным напряжением имеют небольшой коэффициент пульсаций. Однако следует помнить, что величина его при питании выпрямителя от источника соизмеримой мощности может превысить расчетное значение и составлять, к примеру, 10% для трехфазной мостовой схемы выпрямления. Такое увеличение пульсаций вызвано искажением формы кривой питающего напряжения и его несимметрией.
Многие потребители энергии постоянного тока нуждаются в стабилизированных по напряжению источниках питания.
Например, для обеспечения нормального режима работы электронных ламп различные радиотехнические устройства должны получать питание от стабилизаторов напряжения.
Применение силовых выпрямителей со стабилизацией выходного напряжения в ряде случаев позволяет объединить питание приводов с питанием электронной аппаратуры-управления и контроля, что значительно упрощает схему энергоснабжения. Стабилизированные по напряжению выпрямители используются как источники опорного напряжения в системах автоматического управления и как источники питания, обеспечивающие заданное протекание технологического процесса. Поскольку в настоящее время промышленность выпускает выпрямители с дроссельным и тиристорным регулированием, ниже будут описаны как дроссельные, так и тиристорные выпрямители со стабилизацией выходного напряжения.
Важным параметром выпрямителей со стабилизацией выходного напряжения является наклон внешней характеристики при разомкнутой системе автоматического регулирования. Он определяет максимальный угол регулирования выпрямителя и энергетические показатели агрегата.
У выпрямителей с дроссельным регулированием коэффициент наклона лежит, в пределах 1,35тАФ1,2. Большее значение коэффициента соответствует меньшим выходным напряжениям. С ростом мощности агрегатов коэффициент, наклона несколько уменьшается.
Стабилизация напряжения в агрегатах, регулируемых дросселями насыщения или тиристорами, начинается с некоторой минимальной нагрузки Idmin. В случае дроссельного регулирования минимальный ток нагрузки не превышает 5% Idmin . Эта величина является гарантийной, практически же минимальный ток часто составляет 2тАФ3% Idmin . В агрегатах на тиристорах величина минимального тока меньше, чем в агрегатах дроссельных насыщений, и составляет не более 1тАФ2% от Idmin . На холостом ходу выходное напряжение выпрямителя с дросселями насыщения при номинальном, напряжении питающей сети превысит на 25тАФ30% стабилизирующее. Этот скачок может быть устранен подключением балластной нагрузки мощностью Idmin * Udmin. С помощью специальной схемы, можно обеспечить подключение балласта только при уменьшении тока нагрузки ниже Idmin.
В силовых агрегатах на тиристорах выходное напряжение при токах, лежащих в интервале от пуля до Idmin, не определенно и зависит от характеристик .вентилей и сопротивления нагрузки. Этот недостаток устраняется включением балластной нагрузки, однако мощность ее значительно меньше, чем в случае дроссельного регулирования. Бели потребитель размещен вдали от силового агрегата, то стабилизация напряжения на выходе агрегата не будет обеспечивать стабилизацию напряжении непосредственно на нагрузке, так как падение напряжения в кабеле пропорционально току нагрузки. Агрегаты позволяют подключением измерительного, моста системы автоматического регулирования на зажимы нагрузки поддерживать стабильное напряжение непосредственно на нагрузке.

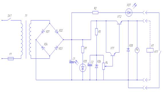
Рисунок 2 тАУ Схема электрическая принципиальная
Согласно всему выше изложенному выбираем выпрямительный мост представленный на принципиальной схеме.
2.2 Принцип работы устройства
При включении тумблера SA1 через предохранитель F1 на первичную обмотку трансформатора Т1 подается переменное напряжении 220 В. С выхода трансформатора поступает переменное напряжение 25В, которое выпрямляется диодным мостом КЦ405 и фильтруется электролитическим конденсатором. После этого включается светодиод АЛ307Б, который сигнализирует о наличии напряжения на выходе трансформатора. Далее стабилизированное напряжение, через подстроечный резистор поступает на базу составного транзистора, которое контролируется миллиамперметром mА. Диод на выходе устройства включен для защиты от бросков напряжения обратной полярности, которая возникает при подключении обмотки (катушки) реле.
3 Расчет и выбор элементной базы
3.1 Расчет и выбор элементной базы
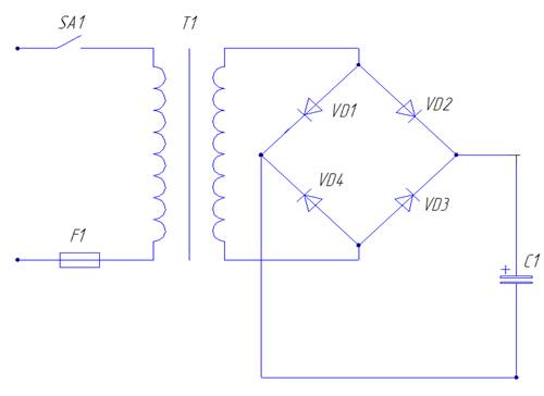
1 Расчет мостового выпрямителя с фильтром

Рисунок 3 - Мостовой выпрямитель с фильтром
Исходными данными для расчета выпрямителя являются:
Uно тАУ среднее значение выпрямленного напряжения;
Iо тАУ среднее значение выпрямленного тока;
U1 тАУ напряжение сети;
Кп.вых тАУ коэффициент пульсаций выпрямленного напряжения;
В приводимых ниже расчетах напряжение выражается в вольтах, ток тАУ в миллиамперах, сопротивление тАУ в Омах, емкость тАУ в микрофарадах, коэффициент пульсаций в процентах.
Дано: Uно = 25 В; Iо = 0,1А; U1 = 220 В; Кп.вых = 2 %.
1.1 Для выбора типа диодов, определяют обратное напряжение на вентиле
Uобр =1,5В·Uо = 1,5 В· 1,2 В· 25 = 45 В,
где Uо = 1,2 В· Uно тАУ напряжение на входе сглаживающего фильтра должно быть больше напряжения на нагрузке, т.к. учитывает потери напряжения на фильтре.
Средний ток через вентиль
Iа ср = 0,5В·Iо = 0,5 В· 0,1 = 0,05 А.
Выбираем диоды
КЦ405 с Iср = 3 А; Uобр.М = 50 В
Выбор диода производим по этим двум параметрам Iа.ср и Uобр. Из справочника выписываем максимальное обратное напряжение, средний ток и внутреннее сопротивление вентиля Ri. Если величины Ri в справочнике нет, то его легко рассчитать. При падении напряжения на кремниевом диоде UД = 0,7 В величина
Ri = UД / Iа ср = 0,7 / 1 = 0,7 Ом
1.2 Расчет трансформатора при Uо = 1,2 В· Uно = 1,2 В· 25 = 30 В:
Определяют сопротивление трансформатор
2527 Ом.
Напряжение на вторичной обмотке трансформатора
Ва25,3В.
Токи обмоток
0,2 A,
Ва0,03 A.
Вычисляем габаритную мощность трансформатора, которая для двухполупериодной схемы определяется выражением
8,6 В∙А.
Далее находим произведение площади сечения сердечника трансформатора Qc на площадь окна сердечника Q0, которое в зависимости от марки провода обмотки равно, см4:
QС Q0 = 1,6В·Pг для провода марки ПЭЛ
QС Q0 = 1,6
В·
Pг = 1,6 В· 8,6 = 13,76 см4
Из таблицы 1, в которой приведены основные данные типовых Ш-образных пластин, по значению QС Q0 выбирают тип пластины и выписывают все ее параметры.
Таблица1 - Данные типовых Ш-образных пластин
| Тип пластины | Размеры | Пределы Qc,Q0,см4 | |||
ширина среднего стержня а, см | ширина окна b, см | высота окна h, см | площадь окна Q0 = b h, см2 | ||
Ш-10 Ш-10 Ш-10 Ш-12 УШ-12 Ш-12 Ш-14 Ш-14 Ш-15 Ш-16 УШ-16 Ш-18 Ш-19 Ш-20 Ш-20 УШ-22 Ш-25 Ш-25 Ш-28 УШ-30 Ш-32 УШ-35 УШ-40 | 1,0 1,0 1,0 1,2 1,2 1,2 1,4 1,4 1,5 1,6 1,6 1,8 1,9 2,0 2,0 2,2 2,5 2,5 2,8 3,0 3,2 3,5 4,0 | 0,5 0,65 1,2 0,6 0,8 1,6 0,7 0,9 1,35 0,8 1,0 0,9 1,2 1,0 1,7 1,4 2,5 3,15 1,4 1,9 3,6 2,2 2,6 | 1,5 1,8 3,6 1,8 2,2 4,8 2,1 2,5 2,7 2,4 2,8 2,7 3,35 3,0 4,7 3,9 6,0 5,8 4,2 5,3 7,2 6,15 7,2 | 0,75 1,17 4,32 1,08 1,76 7,68 1,47 2,25 3,65 1,92 2,8 2,43 4,02 3,0 7,99 5,46 15 18,3 5,88 10,1 25,9 13,5 18,7 | 0,75-1,5 1,17-2,34 4,32-8,64 1,56-3,12 2,53-5,06 11,1-22,2 2,88-5,76 4,41-8,82 8,21-16,4 4,91-9,82 7,17-14,3 7,87-15,7 14,5-29 12-24 32-64 26,4-52,8 93,7-80,7 114-228 46,5-93 91-182 265-530 165-330 300-600 |
Вместе с этим смотрят:
IP-телефония. Особенности цифровой офисной связи