Реконструкция учрежденческой автоматической телефонной станции на ст. Петропавловск
Многие годы телефонная связь развивалась быстрыми темпами, превосходящими все другие виды связи. В настоящее время сети телефонной связи насчитывают во всем мире более одного миллиарда абонентов. В последние годы с сетями телефонной связи может конкурировать только глобальная компьютерная сеть Интернет.
В настоящее время системы телефонной коммутации на железнодорожном транспорте применяются преимущественно на сетях общетехнологической связи. В последние годы цифровые системы коммутации стали внедряться на сетях оперативно-технологической связи (ОТС).
Сети общетехнологической телефонной связи (ОбТС) предназначены для предоставления услуг по передаче речевой информации между работниками различных подразделений железнодорожного транспорта в пределах всей сети железных дорог страны. Кроме того, пользователем сетей ОбТС дается возможность получения услуг факсимильной связи и передачи данных. На цифровой сети ОбТС абоненты могут пользоваться видеосвязью, а также дополнительными услугами и видами связи.
В основе построения сетей ОбТС заложены системы распределения информации, функции которых выполняют коммутационные станции. Среди коммутационных станций наибольшее применение нашли автоматические телефонные станций (АТС), работающие в режиме коммутации каналов. В последнее время находят применение системы с коммутацией пакетов: маршрутизаторы и коммутаторы, используемые на сетях передачи данных. Особенности организации технологических процессов на железных дорогах привели к тому, что лишь небольшая доля информации распределяется вручную. Для этого используются либо ручные междугородные коммутаторы, либо специализированные пульты операторов связи, включенные в цифровые АТС.
До конца 90-х годов ХХ тАУ го столетия сеть ОбТС была полностью аналоговой. На такой сети использовались электромеханические (декадно-шаговые, координатные, релейные), квазиэлектронные АТС, а также небольшое количество аналоговых электронных АТС. С конца 90-х годов начался переход к цифровой сети ОбТС, которая характеризуется применением цифровых коммутационных станций, связанных между собой цифровыми соединительными линиями, и позволяющая организовать цифровой абонентской доступ на основе стандарта ISDN. Цифровые соединительные линии образуются при помощи цифровых систем передачи, работающих по волоконно-оптическим или металлическим кабелям.
Для сети ОбТС на железнодорожном транспорте характерны следующие особенности. Во-первых, на сети преимущественно используются АТС малой емкости: доля станций малой емкости (до 200 номеров) составляет около 75%. Во-вторых, емкость телефонных станций изменяется в широких пределах: начиная от нескольких десятков и до 4000тАж.6000 номеров. Наибольшая емкость более 10 000 номеров. В-третьих, в подавляющем большинстве случаев на сети ОбТС применяются учрежденческо-производственные АТС (УПАТС), позволяющие экономично строить телефонные станции относительно небольшой емкости. Коммутационные станции сетей общего пользования, характеризующиеся относительно большой емкостью тАУ от 1000 номеров и выше, находят редкое применение.
В настоящем отчете рассматривается реконструкция УАТС станции Петропавловск на базе оборудования ВлМиниКом DX-500ЖТВ». Данная система обеспечивает в будущем создать цифровую сеть вдоль железнодорожного полотна. Цифровая сеть ОбТС не имеет недостатков аналоговых и характеризуется высоким качеством связи, высокой пропускной способностью на всех уровнях сети связи, использованием стандартных систем сигнализации по общему каналу, а также предоставлением абонентам множества дополнительных услуг и видов связи.
1. Аналитические исследования проблем по теме проекта и разработки по их технической реализации
1.1 Краткий обзор существующих проблем и направления развития отрасли связи на железнодорожном транспорте
Основными средствами связи на железных дорогах были проводная телеграфная и телефонная связь, а также радиосвязь. В последнее время в связи внедрением информационных технологии бурно развивается и передача данных. Резкое увеличение потоков информации, вызванное внедрением автоматизированных систем оперативного управления работой железных дорог, требует автоматизации и дальнейшего развития всех видов внутридорожной информационной связи, модернизации устройств и расширения сети связи.
Для оперативного руководства технологическим процессом работы железнодорожного транспорта настоящее время эксплуатируются разновидные оборудования связи (аналоговые и цифровые) такие, как аппаратура АТС, системы избирательной связи, аппаратура связи совещаний, аппаратура станционной связи дежурного промежуточной станции, аппаратура коммутатора технологической связи, аппаратура поездной радиосвязи на базе радиостанций, аппаратура стационарные и переносные радиостанции и другие.
Все выше перечисленные системы оборудования связи, морально и физически устаревшие, в настоящее время промышленностью не выпускаются и имеют низкую ремонтопригодность [14].
Сети оперативно-технологической связи (ОТС), поездной радиосвязи и другие построены на групповых каналах (один для всех оперативных работников) с использованием физических проводов подверженных влиянию атмосферных и индустриальных помех. Кроме того, сети ОТС смонтированы на релейном коммутационном оборудовании с низкой надежностью, требуют больших затрат труда на их содержание и по своим функциональным возможностям не удовлетворят требованиям, возникающим при структурной перестройки управления.
Основной недостаток существующей ОТС - неэффективное использование каналов связи (для каждого вида ОТС свой канал связи), а также аппаратуры связи.
Применение для каждого вида ОТС отдельных устройств, их наращивание по мере появления новых видов связи привели к сосредоточению на рабочих местах большого количества разнотипных пультов и переговорных приборов, сложности в эксплуатации. По этим причинам сети ОТС обладают низким качеством связи и надежности.
Из-за недостаточного количества каналов и их низкого качества в вторичные сети телефонной и телеграфной связи, передачи данных, факсимильных сообщений и ОТС не позволяют уже в настоящее время эффективно решать задачи управления железнодорожным транспортом.
Из существующих АТС на железнодорожном транспорте АТСК (АТСКУ) (как ДШ системы) эксплуатируются более 20 лет, что составляет предельный срок службы механических АТС. Это оборудование физически изношено, давно снято с производства, неремонтопригодное [14].
В целом автоматически коммутируемая телефонная сеть (АКТС) на железнодорожном транспорте, обладает низкой пропускной способностью и малой надежностью.
Сети телефонной и телеграфной связи, построенные на морально и физически устаревшем оборудовании, не отвечают современным требованиям и не обеспечивают качественной связи; доля отказов по вызовам на порядок выше установленных норм, а достоверность на три порядка ниже нормы.
1.2 Краткая характеристика телефонной сети
В данном районе (ст. Петропавловск), где предстоит реализовать проект предоставляющий услуги телекоммуникаций корпоративным клиентам, представлена ведомственной АТС Южно-Уральской железнодорожной дороги (данный участок ж/д относиться к Россию) станцией типа АТСКУ.
Рассматриваемая в проекте на ст. Петропавловск станция (УАТС) типа АТСКУ эксплуатируется с 1980 года. Монтируемая емкость составляет 1000 номеров. Существующая емкость тАУ 990 номеров, что составляет 99 % . В последнее время на рассматриваемой АТС доля станционных повреждении резко увеличена, доля отказов превышает нормы. Нет возможности замены приборов, так как настоящее время коммутационные приборы для электромеханических станции промышленностью не выпускаются. Оборудование УАТС исчерпало все свои ресурсы, морально и физически устарело. [14].
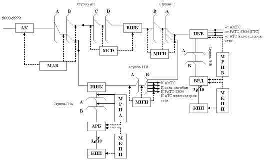
На рисунке 1.1 показана функциональная схема УАТС ст. Петропавловск типа АТСКУ. УАТС на ст. Петропавловск в основном обслуживает корпоративных клиентов (абонентов). Данная станция выполняет функцию оконечной и транзитно-узловой, т. е. к ней подключены (ОС) оконечные станции (рисунок 1 Приложения А).
Структура организации магистральной сети с оборудованиями на этой части железных дорог показана на таблице 1.1.
Таблица 1.1 - Структура организации магистральной сети
| Наименование участка | Тип системы передачи | Количество оборудовании | Примечание |
| 1 | 2 | 3 | 4 |
| Петропавловск - Кокшетау - Астана (казахстанский сегмент) | STM-4 (STM-1) | 1+1 | с учетом Ватранзита |
| Петропавловск - российский сегмент | STM-4 (STM-1) | 1+1 | с учетом транзита |

Рисунок 1.1 - Функциональная схема АТСК-У с двумя ступенями ГИ
Из таблицы видно, что транспортная сеть магистрального участка создана на базе мультиплексоров STM-4 (STM-1) с применением магистрального оптического кабеля.
Абоненты УАТС для выхода в ГТС набирает индекс выхода. Местная связь абонентов УАТС осуществляется через опорную РАТС-53/54 (ВлКазахтелекомаВ»). Межстанционная связь с РАТС- 53/54 организована с помощью 2-х оборудования ИКМ-30 (60 каналов).
1.3 Обзор характеристик систем коммутации и выбор оптимальной системы
В настоящее время, как на сетях общего пользования и ведомственно-корпоративных сетях связи внедряются современные технологии (станции, системы передачи, линии связи и т.д.). Особенно на местных ведомственных сетях внедряются цифровые АТС, которые имеют следующие преимущества по сравнению с аналоговыми:
- уменьшение габаритных размеров и повышение надежности оборудования за счет использования элементной базы высокого уровня интеграции;
- повышение качества передачи и коммутации; увеличение числа вспомогательных и дополнительных служб;
- возможность создания на базе цифровых АТС и цифровых систем коммутации интегральных сетей связи, позволяющих внедрение различных видов и служб электросвязи на единой методологической и технической основе;
- уменьшение объема работ при монтаже и настройке электронного оборудования в объектах связи;
- сокращение обслуживающего персонала за счет полной автоматизации контроля функционирования оборудования и создания необслуживаемых станций;
- значительное уменьшение металлоемкости конструкции станций; сокращение площадей, необходимых для установки цифрового коммутационного оборудования и т.д.
Ниже в таблице 1.2 даны основные характеристики цифровых систем коммутации, которые широко применяются и на сетях общего пользования, а также корпоративных (ведомственных) сетях.
Сравнивая общие технические характеристики различных систем, а также архитектуру распространенных систем выбираем оптимальную. Критериями в данном случае является доступная цена, пригодность в учрежденческих сетях (в российском сегменте применяются основном МиниКом DX-500ЖТ), возможность создания мультисервисной сети, обеспечение современных услуг связи и т.д. Для настоящего дипломного проекта самой экономичной и оптимальной является МиниКом DX-500ЖТ фирмы ВлИнформтехника и СвязьВ».
Станция МиниКом DX-500ЖТ представляет собой цифровую учрежденческую коммутационную станцию с функциями ISDN, разработанную и производимую российской компанией ВлИнформтехника и связьВ». В условиях сети связи железных дорог станция может быть использована в пределах абонентской емкости от 30 до 2500 номеров для узловых и до 4096 номеров для оконечных станций. Станция предназначена для применения как на сетях ОбТС, так и на сетях ОТС железнодорожного транспорта.
Компания ВлИнформтехника и СвязьВ» предлагает оборудование, разработанное на основе самых современных телекоммуникационных технологий и одновременно учитывающее специфические требования системы связи железных дорог. На сетях ОТС используется модификация станции МиниКом DX-500ЖТ [6].
Что касается диапазона применений, то изначально станция ВлМиниКом DX-500ЖТВ» разрабатывалась для работы на сетях связи различных ведомств. Она может быть применена: для стыковки ведомственной сети с сетями связи других ведомств; для выхода на сети общего пользования; для работы в цифровых сетях с интеграцией служб (ISDN); в подсистемах операторов ручного обслуживания; в диспетчерских центрах; в информационных центрах и центрах обслуживания пассажиров; как система связи совещаний; для создания системы микросотовой связи стандарта DECT; для сопряжения с транковыми и спутниковыми системами связи; для мультиплексирования и передачи до 4-х (до 8-ми) цифровых потоков Е1 по одному (по двум) оптическим волокнам и полупостоянной коммутации отдельных ОЦК и обеспечения передачи данных.
Архитектура системы ВлМиниКом DX-500ЖТВ» позволяет использовать ее в цифровых сетях общетехнологической и оперативно-технологической связи, в системе связи совещаний железных дорог России, стран СНГ и Балтии в том числе в нашей Республике. Станция может функционировать как в цифровом, так и в аналоговом окружении, что делает ее применение наиболее эффективным при эволюционном развитии сетей связи железнодорожного транспорта - от полностью аналоговых до полностью цифровых. Станция может выполнять функции узла автоматической коммутации (УАК) с любыми видами сигнализации по каждой СЛ [7].
Благодаря своей гибкой структуре станция ВлМиниКом DX-500ЖТВ» может быть применена в качестве местной, отделенческой, дорожной и магистральной. При этом в сетях ОТС и ОбТС она способна функционировать как оконечная, транзитная или транзитно-оконечная станция. В иерархическом ряду ВлМиниКом DX-500ЖТВ» рассматривается как распорядительная, исполнительно-распорядительная и исполнительная станция проводной связи и поездной радиосвязи, являющаяся одновременно коммутатором станционной оперативно-технологической проводной связи и парковой связи. На базе ВлМиниКом DX-500ЖТВ» возможна организация диспетчерской связи новой вертикали управления перевозками с использованием коммутируемых, групповых и прямых каналов.
Таблица 1.2 - Основные характеристики цифровых систем коммутации
| Наименование системы, производитель | SI-2000 | БЭТО-01 Концерн БЭТО | МиниКом-ЖТ Информтехника и Связь | Квант-Е Сокол МЦТК | Омега Раскат | АТi-90 ЛОНИИС | АЛС АЛС и ТЕК |
| Область применения | ТфОП, УАТС и др. сетях | ТфОП, УАТС и др. сетях | ТфОП, УАТС и др. сетях | ТфОП, УАТС и др. сетях | ТфОП, УАТС и др. сетях | ТфОП, УАТС и др. сетях | ТфОП, УАТС и др. сетях |
| Абонентская емкость, ном. | 40000 | 80000 | 4096 | 100000 | 20000 | 90000 | 200000 |
| Производительность, выз. в ЧНН | 200000 | 400000 | 3000 | 1400000 | 2500000 | 550000 | 3000000 |
| Удельная нагрузка на АЛ, эрл | 0,13 | 0,1 | 0.8 | 0,25 | 0,2 | 0,08 тАУ 0,25 | 0,25 |
| Потр. мощн. на АЛ, Вт | 0,7 | 0,7 | 1,2 | 0,7 | 0,24 тАУ 0,65 | 0,25 | |
| ОКС-7 (MTP, ISUP) ЦСИО | + | + | + | + | + | + | + |
| Интерфейс V5 | + | - | + | - | - | + | - |
| Интеллектуальная сеть INAP | - | - | + | - | - | + | - |
| WLL | - | - | + | - | - | + | - |
| IPOP | - | - | + | - | - | + | - |
| SHDSL | - | - | + | - | - | + | - |
| СОРМ ПУ СОРМ | + - | + - | + + | + - | - - | + + | + - |
| Ориентировочная стоимость 1 порта, у.е. | 70-85 | 50-65 | от 45 | от 65 | от 70 | от 45 | от 45 |
1.4 Будущее железнодорожного транспорта - информатизация отрасли
Железнодорожный транспорт - сложное, динамичное хозяйство, подразделения которого территориально разобщены. В обеспечении их слаженной работы как единого механизма решающая роль принадлежит информационной системе, дающей достоверную и своевременную информацию для выработки оптимальных оперативных и стратегических решений по управлению отраслью.
Информационные коммуникационные технологии (ИТК) базируются на трех основных составляющих: программном обеспечении, вычислительной инфраструктуре и сетях передачи данных.
В советский период железные дороги всех республик были объединены в едином информационном пространстве. Разработка и внедрение новых программных комплексов осуществлялись централизованно, и до настоящего времени некоторые технологические процессы по-прежнему увязаны с ГВЦ МПС России, что при обработке данных требует дополнительных затрат средств и времени [14].
Информационному обеспечению железных дорог в условиях СССР всегда уделялось первостепенное внимание. Важным этапом на этом пути стало создание автоматизированной системы управления железнодорожным транспортом (АСУЖТ). Главное ее назначение -совершенствование управления отраслью и прежде всего эксплуатационной деятельностью, оптимизация планирования, оперативного руководства работой производственных звеньев, улучшение использования основных фондов, материальных и трудовых ресурсов.
Однако создаваемая постепенно на основе отдельных локальных систем АСУЖТ не была сформирована окончательно как комплексная автоматизированная система. Тем не менее созданные в ее рамках отдельные программные комплексы используются и в настоящее время.
На большинстве участковых станций, осуществляющих сортировку вагонов, также функционируют информационные системы, на низовых рабочих местах применяются программные комплексы - Автоматизированное рабочее место (АРМ) товарного кассира, оператора технической конторы и др. Однако в связи с низкой технической оснащенностью и недостаточной квалификацией кадров эти программы используются не в полной мере [14].
В стадии разработки и внедрения находятся автоматизированные подсистемы: АСУ КП - управление контейнерными пунктами; АСУ SAP-функциональная подсистема экономического управления, включая бухучет, материально-техническое обеспечение и управление финансовой деятельностью; АСЭДВ - автоматическая электронная обработка ведомости.
Эксплуатируемые в настоящее время автоматизированные системы обеспечивают оперативное управление отдельными сферами эксплуатационной деятельности железнодорожного транспорта на основе информации, поступающей с АРМ, где на низовом уровне фиксируются все первичные события, связанные с организацией и осуществлением грузовых и пассажирских перевозок. Они функционируют автономно, часто с дублированием идентичных баз данных. Интеграция их в единую систему представляет определенную сложность.
При этом необходимо отметить, что используемое на железнодорожном транспорте в настоящее время программное обеспечение разрабатывалось в основном в 70-80-х годах прошлого столетия и во многом не соответствует современным требованиям.
Кроме того, крайне недостаточно автоматизированы такие важнейшие направления деятельности, как финансы, экономика бухгалтерский учет, материально-техническое снабжение и др. [14].
Характеризуя современное состояние информатизации железнодорожного транспорта, следует отметить один очень важный момент. Как известно, ключевым элементом информационных систем является база данных, позволяющая контролировать соответствующие производственные процессы для своевременного принятия необходимых оперативных и стратегических решений. Эти решения могут носить организационный и управленческий характер и приниматься на всех уровнях руководства отраслью. Выполненные перевозки - конечный итог деятельности железнодорожного транспорта. Объем и качество их характеризуют эффективность работы всей отрасли. Поэтому в информационном комплексе мониторинг железнодорожных перевозок имеет основополагающее значение. Он должен обеспечиваться на всех уровнях управления, включая и правительственный, что особенно важно для принятия общегосударственных решений по комплексному развитию всей транспортной отрасли, таких, как формирование международных транспортных коридоров, обеспечение их конкурентоспособности, улучшение использования транзитно-транспортного потенциала и др.
Существующая вычислительная информационная инфраструктура казахстанских железных дорог представлена тремя региональными вычислительными центрами (РИВЦ) в Астане, Алматы и Актобе, осуществляющими сбор и обработку информации по своим регионам с последующим централизованным ее обобщением в Главном вычислительном центре (ГВЦ). [14].
Основным препятствием для широкого применения на железных дорогах Казахстана прогрессивных информационных технологий на современном этапе является ограниченность телекоммуникационных ресурсов.
С каждым годом в нашей Республике растет объем грузовых и пассажирских перевозок на железнодорожном транспорте. Интенсификация работы железнодорожного транспорта требует совершенствования систем управления перевозочным процессом. Технической основной системы управления являются средства связи, обеспечивающие оперативную передачу всех команд управления и получения обратной информации об их выполнении. Средства связи стали неотъемлемой частью любого технологического процесса, а также важным фактором, влияющим на повышение производительности труда и безопасности движения поездов.
1.5 Постановка задачи проекта
Реконструкция УАТС ст. Петропавловска на базе интегрированной системы МиниКом DX-500 ЖТ является первым этапом создания мультисервисной сети на северном сегменте железной дороги.
Актуальность данного проекта заключается в первую очередь в удовлетворении повышенного спроса на услуги связи, для оперативного управления производственным процессом на ж/д транспорте, предоставление расширенного спектра услуг телекоммуникаций корпоративным клиентам.
Основной целью проектаявляются: оперативное управление производственным процессом; удовлетворение спроса корпоративных (ведомственных) клиентов на установку абонентского терминала; оказать услуги по новым видам услуг связи, такие как междугородные и международные разговоры, передачи данных, Интернет и т.д.
Для осуществления данного проекта необходимо решить следующие задачи: замена узловой станции в ст. Петропавловск УАТС типа АТСКУ на цифровую типа МиниКом DX-500 ЖТ с переключением всех абонентов с учетом перспективы; замена оборудовании всех подключенных аналоговых оконечных станций (ОС) на ст. Петропавловск на МиниКом DX-500 ЖТ с учетом перспективы; произвести проверочный расчет соответствия соединительных линии (СЛ) между станциями; произвести расчет и распределение нагрузки на узловой станции (ст. Петропавловск) с учетом перспективы развития; рассчитать необходимое количество оборудования; рассмотреть вопросы безопасности жизнедеятельности при эксплуатации станции; составить бизнес - план на внедрение данного проекта и рассчитать ожидаемый экономический эффект от внедрения цифровой станции МиниКом DX-500 ЖТ.[6].
2. Техническая часть
2.1 Особенности концепции учрежденческой автоматической телефонной станции
Технический уровен
ь. При проектировании необходимо применение цифровой учрежденческой автоматической телефонной станции (УАТС), построенной на унифицированной архитектуре, обеспечивающую масштабируемость, надежность,
Вместе с этим смотрят:
IP-телефония. Особенности цифровой офисной связи